How To Use Binary Files In Labview . Labview programs can access binary files with the write to binary file and read from binary file vis located in the programming»file. You can either read the file as all bytes and do some unflatten gymnastics, or specify the datatype for read from binary. Add the read from binary file function to the block. Labview programs can access binary files with the write to binary file and read from binary file vis located in the. This is the clad preparation video series on labview advantage.resources to pass clad exam:ni. When a read text file or read binary file function is used. Write to a binary file to create the.bin file you need to complete the following steps. Bitwise operators often are used for extracting and inserting specific ranges. When a file is opened in labview the cursor is set to the first position in the file.
from www.youtube.com
Labview programs can access binary files with the write to binary file and read from binary file vis located in the. When a file is opened in labview the cursor is set to the first position in the file. Write to a binary file to create the.bin file you need to complete the following steps. This is the clad preparation video series on labview advantage.resources to pass clad exam:ni. Labview programs can access binary files with the write to binary file and read from binary file vis located in the programming»file. Add the read from binary file function to the block. Bitwise operators often are used for extracting and inserting specific ranges. When a read text file or read binary file function is used. You can either read the file as all bytes and do some unflatten gymnastics, or specify the datatype for read from binary.
LabVIEW Programming Part 3 Binary to Decimal Conversion YouTube
How To Use Binary Files In Labview Add the read from binary file function to the block. When a file is opened in labview the cursor is set to the first position in the file. Bitwise operators often are used for extracting and inserting specific ranges. When a read text file or read binary file function is used. You can either read the file as all bytes and do some unflatten gymnastics, or specify the datatype for read from binary. Labview programs can access binary files with the write to binary file and read from binary file vis located in the programming»file. This is the clad preparation video series on labview advantage.resources to pass clad exam:ni. Write to a binary file to create the.bin file you need to complete the following steps. Labview programs can access binary files with the write to binary file and read from binary file vis located in the. Add the read from binary file function to the block.
From stackoverflow.com
LabVIEW Whenever I convert a string to binary and try to save it, it How To Use Binary Files In Labview When a read text file or read binary file function is used. When a file is opened in labview the cursor is set to the first position in the file. Bitwise operators often are used for extracting and inserting specific ranges. Write to a binary file to create the.bin file you need to complete the following steps. Add the read. How To Use Binary Files In Labview.
From www.youtube.com
LabView Binary Converter YouTube How To Use Binary Files In Labview Add the read from binary file function to the block. When a file is opened in labview the cursor is set to the first position in the file. Write to a binary file to create the.bin file you need to complete the following steps. Bitwise operators often are used for extracting and inserting specific ranges. Labview programs can access binary. How To Use Binary Files In Labview.
From forums.ni.com
Reading HBM catman binary DAQ files in LabVIEW NI Community How To Use Binary Files In Labview Labview programs can access binary files with the write to binary file and read from binary file vis located in the. This is the clad preparation video series on labview advantage.resources to pass clad exam:ni. You can either read the file as all bytes and do some unflatten gymnastics, or specify the datatype for read from binary. Add the read. How To Use Binary Files In Labview.
From forums.ni.com
Binary Clock The Ultimate Digital Watch Using LabVIEW NI Community How To Use Binary Files In Labview This is the clad preparation video series on labview advantage.resources to pass clad exam:ni. Write to a binary file to create the.bin file you need to complete the following steps. When a read text file or read binary file function is used. You can either read the file as all bytes and do some unflatten gymnastics, or specify the datatype. How To Use Binary Files In Labview.
From forums.ni.com
4Bit Binary Counter Simulation with LabVIEW NI Community How To Use Binary Files In Labview You can either read the file as all bytes and do some unflatten gymnastics, or specify the datatype for read from binary. When a file is opened in labview the cursor is set to the first position in the file. Labview programs can access binary files with the write to binary file and read from binary file vis located in. How To Use Binary Files In Labview.
From www.youtube.com
Differentially encoded binary PSK (DPSK) using LabVIEW YouTube How To Use Binary Files In Labview Bitwise operators often are used for extracting and inserting specific ranges. Write to a binary file to create the.bin file you need to complete the following steps. When a file is opened in labview the cursor is set to the first position in the file. When a read text file or read binary file function is used. This is the. How To Use Binary Files In Labview.
From electrotech99.blogspot.com.eg
Embedded Systems Converting Binary Array to Integer Value in Labview How To Use Binary Files In Labview This is the clad preparation video series on labview advantage.resources to pass clad exam:ni. Bitwise operators often are used for extracting and inserting specific ranges. Labview programs can access binary files with the write to binary file and read from binary file vis located in the. Labview programs can access binary files with the write to binary file and read. How To Use Binary Files In Labview.
From forums.ni.com
How i can read binary file in labview as blocnote? NI Community How To Use Binary Files In Labview Bitwise operators often are used for extracting and inserting specific ranges. This is the clad preparation video series on labview advantage.resources to pass clad exam:ni. Write to a binary file to create the.bin file you need to complete the following steps. Labview programs can access binary files with the write to binary file and read from binary file vis located. How To Use Binary Files In Labview.
From copyprogramming.com
Image Create a LabVIEW IMAQ image from a binary buffer/file with and How To Use Binary Files In Labview Write to a binary file to create the.bin file you need to complete the following steps. Labview programs can access binary files with the write to binary file and read from binary file vis located in the programming»file. Bitwise operators often are used for extracting and inserting specific ranges. When a read text file or read binary file function is. How To Use Binary Files In Labview.
From microcontrollerslab.com
How use to loops in labview tutorial 3 How To Use Binary Files In Labview Write to a binary file to create the.bin file you need to complete the following steps. Labview programs can access binary files with the write to binary file and read from binary file vis located in the programming»file. When a file is opened in labview the cursor is set to the first position in the file. Bitwise operators often are. How To Use Binary Files In Labview.
From copyprogramming.com
Image Create a LabVIEW IMAQ image from a binary buffer/file with and How To Use Binary Files In Labview When a file is opened in labview the cursor is set to the first position in the file. This is the clad preparation video series on labview advantage.resources to pass clad exam:ni. Bitwise operators often are used for extracting and inserting specific ranges. Labview programs can access binary files with the write to binary file and read from binary file. How To Use Binary Files In Labview.
From www.youtube.com
HOW TO CONVERT STRING TO BINARY USING LABVIEW YouTube How To Use Binary Files In Labview When a file is opened in labview the cursor is set to the first position in the file. Labview programs can access binary files with the write to binary file and read from binary file vis located in the programming»file. Add the read from binary file function to the block. You can either read the file as all bytes and. How To Use Binary Files In Labview.
From www.youtube.com
[LabVIEW] How to write binary 2D array to file 如何將二進位2D矩陣寫入檔案 YouTube How To Use Binary Files In Labview Bitwise operators often are used for extracting and inserting specific ranges. Add the read from binary file function to the block. When a read text file or read binary file function is used. This is the clad preparation video series on labview advantage.resources to pass clad exam:ni. Labview programs can access binary files with the write to binary file and. How To Use Binary Files In Labview.
From copyprogramming.com
Image Create a LabVIEW IMAQ image from a binary buffer/file with and How To Use Binary Files In Labview Add the read from binary file function to the block. When a read text file or read binary file function is used. Labview programs can access binary files with the write to binary file and read from binary file vis located in the programming»file. This is the clad preparation video series on labview advantage.resources to pass clad exam:ni. Labview programs. How To Use Binary Files In Labview.
From www.youtube.com
Arrays in LabVIEW Spreadsheets YouTube How To Use Binary Files In Labview Bitwise operators often are used for extracting and inserting specific ranges. Labview programs can access binary files with the write to binary file and read from binary file vis located in the programming»file. You can either read the file as all bytes and do some unflatten gymnastics, or specify the datatype for read from binary. Labview programs can access binary. How To Use Binary Files In Labview.
From microcontrollerslab.com
Data types in labview tutorial 4 How To Use Binary Files In Labview Add the read from binary file function to the block. Write to a binary file to create the.bin file you need to complete the following steps. Labview programs can access binary files with the write to binary file and read from binary file vis located in the programming»file. You can either read the file as all bytes and do some. How To Use Binary Files In Labview.
From www.youtube.com
0632 랩뷰,파일입출력, 이진파일읽기,LabVIEW, File Write, binary [김동일교수 두원공과대학교 AI How To Use Binary Files In Labview Add the read from binary file function to the block. Write to a binary file to create the.bin file you need to complete the following steps. You can either read the file as all bytes and do some unflatten gymnastics, or specify the datatype for read from binary. This is the clad preparation video series on labview advantage.resources to pass. How To Use Binary Files In Labview.
From www.youtube.com
TUTORIAL 3 HOW TO MAKE 4BIT BINARY TO GRAY CODE CONVERTER USING LABVIEW How To Use Binary Files In Labview Write to a binary file to create the.bin file you need to complete the following steps. Labview programs can access binary files with the write to binary file and read from binary file vis located in the. Labview programs can access binary files with the write to binary file and read from binary file vis located in the programming»file. You. How To Use Binary Files In Labview.
From digilent.com
Getting Started with LabVIEW and a Test and Measurement Device How To Use Binary Files In Labview You can either read the file as all bytes and do some unflatten gymnastics, or specify the datatype for read from binary. When a file is opened in labview the cursor is set to the first position in the file. Labview programs can access binary files with the write to binary file and read from binary file vis located in. How To Use Binary Files In Labview.
From www.youtube.com
how to convert an array to a binary file in LabVIEW YouTube How To Use Binary Files In Labview When a read text file or read binary file function is used. Bitwise operators often are used for extracting and inserting specific ranges. You can either read the file as all bytes and do some unflatten gymnastics, or specify the datatype for read from binary. Add the read from binary file function to the block. This is the clad preparation. How To Use Binary Files In Labview.
From www.youtube.com
How to open file in LabVIEW LabVIEW YouTube How To Use Binary Files In Labview Labview programs can access binary files with the write to binary file and read from binary file vis located in the programming»file. Add the read from binary file function to the block. You can either read the file as all bytes and do some unflatten gymnastics, or specify the datatype for read from binary. Write to a binary file to. How To Use Binary Files In Labview.
From www.theengineeringknowledge.com
How to use Charts and Graphs in labview The Engineering Knowledge How To Use Binary Files In Labview This is the clad preparation video series on labview advantage.resources to pass clad exam:ni. Add the read from binary file function to the block. Labview programs can access binary files with the write to binary file and read from binary file vis located in the. Labview programs can access binary files with the write to binary file and read from. How To Use Binary Files In Labview.
From www.youtube.com
LabVIEW Programming Part 3 Binary to Decimal Conversion YouTube How To Use Binary Files In Labview This is the clad preparation video series on labview advantage.resources to pass clad exam:ni. When a file is opened in labview the cursor is set to the first position in the file. When a read text file or read binary file function is used. You can either read the file as all bytes and do some unflatten gymnastics, or specify. How To Use Binary Files In Labview.
From electrotech99.blogspot.com.eg
Embedded Systems Converting Binary Array to Integer Value in Labview How To Use Binary Files In Labview Bitwise operators often are used for extracting and inserting specific ranges. Labview programs can access binary files with the write to binary file and read from binary file vis located in the. You can either read the file as all bytes and do some unflatten gymnastics, or specify the datatype for read from binary. When a read text file or. How To Use Binary Files In Labview.
From www.crystalinstruments.com
How to Read CI Data Files in Labview How To Use Binary Files In Labview Add the read from binary file function to the block. Bitwise operators often are used for extracting and inserting specific ranges. When a read text file or read binary file function is used. Write to a binary file to create the.bin file you need to complete the following steps. Labview programs can access binary files with the write to binary. How To Use Binary Files In Labview.
From licel.com
LabView Utility Routines Datafile Binary 2 Ascii How To Use Binary Files In Labview This is the clad preparation video series on labview advantage.resources to pass clad exam:ni. When a read text file or read binary file function is used. Write to a binary file to create the.bin file you need to complete the following steps. Labview programs can access binary files with the write to binary file and read from binary file vis. How To Use Binary Files In Labview.
From forums.ni.com
How to read header information from a Flir Public File (*.FPF) using How To Use Binary Files In Labview Add the read from binary file function to the block. Labview programs can access binary files with the write to binary file and read from binary file vis located in the. Write to a binary file to create the.bin file you need to complete the following steps. You can either read the file as all bytes and do some unflatten. How To Use Binary Files In Labview.
From www.youtube.com
[LabVIEW] How to read binary 2D array from file 如何從檔案中讀出二進位2D矩陣 YouTube How To Use Binary Files In Labview You can either read the file as all bytes and do some unflatten gymnastics, or specify the datatype for read from binary. When a file is opened in labview the cursor is set to the first position in the file. Bitwise operators often are used for extracting and inserting specific ranges. Labview programs can access binary files with the write. How To Use Binary Files In Labview.
From dariahj12.weebly.com
Labview Joshua Dariah How To Use Binary Files In Labview You can either read the file as all bytes and do some unflatten gymnastics, or specify the datatype for read from binary. When a file is opened in labview the cursor is set to the first position in the file. Add the read from binary file function to the block. Labview programs can access binary files with the write to. How To Use Binary Files In Labview.
From drureport343.web.fc2.com
Labview write to binary file example How To Use Binary Files In Labview Write to a binary file to create the.bin file you need to complete the following steps. When a file is opened in labview the cursor is set to the first position in the file. Bitwise operators often are used for extracting and inserting specific ranges. You can either read the file as all bytes and do some unflatten gymnastics, or. How To Use Binary Files In Labview.
From microcontrollerslab.com
arrays in labview with examples tutorial 5 How To Use Binary Files In Labview This is the clad preparation video series on labview advantage.resources to pass clad exam:ni. Add the read from binary file function to the block. You can either read the file as all bytes and do some unflatten gymnastics, or specify the datatype for read from binary. Bitwise operators often are used for extracting and inserting specific ranges. When a file. How To Use Binary Files In Labview.
From copyprogramming.com
Image Create a LabVIEW IMAQ image from a binary buffer/file with and How To Use Binary Files In Labview Labview programs can access binary files with the write to binary file and read from binary file vis located in the. When a read text file or read binary file function is used. You can either read the file as all bytes and do some unflatten gymnastics, or specify the datatype for read from binary. Bitwise operators often are used. How To Use Binary Files In Labview.
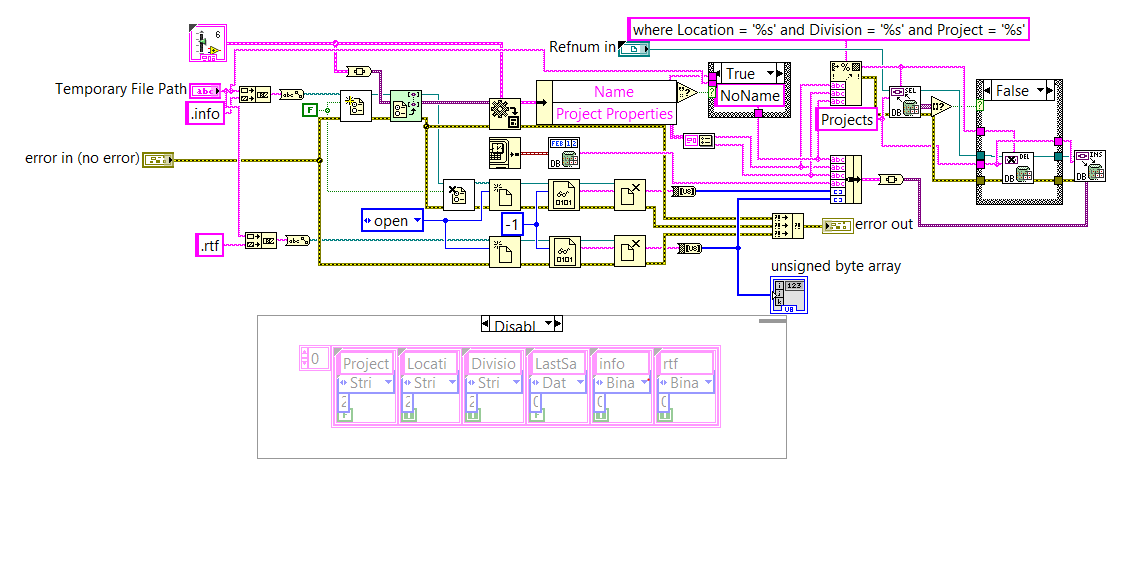
From stackoverflow.com
LabVIEW Binary File from Database to .rtf in control Stack Overflow How To Use Binary Files In Labview Labview programs can access binary files with the write to binary file and read from binary file vis located in the programming»file. When a file is opened in labview the cursor is set to the first position in the file. Bitwise operators often are used for extracting and inserting specific ranges. Add the read from binary file function to the. How To Use Binary Files In Labview.
From www.youtube.com
Binary Phase Shift Keying using NI LabVIEW YouTube How To Use Binary Files In Labview You can either read the file as all bytes and do some unflatten gymnastics, or specify the datatype for read from binary. Bitwise operators often are used for extracting and inserting specific ranges. When a file is opened in labview the cursor is set to the first position in the file. Labview programs can access binary files with the write. How To Use Binary Files In Labview.
From www.youtube.com
LabVIEW Binary Converter Demo (ELTT1240) YouTube How To Use Binary Files In Labview Write to a binary file to create the.bin file you need to complete the following steps. Bitwise operators often are used for extracting and inserting specific ranges. When a file is opened in labview the cursor is set to the first position in the file. Labview programs can access binary files with the write to binary file and read from. How To Use Binary Files In Labview.