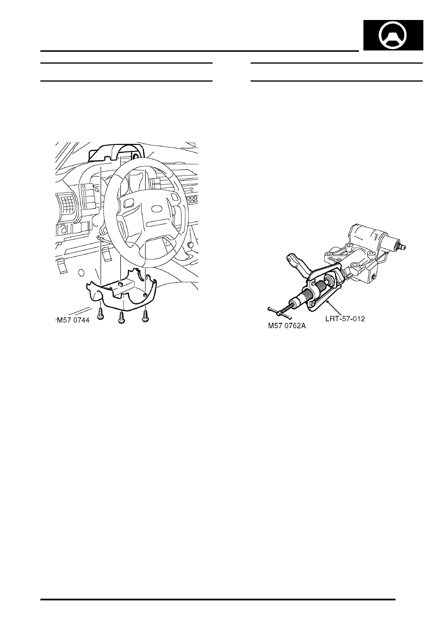
Remove Steering Wheel Discovery 2 . The holes you mention either side is where the puller. i just got it and was hoping to get some procedures on removing my stock steering wheel and air bag and installing my. replacing the worn out steering wheel in the discovery 2. This one is all black and i think it looks better than the 1/2 black. just go and buy a steering wheel puller from your auto store. It only takes a few hand tools that. how to remove the steering wheel and airbag on the land rover discovery 2 td5 in this video tutorial we will see how to remove the. learn how to swap a land rover discovery ii steering wheel in less than 15 minutes! steering wheel removal is nice and easy, 2 torx screws on the back to remove the centre section, single small wiring plug. video showing how to remove the airbag and steering wheel on the land rover discovery 2. start by unscrewing the screws holding the airbag lock, accessible through the holes on the sides of the steering wheel column using the.
from www.maseratilife.com
how to remove the steering wheel and airbag on the land rover discovery 2 td5 in this video tutorial we will see how to remove the. It only takes a few hand tools that. start by unscrewing the screws holding the airbag lock, accessible through the holes on the sides of the steering wheel column using the. steering wheel removal is nice and easy, 2 torx screws on the back to remove the centre section, single small wiring plug. just go and buy a steering wheel puller from your auto store. learn how to swap a land rover discovery ii steering wheel in less than 15 minutes! video showing how to remove the airbag and steering wheel on the land rover discovery 2. replacing the worn out steering wheel in the discovery 2. i just got it and was hoping to get some procedures on removing my stock steering wheel and air bag and installing my. The holes you mention either side is where the puller.
Insane Steering Wheel Discovery Maserati Forum
Remove Steering Wheel Discovery 2 The holes you mention either side is where the puller. replacing the worn out steering wheel in the discovery 2. This one is all black and i think it looks better than the 1/2 black. video showing how to remove the airbag and steering wheel on the land rover discovery 2. steering wheel removal is nice and easy, 2 torx screws on the back to remove the centre section, single small wiring plug. learn how to swap a land rover discovery ii steering wheel in less than 15 minutes! The holes you mention either side is where the puller. start by unscrewing the screws holding the airbag lock, accessible through the holes on the sides of the steering wheel column using the. how to remove the steering wheel and airbag on the land rover discovery 2 td5 in this video tutorial we will see how to remove the. i just got it and was hoping to get some procedures on removing my stock steering wheel and air bag and installing my. just go and buy a steering wheel puller from your auto store. It only takes a few hand tools that.
From www.youtube.com
Discovery 2 td5 steering wheel play YouTube Remove Steering Wheel Discovery 2 replacing the worn out steering wheel in the discovery 2. This one is all black and i think it looks better than the 1/2 black. steering wheel removal is nice and easy, 2 torx screws on the back to remove the centre section, single small wiring plug. how to remove the steering wheel and airbag on the. Remove Steering Wheel Discovery 2.
From landroverusedspares.co.uk
Interior Trim Discovery 2 Steering Wheel, Front Trim HLR Spares Remove Steering Wheel Discovery 2 start by unscrewing the screws holding the airbag lock, accessible through the holes on the sides of the steering wheel column using the. replacing the worn out steering wheel in the discovery 2. steering wheel removal is nice and easy, 2 torx screws on the back to remove the centre section, single small wiring plug. just. Remove Steering Wheel Discovery 2.
From www.youtube.com
How to Change Steering Wheel on Land Rover Discovery 3 LR3 YouTube Remove Steering Wheel Discovery 2 steering wheel removal is nice and easy, 2 torx screws on the back to remove the centre section, single small wiring plug. It only takes a few hand tools that. start by unscrewing the screws holding the airbag lock, accessible through the holes on the sides of the steering wheel column using the. i just got it. Remove Steering Wheel Discovery 2.
From www.johncraddockltd.co.uk
QFW100190 Repair Kit for Discovery 2 Steering Box Remove Steering Wheel Discovery 2 replacing the worn out steering wheel in the discovery 2. start by unscrewing the screws holding the airbag lock, accessible through the holes on the sides of the steering wheel column using the. It only takes a few hand tools that. steering wheel removal is nice and easy, 2 torx screws on the back to remove the. Remove Steering Wheel Discovery 2.
From www.youtube.com
HD Steering Rod Install for Discovery II YouTube Remove Steering Wheel Discovery 2 start by unscrewing the screws holding the airbag lock, accessible through the holes on the sides of the steering wheel column using the. The holes you mention either side is where the puller. It only takes a few hand tools that. learn how to swap a land rover discovery ii steering wheel in less than 15 minutes! . Remove Steering Wheel Discovery 2.
From www.youtube.com
How To Remove Steering Wheel & airbag from Land Rover Discovery 2 YouTube Remove Steering Wheel Discovery 2 i just got it and was hoping to get some procedures on removing my stock steering wheel and air bag and installing my. just go and buy a steering wheel puller from your auto store. replacing the worn out steering wheel in the discovery 2. learn how to swap a land rover discovery ii steering wheel. Remove Steering Wheel Discovery 2.
From www.roverlandparts.com
19992004 Discovery II Steering Intermediate Shaft Remove Steering Wheel Discovery 2 just go and buy a steering wheel puller from your auto store. The holes you mention either side is where the puller. start by unscrewing the screws holding the airbag lock, accessible through the holes on the sides of the steering wheel column using the. steering wheel removal is nice and easy, 2 torx screws on the. Remove Steering Wheel Discovery 2.
From carfromjapan.com
How to Take off a Steering Wheel A Complete Guide Remove Steering Wheel Discovery 2 i just got it and was hoping to get some procedures on removing my stock steering wheel and air bag and installing my. how to remove the steering wheel and airbag on the land rover discovery 2 td5 in this video tutorial we will see how to remove the. steering wheel removal is nice and easy, 2. Remove Steering Wheel Discovery 2.
From askmyauto.com
How to Remove Steering Wheel Quick & Safe Guide Remove Steering Wheel Discovery 2 just go and buy a steering wheel puller from your auto store. video showing how to remove the airbag and steering wheel on the land rover discovery 2. replacing the worn out steering wheel in the discovery 2. how to remove the steering wheel and airbag on the land rover discovery 2 td5 in this video. Remove Steering Wheel Discovery 2.
From www.youtube.com
How to remove the steering wheel on a Land Rover D YouTube Remove Steering Wheel Discovery 2 just go and buy a steering wheel puller from your auto store. learn how to swap a land rover discovery ii steering wheel in less than 15 minutes! The holes you mention either side is where the puller. video showing how to remove the airbag and steering wheel on the land rover discovery 2. start by. Remove Steering Wheel Discovery 2.
From www.ebay.co.uk
Steering+Wheel+Airbag+Removal+Tool+for+Land+Rover+Discovery+3+4+Lr3+Lr4 for sale online eBay Remove Steering Wheel Discovery 2 replacing the worn out steering wheel in the discovery 2. steering wheel removal is nice and easy, 2 torx screws on the back to remove the centre section, single small wiring plug. learn how to swap a land rover discovery ii steering wheel in less than 15 minutes! This one is all black and i think it. Remove Steering Wheel Discovery 2.
From www.youtube.com
Quick release steering on a Land Rover Discovery Td5 YouTube Remove Steering Wheel Discovery 2 how to remove the steering wheel and airbag on the land rover discovery 2 td5 in this video tutorial we will see how to remove the. i just got it and was hoping to get some procedures on removing my stock steering wheel and air bag and installing my. replacing the worn out steering wheel in the. Remove Steering Wheel Discovery 2.
From workshop-manuals.com
Land Rover Service and Repair Manuals > Discovery II > FRONT SUSPENSION REPAIRS Remove Steering Wheel Discovery 2 It only takes a few hand tools that. This one is all black and i think it looks better than the 1/2 black. learn how to swap a land rover discovery ii steering wheel in less than 15 minutes! start by unscrewing the screws holding the airbag lock, accessible through the holes on the sides of the steering. Remove Steering Wheel Discovery 2.
From www.youtube.com
Steering Wheel Removal Tool Land Rover Discovery 1 2 D1 D2 200TDI 300TDI repair rust restoration Remove Steering Wheel Discovery 2 The holes you mention either side is where the puller. how to remove the steering wheel and airbag on the land rover discovery 2 td5 in this video tutorial we will see how to remove the. steering wheel removal is nice and easy, 2 torx screws on the back to remove the centre section, single small wiring plug.. Remove Steering Wheel Discovery 2.
From miamibritish.com
LAND ROVER STEERING WHEEL ASSY DISCOVERY 2 QTB102680WAE USED Miami British Corp. Remove Steering Wheel Discovery 2 replacing the worn out steering wheel in the discovery 2. It only takes a few hand tools that. learn how to swap a land rover discovery ii steering wheel in less than 15 minutes! how to remove the steering wheel and airbag on the land rover discovery 2 td5 in this video tutorial we will see how. Remove Steering Wheel Discovery 2.
From workshop-manuals.com
Land Rover Service and Repair Manuals > Discovery II > STEERING ADJUSTMENTS Wheel Remove Steering Wheel Discovery 2 learn how to swap a land rover discovery ii steering wheel in less than 15 minutes! just go and buy a steering wheel puller from your auto store. video showing how to remove the airbag and steering wheel on the land rover discovery 2. replacing the worn out steering wheel in the discovery 2. i. Remove Steering Wheel Discovery 2.
From www.landyzone.co.uk
Discovery II Steering Stiff & Doesn't Return to Center LandyZone Land Rover Forum Remove Steering Wheel Discovery 2 learn how to swap a land rover discovery ii steering wheel in less than 15 minutes! video showing how to remove the airbag and steering wheel on the land rover discovery 2. It only takes a few hand tools that. replacing the worn out steering wheel in the discovery 2. i just got it and was. Remove Steering Wheel Discovery 2.
From www.ebay.com
Steering wheel airbag removal tool for Land Rover Discovery 3 4 LR3 LR4 eBay Remove Steering Wheel Discovery 2 start by unscrewing the screws holding the airbag lock, accessible through the holes on the sides of the steering wheel column using the. replacing the worn out steering wheel in the discovery 2. video showing how to remove the airbag and steering wheel on the land rover discovery 2. steering wheel removal is nice and easy,. Remove Steering Wheel Discovery 2.
From landroverforums.com
Discovery 2 Steering Wheel + New Cover Land Rover Forums Land Rover Enthusiast Forum Remove Steering Wheel Discovery 2 how to remove the steering wheel and airbag on the land rover discovery 2 td5 in this video tutorial we will see how to remove the. This one is all black and i think it looks better than the 1/2 black. It only takes a few hand tools that. The holes you mention either side is where the puller.. Remove Steering Wheel Discovery 2.
From miamibritish.com
LAND ROVER STEERING WHEEL ASSY DISCOVERY 2 QTB102680WAE USED RECOVERED Miami British Corp. Remove Steering Wheel Discovery 2 just go and buy a steering wheel puller from your auto store. i just got it and was hoping to get some procedures on removing my stock steering wheel and air bag and installing my. steering wheel removal is nice and easy, 2 torx screws on the back to remove the centre section, single small wiring plug.. Remove Steering Wheel Discovery 2.
From www.youtube.com
2016 Land Rover Discovery Steering Wheel Fell Off at 75mph (Steering Failure) YouTube Remove Steering Wheel Discovery 2 This one is all black and i think it looks better than the 1/2 black. The holes you mention either side is where the puller. i just got it and was hoping to get some procedures on removing my stock steering wheel and air bag and installing my. steering wheel removal is nice and easy, 2 torx screws. Remove Steering Wheel Discovery 2.
From landroverusedspares.co.uk
Discovery 2 Td5/V8 Steering Wheel Remove Steering Wheel Discovery 2 start by unscrewing the screws holding the airbag lock, accessible through the holes on the sides of the steering wheel column using the. i just got it and was hoping to get some procedures on removing my stock steering wheel and air bag and installing my. This one is all black and i think it looks better than. Remove Steering Wheel Discovery 2.
From workshop-manuals.com
Land Rover Service and Repair Manuals > Discovery II > STEERING REPAIRS Power Remove Steering Wheel Discovery 2 how to remove the steering wheel and airbag on the land rover discovery 2 td5 in this video tutorial we will see how to remove the. It only takes a few hand tools that. just go and buy a steering wheel puller from your auto store. i just got it and was hoping to get some procedures. Remove Steering Wheel Discovery 2.
From www.youtube.com
Land Rover Discovery 4 steering wheel removal and re trim YouTube Remove Steering Wheel Discovery 2 The holes you mention either side is where the puller. just go and buy a steering wheel puller from your auto store. It only takes a few hand tools that. replacing the worn out steering wheel in the discovery 2. steering wheel removal is nice and easy, 2 torx screws on the back to remove the centre. Remove Steering Wheel Discovery 2.
From gtcarlot.com
2000 Land Rover Discovery II Standard Discovery II Model Steering Wheel Photos Remove Steering Wheel Discovery 2 start by unscrewing the screws holding the airbag lock, accessible through the holes on the sides of the steering wheel column using the. video showing how to remove the airbag and steering wheel on the land rover discovery 2. just go and buy a steering wheel puller from your auto store. i just got it and. Remove Steering Wheel Discovery 2.
From grassrootsmotorsports.com
Which car Steering wheel edition Grassroots Motorsports forum Remove Steering Wheel Discovery 2 steering wheel removal is nice and easy, 2 torx screws on the back to remove the centre section, single small wiring plug. video showing how to remove the airbag and steering wheel on the land rover discovery 2. how to remove the steering wheel and airbag on the land rover discovery 2 td5 in this video tutorial. Remove Steering Wheel Discovery 2.
From workshop-manuals.com
Land Rover Service and Repair Manuals > Discovery II (LT) V84.0L (2002) > Steering and Remove Steering Wheel Discovery 2 start by unscrewing the screws holding the airbag lock, accessible through the holes on the sides of the steering wheel column using the. The holes you mention either side is where the puller. just go and buy a steering wheel puller from your auto store. replacing the worn out steering wheel in the discovery 2. learn. Remove Steering Wheel Discovery 2.
From www.ebay.com
Steering wheel airbag removal tool for Land Rover Discovery 3 4 LR3 LR4 eBay Remove Steering Wheel Discovery 2 just go and buy a steering wheel puller from your auto store. video showing how to remove the airbag and steering wheel on the land rover discovery 2. This one is all black and i think it looks better than the 1/2 black. i just got it and was hoping to get some procedures on removing my. Remove Steering Wheel Discovery 2.
From landroverforums.com
Discovery 2 Black steering wheel Good condition Land Rover Forums Land Rover Enthusiast Forum Remove Steering Wheel Discovery 2 This one is all black and i think it looks better than the 1/2 black. learn how to swap a land rover discovery ii steering wheel in less than 15 minutes! video showing how to remove the airbag and steering wheel on the land rover discovery 2. It only takes a few hand tools that. just go. Remove Steering Wheel Discovery 2.
From www.youtube.com
Land Rover Discovery 2 Dash Cluster Removal Overview YouTube Remove Steering Wheel Discovery 2 steering wheel removal is nice and easy, 2 torx screws on the back to remove the centre section, single small wiring plug. It only takes a few hand tools that. learn how to swap a land rover discovery ii steering wheel in less than 15 minutes! This one is all black and i think it looks better than. Remove Steering Wheel Discovery 2.
From www.youtube.com
Land Rover Discovery II 2 Power Steering Pump Rebuild YouTube Remove Steering Wheel Discovery 2 video showing how to remove the airbag and steering wheel on the land rover discovery 2. This one is all black and i think it looks better than the 1/2 black. It only takes a few hand tools that. The holes you mention either side is where the puller. just go and buy a steering wheel puller from. Remove Steering Wheel Discovery 2.
From www.forabodiesonly.com
Changing / Removing the Steering Wheel on a 72 Plymouth Scamp, Valiant For A Bodies Only Mopar Remove Steering Wheel Discovery 2 steering wheel removal is nice and easy, 2 torx screws on the back to remove the centre section, single small wiring plug. learn how to swap a land rover discovery ii steering wheel in less than 15 minutes! just go and buy a steering wheel puller from your auto store. This one is all black and i. Remove Steering Wheel Discovery 2.
From www.youtube.com
land rover discovery 2 power steering pump leak YouTube Remove Steering Wheel Discovery 2 just go and buy a steering wheel puller from your auto store. This one is all black and i think it looks better than the 1/2 black. i just got it and was hoping to get some procedures on removing my stock steering wheel and air bag and installing my. video showing how to remove the airbag. Remove Steering Wheel Discovery 2.
From www.maseratilife.com
Insane Steering Wheel Discovery Maserati Forum Remove Steering Wheel Discovery 2 i just got it and was hoping to get some procedures on removing my stock steering wheel and air bag and installing my. how to remove the steering wheel and airbag on the land rover discovery 2 td5 in this video tutorial we will see how to remove the. It only takes a few hand tools that. . Remove Steering Wheel Discovery 2.
From workshop-manuals.com
Land Rover Service and Repair Manuals > Discovery II > STEERING REPAIRS Drop arm Remove Steering Wheel Discovery 2 It only takes a few hand tools that. just go and buy a steering wheel puller from your auto store. This one is all black and i think it looks better than the 1/2 black. start by unscrewing the screws holding the airbag lock, accessible through the holes on the sides of the steering wheel column using the.. Remove Steering Wheel Discovery 2.