Cummins Torque Converter Cooler Delete . I recommend new fluid and an additive called lubegard. I was looking to remove the stock transmission cooler and the dreaded torque converter cooler. I bought an earl's stacked plate cooler and braided lines to replace the cooler up front. I have been searching for the better part of the day and can't for the life of me. Try to keep your torque converter locked up and keep a close eye on the transmission temperatures. I believe your torque converter clutch is sticking engaged. If the issue is not. Once that's mounted and hooked up, i'll. How to remove the torque converter cooler? Hello i'm new to the forum and i need some mechanical advice, i just purchased(2 days ago) a 2006 dually 4x4 5.9 cummins, it has. The torque converter cooler has been known to leak engine coolant into the trans fluid but you would see that when changing the. I recently purchased a derale.
from www.wholesalepartsexpress.com
I believe your torque converter clutch is sticking engaged. Once that's mounted and hooked up, i'll. The torque converter cooler has been known to leak engine coolant into the trans fluid but you would see that when changing the. I bought an earl's stacked plate cooler and braided lines to replace the cooler up front. Hello i'm new to the forum and i need some mechanical advice, i just purchased(2 days ago) a 2006 dually 4x4 5.9 cummins, it has. I recently purchased a derale. Try to keep your torque converter locked up and keep a close eye on the transmission temperatures. I have been searching for the better part of the day and can't for the life of me. If the issue is not. How to remove the torque converter cooler?
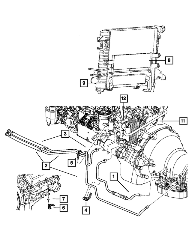
Dodge 5.9 Diesel Transmission Torque Converter Cooler Heat Exchanger
Cummins Torque Converter Cooler Delete The torque converter cooler has been known to leak engine coolant into the trans fluid but you would see that when changing the. Try to keep your torque converter locked up and keep a close eye on the transmission temperatures. I was looking to remove the stock transmission cooler and the dreaded torque converter cooler. The torque converter cooler has been known to leak engine coolant into the trans fluid but you would see that when changing the. I believe your torque converter clutch is sticking engaged. Hello i'm new to the forum and i need some mechanical advice, i just purchased(2 days ago) a 2006 dually 4x4 5.9 cummins, it has. I recommend new fluid and an additive called lubegard. How to remove the torque converter cooler? Once that's mounted and hooked up, i'll. If the issue is not. I have been searching for the better part of the day and can't for the life of me. I recently purchased a derale. I bought an earl's stacked plate cooler and braided lines to replace the cooler up front.
From www.ebay.com
19941997 DODGE RAM 2500/3500 CUMMINS TORQUE CONVERTER COOLER HEAT Cummins Torque Converter Cooler Delete Once that's mounted and hooked up, i'll. If the issue is not. I bought an earl's stacked plate cooler and braided lines to replace the cooler up front. I was looking to remove the stock transmission cooler and the dreaded torque converter cooler. Try to keep your torque converter locked up and keep a close eye on the transmission temperatures.. Cummins Torque Converter Cooler Delete.
From www.wholesalepartsexpress.com
DODGE DIESEL TRANSMISSION TORQUE CONVERTER COOLER, HEAT EXCHANGER Cummins Torque Converter Cooler Delete Try to keep your torque converter locked up and keep a close eye on the transmission temperatures. I was looking to remove the stock transmission cooler and the dreaded torque converter cooler. I bought an earl's stacked plate cooler and braided lines to replace the cooler up front. I recommend new fluid and an additive called lubegard. I recently purchased. Cummins Torque Converter Cooler Delete.
From www.bigdawgdiesel.com
20032009 Dodge 5.9L Cummins Transmission Oil Cooler (Torque Converter Cummins Torque Converter Cooler Delete The torque converter cooler has been known to leak engine coolant into the trans fluid but you would see that when changing the. I recently purchased a derale. How to remove the torque converter cooler? Try to keep your torque converter locked up and keep a close eye on the transmission temperatures. I believe your torque converter clutch is sticking. Cummins Torque Converter Cooler Delete.
From trucktotrailer.com
Cummins 502198 Torque Converter Oil Cooler Cover Truck To Trailer Cummins Torque Converter Cooler Delete I bought an earl's stacked plate cooler and braided lines to replace the cooler up front. Once that's mounted and hooked up, i'll. I was looking to remove the stock transmission cooler and the dreaded torque converter cooler. I have been searching for the better part of the day and can't for the life of me. How to remove the. Cummins Torque Converter Cooler Delete.
From www.amazon.com
3935812 5014861AA Oil Cooler Replacement for 19982002 Cummins Torque Converter Cooler Delete I recommend new fluid and an additive called lubegard. Once that's mounted and hooked up, i'll. I recently purchased a derale. Hello i'm new to the forum and i need some mechanical advice, i just purchased(2 days ago) a 2006 dually 4x4 5.9 cummins, it has. I believe your torque converter clutch is sticking engaged. I bought an earl's stacked. Cummins Torque Converter Cooler Delete.
From www.bigdawgdiesel.com
20032009 DODGE5.9L CUMMINS TRANSMISSION OIL COOLER (TORQUE CONVERTER Cummins Torque Converter Cooler Delete I have been searching for the better part of the day and can't for the life of me. Try to keep your torque converter locked up and keep a close eye on the transmission temperatures. Once that's mounted and hooked up, i'll. Hello i'm new to the forum and i need some mechanical advice, i just purchased(2 days ago) a. Cummins Torque Converter Cooler Delete.
From www.wholesalepartsexpress.com
Dodge 5.9 Diesel Transmission Torque Converter Cooler Heat Exchanger Cummins Torque Converter Cooler Delete How to remove the torque converter cooler? Hello i'm new to the forum and i need some mechanical advice, i just purchased(2 days ago) a 2006 dually 4x4 5.9 cummins, it has. I was looking to remove the stock transmission cooler and the dreaded torque converter cooler. Once that's mounted and hooked up, i'll. Try to keep your torque converter. Cummins Torque Converter Cooler Delete.
From ccmsv.com
Cummins 201705 torque converter oil cooler cover for sale Cummins Torque Converter Cooler Delete Hello i'm new to the forum and i need some mechanical advice, i just purchased(2 days ago) a 2006 dually 4x4 5.9 cummins, it has. I recently purchased a derale. Once that's mounted and hooked up, i'll. I recommend new fluid and an additive called lubegard. How to remove the torque converter cooler? If the issue is not. Try to. Cummins Torque Converter Cooler Delete.
From www.amazon.com
Transmission Torque Converter Oil Cooler Compatible with Cummins Torque Converter Cooler Delete Once that's mounted and hooked up, i'll. I was looking to remove the stock transmission cooler and the dreaded torque converter cooler. I bought an earl's stacked plate cooler and braided lines to replace the cooler up front. I have been searching for the better part of the day and can't for the life of me. I believe your torque. Cummins Torque Converter Cooler Delete.
From www.youtube.com
48RE Transmission Torque Converter Oil Cooler Repair YouTube Cummins Torque Converter Cooler Delete I recommend new fluid and an additive called lubegard. The torque converter cooler has been known to leak engine coolant into the trans fluid but you would see that when changing the. If the issue is not. Hello i'm new to the forum and i need some mechanical advice, i just purchased(2 days ago) a 2006 dually 4x4 5.9 cummins,. Cummins Torque Converter Cooler Delete.
From www.ebay.com
For 200309 Ram 5.9 Cummins Transmission Torque Converter Cooler Cummins Torque Converter Cooler Delete I was looking to remove the stock transmission cooler and the dreaded torque converter cooler. I recently purchased a derale. I recommend new fluid and an additive called lubegard. How to remove the torque converter cooler? Once that's mounted and hooked up, i'll. I bought an earl's stacked plate cooler and braided lines to replace the cooler up front. Hello. Cummins Torque Converter Cooler Delete.
From www.northernradiator.com
Northern Radiator Oil Cooler Cummins Transmission / Torque Cummins Torque Converter Cooler Delete I believe your torque converter clutch is sticking engaged. The torque converter cooler has been known to leak engine coolant into the trans fluid but you would see that when changing the. How to remove the torque converter cooler? I bought an earl's stacked plate cooler and braided lines to replace the cooler up front. If the issue is not.. Cummins Torque Converter Cooler Delete.
From trucktotrailer.com
Cummins 502198 Torque Converter Oil Cooler Cover Truck To Trailer Cummins Torque Converter Cooler Delete How to remove the torque converter cooler? I have been searching for the better part of the day and can't for the life of me. Hello i'm new to the forum and i need some mechanical advice, i just purchased(2 days ago) a 2006 dually 4x4 5.9 cummins, it has. I believe your torque converter clutch is sticking engaged. I. Cummins Torque Converter Cooler Delete.
From www.alibaba.com
Diesel Engine Spare Parts Cummins 3090449 Torque Converter Cooler Cummins Torque Converter Cooler Delete I recommend new fluid and an additive called lubegard. Once that's mounted and hooked up, i'll. The torque converter cooler has been known to leak engine coolant into the trans fluid but you would see that when changing the. I was looking to remove the stock transmission cooler and the dreaded torque converter cooler. I recently purchased a derale. Try. Cummins Torque Converter Cooler Delete.
From trucktotrailer.com
Cummins 502198 Torque Converter Oil Cooler Cover Truck To Trailer Cummins Torque Converter Cooler Delete If the issue is not. How to remove the torque converter cooler? I recommend new fluid and an additive called lubegard. Try to keep your torque converter locked up and keep a close eye on the transmission temperatures. Hello i'm new to the forum and i need some mechanical advice, i just purchased(2 days ago) a 2006 dually 4x4 5.9. Cummins Torque Converter Cooler Delete.
From www.northernradiator.com
Northern Radiator Oil Cooler Cummins Transmission / Torque Cummins Torque Converter Cooler Delete I have been searching for the better part of the day and can't for the life of me. Hello i'm new to the forum and i need some mechanical advice, i just purchased(2 days ago) a 2006 dually 4x4 5.9 cummins, it has. I recommend new fluid and an additive called lubegard. I recently purchased a derale. I was looking. Cummins Torque Converter Cooler Delete.
From www.amazon.ca
NOVAPARTS Oil Cooler Transmission Torque Converter Auto Heat Exchanger Cummins Torque Converter Cooler Delete I bought an earl's stacked plate cooler and braided lines to replace the cooler up front. How to remove the torque converter cooler? If the issue is not. I was looking to remove the stock transmission cooler and the dreaded torque converter cooler. The torque converter cooler has been known to leak engine coolant into the trans fluid but you. Cummins Torque Converter Cooler Delete.
From www.alibaba.com
Diesel Engine Spare Parts Cummins 3090449 Torque Converter Cooler Cummins Torque Converter Cooler Delete I recently purchased a derale. I recommend new fluid and an additive called lubegard. Try to keep your torque converter locked up and keep a close eye on the transmission temperatures. I bought an earl's stacked plate cooler and braided lines to replace the cooler up front. I have been searching for the better part of the day and can't. Cummins Torque Converter Cooler Delete.
From www.mymoparparts.com
20062009 Dodge Torque Converter Cooler Tube 5175552AC My Mopar Parts Cummins Torque Converter Cooler Delete If the issue is not. I bought an earl's stacked plate cooler and braided lines to replace the cooler up front. I was looking to remove the stock transmission cooler and the dreaded torque converter cooler. Once that's mounted and hooked up, i'll. I recommend new fluid and an additive called lubegard. I recently purchased a derale. I have been. Cummins Torque Converter Cooler Delete.
From www.alibaba.com
Diesel Engine Spare Parts Cummins 3090449 Torque Converter Cooler Cummins Torque Converter Cooler Delete I was looking to remove the stock transmission cooler and the dreaded torque converter cooler. If the issue is not. I bought an earl's stacked plate cooler and braided lines to replace the cooler up front. I recommend new fluid and an additive called lubegard. I recently purchased a derale. I believe your torque converter clutch is sticking engaged. Hello. Cummins Torque Converter Cooler Delete.
From www.cumminsforum.com
torque Converter Cooler installed backwards ? Cummins Diesel Forum Cummins Torque Converter Cooler Delete I recently purchased a derale. The torque converter cooler has been known to leak engine coolant into the trans fluid but you would see that when changing the. Hello i'm new to the forum and i need some mechanical advice, i just purchased(2 days ago) a 2006 dually 4x4 5.9 cummins, it has. If the issue is not. I bought. Cummins Torque Converter Cooler Delete.
From www.ramchargercentral.com
Cummins Torque Converter Dodge RamCharger Central Cummins Torque Converter Cooler Delete I have been searching for the better part of the day and can't for the life of me. Hello i'm new to the forum and i need some mechanical advice, i just purchased(2 days ago) a 2006 dually 4x4 5.9 cummins, it has. If the issue is not. I recently purchased a derale. Once that's mounted and hooked up, i'll.. Cummins Torque Converter Cooler Delete.
From s1partscenter.com
3093169 Cummins® Torque Converter Cooler Gasket Source One Parts Cummins Torque Converter Cooler Delete I have been searching for the better part of the day and can't for the life of me. I was looking to remove the stock transmission cooler and the dreaded torque converter cooler. The torque converter cooler has been known to leak engine coolant into the trans fluid but you would see that when changing the. If the issue is. Cummins Torque Converter Cooler Delete.
From www.2040-parts.com
Buy 20032009 Ram 5.9 Cummins Transmission Torque Converter Cooler OEM Cummins Torque Converter Cooler Delete Try to keep your torque converter locked up and keep a close eye on the transmission temperatures. I believe your torque converter clutch is sticking engaged. The torque converter cooler has been known to leak engine coolant into the trans fluid but you would see that when changing the. If the issue is not. I recently purchased a derale. Hello. Cummins Torque Converter Cooler Delete.
From www.cumminsforum.com
Trans heat exchanger alternatives (torque converter cooler Dodge Cummins Torque Converter Cooler Delete If the issue is not. I recommend new fluid and an additive called lubegard. I have been searching for the better part of the day and can't for the life of me. I was looking to remove the stock transmission cooler and the dreaded torque converter cooler. Hello i'm new to the forum and i need some mechanical advice, i. Cummins Torque Converter Cooler Delete.
From s1partscenter.com
3093169 Cummins® Torque Converter Cooler Gasket Source One Parts Cummins Torque Converter Cooler Delete I bought an earl's stacked plate cooler and braided lines to replace the cooler up front. I have been searching for the better part of the day and can't for the life of me. The torque converter cooler has been known to leak engine coolant into the trans fluid but you would see that when changing the. I recommend new. Cummins Torque Converter Cooler Delete.
From www.cumminsforum.com
Trans heat exchanger alternatives (torque converter cooler Dodge Cummins Torque Converter Cooler Delete How to remove the torque converter cooler? Once that's mounted and hooked up, i'll. Try to keep your torque converter locked up and keep a close eye on the transmission temperatures. I recommend new fluid and an additive called lubegard. I bought an earl's stacked plate cooler and braided lines to replace the cooler up front. Hello i'm new to. Cummins Torque Converter Cooler Delete.
From www.dieselarmy.com
Cummins Torque Converter Swap Seeking A Better Launch Cummins Torque Converter Cooler Delete Once that's mounted and hooked up, i'll. Try to keep your torque converter locked up and keep a close eye on the transmission temperatures. I have been searching for the better part of the day and can't for the life of me. I believe your torque converter clutch is sticking engaged. Hello i'm new to the forum and i need. Cummins Torque Converter Cooler Delete.
From www.wholesalepartsexpress.com
Dodge 5.9 Diesel Transmission Torque Converter Cooler Heat Exchanger Cummins Torque Converter Cooler Delete I recently purchased a derale. I bought an earl's stacked plate cooler and braided lines to replace the cooler up front. Once that's mounted and hooked up, i'll. How to remove the torque converter cooler? I believe your torque converter clutch is sticking engaged. Hello i'm new to the forum and i need some mechanical advice, i just purchased(2 days. Cummins Torque Converter Cooler Delete.
From s1partscenter.com
3090449 Genuine Cummins® Torque Converter Cooler Housing Source One Cummins Torque Converter Cooler Delete How to remove the torque converter cooler? If the issue is not. I bought an earl's stacked plate cooler and braided lines to replace the cooler up front. I believe your torque converter clutch is sticking engaged. I recommend new fluid and an additive called lubegard. Hello i'm new to the forum and i need some mechanical advice, i just. Cummins Torque Converter Cooler Delete.
From www.desertcart.co.ke
Buy Transmission Torque Converter Oil Cooler Compatible with 20032009 Cummins Torque Converter Cooler Delete How to remove the torque converter cooler? If the issue is not. I was looking to remove the stock transmission cooler and the dreaded torque converter cooler. Hello i'm new to the forum and i need some mechanical advice, i just purchased(2 days ago) a 2006 dually 4x4 5.9 cummins, it has. Try to keep your torque converter locked up. Cummins Torque Converter Cooler Delete.
From australiancleaningforce.com
EVIL ENERGY Transmission Torque Converter Oil Cooler Compatible with Cummins Torque Converter Cooler Delete How to remove the torque converter cooler? I believe your torque converter clutch is sticking engaged. I bought an earl's stacked plate cooler and braided lines to replace the cooler up front. Hello i'm new to the forum and i need some mechanical advice, i just purchased(2 days ago) a 2006 dually 4x4 5.9 cummins, it has. I have been. Cummins Torque Converter Cooler Delete.
From www.ebay.com
19941997 DODGE RAM 2500/3500 CUMMINS TORQUE CONVERTER COOLER HEAT Cummins Torque Converter Cooler Delete Hello i'm new to the forum and i need some mechanical advice, i just purchased(2 days ago) a 2006 dually 4x4 5.9 cummins, it has. Try to keep your torque converter locked up and keep a close eye on the transmission temperatures. I bought an earl's stacked plate cooler and braided lines to replace the cooler up front. How to. Cummins Torque Converter Cooler Delete.
From trucktotrailer.com
Cummins 3035594 Torque Converter Oil Cooler Support Truck To Trailer Cummins Torque Converter Cooler Delete I recently purchased a derale. I was looking to remove the stock transmission cooler and the dreaded torque converter cooler. I have been searching for the better part of the day and can't for the life of me. Once that's mounted and hooked up, i'll. I recommend new fluid and an additive called lubegard. I believe your torque converter clutch. Cummins Torque Converter Cooler Delete.
From 777parts.com
216745 Torque converter oil cooler cover Cummins spare part Cummins Torque Converter Cooler Delete I have been searching for the better part of the day and can't for the life of me. I believe your torque converter clutch is sticking engaged. Once that's mounted and hooked up, i'll. How to remove the torque converter cooler? I bought an earl's stacked plate cooler and braided lines to replace the cooler up front. The torque converter. Cummins Torque Converter Cooler Delete.