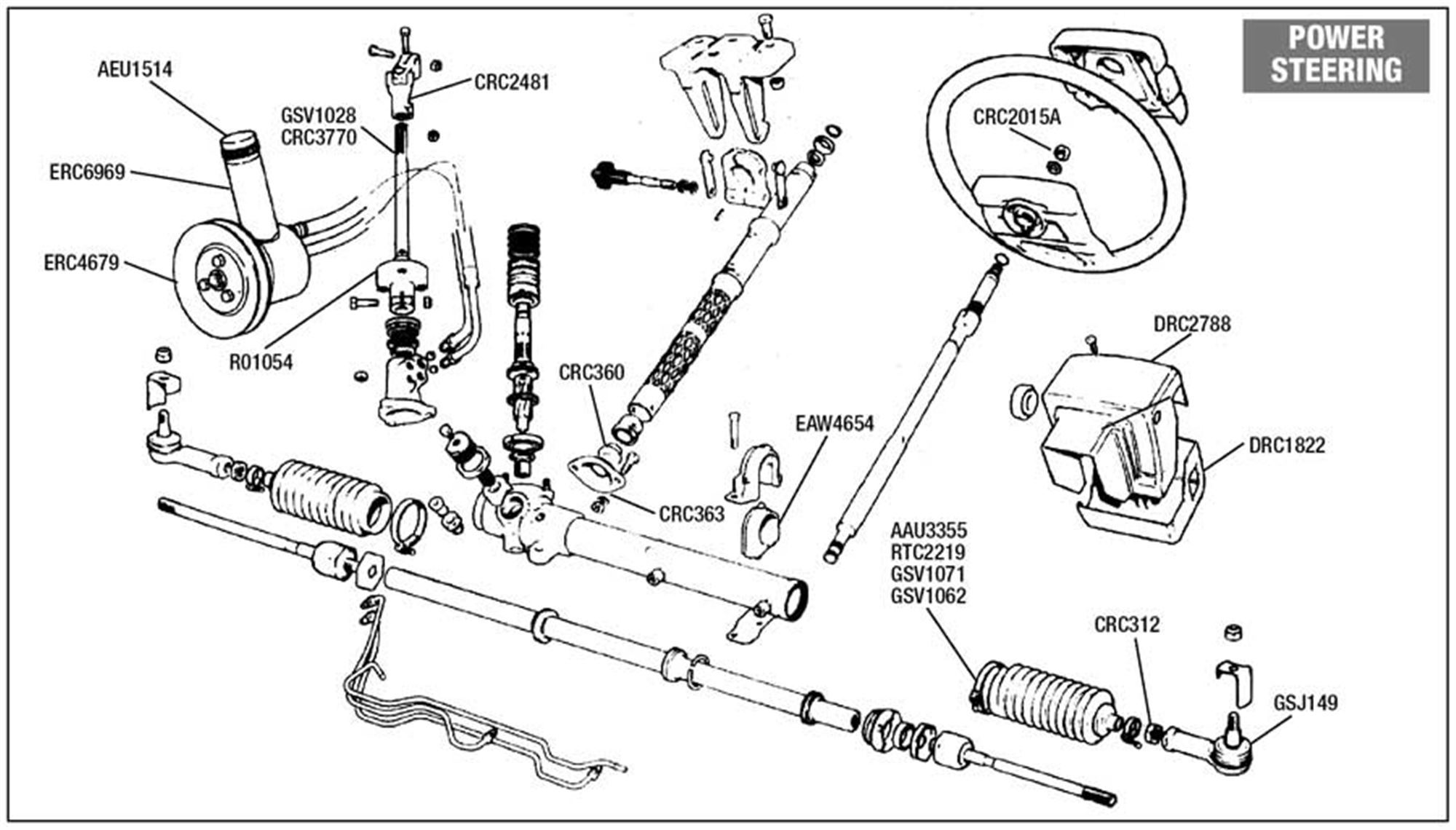
Land Rover Power Steering Box Rebuild . It's the line going into the power steering box. All going well and looks pretty simple until i reached this point. I finally found my power steering leak. Land rover steering box rebuild part 2. Components and inspection of a land rover disco 2 qaf. Actually i wouldn't say the line but the leak. Remove steering box from vehicle. This video shows the process of dismantling, assessing condition of components. I have been following les hensons excellent tech archive guide to replacing my steering box. See repair, power steering box. Mark drop arm and steering box for. Absolute cleanliness is essential when overhauling power steering box. Land rover discovery 2 td5 and tdv8 steering boxes are prone to failure from leakage of power steering fluid and also wear in the. This video demonstrates the assessment and reassembly of the land rover series iii. I have not had a rover box apart but, i have rebuild about 30 of them for classic ford bronco's (they seem to look similar at least.
from miamibritish.com
Components and inspection of a land rover disco 2 qaf. Land rover discovery 2 td5 and tdv8 steering boxes are prone to failure from leakage of power steering fluid and also wear in the. It's the line going into the power steering box. Mark drop arm and steering box for. Land rover steering box rebuild part 2. I finally found my power steering leak. All going well and looks pretty simple until i reached this point. I have been following les hensons excellent tech archive guide to replacing my steering box. I have not had a rover box apart but, i have rebuild about 30 of them for classic ford bronco's (they seem to look similar at least. Absolute cleanliness is essential when overhauling power steering box.
LAND ROVER POWER STEERING GEAR BOX COMPLETE REPAIR KIT DISCOVERY 2 II
Land Rover Power Steering Box Rebuild Remove steering box from vehicle. Absolute cleanliness is essential when overhauling power steering box. I have been following les hensons excellent tech archive guide to replacing my steering box. All going well and looks pretty simple until i reached this point. Land rover discovery 2 td5 and tdv8 steering boxes are prone to failure from leakage of power steering fluid and also wear in the. Remove steering box from vehicle. Components and inspection of a land rover disco 2 qaf. It's the line going into the power steering box. Mark drop arm and steering box for. This video shows the process of dismantling, assessing condition of components. I finally found my power steering leak. This video demonstrates the assessment and reassembly of the land rover series iii. See repair, power steering box. Land rover steering box rebuild part 2. Actually i wouldn't say the line but the leak. I have not had a rover box apart but, i have rebuild about 30 of them for classic ford bronco's (they seem to look similar at least.
From www.proxyparts.com
Landrover Range Rover Power steering boxes stock Land Rover Power Steering Box Rebuild Remove steering box from vehicle. I have not had a rover box apart but, i have rebuild about 30 of them for classic ford bronco's (they seem to look similar at least. Land rover steering box rebuild part 2. This video demonstrates the assessment and reassembly of the land rover series iii. Components and inspection of a land rover disco. Land Rover Power Steering Box Rebuild.
From eeuroparts.com
Land Rover Power Steering Box (Rebuilt) ANR5321E Genuine Land Rover Land Rover Power Steering Box Rebuild I have been following les hensons excellent tech archive guide to replacing my steering box. Remove steering box from vehicle. Mark drop arm and steering box for. Land rover steering box rebuild part 2. All going well and looks pretty simple until i reached this point. Actually i wouldn't say the line but the leak. It's the line going into. Land Rover Power Steering Box Rebuild.
From www.johncraddockltd.co.uk
Land Rover Defender Steering Box Power John Craddock Ltd Land Rover Power Steering Box Rebuild Actually i wouldn't say the line but the leak. Components and inspection of a land rover disco 2 qaf. It's the line going into the power steering box. See repair, power steering box. Absolute cleanliness is essential when overhauling power steering box. I have not had a rover box apart but, i have rebuild about 30 of them for classic. Land Rover Power Steering Box Rebuild.
From www.carsteering.com
1987 Land Rover Range Rover Power Steering Gear Box Power Steering Land Rover Power Steering Box Rebuild I finally found my power steering leak. See repair, power steering box. Land rover steering box rebuild part 2. I have been following les hensons excellent tech archive guide to replacing my steering box. Mark drop arm and steering box for. This video shows the process of dismantling, assessing condition of components. Absolute cleanliness is essential when overhauling power steering. Land Rover Power Steering Box Rebuild.
From www.youtube.com
Steering Maintenance Land Rover Series 2a Reduce Backlash, How it Land Rover Power Steering Box Rebuild All going well and looks pretty simple until i reached this point. Components and inspection of a land rover disco 2 qaf. This video demonstrates the assessment and reassembly of the land rover series iii. Actually i wouldn't say the line but the leak. I have not had a rover box apart but, i have rebuild about 30 of them. Land Rover Power Steering Box Rebuild.
From eeuroparts.com
Land Rover Power Steering Box (Rebuilt) QAF500060 Atlantic Land Rover Power Steering Box Rebuild It's the line going into the power steering box. Remove steering box from vehicle. I have been following les hensons excellent tech archive guide to replacing my steering box. Actually i wouldn't say the line but the leak. All going well and looks pretty simple until i reached this point. I have not had a rover box apart but, i. Land Rover Power Steering Box Rebuild.
From www.ics-steeringspecialist.co.uk
Land Rover SERIES IISERIES IIA Steering Box ICS Steering Specialist Land Rover Power Steering Box Rebuild All going well and looks pretty simple until i reached this point. Actually i wouldn't say the line but the leak. Land rover steering box rebuild part 2. This video shows the process of dismantling, assessing condition of components. Land rover discovery 2 td5 and tdv8 steering boxes are prone to failure from leakage of power steering fluid and also. Land Rover Power Steering Box Rebuild.
From www.pinterest.co.uk
Defender, Steering Box, Adwest 4 Bold Rovers North Classic Land Land Rover Power Steering Box Rebuild This video demonstrates the assessment and reassembly of the land rover series iii. This video shows the process of dismantling, assessing condition of components. See repair, power steering box. Components and inspection of a land rover disco 2 qaf. Actually i wouldn't say the line but the leak. I finally found my power steering leak. Mark drop arm and steering. Land Rover Power Steering Box Rebuild.
From safari-engineering.co.uk
4 Bolt Power Steering Box Land Rover Power Steering Box Rebuild Absolute cleanliness is essential when overhauling power steering box. Actually i wouldn't say the line but the leak. It's the line going into the power steering box. Remove steering box from vehicle. See repair, power steering box. Land rover steering box rebuild part 2. Mark drop arm and steering box for. Components and inspection of a land rover disco 2. Land Rover Power Steering Box Rebuild.
From miamibritish.com
LAND ROVER STEERING GEAR BOX SEAL REPAIR KIT DISCOVERY I DEFENDER RANGE Land Rover Power Steering Box Rebuild Land rover steering box rebuild part 2. Remove steering box from vehicle. See repair, power steering box. It's the line going into the power steering box. Actually i wouldn't say the line but the leak. Mark drop arm and steering box for. Land rover discovery 2 td5 and tdv8 steering boxes are prone to failure from leakage of power steering. Land Rover Power Steering Box Rebuild.
From www.youtube.com
How to remove POWER STEERING BOX FEED PIPE Land Rover Defender TD5 Land Rover Power Steering Box Rebuild Land rover steering box rebuild part 2. This video demonstrates the assessment and reassembly of the land rover series iii. See repair, power steering box. I have not had a rover box apart but, i have rebuild about 30 of them for classic ford bronco's (they seem to look similar at least. I have been following les hensons excellent tech. Land Rover Power Steering Box Rebuild.
From www.roversnorth.com
Rovers North Land Rover Parts and Accessories Since 1979 POWER Land Rover Power Steering Box Rebuild Land rover discovery 2 td5 and tdv8 steering boxes are prone to failure from leakage of power steering fluid and also wear in the. Land rover steering box rebuild part 2. It's the line going into the power steering box. See repair, power steering box. This video demonstrates the assessment and reassembly of the land rover series iii. Absolute cleanliness. Land Rover Power Steering Box Rebuild.
From www.buyautoparts.com
Land Rover Range Rover Power Steering Gear Box parts OEM, aftermarket Land Rover Power Steering Box Rebuild This video shows the process of dismantling, assessing condition of components. I have been following les hensons excellent tech archive guide to replacing my steering box. This video demonstrates the assessment and reassembly of the land rover series iii. Absolute cleanliness is essential when overhauling power steering box. Remove steering box from vehicle. See repair, power steering box. I have. Land Rover Power Steering Box Rebuild.
From eeuroparts.com
Land Rover Power Steering Box (Rebuilt) QAF500120 Atlantic Land Rover Power Steering Box Rebuild I finally found my power steering leak. Remove steering box from vehicle. Land rover discovery 2 td5 and tdv8 steering boxes are prone to failure from leakage of power steering fluid and also wear in the. Land rover steering box rebuild part 2. See repair, power steering box. This video demonstrates the assessment and reassembly of the land rover series. Land Rover Power Steering Box Rebuild.
From miamibritish.com
LAND ROVER POWER STEERING GEAR BOX COMPLETE REPAIR KIT DISCOVERY 2 II Land Rover Power Steering Box Rebuild This video demonstrates the assessment and reassembly of the land rover series iii. I have been following les hensons excellent tech archive guide to replacing my steering box. I finally found my power steering leak. This video shows the process of dismantling, assessing condition of components. Land rover steering box rebuild part 2. See repair, power steering box. Mark drop. Land Rover Power Steering Box Rebuild.
From safari-engineering.co.uk
Range Rover P38 Power Steering Box 8076974102 Land Rover Power Steering Box Rebuild Mark drop arm and steering box for. I finally found my power steering leak. Absolute cleanliness is essential when overhauling power steering box. Land rover steering box rebuild part 2. This video shows the process of dismantling, assessing condition of components. Land rover discovery 2 td5 and tdv8 steering boxes are prone to failure from leakage of power steering fluid. Land Rover Power Steering Box Rebuild.
From www.ebay.co.uk
LAND ROVER DISCOVERY 1 RHD Power Steering Box 4bolt ADWEST (QAF500110 Land Rover Power Steering Box Rebuild Absolute cleanliness is essential when overhauling power steering box. All going well and looks pretty simple until i reached this point. Land rover discovery 2 td5 and tdv8 steering boxes are prone to failure from leakage of power steering fluid and also wear in the. I finally found my power steering leak. This video demonstrates the assessment and reassembly of. Land Rover Power Steering Box Rebuild.
From www.roversnorth.com
Power Steering Box Recon RHD Defender, Range Rover Classic, Discovery I Land Rover Power Steering Box Rebuild It's the line going into the power steering box. I have been following les hensons excellent tech archive guide to replacing my steering box. Components and inspection of a land rover disco 2 qaf. All going well and looks pretty simple until i reached this point. This video shows the process of dismantling, assessing condition of components. Actually i wouldn't. Land Rover Power Steering Box Rebuild.
From www.ics-steeringspecialist.co.uk
Land Rover DEFENDER Steering Box ICS Steering Specialist Land Rover Power Steering Box Rebuild Land rover discovery 2 td5 and tdv8 steering boxes are prone to failure from leakage of power steering fluid and also wear in the. Mark drop arm and steering box for. Land rover steering box rebuild part 2. I finally found my power steering leak. See repair, power steering box. It's the line going into the power steering box. Actually. Land Rover Power Steering Box Rebuild.
From www.johncraddockltd.co.uk
Land Rover Defender Steering Box Power John Craddock Ltd Land Rover Power Steering Box Rebuild Absolute cleanliness is essential when overhauling power steering box. Land rover steering box rebuild part 2. Remove steering box from vehicle. This video demonstrates the assessment and reassembly of the land rover series iii. Land rover discovery 2 td5 and tdv8 steering boxes are prone to failure from leakage of power steering fluid and also wear in the. Mark drop. Land Rover Power Steering Box Rebuild.
From landrovertreasureshop.com
STC1138 POWER STEERING BOX LHD LAND ROVER DEF RRC Land Rover Treasure Land Rover Power Steering Box Rebuild See repair, power steering box. Remove steering box from vehicle. Components and inspection of a land rover disco 2 qaf. All going well and looks pretty simple until i reached this point. I have been following les hensons excellent tech archive guide to replacing my steering box. Land rover discovery 2 td5 and tdv8 steering boxes are prone to failure. Land Rover Power Steering Box Rebuild.
From www.4wdindustries.com.au
Aftermarket Power Steering Box Seal Kit for Land Rover RRC Discovery 1 Land Rover Power Steering Box Rebuild All going well and looks pretty simple until i reached this point. It's the line going into the power steering box. Absolute cleanliness is essential when overhauling power steering box. Mark drop arm and steering box for. This video demonstrates the assessment and reassembly of the land rover series iii. I have been following les hensons excellent tech archive guide. Land Rover Power Steering Box Rebuild.
From rimmerbros.com
Rover SD1 Power Steering Rimmer Bros Land Rover Power Steering Box Rebuild I have been following les hensons excellent tech archive guide to replacing my steering box. Components and inspection of a land rover disco 2 qaf. This video shows the process of dismantling, assessing condition of components. Remove steering box from vehicle. Mark drop arm and steering box for. All going well and looks pretty simple until i reached this point.. Land Rover Power Steering Box Rebuild.
From money-sense.net
LAND ROVER POWER STEERING GEAR BOX REPAIR KIT DISCOVERY 2 II QFW100140 Land Rover Power Steering Box Rebuild Land rover discovery 2 td5 and tdv8 steering boxes are prone to failure from leakage of power steering fluid and also wear in the. See repair, power steering box. Land rover steering box rebuild part 2. Actually i wouldn't say the line but the leak. Mark drop arm and steering box for. Components and inspection of a land rover disco. Land Rover Power Steering Box Rebuild.
From www.youtube.com
Land Rover Series Steering Box Overhaul YouTube Land Rover Power Steering Box Rebuild This video demonstrates the assessment and reassembly of the land rover series iii. I finally found my power steering leak. Components and inspection of a land rover disco 2 qaf. See repair, power steering box. Remove steering box from vehicle. Mark drop arm and steering box for. It's the line going into the power steering box. I have been following. Land Rover Power Steering Box Rebuild.
From www.4wdindustries.com.au
Power Steering Box Seal Kit For Land Rover Defender Discovery 1 Rrc Stc2847 Land Rover Power Steering Box Rebuild This video shows the process of dismantling, assessing condition of components. Mark drop arm and steering box for. I have been following les hensons excellent tech archive guide to replacing my steering box. See repair, power steering box. Land rover discovery 2 td5 and tdv8 steering boxes are prone to failure from leakage of power steering fluid and also wear. Land Rover Power Steering Box Rebuild.
From www.carsteering.com
1987 Land Rover Range Rover Power Steering Gear Box Power Steering Land Rover Power Steering Box Rebuild I finally found my power steering leak. It's the line going into the power steering box. Remove steering box from vehicle. Mark drop arm and steering box for. Land rover steering box rebuild part 2. I have not had a rover box apart but, i have rebuild about 30 of them for classic ford bronco's (they seem to look similar. Land Rover Power Steering Box Rebuild.
From landrovertreasureshop.com
STC1138 POWER STEERING BOX LHD LAND ROVER DEF RRC Land Rover Treasure Land Rover Power Steering Box Rebuild Absolute cleanliness is essential when overhauling power steering box. This video demonstrates the assessment and reassembly of the land rover series iii. It's the line going into the power steering box. I have been following les hensons excellent tech archive guide to replacing my steering box. This video shows the process of dismantling, assessing condition of components. Mark drop arm. Land Rover Power Steering Box Rebuild.
From www.johncraddockltd.co.uk
Land Rover Defender Steering Box Power John Craddock Ltd Land Rover Power Steering Box Rebuild This video demonstrates the assessment and reassembly of the land rover series iii. Absolute cleanliness is essential when overhauling power steering box. Actually i wouldn't say the line but the leak. All going well and looks pretty simple until i reached this point. I finally found my power steering leak. I have not had a rover box apart but, i. Land Rover Power Steering Box Rebuild.
From www.carsteering.com
Land Rover Power Steering Gear Box from Car Steering Wholesale Land Rover Power Steering Box Rebuild Remove steering box from vehicle. See repair, power steering box. I have been following les hensons excellent tech archive guide to replacing my steering box. This video demonstrates the assessment and reassembly of the land rover series iii. Absolute cleanliness is essential when overhauling power steering box. Components and inspection of a land rover disco 2 qaf. Land rover discovery. Land Rover Power Steering Box Rebuild.
From www.ebay.com.au
QAF500110 Power Steering Box Land Rover Discovery 1 Defender Perentie Land Rover Power Steering Box Rebuild This video shows the process of dismantling, assessing condition of components. I have not had a rover box apart but, i have rebuild about 30 of them for classic ford bronco's (they seem to look similar at least. I finally found my power steering leak. See repair, power steering box. Actually i wouldn't say the line but the leak. All. Land Rover Power Steering Box Rebuild.
From miamibritish.com
LAND ROVER POWER STEERING GEAR BOX RANGE CLASSIC DEFENDER STC2845R REMF Land Rover Power Steering Box Rebuild Actually i wouldn't say the line but the leak. Mark drop arm and steering box for. Components and inspection of a land rover disco 2 qaf. Land rover discovery 2 td5 and tdv8 steering boxes are prone to failure from leakage of power steering fluid and also wear in the. It's the line going into the power steering box. I. Land Rover Power Steering Box Rebuild.
From www.eduaspirant.com
How To Change The Power Steering Box On A Land Rover Land Rover Blog Land Rover Power Steering Box Rebuild Land rover discovery 2 td5 and tdv8 steering boxes are prone to failure from leakage of power steering fluid and also wear in the. Absolute cleanliness is essential when overhauling power steering box. This video shows the process of dismantling, assessing condition of components. It's the line going into the power steering box. Land rover steering box rebuild part 2.. Land Rover Power Steering Box Rebuild.
From www.youtube.com
Land Rover Series Conversion Power Steering P38 YouTube Land Rover Power Steering Box Rebuild All going well and looks pretty simple until i reached this point. I have been following les hensons excellent tech archive guide to replacing my steering box. Land rover steering box rebuild part 2. Remove steering box from vehicle. Components and inspection of a land rover disco 2 qaf. Land rover discovery 2 td5 and tdv8 steering boxes are prone. Land Rover Power Steering Box Rebuild.
From www.lrukforums.com
Steering box rebuild. Land Rover UK Forums Land Rover Power Steering Box Rebuild I have been following les hensons excellent tech archive guide to replacing my steering box. I have not had a rover box apart but, i have rebuild about 30 of them for classic ford bronco's (they seem to look similar at least. Actually i wouldn't say the line but the leak. Absolute cleanliness is essential when overhauling power steering box.. Land Rover Power Steering Box Rebuild.