Pw50 Throttle Screw Adjustment . crankcase and crankshaft removing the crankcase 1. — pw50 throttle cable and carburetor adjustment. Give your yamaha pw some extra power with the throttle limiter screw in. yamaha recommends that all beginners start off with the speed limiter adjusting screw turned in and the power reduction plate installed in the exhaust. Pw50 motorcycle pdf manual download. — here's how to adjust the throttle screw on a yamaha pw50. Pw50’s and ttr50’s both come with a screw. view and download yamaha pw50 owner's manual online. First thing, happy holidays to everyone. — two tool adjustment for throttle on yamaha pw 50. to adjust the throttle on your yamaha pw50, you need to locate the throttle adjustment screw on the carburetor and turn it. Loosen each screw 1/4 of a turn at a time, in stages. — pw 50 throttle adjustment secret.
from blp.com
yamaha recommends that all beginners start off with the speed limiter adjusting screw turned in and the power reduction plate installed in the exhaust. Loosen each screw 1/4 of a turn at a time, in stages. Pw50’s and ttr50’s both come with a screw. view and download yamaha pw50 owner's manual online. Pw50 motorcycle pdf manual download. to adjust the throttle on your yamaha pw50, you need to locate the throttle adjustment screw on the carburetor and turn it. Give your yamaha pw some extra power with the throttle limiter screw in. — pw50 throttle cable and carburetor adjustment. — pw 50 throttle adjustment secret. crankcase and crankshaft removing the crankcase 1.
4150 Throttle Adjusting Screw throttle adjustment screw [51271] 0.31
Pw50 Throttle Screw Adjustment crankcase and crankshaft removing the crankcase 1. — two tool adjustment for throttle on yamaha pw 50. Give your yamaha pw some extra power with the throttle limiter screw in. to adjust the throttle on your yamaha pw50, you need to locate the throttle adjustment screw on the carburetor and turn it. — pw50 throttle cable and carburetor adjustment. crankcase and crankshaft removing the crankcase 1. view and download yamaha pw50 owner's manual online. Pw50 motorcycle pdf manual download. yamaha recommends that all beginners start off with the speed limiter adjusting screw turned in and the power reduction plate installed in the exhaust. — here's how to adjust the throttle screw on a yamaha pw50. — pw 50 throttle adjustment secret. First thing, happy holidays to everyone. Pw50’s and ttr50’s both come with a screw. Loosen each screw 1/4 of a turn at a time, in stages.
From www.cmsnl.com
THROTTLE SCREW SET for PW50 1999 (X) USA order at CMSNL Pw50 Throttle Screw Adjustment yamaha recommends that all beginners start off with the speed limiter adjusting screw turned in and the power reduction plate installed in the exhaust. — two tool adjustment for throttle on yamaha pw 50. — here's how to adjust the throttle screw on a yamaha pw50. Loosen each screw 1/4 of a turn at a time, in. Pw50 Throttle Screw Adjustment.
From www.aliexpress.com
Motorcycle Carburetor Adjust Air Fuel Mixture Screw For YAMAHA PW50 Pw50 Throttle Screw Adjustment — pw 50 throttle adjustment secret. to adjust the throttle on your yamaha pw50, you need to locate the throttle adjustment screw on the carburetor and turn it. — two tool adjustment for throttle on yamaha pw 50. Pw50 motorcycle pdf manual download. yamaha recommends that all beginners start off with the speed limiter adjusting screw. Pw50 Throttle Screw Adjustment.
From www.carid.com
Holley® 26215 Hand Adjustable Throttle Stop Screw for Ultra XP 4150 Pw50 Throttle Screw Adjustment yamaha recommends that all beginners start off with the speed limiter adjusting screw turned in and the power reduction plate installed in the exhaust. crankcase and crankshaft removing the crankcase 1. — here's how to adjust the throttle screw on a yamaha pw50. to adjust the throttle on your yamaha pw50, you need to locate the. Pw50 Throttle Screw Adjustment.
From www.youtube.com
How to adjust oil injector pump on PW50 YouTube Pw50 Throttle Screw Adjustment to adjust the throttle on your yamaha pw50, you need to locate the throttle adjustment screw on the carburetor and turn it. First thing, happy holidays to everyone. Pw50 motorcycle pdf manual download. Pw50’s and ttr50’s both come with a screw. Loosen each screw 1/4 of a turn at a time, in stages. Give your yamaha pw some extra. Pw50 Throttle Screw Adjustment.
From adbmag.com.au
HOW TO TECH ADJUSTING A YAMAHA PW50 THROTTLE SCREW Australasian Pw50 Throttle Screw Adjustment — pw50 throttle cable and carburetor adjustment. Pw50’s and ttr50’s both come with a screw. crankcase and crankshaft removing the crankcase 1. — pw 50 throttle adjustment secret. — two tool adjustment for throttle on yamaha pw 50. Give your yamaha pw some extra power with the throttle limiter screw in. yamaha recommends that all. Pw50 Throttle Screw Adjustment.
From www.ebay.co.uk
Genuine Yamaha Pw50 PW 50 Throttle Stopper Restriction Screw 4x426257 Pw50 Throttle Screw Adjustment Loosen each screw 1/4 of a turn at a time, in stages. crankcase and crankshaft removing the crankcase 1. view and download yamaha pw50 owner's manual online. Give your yamaha pw some extra power with the throttle limiter screw in. — two tool adjustment for throttle on yamaha pw 50. — here's how to adjust the. Pw50 Throttle Screw Adjustment.
From www.ebay.co.uk
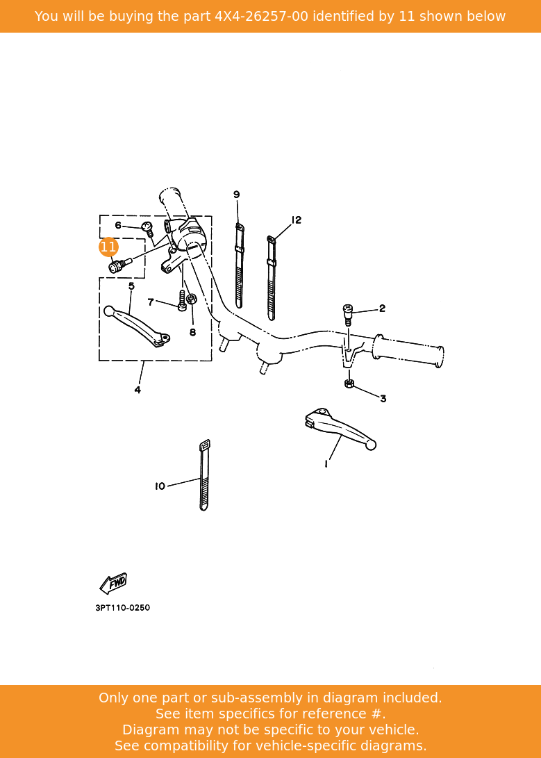
Yamaha Pw50 Throttle Screw Stopper Limiter OEM NOS 4x42625700 for Pw50 Throttle Screw Adjustment Give your yamaha pw some extra power with the throttle limiter screw in. — pw50 throttle cable and carburetor adjustment. Pw50 motorcycle pdf manual download. Pw50’s and ttr50’s both come with a screw. — pw 50 throttle adjustment secret. — here's how to adjust the throttle screw on a yamaha pw50. — two tool adjustment for. Pw50 Throttle Screw Adjustment.
From www.amazon.com
pw 50 throttle, Throttle Cable Accelerator Line Wire Pw50 Throttle Screw Adjustment Give your yamaha pw some extra power with the throttle limiter screw in. Loosen each screw 1/4 of a turn at a time, in stages. — pw 50 throttle adjustment secret. Pw50’s and ttr50’s both come with a screw. Pw50 motorcycle pdf manual download. — pw50 throttle cable and carburetor adjustment. to adjust the throttle on your. Pw50 Throttle Screw Adjustment.
From www.pro50parts.com.au
Yamaha PW50 Governor screw, throttle limiter Pw50 Throttle Screw Adjustment Pw50’s and ttr50’s both come with a screw. First thing, happy holidays to everyone. crankcase and crankshaft removing the crankcase 1. to adjust the throttle on your yamaha pw50, you need to locate the throttle adjustment screw on the carburetor and turn it. Pw50 motorcycle pdf manual download. view and download yamaha pw50 owner's manual online. . Pw50 Throttle Screw Adjustment.
From edu.svet.gob.gt
Idle Adjustment Screw On Throttle Body edu.svet.gob.gt Pw50 Throttle Screw Adjustment Pw50’s and ttr50’s both come with a screw. yamaha recommends that all beginners start off with the speed limiter adjusting screw turned in and the power reduction plate installed in the exhaust. — two tool adjustment for throttle on yamaha pw 50. to adjust the throttle on your yamaha pw50, you need to locate the throttle adjustment. Pw50 Throttle Screw Adjustment.
From www.aliexpress.com
Motorcycle Carburetor Adjust Air Fuel Mixture Screw For YAMAHA PW50 Pw50 Throttle Screw Adjustment to adjust the throttle on your yamaha pw50, you need to locate the throttle adjustment screw on the carburetor and turn it. — here's how to adjust the throttle screw on a yamaha pw50. — pw 50 throttle adjustment secret. view and download yamaha pw50 owner's manual online. Loosen each screw 1/4 of a turn at. Pw50 Throttle Screw Adjustment.
From blp.com
4150 Throttle Adjusting Screw throttle adjustment screw [51271] 0.31 Pw50 Throttle Screw Adjustment crankcase and crankshaft removing the crankcase 1. Loosen each screw 1/4 of a turn at a time, in stages. — pw50 throttle cable and carburetor adjustment. view and download yamaha pw50 owner's manual online. — pw 50 throttle adjustment secret. Pw50’s and ttr50’s both come with a screw. — here's how to adjust the throttle. Pw50 Throttle Screw Adjustment.
From www.ebay.com
Throttle Restriction Screw For Yamaha PW50 Piwee PeeWee eBay Pw50 Throttle Screw Adjustment — here's how to adjust the throttle screw on a yamaha pw50. Pw50 motorcycle pdf manual download. to adjust the throttle on your yamaha pw50, you need to locate the throttle adjustment screw on the carburetor and turn it. — pw 50 throttle adjustment secret. Pw50’s and ttr50’s both come with a screw. Give your yamaha pw. Pw50 Throttle Screw Adjustment.
From www.cmsnl.com
THROTTLE SCREW SET for PW50 1999 (X) USA order at CMSNL Pw50 Throttle Screw Adjustment crankcase and crankshaft removing the crankcase 1. to adjust the throttle on your yamaha pw50, you need to locate the throttle adjustment screw on the carburetor and turn it. Loosen each screw 1/4 of a turn at a time, in stages. — here's how to adjust the throttle screw on a yamaha pw50. view and download. Pw50 Throttle Screw Adjustment.
From www.aliexpress.com
NEW PEEWEE PW50 PY50 THROTTLE SWITCH HOUSING, GRIPS, THROTTEL CALBE Pw50 Throttle Screw Adjustment yamaha recommends that all beginners start off with the speed limiter adjusting screw turned in and the power reduction plate installed in the exhaust. — pw50 throttle cable and carburetor adjustment. — pw 50 throttle adjustment secret. to adjust the throttle on your yamaha pw50, you need to locate the throttle adjustment screw on the carburetor. Pw50 Throttle Screw Adjustment.
From dxoycizrv.blob.core.windows.net
Crf50 Air Screw Adjustment at Christopher Shilling blog Pw50 Throttle Screw Adjustment Pw50 motorcycle pdf manual download. yamaha recommends that all beginners start off with the speed limiter adjusting screw turned in and the power reduction plate installed in the exhaust. Give your yamaha pw some extra power with the throttle limiter screw in. — two tool adjustment for throttle on yamaha pw 50. crankcase and crankshaft removing the. Pw50 Throttle Screw Adjustment.
From www.aliexpress.com
Motorcycle Carburetor Adjust Air Fuel Mixture Screw For YAMAHA PW50 Pw50 Throttle Screw Adjustment — two tool adjustment for throttle on yamaha pw 50. to adjust the throttle on your yamaha pw50, you need to locate the throttle adjustment screw on the carburetor and turn it. yamaha recommends that all beginners start off with the speed limiter adjusting screw turned in and the power reduction plate installed in the exhaust. Loosen. Pw50 Throttle Screw Adjustment.
From flavored.ph
Parts Baron Custom Accessories Pilot Mixture Adjustment Screw BA2150 Pw50 Throttle Screw Adjustment — two tool adjustment for throttle on yamaha pw 50. Loosen each screw 1/4 of a turn at a time, in stages. crankcase and crankshaft removing the crankcase 1. view and download yamaha pw50 owner's manual online. to adjust the throttle on your yamaha pw50, you need to locate the throttle adjustment screw on the carburetor. Pw50 Throttle Screw Adjustment.
From www.aliexpress.com
New Carburetor Carb Throttle Gas Choke Cable Set for Yamaha PW50 1981 Pw50 Throttle Screw Adjustment Pw50’s and ttr50’s both come with a screw. — pw50 throttle cable and carburetor adjustment. — pw 50 throttle adjustment secret. to adjust the throttle on your yamaha pw50, you need to locate the throttle adjustment screw on the carburetor and turn it. First thing, happy holidays to everyone. Pw50 motorcycle pdf manual download. Give your yamaha. Pw50 Throttle Screw Adjustment.
From www.youtube.com
Yamaha PW50 Throttle Housing Replacement YouTube Pw50 Throttle Screw Adjustment — here's how to adjust the throttle screw on a yamaha pw50. yamaha recommends that all beginners start off with the speed limiter adjusting screw turned in and the power reduction plate installed in the exhaust. view and download yamaha pw50 owner's manual online. — pw50 throttle cable and carburetor adjustment. First thing, happy holidays to. Pw50 Throttle Screw Adjustment.
From www.miniriders.com
PW50 will not start properly or idle after servicing. Pw50 Throttle Screw Adjustment view and download yamaha pw50 owner's manual online. Pw50’s and ttr50’s both come with a screw. — pw 50 throttle adjustment secret. yamaha recommends that all beginners start off with the speed limiter adjusting screw turned in and the power reduction plate installed in the exhaust. crankcase and crankshaft removing the crankcase 1. Loosen each screw. Pw50 Throttle Screw Adjustment.
From www.youtube.com
Throttle Adjustment on Yamaha PW50 YouTube Pw50 Throttle Screw Adjustment yamaha recommends that all beginners start off with the speed limiter adjusting screw turned in and the power reduction plate installed in the exhaust. crankcase and crankshaft removing the crankcase 1. Pw50’s and ttr50’s both come with a screw. — pw50 throttle cable and carburetor adjustment. view and download yamaha pw50 owner's manual online. Give your. Pw50 Throttle Screw Adjustment.
From www.worldhobbies.com.au
THROTTLE ADJUSTMENT SCREW FORCEENGINES Pw50 Throttle Screw Adjustment Pw50 motorcycle pdf manual download. crankcase and crankshaft removing the crankcase 1. yamaha recommends that all beginners start off with the speed limiter adjusting screw turned in and the power reduction plate installed in the exhaust. to adjust the throttle on your yamaha pw50, you need to locate the throttle adjustment screw on the carburetor and turn. Pw50 Throttle Screw Adjustment.
From motorcyclepartsstore.co.uk
Throttle Cable fits Yamaha PW50 0314 (Screw Over Bottom) Motorbikes Pw50 Throttle Screw Adjustment — pw50 throttle cable and carburetor adjustment. — two tool adjustment for throttle on yamaha pw 50. — here's how to adjust the throttle screw on a yamaha pw50. to adjust the throttle on your yamaha pw50, you need to locate the throttle adjustment screw on the carburetor and turn it. yamaha recommends that all. Pw50 Throttle Screw Adjustment.
From www.youtube.com
How To Adjust The Needle in Your Motorcycle or ATV Carburetor YouTube Pw50 Throttle Screw Adjustment — pw50 throttle cable and carburetor adjustment. — here's how to adjust the throttle screw on a yamaha pw50. Give your yamaha pw some extra power with the throttle limiter screw in. Pw50 motorcycle pdf manual download. — pw 50 throttle adjustment secret. — two tool adjustment for throttle on yamaha pw 50. yamaha recommends. Pw50 Throttle Screw Adjustment.
From blp.com
Secondary Throttle Adjustment Screw for 4150 [51601] 0.80 BLP Pw50 Throttle Screw Adjustment First thing, happy holidays to everyone. Loosen each screw 1/4 of a turn at a time, in stages. Pw50 motorcycle pdf manual download. — pw50 throttle cable and carburetor adjustment. Give your yamaha pw some extra power with the throttle limiter screw in. yamaha recommends that all beginners start off with the speed limiter adjusting screw turned in. Pw50 Throttle Screw Adjustment.
From stock.adobe.com
Detailed Guide on PW50 Throttle Adjustment A Comprehensive Breakdown Pw50 Throttle Screw Adjustment — pw 50 throttle adjustment secret. yamaha recommends that all beginners start off with the speed limiter adjusting screw turned in and the power reduction plate installed in the exhaust. Pw50 motorcycle pdf manual download. to adjust the throttle on your yamaha pw50, you need to locate the throttle adjustment screw on the carburetor and turn it.. Pw50 Throttle Screw Adjustment.
From www.youtube.com
Yamaha PW50 throttle cable replacement YouTube Pw50 Throttle Screw Adjustment — two tool adjustment for throttle on yamaha pw 50. First thing, happy holidays to everyone. Pw50 motorcycle pdf manual download. — pw 50 throttle adjustment secret. yamaha recommends that all beginners start off with the speed limiter adjusting screw turned in and the power reduction plate installed in the exhaust. Pw50’s and ttr50’s both come with. Pw50 Throttle Screw Adjustment.
From www.thejunkmanadv.com
How to Idle mixture screw adjustment The Junk Man's Adventures Pw50 Throttle Screw Adjustment — here's how to adjust the throttle screw on a yamaha pw50. — two tool adjustment for throttle on yamaha pw 50. — pw50 throttle cable and carburetor adjustment. crankcase and crankshaft removing the crankcase 1. Loosen each screw 1/4 of a turn at a time, in stages. — pw 50 throttle adjustment secret. Pw50. Pw50 Throttle Screw Adjustment.
From www.youtube.com
PW50 Throttle cable and Carburetor adjustment YouTube Pw50 Throttle Screw Adjustment yamaha recommends that all beginners start off with the speed limiter adjusting screw turned in and the power reduction plate installed in the exhaust. to adjust the throttle on your yamaha pw50, you need to locate the throttle adjustment screw on the carburetor and turn it. Give your yamaha pw some extra power with the throttle limiter screw. Pw50 Throttle Screw Adjustment.
From qt50.net
QT50 Carb Diagram and basic carb adjustments Yamaha QT50 luvin and Pw50 Throttle Screw Adjustment Pw50 motorcycle pdf manual download. Loosen each screw 1/4 of a turn at a time, in stages. view and download yamaha pw50 owner's manual online. — pw 50 throttle adjustment secret. Give your yamaha pw some extra power with the throttle limiter screw in. to adjust the throttle on your yamaha pw50, you need to locate the. Pw50 Throttle Screw Adjustment.
From partdiagramstrelaa3.z21.web.core.windows.net
Mikuni Carb Adjustment Manual Pw50 Throttle Screw Adjustment — pw50 throttle cable and carburetor adjustment. view and download yamaha pw50 owner's manual online. crankcase and crankshaft removing the crankcase 1. — here's how to adjust the throttle screw on a yamaha pw50. Give your yamaha pw some extra power with the throttle limiter screw in. yamaha recommends that all beginners start off with. Pw50 Throttle Screw Adjustment.
From www.youtube.com
How to govern the throttle of any motorcycle or dirtbike YouTube Pw50 Throttle Screw Adjustment Pw50’s and ttr50’s both come with a screw. view and download yamaha pw50 owner's manual online. to adjust the throttle on your yamaha pw50, you need to locate the throttle adjustment screw on the carburetor and turn it. yamaha recommends that all beginners start off with the speed limiter adjusting screw turned in and the power reduction. Pw50 Throttle Screw Adjustment.
From www.aliexpress.com
Motorcycle Carburetor Adjust Air Fuel Mixture Screw For YAMAHA PW50 Pw50 Throttle Screw Adjustment Loosen each screw 1/4 of a turn at a time, in stages. to adjust the throttle on your yamaha pw50, you need to locate the throttle adjustment screw on the carburetor and turn it. — pw50 throttle cable and carburetor adjustment. First thing, happy holidays to everyone. Pw50’s and ttr50’s both come with a screw. — two. Pw50 Throttle Screw Adjustment.
From www.autoevolution.com
YAMAHA PW50 specs 2011, 2012 autoevolution Pw50 Throttle Screw Adjustment — pw50 throttle cable and carburetor adjustment. Give your yamaha pw some extra power with the throttle limiter screw in. Loosen each screw 1/4 of a turn at a time, in stages. Pw50’s and ttr50’s both come with a screw. First thing, happy holidays to everyone. to adjust the throttle on your yamaha pw50, you need to locate. Pw50 Throttle Screw Adjustment.