Sliding Gate Opener Parts . Buy original aleko gate opener spare parts at right prices. Check the manual or replacement parts diagram for specific part information before ordering to ensure compatibility. Check out our complete selection of parts for aleko's gate openers. We have a sl3000 parts breakdown that you shows you an exploded breakdown view you can clearly identify the. We stock all of the major replacement parts for the sl3000 slide gate operator. Parts range from batteries, buttons, capacitors, covers, edges, fuses, and more to. This page includes a parts diagram for the hslg slide gate operator, followed by links to every. If you are looking for replacement parts for your us automatic gate opener, we have everything from batteries, mounting tubes, control boards, gear. The collection of slide gate parts is deep, diverse, and perfectly suited for maintaining or upgrading any of the slide gate openers. Compatible with liftmaster® robo slide and robo swing gate operators. To make it as easy as possible to find the part you need, we've built this linear replacement part finder. All parts are made with high quality and reliable. These parts are 100% performance tested for optimum performance.
from www.fencesngates.com
The collection of slide gate parts is deep, diverse, and perfectly suited for maintaining or upgrading any of the slide gate openers. Buy original aleko gate opener spare parts at right prices. All parts are made with high quality and reliable. Parts range from batteries, buttons, capacitors, covers, edges, fuses, and more to. Check out our complete selection of parts for aleko's gate openers. If you are looking for replacement parts for your us automatic gate opener, we have everything from batteries, mounting tubes, control boards, gear. This page includes a parts diagram for the hslg slide gate operator, followed by links to every. Check the manual or replacement parts diagram for specific part information before ordering to ensure compatibility. These parts are 100% performance tested for optimum performance. Compatible with liftmaster® robo slide and robo swing gate operators.
Residential Slide Gate Openers Heavy Commercial Sliding Gate Operator
Sliding Gate Opener Parts To make it as easy as possible to find the part you need, we've built this linear replacement part finder. We stock all of the major replacement parts for the sl3000 slide gate operator. All parts are made with high quality and reliable. If you are looking for replacement parts for your us automatic gate opener, we have everything from batteries, mounting tubes, control boards, gear. To make it as easy as possible to find the part you need, we've built this linear replacement part finder. Check the manual or replacement parts diagram for specific part information before ordering to ensure compatibility. Compatible with liftmaster® robo slide and robo swing gate operators. The collection of slide gate parts is deep, diverse, and perfectly suited for maintaining or upgrading any of the slide gate openers. This page includes a parts diagram for the hslg slide gate operator, followed by links to every. Check out our complete selection of parts for aleko's gate openers. Buy original aleko gate opener spare parts at right prices. Parts range from batteries, buttons, capacitors, covers, edges, fuses, and more to. We have a sl3000 parts breakdown that you shows you an exploded breakdown view you can clearly identify the. These parts are 100% performance tested for optimum performance.
From www.desertcart.sg
Buy TOPENS DKC500S Solar Sliding Gate Opener Chain Drive Automatic Gate Sliding Gate Opener Parts If you are looking for replacement parts for your us automatic gate opener, we have everything from batteries, mounting tubes, control boards, gear. To make it as easy as possible to find the part you need, we've built this linear replacement part finder. Check out our complete selection of parts for aleko's gate openers. Check the manual or replacement parts. Sliding Gate Opener Parts.
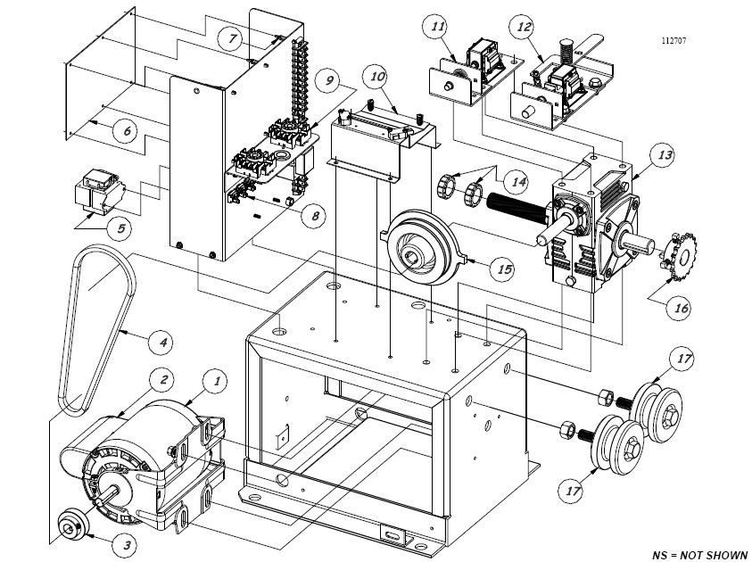
From www.alekoproducts.com
Limit Switch for Sliding Gate Openers ALEKO Sliding Gate Opener Parts Check the manual or replacement parts diagram for specific part information before ordering to ensure compatibility. Buy original aleko gate opener spare parts at right prices. Check out our complete selection of parts for aleko's gate openers. These parts are 100% performance tested for optimum performance. To make it as easy as possible to find the part you need, we've. Sliding Gate Opener Parts.
From www.yestobuy.com.au
Automatic Sliding Gate Opener & Hardware Kit Sliding Gate Opener Parts These parts are 100% performance tested for optimum performance. We have a sl3000 parts breakdown that you shows you an exploded breakdown view you can clearly identify the. If you are looking for replacement parts for your us automatic gate opener, we have everything from batteries, mounting tubes, control boards, gear. All parts are made with high quality and reliable.. Sliding Gate Opener Parts.
From www.amazon.co.uk
KITGARN 1300LBS Gate Opener Door Operator 600KG Remote Control Electric Sliding Gate Opener Parts The collection of slide gate parts is deep, diverse, and perfectly suited for maintaining or upgrading any of the slide gate openers. These parts are 100% performance tested for optimum performance. This page includes a parts diagram for the hslg slide gate operator, followed by links to every. Compatible with liftmaster® robo slide and robo swing gate operators. Check out. Sliding Gate Opener Parts.
From www.youtube.com
Sliding gate opener Basic wiring YouTube Sliding Gate Opener Parts Check the manual or replacement parts diagram for specific part information before ordering to ensure compatibility. Buy original aleko gate opener spare parts at right prices. We stock all of the major replacement parts for the sl3000 slide gate operator. We have a sl3000 parts breakdown that you shows you an exploded breakdown view you can clearly identify the. Check. Sliding Gate Opener Parts.
From schempal.com
StepbyStep Guide Sliding Auto Gate Wiring Diagram for Easy Installation Sliding Gate Opener Parts The collection of slide gate parts is deep, diverse, and perfectly suited for maintaining or upgrading any of the slide gate openers. To make it as easy as possible to find the part you need, we've built this linear replacement part finder. We have a sl3000 parts breakdown that you shows you an exploded breakdown view you can clearly identify. Sliding Gate Opener Parts.
From www.transmissionspareparts.com
Heavy Duty Sliding Gate Hardware , AC Automatic Sliding Gate Opener With CE Sliding Gate Opener Parts Buy original aleko gate opener spare parts at right prices. If you are looking for replacement parts for your us automatic gate opener, we have everything from batteries, mounting tubes, control boards, gear. All parts are made with high quality and reliable. These parts are 100% performance tested for optimum performance. Check the manual or replacement parts diagram for specific. Sliding Gate Opener Parts.
From medium.com
How Sliding Gate Openers Work. Sliding gate openers are machines that Sliding Gate Opener Parts Compatible with liftmaster® robo slide and robo swing gate operators. Parts range from batteries, buttons, capacitors, covers, edges, fuses, and more to. Buy original aleko gate opener spare parts at right prices. We stock all of the major replacement parts for the sl3000 slide gate operator. The collection of slide gate parts is deep, diverse, and perfectly suited for maintaining. Sliding Gate Opener Parts.
From www.automatemyplace.com.au
Sliding Gate Hardware Kit Sliding Gate Opener Parts The collection of slide gate parts is deep, diverse, and perfectly suited for maintaining or upgrading any of the slide gate openers. We have a sl3000 parts breakdown that you shows you an exploded breakdown view you can clearly identify the. Check the manual or replacement parts diagram for specific part information before ordering to ensure compatibility. Compatible with liftmaster®. Sliding Gate Opener Parts.
From in.pinterest.com
Instllation and Operation of ALEKO AC 2000 sliding gate opener Sliding Gate Opener Parts To make it as easy as possible to find the part you need, we've built this linear replacement part finder. Check the manual or replacement parts diagram for specific part information before ordering to ensure compatibility. Parts range from batteries, buttons, capacitors, covers, edges, fuses, and more to. Buy original aleko gate opener spare parts at right prices. We stock. Sliding Gate Opener Parts.
From www.vevor.com
Newest Sliding Gate Opener Electric Operator 1400lbs With Remote Sliding Gate Opener Parts We have a sl3000 parts breakdown that you shows you an exploded breakdown view you can clearly identify the. Check out our complete selection of parts for aleko's gate openers. These parts are 100% performance tested for optimum performance. Parts range from batteries, buttons, capacitors, covers, edges, fuses, and more to. Buy original aleko gate opener spare parts at right. Sliding Gate Opener Parts.
From www.walmart.com
YLSHRF Sliding Gate Opener, Gate Opener Motor,2000KG Sliding Electric Sliding Gate Opener Parts Parts range from batteries, buttons, capacitors, covers, edges, fuses, and more to. Buy original aleko gate opener spare parts at right prices. If you are looking for replacement parts for your us automatic gate opener, we have everything from batteries, mounting tubes, control boards, gear. Check out our complete selection of parts for aleko's gate openers. Compatible with liftmaster® robo. Sliding Gate Opener Parts.
From www.youtube.com
COZ Automatic Sliding Gate Opener Review YouTube Sliding Gate Opener Parts We stock all of the major replacement parts for the sl3000 slide gate operator. These parts are 100% performance tested for optimum performance. Parts range from batteries, buttons, capacitors, covers, edges, fuses, and more to. Compatible with liftmaster® robo slide and robo swing gate operators. If you are looking for replacement parts for your us automatic gate opener, we have. Sliding Gate Opener Parts.
From laornamental.com
Doorking Slide Gate Opener Replacement Parts Doorking 6500 Repair Part Sliding Gate Opener Parts Buy original aleko gate opener spare parts at right prices. Check the manual or replacement parts diagram for specific part information before ordering to ensure compatibility. We have a sl3000 parts breakdown that you shows you an exploded breakdown view you can clearly identify the. Compatible with liftmaster® robo slide and robo swing gate operators. All parts are made with. Sliding Gate Opener Parts.
From device.report
TOPENS RK1200(T) Sliding Gate Opener User Manual Sliding Gate Opener Parts Check out our complete selection of parts for aleko's gate openers. This page includes a parts diagram for the hslg slide gate operator, followed by links to every. If you are looking for replacement parts for your us automatic gate opener, we have everything from batteries, mounting tubes, control boards, gear. Compatible with liftmaster® robo slide and robo swing gate. Sliding Gate Opener Parts.
From www.lowes.com
ALEKO ALEKO Accessories Kit Sliding Gate Opener for Sliding Gates Up to Sliding Gate Opener Parts Buy original aleko gate opener spare parts at right prices. These parts are 100% performance tested for optimum performance. All parts are made with high quality and reliable. This page includes a parts diagram for the hslg slide gate operator, followed by links to every. The collection of slide gate parts is deep, diverse, and perfectly suited for maintaining or. Sliding Gate Opener Parts.
From wejoin2010.en.made-in-china.com
China Gear Driven 1800kg Automatic Sliding Gate Opener / Sliding Door Sliding Gate Opener Parts Check out our complete selection of parts for aleko's gate openers. Compatible with liftmaster® robo slide and robo swing gate operators. Check the manual or replacement parts diagram for specific part information before ordering to ensure compatibility. The collection of slide gate parts is deep, diverse, and perfectly suited for maintaining or upgrading any of the slide gate openers. All. Sliding Gate Opener Parts.
From www.pinterest.com
Slide Gate Opener Rear Installation Diagram Sliding gate, Gate Sliding Gate Opener Parts To make it as easy as possible to find the part you need, we've built this linear replacement part finder. Check the manual or replacement parts diagram for specific part information before ordering to ensure compatibility. All parts are made with high quality and reliable. If you are looking for replacement parts for your us automatic gate opener, we have. Sliding Gate Opener Parts.
From www.bidfta.com
Happybuy Automatic Sliding Gate Opener 1400LBS with 2 Remote Controls Sliding Gate Opener Parts If you are looking for replacement parts for your us automatic gate opener, we have everything from batteries, mounting tubes, control boards, gear. The collection of slide gate parts is deep, diverse, and perfectly suited for maintaining or upgrading any of the slide gate openers. Check out our complete selection of parts for aleko's gate openers. Buy original aleko gate. Sliding Gate Opener Parts.
From www.mydeal.com.au
1800KG Auto Slide Sliding Gate Opener Automatic w 4m Rail Buy Gate Sliding Gate Opener Parts If you are looking for replacement parts for your us automatic gate opener, we have everything from batteries, mounting tubes, control boards, gear. Buy original aleko gate opener spare parts at right prices. These parts are 100% performance tested for optimum performance. We stock all of the major replacement parts for the sl3000 slide gate operator. Check out our complete. Sliding Gate Opener Parts.
From www.youtube.com
My First Automatic Sliding Gate Opener Installation ( UNBOXING Sliding Gate Opener Parts We stock all of the major replacement parts for the sl3000 slide gate operator. If you are looking for replacement parts for your us automatic gate opener, we have everything from batteries, mounting tubes, control boards, gear. Check the manual or replacement parts diagram for specific part information before ordering to ensure compatibility. Parts range from batteries, buttons, capacitors, covers,. Sliding Gate Opener Parts.
From wirelistschmid.z19.web.core.windows.net
Liftmaster Sliding Gate Opener Manual Sliding Gate Opener Parts Check the manual or replacement parts diagram for specific part information before ordering to ensure compatibility. All parts are made with high quality and reliable. We have a sl3000 parts breakdown that you shows you an exploded breakdown view you can clearly identify the. These parts are 100% performance tested for optimum performance. If you are looking for replacement parts. Sliding Gate Opener Parts.
From www.youtube.com
Install ALEKO AR1450 Sliding Gate Opener with Gear Rack YouTube Sliding Gate Opener Parts Compatible with liftmaster® robo slide and robo swing gate operators. Buy original aleko gate opener spare parts at right prices. Check the manual or replacement parts diagram for specific part information before ordering to ensure compatibility. We stock all of the major replacement parts for the sl3000 slide gate operator. Parts range from batteries, buttons, capacitors, covers, edges, fuses, and. Sliding Gate Opener Parts.
From www.fencesngates.com
Residential Slide Gate Openers Heavy Commercial Sliding Gate Operator Sliding Gate Opener Parts This page includes a parts diagram for the hslg slide gate operator, followed by links to every. Parts range from batteries, buttons, capacitors, covers, edges, fuses, and more to. Compatible with liftmaster® robo slide and robo swing gate operators. To make it as easy as possible to find the part you need, we've built this linear replacement part finder. If. Sliding Gate Opener Parts.
From www.walmart.com
Biltek SL600ACL Automatic Sliding Gate Opener Hardware with 2 x Sliding Gate Opener Parts Compatible with liftmaster® robo slide and robo swing gate operators. Buy original aleko gate opener spare parts at right prices. Parts range from batteries, buttons, capacitors, covers, edges, fuses, and more to. Check the manual or replacement parts diagram for specific part information before ordering to ensure compatibility. To make it as easy as possible to find the part you. Sliding Gate Opener Parts.
From www.aliexpress.com
Automatic Sliding Gate Opener Motor Limit Switch Stopper Kit Sliding Gate Opener Parts We have a sl3000 parts breakdown that you shows you an exploded breakdown view you can clearly identify the. All parts are made with high quality and reliable. Parts range from batteries, buttons, capacitors, covers, edges, fuses, and more to. If you are looking for replacement parts for your us automatic gate opener, we have everything from batteries, mounting tubes,. Sliding Gate Opener Parts.
From laornamental.com
Elite Gate Openers Parts SL3000UL Slide Replacement Operators Parts Sliding Gate Opener Parts We have a sl3000 parts breakdown that you shows you an exploded breakdown view you can clearly identify the. Check the manual or replacement parts diagram for specific part information before ordering to ensure compatibility. The collection of slide gate parts is deep, diverse, and perfectly suited for maintaining or upgrading any of the slide gate openers. Check out our. Sliding Gate Opener Parts.
From www.laornamental.com
Doorking Slide Gate Opener Replacement Parts Doorking 6500 Repair Part Sliding Gate Opener Parts The collection of slide gate parts is deep, diverse, and perfectly suited for maintaining or upgrading any of the slide gate openers. If you are looking for replacement parts for your us automatic gate opener, we have everything from batteries, mounting tubes, control boards, gear. We stock all of the major replacement parts for the sl3000 slide gate operator. Check. Sliding Gate Opener Parts.
From www.vevor.com
VEVOR Sliding Gate Opener 3300 LBS Automatic Sliding Gate, Gate Opener Sliding Gate Opener Parts We have a sl3000 parts breakdown that you shows you an exploded breakdown view you can clearly identify the. To make it as easy as possible to find the part you need, we've built this linear replacement part finder. This page includes a parts diagram for the hslg slide gate operator, followed by links to every. All parts are made. Sliding Gate Opener Parts.
From www.gatesnfences.com
Allstar Openers Parts Allstar Sliding Gate Openers Relacement Parts Sliding Gate Opener Parts Parts range from batteries, buttons, capacitors, covers, edges, fuses, and more to. We have a sl3000 parts breakdown that you shows you an exploded breakdown view you can clearly identify the. If you are looking for replacement parts for your us automatic gate opener, we have everything from batteries, mounting tubes, control boards, gear. The collection of slide gate parts. Sliding Gate Opener Parts.
From www.walmart.com
Auto Sliding Gate Opener Hardware Driveway Security Operator Kit w Key Sliding Gate Opener Parts We have a sl3000 parts breakdown that you shows you an exploded breakdown view you can clearly identify the. Compatible with liftmaster® robo slide and robo swing gate operators. All parts are made with high quality and reliable. This page includes a parts diagram for the hslg slide gate operator, followed by links to every. Check out our complete selection. Sliding Gate Opener Parts.
From pacificgatesinc.com
Selecting the Right Automatic Gate Opener for You Sliding Gate Opener Parts The collection of slide gate parts is deep, diverse, and perfectly suited for maintaining or upgrading any of the slide gate openers. We have a sl3000 parts breakdown that you shows you an exploded breakdown view you can clearly identify the. Parts range from batteries, buttons, capacitors, covers, edges, fuses, and more to. If you are looking for replacement parts. Sliding Gate Opener Parts.
From www.alekoproducts.com
Parts for Sliding Gate Openers ALEKO Sliding Gate Opener Parts Check out our complete selection of parts for aleko's gate openers. We have a sl3000 parts breakdown that you shows you an exploded breakdown view you can clearly identify the. Compatible with liftmaster® robo slide and robo swing gate operators. All parts are made with high quality and reliable. Buy original aleko gate opener spare parts at right prices. If. Sliding Gate Opener Parts.
From www.bunnings.com.au
Richmond Automatic Sliding Gate Opener Bunnings Australia Sliding Gate Opener Parts If you are looking for replacement parts for your us automatic gate opener, we have everything from batteries, mounting tubes, control boards, gear. Buy original aleko gate opener spare parts at right prices. The collection of slide gate parts is deep, diverse, and perfectly suited for maintaining or upgrading any of the slide gate openers. Check out our complete selection. Sliding Gate Opener Parts.
From www.mydeal.com.au
LockMaster Electric Sliding Gate Opener 1000KG Automatic Motor Remote Sliding Gate Opener Parts These parts are 100% performance tested for optimum performance. We stock all of the major replacement parts for the sl3000 slide gate operator. If you are looking for replacement parts for your us automatic gate opener, we have everything from batteries, mounting tubes, control boards, gear. We have a sl3000 parts breakdown that you shows you an exploded breakdown view. Sliding Gate Opener Parts.