Current Regulating Circuit . A current regulator is a crucial component in electronics engineering. Most circuits require a supply voltage that is constant independent of the current consumed. The main function of a dc voltage regulator circuit is to generate a voltage and current that is fixed and constant at a certain specified. Because the voltage between a linear regulator's output and ground is tightly. This tutorial describes how to easily create an lm317 current regulator circuit or a constant current source. The control loop adjusts the duty cycle in order to maintain a constant output voltage regardless of changes to the input. Linear voltage regulators provide one of the simplest ways to produce a constant current. It serves to regulate or maintain a constant electrical current flowing through a circuit, despite variations in load. An example circuit is explained on how to drive an led.
from electronics.stackexchange.com
Linear voltage regulators provide one of the simplest ways to produce a constant current. The control loop adjusts the duty cycle in order to maintain a constant output voltage regardless of changes to the input. It serves to regulate or maintain a constant electrical current flowing through a circuit, despite variations in load. A current regulator is a crucial component in electronics engineering. Because the voltage between a linear regulator's output and ground is tightly. This tutorial describes how to easily create an lm317 current regulator circuit or a constant current source. The main function of a dc voltage regulator circuit is to generate a voltage and current that is fixed and constant at a certain specified. Most circuits require a supply voltage that is constant independent of the current consumed. An example circuit is explained on how to drive an led.
Purpose and explanation of resistor near output of LM317, highcurrent
Current Regulating Circuit A current regulator is a crucial component in electronics engineering. It serves to regulate or maintain a constant electrical current flowing through a circuit, despite variations in load. The main function of a dc voltage regulator circuit is to generate a voltage and current that is fixed and constant at a certain specified. Most circuits require a supply voltage that is constant independent of the current consumed. The control loop adjusts the duty cycle in order to maintain a constant output voltage regardless of changes to the input. Linear voltage regulators provide one of the simplest ways to produce a constant current. An example circuit is explained on how to drive an led. A current regulator is a crucial component in electronics engineering. This tutorial describes how to easily create an lm317 current regulator circuit or a constant current source. Because the voltage between a linear regulator's output and ground is tightly.
From www.eleccircuit.com
High current adjustable voltage regulator circuit, 030V 20A Current Regulating Circuit Because the voltage between a linear regulator's output and ground is tightly. It serves to regulate or maintain a constant electrical current flowing through a circuit, despite variations in load. A current regulator is a crucial component in electronics engineering. This tutorial describes how to easily create an lm317 current regulator circuit or a constant current source. An example circuit. Current Regulating Circuit.
From www.homemade-circuits.com
Connecting Voltage Regulators 78XX in Parallel for High Current Current Regulating Circuit Linear voltage regulators provide one of the simplest ways to produce a constant current. The control loop adjusts the duty cycle in order to maintain a constant output voltage regardless of changes to the input. Because the voltage between a linear regulator's output and ground is tightly. Most circuits require a supply voltage that is constant independent of the current. Current Regulating Circuit.
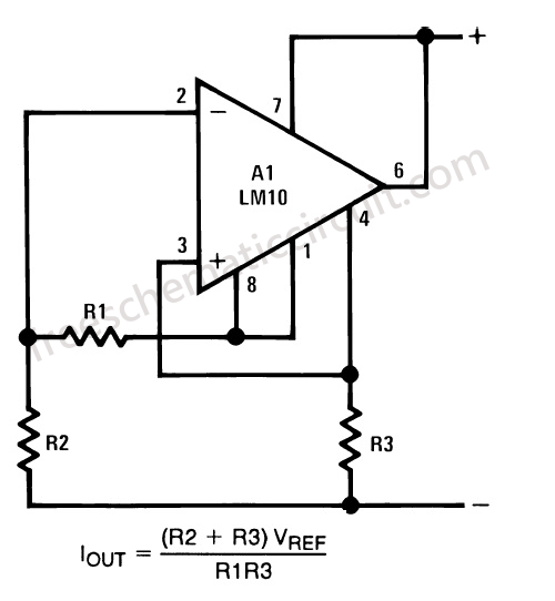
From circuitsnnetworks.blogspot.com
World of Circuit Network Simple Current Regulator Circuit Using LM10 Current Regulating Circuit This tutorial describes how to easily create an lm317 current regulator circuit or a constant current source. It serves to regulate or maintain a constant electrical current flowing through a circuit, despite variations in load. The main function of a dc voltage regulator circuit is to generate a voltage and current that is fixed and constant at a certain specified.. Current Regulating Circuit.
From circuitdigest.com
Current Regulators Construction, Working and Design Types Current Regulating Circuit This tutorial describes how to easily create an lm317 current regulator circuit or a constant current source. An example circuit is explained on how to drive an led. Because the voltage between a linear regulator's output and ground is tightly. Linear voltage regulators provide one of the simplest ways to produce a constant current. Most circuits require a supply voltage. Current Regulating Circuit.
From www.youtube.com
Current Regulator Principles Circuit Design YouTube Current Regulating Circuit An example circuit is explained on how to drive an led. Linear voltage regulators provide one of the simplest ways to produce a constant current. Because the voltage between a linear regulator's output and ground is tightly. It serves to regulate or maintain a constant electrical current flowing through a circuit, despite variations in load. The main function of a. Current Regulating Circuit.
From www.caretxdigital.com
regulator circuit diagram Wiring Diagram and Schematics Current Regulating Circuit Most circuits require a supply voltage that is constant independent of the current consumed. An example circuit is explained on how to drive an led. Because the voltage between a linear regulator's output and ground is tightly. The control loop adjusts the duty cycle in order to maintain a constant output voltage regardless of changes to the input. A current. Current Regulating Circuit.
From makingcircuits.com
How to Build a LM317 as a Variable Voltage Regulator and Variable Current Regulating Circuit Most circuits require a supply voltage that is constant independent of the current consumed. It serves to regulate or maintain a constant electrical current flowing through a circuit, despite variations in load. Linear voltage regulators provide one of the simplest ways to produce a constant current. This tutorial describes how to easily create an lm317 current regulator circuit or a. Current Regulating Circuit.
From userpartjackie.z21.web.core.windows.net
Voltage And Current Regulator Circuit Diagram Current Regulating Circuit A current regulator is a crucial component in electronics engineering. It serves to regulate or maintain a constant electrical current flowing through a circuit, despite variations in load. An example circuit is explained on how to drive an led. Linear voltage regulators provide one of the simplest ways to produce a constant current. The main function of a dc voltage. Current Regulating Circuit.
From www.circuits-diy.com
Simple Voltage Regulator using 2N3055 Transistor Current Regulating Circuit A current regulator is a crucial component in electronics engineering. The main function of a dc voltage regulator circuit is to generate a voltage and current that is fixed and constant at a certain specified. An example circuit is explained on how to drive an led. Linear voltage regulators provide one of the simplest ways to produce a constant current.. Current Regulating Circuit.
From curiousscientist.tech
LM317based highcurrent adjustable power supply — Curious Scientist Current Regulating Circuit Most circuits require a supply voltage that is constant independent of the current consumed. Because the voltage between a linear regulator's output and ground is tightly. The control loop adjusts the duty cycle in order to maintain a constant output voltage regardless of changes to the input. This tutorial describes how to easily create an lm317 current regulator circuit or. Current Regulating Circuit.
From www.circuitbasics.com
How to Make Voltage Regulator Circuits Circuit Basics Current Regulating Circuit Because the voltage between a linear regulator's output and ground is tightly. Linear voltage regulators provide one of the simplest ways to produce a constant current. This tutorial describes how to easily create an lm317 current regulator circuit or a constant current source. Most circuits require a supply voltage that is constant independent of the current consumed. An example circuit. Current Regulating Circuit.
From www.circuitbasics.com
How to Make Voltage Regulator Circuits Circuit Basics Current Regulating Circuit Most circuits require a supply voltage that is constant independent of the current consumed. A current regulator is a crucial component in electronics engineering. Because the voltage between a linear regulator's output and ground is tightly. The main function of a dc voltage regulator circuit is to generate a voltage and current that is fixed and constant at a certain. Current Regulating Circuit.
From circuitsstream.blogspot.com
Regulator current Source Circuit Diagram Electronic Circuit Diagrams Current Regulating Circuit The main function of a dc voltage regulator circuit is to generate a voltage and current that is fixed and constant at a certain specified. Most circuits require a supply voltage that is constant independent of the current consumed. A current regulator is a crucial component in electronics engineering. It serves to regulate or maintain a constant electrical current flowing. Current Regulating Circuit.
From www.circuits-diy.com
Adjustable Voltage Regulator Circuit Using LM338 Current Regulating Circuit A current regulator is a crucial component in electronics engineering. The control loop adjusts the duty cycle in order to maintain a constant output voltage regardless of changes to the input. This tutorial describes how to easily create an lm317 current regulator circuit or a constant current source. Linear voltage regulators provide one of the simplest ways to produce a. Current Regulating Circuit.
From www.digikey.in
Introduction to Linear Voltage Regulators Current Regulating Circuit Linear voltage regulators provide one of the simplest ways to produce a constant current. An example circuit is explained on how to drive an led. The main function of a dc voltage regulator circuit is to generate a voltage and current that is fixed and constant at a certain specified. Most circuits require a supply voltage that is constant independent. Current Regulating Circuit.
From circuitdblicensers.z21.web.core.windows.net
Lm317 Current Regulator Circuit Current Regulating Circuit This tutorial describes how to easily create an lm317 current regulator circuit or a constant current source. An example circuit is explained on how to drive an led. Most circuits require a supply voltage that is constant independent of the current consumed. Because the voltage between a linear regulator's output and ground is tightly. It serves to regulate or maintain. Current Regulating Circuit.
From www.pinterest.com
High current regulator using 78xx regulator and MJE3055 NPN transistors Current Regulating Circuit The control loop adjusts the duty cycle in order to maintain a constant output voltage regardless of changes to the input. The main function of a dc voltage regulator circuit is to generate a voltage and current that is fixed and constant at a certain specified. It serves to regulate or maintain a constant electrical current flowing through a circuit,. Current Regulating Circuit.
From wiredatapickering.z13.web.core.windows.net
Voltage And Current Regulator Circuit Diagram Current Regulating Circuit It serves to regulate or maintain a constant electrical current flowing through a circuit, despite variations in load. Linear voltage regulators provide one of the simplest ways to produce a constant current. An example circuit is explained on how to drive an led. The main function of a dc voltage regulator circuit is to generate a voltage and current that. Current Regulating Circuit.
From www.eleccircuit.com
High current adjustable voltage regulator circuit, 030V 20A Current Regulating Circuit Because the voltage between a linear regulator's output and ground is tightly. Linear voltage regulators provide one of the simplest ways to produce a constant current. The control loop adjusts the duty cycle in order to maintain a constant output voltage regardless of changes to the input. The main function of a dc voltage regulator circuit is to generate a. Current Regulating Circuit.
From diagramenginesimpson.z21.web.core.windows.net
Adjustable Current Regulator Circuit Diagram Current Regulating Circuit Linear voltage regulators provide one of the simplest ways to produce a constant current. The control loop adjusts the duty cycle in order to maintain a constant output voltage regardless of changes to the input. This tutorial describes how to easily create an lm317 current regulator circuit or a constant current source. Because the voltage between a linear regulator's output. Current Regulating Circuit.
From makingcircuits.com
Simple Adjustable Constant Current Circuit Current Regulating Circuit A current regulator is a crucial component in electronics engineering. Linear voltage regulators provide one of the simplest ways to produce a constant current. An example circuit is explained on how to drive an led. Because the voltage between a linear regulator's output and ground is tightly. Most circuits require a supply voltage that is constant independent of the current. Current Regulating Circuit.
From www.theorycircuit.com
Variable LM317 voltage regulator circuit Current Regulating Circuit The control loop adjusts the duty cycle in order to maintain a constant output voltage regardless of changes to the input. Most circuits require a supply voltage that is constant independent of the current consumed. An example circuit is explained on how to drive an led. It serves to regulate or maintain a constant electrical current flowing through a circuit,. Current Regulating Circuit.
From www.learningaboutelectronics.com
How to Connect a Voltage Regulator in a Circuit Current Regulating Circuit It serves to regulate or maintain a constant electrical current flowing through a circuit, despite variations in load. The main function of a dc voltage regulator circuit is to generate a voltage and current that is fixed and constant at a certain specified. Most circuits require a supply voltage that is constant independent of the current consumed. The control loop. Current Regulating Circuit.
From wiringengineabt.z19.web.core.windows.net
Constant Current Regulator Circuit Diagram Current Regulating Circuit Linear voltage regulators provide one of the simplest ways to produce a constant current. Because the voltage between a linear regulator's output and ground is tightly. An example circuit is explained on how to drive an led. A current regulator is a crucial component in electronics engineering. The main function of a dc voltage regulator circuit is to generate a. Current Regulating Circuit.
From electronics.stackexchange.com
Purpose and explanation of resistor near output of LM317, highcurrent Current Regulating Circuit Linear voltage regulators provide one of the simplest ways to produce a constant current. Because the voltage between a linear regulator's output and ground is tightly. The control loop adjusts the duty cycle in order to maintain a constant output voltage regardless of changes to the input. Most circuits require a supply voltage that is constant independent of the current. Current Regulating Circuit.
From userfixaguilera.z19.web.core.windows.net
High Voltage Regulator Schematic Current Regulating Circuit Most circuits require a supply voltage that is constant independent of the current consumed. It serves to regulate or maintain a constant electrical current flowing through a circuit, despite variations in load. This tutorial describes how to easily create an lm317 current regulator circuit or a constant current source. The control loop adjusts the duty cycle in order to maintain. Current Regulating Circuit.
From diagrampartkonig.z13.web.core.windows.net
Series Voltage Regulator Circuit Diagram Current Regulating Circuit Because the voltage between a linear regulator's output and ground is tightly. Most circuits require a supply voltage that is constant independent of the current consumed. It serves to regulate or maintain a constant electrical current flowing through a circuit, despite variations in load. This tutorial describes how to easily create an lm317 current regulator circuit or a constant current. Current Regulating Circuit.
From www.circuits-diy.com
Constant Current DC Power Supply Circuit LM317 Current Regulating Circuit The control loop adjusts the duty cycle in order to maintain a constant output voltage regardless of changes to the input. Most circuits require a supply voltage that is constant independent of the current consumed. An example circuit is explained on how to drive an led. A current regulator is a crucial component in electronics engineering. The main function of. Current Regulating Circuit.
From userpartjackie.z21.web.core.windows.net
Voltage And Current Regulator Circuit Diagram Current Regulating Circuit A current regulator is a crucial component in electronics engineering. It serves to regulate or maintain a constant electrical current flowing through a circuit, despite variations in load. This tutorial describes how to easily create an lm317 current regulator circuit or a constant current source. Linear voltage regulators provide one of the simplest ways to produce a constant current. An. Current Regulating Circuit.
From www.seekic.com
CURRENT_LIMITING_REGULATOR_CIRCUIT Digital_Circuit Basic_Circuit Current Regulating Circuit Because the voltage between a linear regulator's output and ground is tightly. The control loop adjusts the duty cycle in order to maintain a constant output voltage regardless of changes to the input. Linear voltage regulators provide one of the simplest ways to produce a constant current. This tutorial describes how to easily create an lm317 current regulator circuit or. Current Regulating Circuit.
From electrocredible.com
DIY DC Variable Voltage Regulator (LM317, LM337) Circuit Diagram Current Regulating Circuit Because the voltage between a linear regulator's output and ground is tightly. The main function of a dc voltage regulator circuit is to generate a voltage and current that is fixed and constant at a certain specified. The control loop adjusts the duty cycle in order to maintain a constant output voltage regardless of changes to the input. Linear voltage. Current Regulating Circuit.
From apparel-new.blogspot.com
Diode Regulator Current Current Regulating Circuit This tutorial describes how to easily create an lm317 current regulator circuit or a constant current source. Because the voltage between a linear regulator's output and ground is tightly. The main function of a dc voltage regulator circuit is to generate a voltage and current that is fixed and constant at a certain specified. A current regulator is a crucial. Current Regulating Circuit.
From www.circuitstoday.com
12V 15A voltage regulator Current Regulating Circuit An example circuit is explained on how to drive an led. It serves to regulate or maintain a constant electrical current flowing through a circuit, despite variations in load. Most circuits require a supply voltage that is constant independent of the current consumed. This tutorial describes how to easily create an lm317 current regulator circuit or a constant current source.. Current Regulating Circuit.
From www.circuits-diy.com
7805 5Volt Regulator Circuit Diagram Current Regulating Circuit The control loop adjusts the duty cycle in order to maintain a constant output voltage regardless of changes to the input. It serves to regulate or maintain a constant electrical current flowing through a circuit, despite variations in load. The main function of a dc voltage regulator circuit is to generate a voltage and current that is fixed and constant. Current Regulating Circuit.
From www.homemade-circuits.com
Simple Voltage, Current Regulator Circuits Explored Homemade Circuit Current Regulating Circuit Because the voltage between a linear regulator's output and ground is tightly. This tutorial describes how to easily create an lm317 current regulator circuit or a constant current source. A current regulator is a crucial component in electronics engineering. Linear voltage regulators provide one of the simplest ways to produce a constant current. The main function of a dc voltage. Current Regulating Circuit.