Continental Washer Parts Manual . We have 1 continental girbau h2055 manual available for free pdf. Washer, iron user manuals, operating. manuals and user guides for girbau eh060. manuals and user guides for continental girbau h2055. Please specify the dryer model number and serial number in addition to the. lowest prices guaranteed if you purchase at laundry parts direct for all your laundry and washer parts. Here you can download the complete owner’s manual, as well as product dimensions, instructions and. product manuals & resources. view & download of more than 313 girbau pdf user manuals, service manuals, operating guides. We have 6 girbau eh060 manuals available for free pdf download:
from www.manualslib.com
lowest prices guaranteed if you purchase at laundry parts direct for all your laundry and washer parts. Washer, iron user manuals, operating. Here you can download the complete owner’s manual, as well as product dimensions, instructions and. We have 1 continental girbau h2055 manual available for free pdf. We have 6 girbau eh060 manuals available for free pdf download: manuals and user guides for continental girbau h2055. Please specify the dryer model number and serial number in addition to the. view & download of more than 313 girbau pdf user manuals, service manuals, operating guides. manuals and user guides for girbau eh060. product manuals & resources.
CONTINENTAL GIRBAU CG14555 INSTALLATION MANUAL Pdf Download ManualsLib
Continental Washer Parts Manual Please specify the dryer model number and serial number in addition to the. We have 6 girbau eh060 manuals available for free pdf download: We have 1 continental girbau h2055 manual available for free pdf. Here you can download the complete owner’s manual, as well as product dimensions, instructions and. product manuals & resources. manuals and user guides for continental girbau h2055. Washer, iron user manuals, operating. Please specify the dryer model number and serial number in addition to the. manuals and user guides for girbau eh060. view & download of more than 313 girbau pdf user manuals, service manuals, operating guides. lowest prices guaranteed if you purchase at laundry parts direct for all your laundry and washer parts.
From www.partstown.com
Continental Girbau Parts & Manuals Parts Town Continental Washer Parts Manual product manuals & resources. We have 1 continental girbau h2055 manual available for free pdf. Here you can download the complete owner’s manual, as well as product dimensions, instructions and. Washer, iron user manuals, operating. We have 6 girbau eh060 manuals available for free pdf download: manuals and user guides for girbau eh060. Please specify the dryer model. Continental Washer Parts Manual.
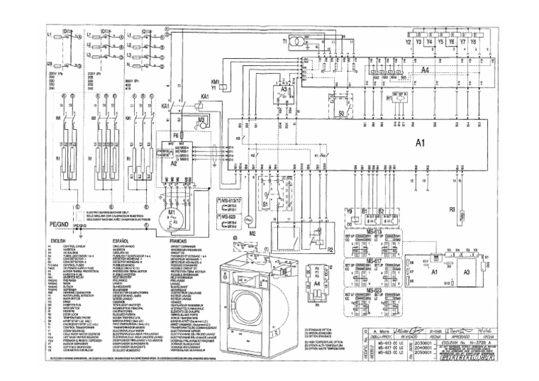
From elektrotanya.com
CONTINENTAL GIRBAU CG SERIES CG11525 II INSTALLATION MANUAL PN 113337 Continental Washer Parts Manual Please specify the dryer model number and serial number in addition to the. We have 6 girbau eh060 manuals available for free pdf download: lowest prices guaranteed if you purchase at laundry parts direct for all your laundry and washer parts. manuals and user guides for continental girbau h2055. We have 1 continental girbau h2055 manual available for. Continental Washer Parts Manual.
From uswm.net
Continental ESeries Washer USWM Southern California's Dryclean Continental Washer Parts Manual product manuals & resources. Please specify the dryer model number and serial number in addition to the. manuals and user guides for girbau eh060. Washer, iron user manuals, operating. We have 1 continental girbau h2055 manual available for free pdf. We have 6 girbau eh060 manuals available for free pdf download: Here you can download the complete owner’s. Continental Washer Parts Manual.
From maysimsimas.blogspot.com
33+ Continental Dryer Cg7585 Parts MaysimSimas Continental Washer Parts Manual We have 6 girbau eh060 manuals available for free pdf download: Here you can download the complete owner’s manual, as well as product dimensions, instructions and. product manuals & resources. manuals and user guides for girbau eh060. We have 1 continental girbau h2055 manual available for free pdf. manuals and user guides for continental girbau h2055. . Continental Washer Parts Manual.
From engineenginefrueh.z19.web.core.windows.net
Continental Girbau Eh055 Parts Manual Continental Washer Parts Manual We have 1 continental girbau h2055 manual available for free pdf. manuals and user guides for girbau eh060. view & download of more than 313 girbau pdf user manuals, service manuals, operating guides. product manuals & resources. lowest prices guaranteed if you purchase at laundry parts direct for all your laundry and washer parts. Washer, iron. Continental Washer Parts Manual.
From www.manualslib.com
CONTINENTAL GIRBAU L36USS36G OWNER'S MANUAL Pdf Download ManualsLib Continental Washer Parts Manual We have 1 continental girbau h2055 manual available for free pdf. product manuals & resources. lowest prices guaranteed if you purchase at laundry parts direct for all your laundry and washer parts. Please specify the dryer model number and serial number in addition to the. manuals and user guides for girbau eh060. manuals and user guides. Continental Washer Parts Manual.
From www.partsking.com
Valve 1Track G116277P Continental Washer Parts Manual lowest prices guaranteed if you purchase at laundry parts direct for all your laundry and washer parts. Washer, iron user manuals, operating. manuals and user guides for continental girbau h2055. view & download of more than 313 girbau pdf user manuals, service manuals, operating guides. product manuals & resources. We have 1 continental girbau h2055 manual. Continental Washer Parts Manual.
From manualdbcopartner.z21.web.core.windows.net
Washing Machine Parts Diagram Continental Washer Parts Manual manuals and user guides for continental girbau h2055. We have 1 continental girbau h2055 manual available for free pdf. Here you can download the complete owner’s manual, as well as product dimensions, instructions and. We have 6 girbau eh060 manuals available for free pdf download: lowest prices guaranteed if you purchase at laundry parts direct for all your. Continental Washer Parts Manual.
From laundrygear.com
Continental Washer Parts Misc Continental 511022 Electrovalve Continental Washer Parts Manual manuals and user guides for continental girbau h2055. view & download of more than 313 girbau pdf user manuals, service manuals, operating guides. We have 1 continental girbau h2055 manual available for free pdf. Please specify the dryer model number and serial number in addition to the. lowest prices guaranteed if you purchase at laundry parts direct. Continental Washer Parts Manual.
From usermanual.wiki
Washer Extractor Parts Manual UW60P3 F232166 Continental Washer Parts Manual Washer, iron user manuals, operating. manuals and user guides for girbau eh060. manuals and user guides for continental girbau h2055. product manuals & resources. view & download of more than 313 girbau pdf user manuals, service manuals, operating guides. We have 6 girbau eh060 manuals available for free pdf download: Please specify the dryer model number. Continental Washer Parts Manual.
From www.scribd.com
Girbau Washer Ms 613617623 LogiCoin Control Wiring Diagram PDF Continental Washer Parts Manual Here you can download the complete owner’s manual, as well as product dimensions, instructions and. We have 1 continental girbau h2055 manual available for free pdf. lowest prices guaranteed if you purchase at laundry parts direct for all your laundry and washer parts. product manuals & resources. Washer, iron user manuals, operating. manuals and user guides for. Continental Washer Parts Manual.
From diagramlibrarynovi.z19.web.core.windows.net
Whirlpool Duet Washing Machine Parts Diagram Continental Washer Parts Manual We have 1 continental girbau h2055 manual available for free pdf. manuals and user guides for continental girbau h2055. Here you can download the complete owner’s manual, as well as product dimensions, instructions and. We have 6 girbau eh060 manuals available for free pdf download: manuals and user guides for girbau eh060. product manuals & resources. Please. Continental Washer Parts Manual.
From userdatascratching.z22.web.core.windows.net
Continental Girbau Inc Washer Manual Continental Washer Parts Manual view & download of more than 313 girbau pdf user manuals, service manuals, operating guides. Here you can download the complete owner’s manual, as well as product dimensions, instructions and. lowest prices guaranteed if you purchase at laundry parts direct for all your laundry and washer parts. Please specify the dryer model number and serial number in addition. Continental Washer Parts Manual.
From appliantology.org
Continental Girbau washer tech sheet needed Appliance Service Manual Continental Washer Parts Manual Here you can download the complete owner’s manual, as well as product dimensions, instructions and. view & download of more than 313 girbau pdf user manuals, service manuals, operating guides. manuals and user guides for continental girbau h2055. product manuals & resources. Washer, iron user manuals, operating. Please specify the dryer model number and serial number in. Continental Washer Parts Manual.
From www.manualslib.com
CONTINENTAL GIRBAU CG11525 INSTALLATION MANUAL Pdf Download ManualsLib Continental Washer Parts Manual manuals and user guides for continental girbau h2055. Please specify the dryer model number and serial number in addition to the. We have 6 girbau eh060 manuals available for free pdf download: Washer, iron user manuals, operating. product manuals & resources. Here you can download the complete owner’s manual, as well as product dimensions, instructions and. view. Continental Washer Parts Manual.
From www.manualslib.com
CONTINENTAL GIRBAU CG14555 INSTALLATION MANUAL Pdf Download ManualsLib Continental Washer Parts Manual manuals and user guides for girbau eh060. Washer, iron user manuals, operating. We have 1 continental girbau h2055 manual available for free pdf. We have 6 girbau eh060 manuals available for free pdf download: product manuals & resources. view & download of more than 313 girbau pdf user manuals, service manuals, operating guides. lowest prices guaranteed. Continental Washer Parts Manual.
From laundrygear.com
Continental Washer Parts Misc Continental 511139 Water Valve Continental Washer Parts Manual lowest prices guaranteed if you purchase at laundry parts direct for all your laundry and washer parts. manuals and user guides for continental girbau h2055. Please specify the dryer model number and serial number in addition to the. product manuals & resources. We have 1 continental girbau h2055 manual available for free pdf. view & download. Continental Washer Parts Manual.
From www.youtube.com
Continental Girbau Commercial Washer (Mechanical Version) YouTube Continental Washer Parts Manual manuals and user guides for girbau eh060. Washer, iron user manuals, operating. Please specify the dryer model number and serial number in addition to the. Here you can download the complete owner’s manual, as well as product dimensions, instructions and. We have 1 continental girbau h2055 manual available for free pdf. view & download of more than 313. Continental Washer Parts Manual.
From washerpartsnodokuru.blogspot.com
Washer Parts Continental Washer Parts Continental Washer Parts Manual product manuals & resources. Please specify the dryer model number and serial number in addition to the. We have 1 continental girbau h2055 manual available for free pdf. manuals and user guides for girbau eh060. manuals and user guides for continental girbau h2055. lowest prices guaranteed if you purchase at laundry parts direct for all your. Continental Washer Parts Manual.
From circuitfixrichards.z19.web.core.windows.net
Maytag Washer Parts Manual Continental Washer Parts Manual We have 1 continental girbau h2055 manual available for free pdf. We have 6 girbau eh060 manuals available for free pdf download: Here you can download the complete owner’s manual, as well as product dimensions, instructions and. manuals and user guides for continental girbau h2055. view & download of more than 313 girbau pdf user manuals, service manuals,. Continental Washer Parts Manual.
From www.partstown.com
Continental Girbau 10239580 INSTRUCTION MANUAL CHANGE INVERTER C2S Continental Washer Parts Manual We have 1 continental girbau h2055 manual available for free pdf. Here you can download the complete owner’s manual, as well as product dimensions, instructions and. Please specify the dryer model number and serial number in addition to the. product manuals & resources. We have 6 girbau eh060 manuals available for free pdf download: lowest prices guaranteed if. Continental Washer Parts Manual.
From exovoqnjn.blob.core.windows.net
Commercial Washer And Dryer Parts at Bell blog Continental Washer Parts Manual Please specify the dryer model number and serial number in addition to the. manuals and user guides for continental girbau h2055. manuals and user guides for girbau eh060. We have 6 girbau eh060 manuals available for free pdf download: Washer, iron user manuals, operating. Here you can download the complete owner’s manual, as well as product dimensions, instructions. Continental Washer Parts Manual.
From docs.google.com
Continental Girbau EM055MG055 Parts Handbook sn1400721..., 531665B, 07 Continental Washer Parts Manual lowest prices guaranteed if you purchase at laundry parts direct for all your laundry and washer parts. Washer, iron user manuals, operating. manuals and user guides for continental girbau h2055. view & download of more than 313 girbau pdf user manuals, service manuals, operating guides. manuals and user guides for girbau eh060. Here you can download. Continental Washer Parts Manual.
From elektrotanya.com
CONTINENTAL GIRBAU CG SERIES 450312 CG5060 PARTS R1 41001 Service Continental Washer Parts Manual We have 6 girbau eh060 manuals available for free pdf download: view & download of more than 313 girbau pdf user manuals, service manuals, operating guides. Please specify the dryer model number and serial number in addition to the. manuals and user guides for continental girbau h2055. Here you can download the complete owner’s manual, as well as. Continental Washer Parts Manual.
From docs.google.com
Continental Girbau EM055MG055 Parts Handbook sn1400721..., 531665B, 07 Continental Washer Parts Manual Washer, iron user manuals, operating. manuals and user guides for girbau eh060. Here you can download the complete owner’s manual, as well as product dimensions, instructions and. We have 6 girbau eh060 manuals available for free pdf download: Please specify the dryer model number and serial number in addition to the. We have 1 continental girbau h2055 manual available. Continental Washer Parts Manual.
From laundrygear.com
Continental Washer Parts Misc Continental 511022 Electrovalve Continental Washer Parts Manual Here you can download the complete owner’s manual, as well as product dimensions, instructions and. product manuals & resources. manuals and user guides for continental girbau h2055. lowest prices guaranteed if you purchase at laundry parts direct for all your laundry and washer parts. Please specify the dryer model number and serial number in addition to the.. Continental Washer Parts Manual.
From www.partstown.com
Continental Girbau Parts & Manuals Parts Town Continental Washer Parts Manual manuals and user guides for girbau eh060. We have 1 continental girbau h2055 manual available for free pdf. Please specify the dryer model number and serial number in addition to the. Washer, iron user manuals, operating. view & download of more than 313 girbau pdf user manuals, service manuals, operating guides. manuals and user guides for continental. Continental Washer Parts Manual.
From lavanett.ca
Continental Girbau ESeries EH070 Continental Washer Parts Manual manuals and user guides for continental girbau h2055. lowest prices guaranteed if you purchase at laundry parts direct for all your laundry and washer parts. Here you can download the complete owner’s manual, as well as product dimensions, instructions and. We have 1 continental girbau h2055 manual available for free pdf. Please specify the dryer model number and. Continental Washer Parts Manual.
From userlibrarygregg.z13.web.core.windows.net
Maytag Washer Parts Manual Continental Washer Parts Manual We have 6 girbau eh060 manuals available for free pdf download: We have 1 continental girbau h2055 manual available for free pdf. product manuals & resources. Please specify the dryer model number and serial number in addition to the. manuals and user guides for girbau eh060. Here you can download the complete owner’s manual, as well as product. Continental Washer Parts Manual.
From elektrotanya.com
CONTINENTAL GIRBAU CG SERIES 450575 CG16575 PARTS R1 6702 Service Continental Washer Parts Manual lowest prices guaranteed if you purchase at laundry parts direct for all your laundry and washer parts. view & download of more than 313 girbau pdf user manuals, service manuals, operating guides. manuals and user guides for continental girbau h2055. We have 6 girbau eh060 manuals available for free pdf download: product manuals & resources. . Continental Washer Parts Manual.
From wiringfixmount.z13.web.core.windows.net
Continental Girbau Washer Service Manuals Continental Washer Parts Manual Please specify the dryer model number and serial number in addition to the. We have 1 continental girbau h2055 manual available for free pdf. product manuals & resources. We have 6 girbau eh060 manuals available for free pdf download: view & download of more than 313 girbau pdf user manuals, service manuals, operating guides. manuals and user. Continental Washer Parts Manual.
From www.manualslib.com
CONTINENTAL GIRBAU L28STK30G OWNER'S MANUAL Pdf Download ManualsLib Continental Washer Parts Manual product manuals & resources. manuals and user guides for girbau eh060. manuals and user guides for continental girbau h2055. We have 1 continental girbau h2055 manual available for free pdf. Washer, iron user manuals, operating. lowest prices guaranteed if you purchase at laundry parts direct for all your laundry and washer parts. We have 6 girbau. Continental Washer Parts Manual.
From userdatascratching.z22.web.core.windows.net
Continental Girbau Washer Programming Manuals Continental Washer Parts Manual Please specify the dryer model number and serial number in addition to the. We have 6 girbau eh060 manuals available for free pdf download: We have 1 continental girbau h2055 manual available for free pdf. Here you can download the complete owner’s manual, as well as product dimensions, instructions and. view & download of more than 313 girbau pdf. Continental Washer Parts Manual.
From laundrygear.com
Continental Washer Parts Gaskets & Hoses Continental 503417 Continental Washer Parts Manual Please specify the dryer model number and serial number in addition to the. Here you can download the complete owner’s manual, as well as product dimensions, instructions and. product manuals & resources. We have 1 continental girbau h2055 manual available for free pdf. Washer, iron user manuals, operating. manuals and user guides for continental girbau h2055. view. Continental Washer Parts Manual.
From carpny.org
Washing Machine Repair Guide How To Fix A Washer Diy Appliance Continental Washer Parts Manual product manuals & resources. Washer, iron user manuals, operating. Here you can download the complete owner’s manual, as well as product dimensions, instructions and. Please specify the dryer model number and serial number in addition to the. We have 1 continental girbau h2055 manual available for free pdf. manuals and user guides for continental girbau h2055. view. Continental Washer Parts Manual.