Preamplifier Tone Circuit . Technically, the ne5532 preamp ic is a device capable of converting electrical pulses into sound signals. With tda1524a, this circuit is easy build and will drive most of power amplifier. This versatility can be particularly useful for audiophiles and music producers who want to achieve a specific sound or sonic signature. Some notable characteristics include low distortion, high power output, and efficiency. A hifi preamp circuit, also known as a preamplifier, is an essential component in any audio system. So, let’s dive in and explore the magic behind these great audio amplifiers! In other words, they make up the basis of an audio amplifier. Many tube preamps feature various tone controls, such as eq and tone shaping options, allowing users to tailor the sound to their preferences.
        
         
         
        from www.eleccircuit.com 
     
        
        So, let’s dive in and explore the magic behind these great audio amplifiers! With tda1524a, this circuit is easy build and will drive most of power amplifier. In other words, they make up the basis of an audio amplifier. Technically, the ne5532 preamp ic is a device capable of converting electrical pulses into sound signals. This versatility can be particularly useful for audiophiles and music producers who want to achieve a specific sound or sonic signature. Some notable characteristics include low distortion, high power output, and efficiency. Many tube preamps feature various tone controls, such as eq and tone shaping options, allowing users to tailor the sound to their preferences. A hifi preamp circuit, also known as a preamplifier, is an essential component in any audio system.
    
    	
            
	
		 
	 
         
    5 Tone control (bass mid treble) circuits using NE5532, 4558, LF353 
    Preamplifier Tone Circuit  In other words, they make up the basis of an audio amplifier. Many tube preamps feature various tone controls, such as eq and tone shaping options, allowing users to tailor the sound to their preferences. Technically, the ne5532 preamp ic is a device capable of converting electrical pulses into sound signals. Some notable characteristics include low distortion, high power output, and efficiency. So, let’s dive in and explore the magic behind these great audio amplifiers! A hifi preamp circuit, also known as a preamplifier, is an essential component in any audio system. With tda1524a, this circuit is easy build and will drive most of power amplifier. In other words, they make up the basis of an audio amplifier. This versatility can be particularly useful for audiophiles and music producers who want to achieve a specific sound or sonic signature.
            
	
		 
	 
         
 
    
         
        From www.seekic.com 
                    Guitar Preamp with Tone Controls Amplifier_Circuit Circuit Diagram Preamplifier Tone Circuit  Many tube preamps feature various tone controls, such as eq and tone shaping options, allowing users to tailor the sound to their preferences. Some notable characteristics include low distortion, high power output, and efficiency. So, let’s dive in and explore the magic behind these great audio amplifiers! This versatility can be particularly useful for audiophiles and music producers who want. Preamplifier Tone Circuit.
     
    
         
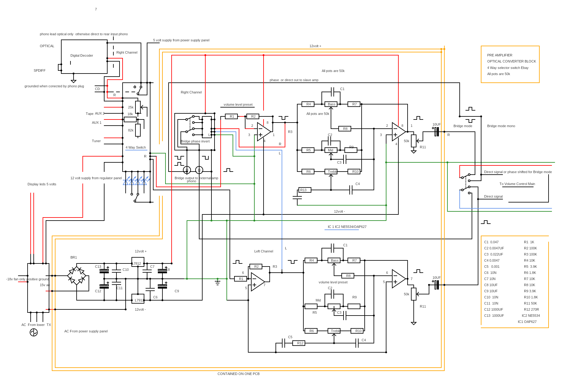
        From www.circuitdiagram.co 
                    Ne5532 Preamplifier Schematic Circuit Diagram Preamplifier Tone Circuit  This versatility can be particularly useful for audiophiles and music producers who want to achieve a specific sound or sonic signature. In other words, they make up the basis of an audio amplifier. Many tube preamps feature various tone controls, such as eq and tone shaping options, allowing users to tailor the sound to their preferences. A hifi preamp circuit,. Preamplifier Tone Circuit.
     
    
         
        From ribu1c-wiring-diagram.blogspot.com 
                    Tone Control Circuit Diagram With Pcb Layout Preamp3 Buildaudioamps Preamplifier Tone Circuit  So, let’s dive in and explore the magic behind these great audio amplifiers! In other words, they make up the basis of an audio amplifier. A hifi preamp circuit, also known as a preamplifier, is an essential component in any audio system. Many tube preamps feature various tone controls, such as eq and tone shaping options, allowing users to tailor. Preamplifier Tone Circuit.
     
    
         
        From www.eleccircuit.com 
                    7 tone control circuit diagram with PCB layout ElecCircuit Preamplifier Tone Circuit  Some notable characteristics include low distortion, high power output, and efficiency. A hifi preamp circuit, also known as a preamplifier, is an essential component in any audio system. Technically, the ne5532 preamp ic is a device capable of converting electrical pulses into sound signals. In other words, they make up the basis of an audio amplifier. So, let’s dive in. Preamplifier Tone Circuit.
     
    
         
        From diagraml3ky3lo.z21.web.core.windows.net 
                    Guitar Preamplifier Circuit Diagram Preamplifier Tone Circuit  This versatility can be particularly useful for audiophiles and music producers who want to achieve a specific sound or sonic signature. Technically, the ne5532 preamp ic is a device capable of converting electrical pulses into sound signals. A hifi preamp circuit, also known as a preamplifier, is an essential component in any audio system. So, let’s dive in and explore. Preamplifier Tone Circuit.
     
    
         
        From tronicspro.com 
                    Audio Mixer Preamplifier with Tone Control Circuit TRONICSpro Preamplifier Tone Circuit  So, let’s dive in and explore the magic behind these great audio amplifiers! Technically, the ne5532 preamp ic is a device capable of converting electrical pulses into sound signals. Some notable characteristics include low distortion, high power output, and efficiency. A hifi preamp circuit, also known as a preamplifier, is an essential component in any audio system. With tda1524a, this. Preamplifier Tone Circuit.
     
    
         
        From www.sexizpix.com 
                    Tone Control Preamp Schematic Sexiz Pix Preamplifier Tone Circuit  Technically, the ne5532 preamp ic is a device capable of converting electrical pulses into sound signals. So, let’s dive in and explore the magic behind these great audio amplifiers! This versatility can be particularly useful for audiophiles and music producers who want to achieve a specific sound or sonic signature. A hifi preamp circuit, also known as a preamplifier, is. Preamplifier Tone Circuit.
     
    
         
        From wiringdbrichards.z21.web.core.windows.net 
                    Preamp Tone Control Circuit Diagram Preamplifier Tone Circuit  This versatility can be particularly useful for audiophiles and music producers who want to achieve a specific sound or sonic signature. In other words, they make up the basis of an audio amplifier. Some notable characteristics include low distortion, high power output, and efficiency. Many tube preamps feature various tone controls, such as eq and tone shaping options, allowing users. Preamplifier Tone Circuit.
     
    
         
        From www.seekic.com 
                    PREAMP_WITH_TONE_CONTROLS_1 Basic_Circuit Circuit Diagram Preamplifier Tone Circuit  So, let’s dive in and explore the magic behind these great audio amplifiers! With tda1524a, this circuit is easy build and will drive most of power amplifier. Technically, the ne5532 preamp ic is a device capable of converting electrical pulses into sound signals. Many tube preamps feature various tone controls, such as eq and tone shaping options, allowing users to. Preamplifier Tone Circuit.
     
    
         
        From xtronic.org 
                    Circuit Preamplifier 2.1 Stereo Tone Control + Subwoofer Xtronic Preamplifier Tone Circuit  A hifi preamp circuit, also known as a preamplifier, is an essential component in any audio system. Some notable characteristics include low distortion, high power output, and efficiency. So, let’s dive in and explore the magic behind these great audio amplifiers! Many tube preamps feature various tone controls, such as eq and tone shaping options, allowing users to tailor the. Preamplifier Tone Circuit.
     
    
         
        From electronicsdesign-deni.blogspot.com 
                    Audio Preamplifier With Tone ControlElectronic DesignSchematic Preamplifier Tone Circuit  In other words, they make up the basis of an audio amplifier. Technically, the ne5532 preamp ic is a device capable of converting electrical pulses into sound signals. A hifi preamp circuit, also known as a preamplifier, is an essential component in any audio system. With tda1524a, this circuit is easy build and will drive most of power amplifier. Many. Preamplifier Tone Circuit.
     
    
         
        From www.elcircuit.com 
                    HiFi Audio PreAmp Circuit TL072 Electronic Circuit Preamplifier Tone Circuit  With tda1524a, this circuit is easy build and will drive most of power amplifier. Technically, the ne5532 preamp ic is a device capable of converting electrical pulses into sound signals. In other words, they make up the basis of an audio amplifier. A hifi preamp circuit, also known as a preamplifier, is an essential component in any audio system. So,. Preamplifier Tone Circuit.
     
    
         
        From circuitsstream.blogspot.com 
                    Tone Control Tube Amp circuit with 12AU7 Electronic Circuit Diagrams Preamplifier Tone Circuit  With tda1524a, this circuit is easy build and will drive most of power amplifier. A hifi preamp circuit, also known as a preamplifier, is an essential component in any audio system. Technically, the ne5532 preamp ic is a device capable of converting electrical pulses into sound signals. This versatility can be particularly useful for audiophiles and music producers who want. Preamplifier Tone Circuit.
     
    
         
        From philsvalveradiosite.co.uk 
                    Simple Stereo Preamplifier Circuits For The 3 Valve Stereo Amplifier Preamplifier Tone Circuit  Technically, the ne5532 preamp ic is a device capable of converting electrical pulses into sound signals. This versatility can be particularly useful for audiophiles and music producers who want to achieve a specific sound or sonic signature. A hifi preamp circuit, also known as a preamplifier, is an essential component in any audio system. Many tube preamps feature various tone. Preamplifier Tone Circuit.
     
    
         
        From www.circuitdiagram.co 
                    Fet Guitar Preamplifier Schematics Circuit Diagram Preamplifier Tone Circuit  Technically, the ne5532 preamp ic is a device capable of converting electrical pulses into sound signals. A hifi preamp circuit, also known as a preamplifier, is an essential component in any audio system. Many tube preamps feature various tone controls, such as eq and tone shaping options, allowing users to tailor the sound to their preferences. Some notable characteristics include. Preamplifier Tone Circuit.
     
    
         
        From electronicsdesign-deni.blogspot.com 
                    Audio Preamplifier With Tone ControlElectronic DesignSchematic Preamplifier Tone Circuit  With tda1524a, this circuit is easy build and will drive most of power amplifier. This versatility can be particularly useful for audiophiles and music producers who want to achieve a specific sound or sonic signature. So, let’s dive in and explore the magic behind these great audio amplifiers! Many tube preamps feature various tone controls, such as eq and tone. Preamplifier Tone Circuit.
     
    
         
        From www.eleccircuit.com 
                    LM1036LM1035 Dual DC tone control circuit with PCB Preamplifier Tone Circuit  With tda1524a, this circuit is easy build and will drive most of power amplifier. A hifi preamp circuit, also known as a preamplifier, is an essential component in any audio system. So, let’s dive in and explore the magic behind these great audio amplifiers! This versatility can be particularly useful for audiophiles and music producers who want to achieve a. Preamplifier Tone Circuit.
     
    
         
        From www.dogstar.dantimax.dk 
                    RA100 Tone Control Preamplifier Preamplifier Tone Circuit  This versatility can be particularly useful for audiophiles and music producers who want to achieve a specific sound or sonic signature. A hifi preamp circuit, also known as a preamplifier, is an essential component in any audio system. With tda1524a, this circuit is easy build and will drive most of power amplifier. Technically, the ne5532 preamp ic is a device. Preamplifier Tone Circuit.
     
    
         
        From amplifiercircuit.net 
                    Stereo Preamp with Volume and Tone Control Amplifier Circuit Design Preamplifier Tone Circuit  Some notable characteristics include low distortion, high power output, and efficiency. So, let’s dive in and explore the magic behind these great audio amplifiers! A hifi preamp circuit, also known as a preamplifier, is an essential component in any audio system. This versatility can be particularly useful for audiophiles and music producers who want to achieve a specific sound or. Preamplifier Tone Circuit.
     
    
         
        From www.homemade-circuits.com 
                    5 Simple Preamplifier Circuits Explained Homemade Circuit Projects Preamplifier Tone Circuit  Some notable characteristics include low distortion, high power output, and efficiency. A hifi preamp circuit, also known as a preamplifier, is an essential component in any audio system. Many tube preamps feature various tone controls, such as eq and tone shaping options, allowing users to tailor the sound to their preferences. Technically, the ne5532 preamp ic is a device capable. Preamplifier Tone Circuit.
     
    
         
        From enginediagramhanson.z13.web.core.windows.net 
                    Preamp Tone Control Circuit Diagram Preamplifier Tone Circuit  Technically, the ne5532 preamp ic is a device capable of converting electrical pulses into sound signals. Many tube preamps feature various tone controls, such as eq and tone shaping options, allowing users to tailor the sound to their preferences. Some notable characteristics include low distortion, high power output, and efficiency. This versatility can be particularly useful for audiophiles and music. Preamplifier Tone Circuit.
     
    
         
        From www.eleccircuit.com 
                    3 Low noise microphone preamplifier circuit using NE5532 LF356 Preamplifier Tone Circuit  Technically, the ne5532 preamp ic is a device capable of converting electrical pulses into sound signals. Some notable characteristics include low distortion, high power output, and efficiency. This versatility can be particularly useful for audiophiles and music producers who want to achieve a specific sound or sonic signature. So, let’s dive in and explore the magic behind these great audio. Preamplifier Tone Circuit.
     
    
         
        From circuitwiringkoran77.z21.web.core.windows.net 
                    Audio Pre Amplifier Circuit Preamplifier Tone Circuit  A hifi preamp circuit, also known as a preamplifier, is an essential component in any audio system. With tda1524a, this circuit is easy build and will drive most of power amplifier. Many tube preamps feature various tone controls, such as eq and tone shaping options, allowing users to tailor the sound to their preferences. This versatility can be particularly useful. Preamplifier Tone Circuit.
     
    
         
        From www.wiringdigital.com 
                    Stereo Preamp Circuit Diagram Wiring Digital and Schematic Preamplifier Tone Circuit  Many tube preamps feature various tone controls, such as eq and tone shaping options, allowing users to tailor the sound to their preferences. With tda1524a, this circuit is easy build and will drive most of power amplifier. Technically, the ne5532 preamp ic is a device capable of converting electrical pulses into sound signals. A hifi preamp circuit, also known as. Preamplifier Tone Circuit.
     
    
         
        From www.seekic.com 
                    MIXER_PREAMPLIFIER_WITH_TONE_CONTROL Amplifier_Circuit Circuit Preamplifier Tone Circuit  Technically, the ne5532 preamp ic is a device capable of converting electrical pulses into sound signals. So, let’s dive in and explore the magic behind these great audio amplifiers! In other words, they make up the basis of an audio amplifier. Some notable characteristics include low distortion, high power output, and efficiency. With tda1524a, this circuit is easy build and. Preamplifier Tone Circuit.
     
    
         
        From www.circuit-diagram.org 
                    Preamp Tone Circuit Circuits Circuit Diagram Preamplifier Tone Circuit  Some notable characteristics include low distortion, high power output, and efficiency. In other words, they make up the basis of an audio amplifier. Many tube preamps feature various tone controls, such as eq and tone shaping options, allowing users to tailor the sound to their preferences. So, let’s dive in and explore the magic behind these great audio amplifiers! With. Preamplifier Tone Circuit.
     
    
         
        From enginediagramhanson.z13.web.core.windows.net 
                    Preamp Tone Control Circuit Diagram Preamplifier Tone Circuit  In other words, they make up the basis of an audio amplifier. Some notable characteristics include low distortion, high power output, and efficiency. This versatility can be particularly useful for audiophiles and music producers who want to achieve a specific sound or sonic signature. A hifi preamp circuit, also known as a preamplifier, is an essential component in any audio. Preamplifier Tone Circuit.
     
    
         
        From mavink.com 
                    Tone Control Ic Preamplifier Tone Circuit  Some notable characteristics include low distortion, high power output, and efficiency. With tda1524a, this circuit is easy build and will drive most of power amplifier. So, let’s dive in and explore the magic behind these great audio amplifiers! Many tube preamps feature various tone controls, such as eq and tone shaping options, allowing users to tailor the sound to their. Preamplifier Tone Circuit.
     
    
         
        From irpsiea4schematic.z21.web.core.windows.net 
                    Ne5532 Preamplifier Circuit Diagram Preamplifier Tone Circuit  With tda1524a, this circuit is easy build and will drive most of power amplifier. Technically, the ne5532 preamp ic is a device capable of converting electrical pulses into sound signals. Many tube preamps feature various tone controls, such as eq and tone shaping options, allowing users to tailor the sound to their preferences. A hifi preamp circuit, also known as. Preamplifier Tone Circuit.
     
    
         
        From electronicsdesign-deni.blogspot.com 
                    Audio Preamplifier With Tone ControlElectronic DesignSchematic Preamplifier Tone Circuit  A hifi preamp circuit, also known as a preamplifier, is an essential component in any audio system. Technically, the ne5532 preamp ic is a device capable of converting electrical pulses into sound signals. This versatility can be particularly useful for audiophiles and music producers who want to achieve a specific sound or sonic signature. Many tube preamps feature various tone. Preamplifier Tone Circuit.
     
    
         
        From wrojh.blogspot.com 
                    Wiring Schematic Diagram Build a Tube Preamp for guitar with tone control Preamplifier Tone Circuit  A hifi preamp circuit, also known as a preamplifier, is an essential component in any audio system. With tda1524a, this circuit is easy build and will drive most of power amplifier. Technically, the ne5532 preamp ic is a device capable of converting electrical pulses into sound signals. Many tube preamps feature various tone controls, such as eq and tone shaping. Preamplifier Tone Circuit.
     
    
         
        From tr.pinterest.com 
                    Pre tone control stereo bass mid range treble NE5532 Diy Amplifier Preamplifier Tone Circuit  In other words, they make up the basis of an audio amplifier. Technically, the ne5532 preamp ic is a device capable of converting electrical pulses into sound signals. This versatility can be particularly useful for audiophiles and music producers who want to achieve a specific sound or sonic signature. Some notable characteristics include low distortion, high power output, and efficiency.. Preamplifier Tone Circuit.
     
    
         
        From www.eleccircuit.com 
                    5 Tone control (bass mid treble) circuits using NE5532, 4558, LF353 Preamplifier Tone Circuit  This versatility can be particularly useful for audiophiles and music producers who want to achieve a specific sound or sonic signature. So, let’s dive in and explore the magic behind these great audio amplifiers! A hifi preamp circuit, also known as a preamplifier, is an essential component in any audio system. In other words, they make up the basis of. Preamplifier Tone Circuit.
     
    
         
        From xtronic.org 
                    Circuit Preamplifier 2.1 Stereo Tone Control + Subwoofer Xtronic Preamplifier Tone Circuit  In other words, they make up the basis of an audio amplifier. Technically, the ne5532 preamp ic is a device capable of converting electrical pulses into sound signals. This versatility can be particularly useful for audiophiles and music producers who want to achieve a specific sound or sonic signature. A hifi preamp circuit, also known as a preamplifier, is an. Preamplifier Tone Circuit.
     
    
         
        From 320volt.com 
                    Stereo Tone Controlled 12V Amplifier Circuit with TDA2003 Electronics Preamplifier Tone Circuit  In other words, they make up the basis of an audio amplifier. So, let’s dive in and explore the magic behind these great audio amplifiers! Many tube preamps feature various tone controls, such as eq and tone shaping options, allowing users to tailor the sound to their preferences. Technically, the ne5532 preamp ic is a device capable of converting electrical. Preamplifier Tone Circuit.