Pipe Orthographic Drawing . Symbols are shown in black lines. Piping isometric drawing software is an essential tool for piping engineers and designers to create detailed isometric drawings of piping systems. Orthographic piping sketch symbols are standardized graphic representations used in orthographic drawings (2d representations) to. Discover the essentials of piping isometrics, including how they simplify complex piping systems for construction, maintenance, and documentation purposes. Orthographic drawings are views (front, side, top etc.) of an piping system, and in piping they are called piping arrangements. Mechanical symbols for isometric drawings. These tools generate the 3d representation. Pipe drawings differ from common blueprints one would see in the construction or welding field. Piping isometrics are generally produced from orthographic drawings and are important pieces of information to engineers. An orthographic view shows only one side, and therefore multiple. Lighter lines show connected pipe, and are not parts of the. Reading tips, symbols, and drawing techniques for engineers and piping professionals. The drawings we often see in these fields would be orthographic views which may include top, front, right side, left side, bottom, and back views depending on what is needed to convey information. Master piping isometrics with our comprehensive guide:
from www.autodesk.com
An orthographic view shows only one side, and therefore multiple. Orthographic drawings are views (front, side, top etc.) of an piping system, and in piping they are called piping arrangements. Symbols are shown in black lines. Lighter lines show connected pipe, and are not parts of the. Piping isometrics are generally produced from orthographic drawings and are important pieces of information to engineers. Master piping isometrics with our comprehensive guide: Orthographic piping sketch symbols are standardized graphic representations used in orthographic drawings (2d representations) to. Mechanical symbols for isometric drawings. These tools generate the 3d representation. The drawings we often see in these fields would be orthographic views which may include top, front, right side, left side, bottom, and back views depending on what is needed to convey information.
How to display small bore pipe as single line on orthographic drawings
Pipe Orthographic Drawing Symbols are shown in black lines. Piping isometrics are generally produced from orthographic drawings and are important pieces of information to engineers. Piping isometric drawing software is an essential tool for piping engineers and designers to create detailed isometric drawings of piping systems. Discover the essentials of piping isometrics, including how they simplify complex piping systems for construction, maintenance, and documentation purposes. These tools generate the 3d representation. Orthographic piping sketch symbols are standardized graphic representations used in orthographic drawings (2d representations) to. Pipe drawings differ from common blueprints one would see in the construction or welding field. The drawings we often see in these fields would be orthographic views which may include top, front, right side, left side, bottom, and back views depending on what is needed to convey information. Master piping isometrics with our comprehensive guide: Symbols are shown in black lines. Reading tips, symbols, and drawing techniques for engineers and piping professionals. Mechanical symbols for isometric drawings. An orthographic view shows only one side, and therefore multiple. Orthographic drawings are views (front, side, top etc.) of an piping system, and in piping they are called piping arrangements. Lighter lines show connected pipe, and are not parts of the.
From www.youtube.com
How to draw piping orthographic to isometric in Autocad For Autocad Pipe Orthographic Drawing Pipe drawings differ from common blueprints one would see in the construction or welding field. Master piping isometrics with our comprehensive guide: Mechanical symbols for isometric drawings. Piping isometric drawing software is an essential tool for piping engineers and designers to create detailed isometric drawings of piping systems. Reading tips, symbols, and drawing techniques for engineers and piping professionals. Symbols. Pipe Orthographic Drawing.
From openoregon.pressbooks.pub
Pipe Drawings Interpretation of Metal Fab Drawings Pipe Orthographic Drawing Discover the essentials of piping isometrics, including how they simplify complex piping systems for construction, maintenance, and documentation purposes. These tools generate the 3d representation. Piping isometrics are generally produced from orthographic drawings and are important pieces of information to engineers. Lighter lines show connected pipe, and are not parts of the. The drawings we often see in these fields. Pipe Orthographic Drawing.
From www.frankminnella.com
PIPING DRAWINGS Pipe Orthographic Drawing Reading tips, symbols, and drawing techniques for engineers and piping professionals. Orthographic drawings are views (front, side, top etc.) of an piping system, and in piping they are called piping arrangements. Symbols are shown in black lines. Master piping isometrics with our comprehensive guide: An orthographic view shows only one side, and therefore multiple. These tools generate the 3d representation.. Pipe Orthographic Drawing.
From www.wermac.org
Piping Coordination System Piping Arrangement Double and Single Pipe Orthographic Drawing Discover the essentials of piping isometrics, including how they simplify complex piping systems for construction, maintenance, and documentation purposes. Orthographic piping sketch symbols are standardized graphic representations used in orthographic drawings (2d representations) to. Master piping isometrics with our comprehensive guide: Piping isometrics are generally produced from orthographic drawings and are important pieces of information to engineers. Lighter lines show. Pipe Orthographic Drawing.
From www.youtube.com
How to read piping isometric drawing, Pipe fitter training, Watch the Pipe Orthographic Drawing Orthographic drawings are views (front, side, top etc.) of an piping system, and in piping they are called piping arrangements. Reading tips, symbols, and drawing techniques for engineers and piping professionals. An orthographic view shows only one side, and therefore multiple. Mechanical symbols for isometric drawings. The drawings we often see in these fields would be orthographic views which may. Pipe Orthographic Drawing.
From ideasadeba.weebly.com
Piping orthographic drawing symbols ideasadeba Pipe Orthographic Drawing These tools generate the 3d representation. The drawings we often see in these fields would be orthographic views which may include top, front, right side, left side, bottom, and back views depending on what is needed to convey information. Orthographic drawings are views (front, side, top etc.) of an piping system, and in piping they are called piping arrangements. Orthographic. Pipe Orthographic Drawing.
From drawspaces.com
Isometric Drawing Pipe Draw Spaces Pipe Orthographic Drawing Lighter lines show connected pipe, and are not parts of the. Master piping isometrics with our comprehensive guide: An orthographic view shows only one side, and therefore multiple. Orthographic drawings are views (front, side, top etc.) of an piping system, and in piping they are called piping arrangements. Discover the essentials of piping isometrics, including how they simplify complex piping. Pipe Orthographic Drawing.
From www.youtube.com
Piping Draw Isometric Drawing from Orthographic Drawing PART2 Pipe Orthographic Drawing Orthographic piping sketch symbols are standardized graphic representations used in orthographic drawings (2d representations) to. Symbols are shown in black lines. Piping isometric drawing software is an essential tool for piping engineers and designers to create detailed isometric drawings of piping systems. Lighter lines show connected pipe, and are not parts of the. Orthographic drawings are views (front, side, top. Pipe Orthographic Drawing.
From www.youtube.com
Pipe drawing tutorial, Isometric for beginners YouTube Pipe Orthographic Drawing Pipe drawings differ from common blueprints one would see in the construction or welding field. Piping isometrics are generally produced from orthographic drawings and are important pieces of information to engineers. Orthographic piping sketch symbols are standardized graphic representations used in orthographic drawings (2d representations) to. Mechanical symbols for isometric drawings. Orthographic drawings are views (front, side, top etc.) of. Pipe Orthographic Drawing.
From www.youtube.com
Pipe isometric drawings with Revit YouTube Pipe Orthographic Drawing Orthographic drawings are views (front, side, top etc.) of an piping system, and in piping they are called piping arrangements. Master piping isometrics with our comprehensive guide: An orthographic view shows only one side, and therefore multiple. Reading tips, symbols, and drawing techniques for engineers and piping professionals. Pipe drawings differ from common blueprints one would see in the construction. Pipe Orthographic Drawing.
From knowledge.autodesk.com
How to display pipe insulation on orthographic drawings in AutoCAD Pipe Orthographic Drawing These tools generate the 3d representation. An orthographic view shows only one side, and therefore multiple. Symbols are shown in black lines. Orthographic drawings are views (front, side, top etc.) of an piping system, and in piping they are called piping arrangements. Piping isometrics are generally produced from orthographic drawings and are important pieces of information to engineers. Reading tips,. Pipe Orthographic Drawing.
From www.whatispiping.com
Design Guidelines for PE & ROTO Lined Carbon Steel Piping What Is Piping Pipe Orthographic Drawing These tools generate the 3d representation. Orthographic drawings are views (front, side, top etc.) of an piping system, and in piping they are called piping arrangements. Discover the essentials of piping isometrics, including how they simplify complex piping systems for construction, maintenance, and documentation purposes. The drawings we often see in these fields would be orthographic views which may include. Pipe Orthographic Drawing.
From www.autodesk.com
How to display small bore pipe as single line on orthographic drawings Pipe Orthographic Drawing The drawings we often see in these fields would be orthographic views which may include top, front, right side, left side, bottom, and back views depending on what is needed to convey information. Piping isometrics are generally produced from orthographic drawings and are important pieces of information to engineers. Reading tips, symbols, and drawing techniques for engineers and piping professionals.. Pipe Orthographic Drawing.
From vertamil.weebly.com
Piping orthographic drawing symbols vertamil Pipe Orthographic Drawing Piping isometrics are generally produced from orthographic drawings and are important pieces of information to engineers. Discover the essentials of piping isometrics, including how they simplify complex piping systems for construction, maintenance, and documentation purposes. Pipe drawings differ from common blueprints one would see in the construction or welding field. Orthographic piping sketch symbols are standardized graphic representations used in. Pipe Orthographic Drawing.
From klowebcam.weebly.com
Sample isometric drawing for piping klowebcam Pipe Orthographic Drawing Orthographic piping sketch symbols are standardized graphic representations used in orthographic drawings (2d representations) to. The drawings we often see in these fields would be orthographic views which may include top, front, right side, left side, bottom, and back views depending on what is needed to convey information. An orthographic view shows only one side, and therefore multiple. Reading tips,. Pipe Orthographic Drawing.
From perdoor.weebly.com
Piping orthographic drawing symbols perdoor Pipe Orthographic Drawing Lighter lines show connected pipe, and are not parts of the. Piping isometrics are generally produced from orthographic drawings and are important pieces of information to engineers. Mechanical symbols for isometric drawings. Discover the essentials of piping isometrics, including how they simplify complex piping systems for construction, maintenance, and documentation purposes. Orthographic drawings are views (front, side, top etc.) of. Pipe Orthographic Drawing.
From slidetodoc.com
LECTURE 7 PIPING DRAFTING DRAWING Prepared by Nor Pipe Orthographic Drawing Discover the essentials of piping isometrics, including how they simplify complex piping systems for construction, maintenance, and documentation purposes. Piping isometric drawing software is an essential tool for piping engineers and designers to create detailed isometric drawings of piping systems. Mechanical symbols for isometric drawings. Master piping isometrics with our comprehensive guide: The drawings we often see in these fields. Pipe Orthographic Drawing.
From www.autodesk.com
How to display small bore pipe as single line on orthographic drawings Pipe Orthographic Drawing Piping isometrics are generally produced from orthographic drawings and are important pieces of information to engineers. An orthographic view shows only one side, and therefore multiple. Master piping isometrics with our comprehensive guide: These tools generate the 3d representation. Orthographic piping sketch symbols are standardized graphic representations used in orthographic drawings (2d representations) to. Lighter lines show connected pipe, and. Pipe Orthographic Drawing.
From www.autodesk.com
How to display pipe insulation on orthographic drawings in AutoCAD Plant 3D Pipe Orthographic Drawing These tools generate the 3d representation. Master piping isometrics with our comprehensive guide: Orthographic piping sketch symbols are standardized graphic representations used in orthographic drawings (2d representations) to. Piping isometrics are generally produced from orthographic drawings and are important pieces of information to engineers. Lighter lines show connected pipe, and are not parts of the. Piping isometric drawing software is. Pipe Orthographic Drawing.
From www.autodesk.com
How to display small bore pipe as single line on orthographic drawings Pipe Orthographic Drawing An orthographic view shows only one side, and therefore multiple. Orthographic piping sketch symbols are standardized graphic representations used in orthographic drawings (2d representations) to. Discover the essentials of piping isometrics, including how they simplify complex piping systems for construction, maintenance, and documentation purposes. The drawings we often see in these fields would be orthographic views which may include top,. Pipe Orthographic Drawing.
From www.youtube.com
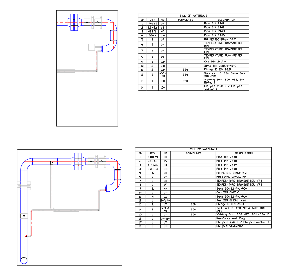
Drawing 2D Piping Elevation + Creating a Bill Of Materials (BOM) YouTube Pipe Orthographic Drawing Piping isometric drawing software is an essential tool for piping engineers and designers to create detailed isometric drawings of piping systems. Symbols are shown in black lines. Piping isometrics are generally produced from orthographic drawings and are important pieces of information to engineers. Lighter lines show connected pipe, and are not parts of the. Orthographic piping sketch symbols are standardized. Pipe Orthographic Drawing.
From help.autodesk.com
About Orthographic Drawings (Orthos) Pipe Orthographic Drawing Lighter lines show connected pipe, and are not parts of the. Discover the essentials of piping isometrics, including how they simplify complex piping systems for construction, maintenance, and documentation purposes. Mechanical symbols for isometric drawings. Master piping isometrics with our comprehensive guide: Pipe drawings differ from common blueprints one would see in the construction or welding field. Piping isometric drawing. Pipe Orthographic Drawing.
From www.youtube.com
Orthographic view of single line piping layout MECHANICAL_DRAWINGS Pipe Orthographic Drawing These tools generate the 3d representation. Mechanical symbols for isometric drawings. Piping isometrics are generally produced from orthographic drawings and are important pieces of information to engineers. Master piping isometrics with our comprehensive guide: Symbols are shown in black lines. Lighter lines show connected pipe, and are not parts of the. Pipe drawings differ from common blueprints one would see. Pipe Orthographic Drawing.
From fleetlio.weebly.com
How to read piping isometric drawing pdf fleetlio Pipe Orthographic Drawing These tools generate the 3d representation. Lighter lines show connected pipe, and are not parts of the. The drawings we often see in these fields would be orthographic views which may include top, front, right side, left side, bottom, and back views depending on what is needed to convey information. Piping isometric drawing software is an essential tool for piping. Pipe Orthographic Drawing.
From getdrawings.com
Pipe Drawing at GetDrawings Free download Pipe Orthographic Drawing Orthographic drawings are views (front, side, top etc.) of an piping system, and in piping they are called piping arrangements. Pipe drawings differ from common blueprints one would see in the construction or welding field. Orthographic piping sketch symbols are standardized graphic representations used in orthographic drawings (2d representations) to. Lighter lines show connected pipe, and are not parts of. Pipe Orthographic Drawing.
From gautiercamonect.blogspot.com
How to Draw Isometric Pipe Drawings in Autocad Gautier Camonect Pipe Orthographic Drawing Piping isometrics are generally produced from orthographic drawings and are important pieces of information to engineers. Master piping isometrics with our comprehensive guide: Mechanical symbols for isometric drawings. Reading tips, symbols, and drawing techniques for engineers and piping professionals. Orthographic piping sketch symbols are standardized graphic representations used in orthographic drawings (2d representations) to. Symbols are shown in black lines.. Pipe Orthographic Drawing.
From forums.autodesk.com
Solved orthographic drawing pipe support list Autodesk Community Pipe Orthographic Drawing An orthographic view shows only one side, and therefore multiple. The drawings we often see in these fields would be orthographic views which may include top, front, right side, left side, bottom, and back views depending on what is needed to convey information. Piping isometrics are generally produced from orthographic drawings and are important pieces of information to engineers. Discover. Pipe Orthographic Drawing.
From getdrawings.com
Isometric Pipe Drawing at GetDrawings Free download Pipe Orthographic Drawing These tools generate the 3d representation. Master piping isometrics with our comprehensive guide: Orthographic piping sketch symbols are standardized graphic representations used in orthographic drawings (2d representations) to. Orthographic drawings are views (front, side, top etc.) of an piping system, and in piping they are called piping arrangements. Reading tips, symbols, and drawing techniques for engineers and piping professionals. Lighter. Pipe Orthographic Drawing.
From www.researchgate.net
Isometric view of the main steam pipeline. Download Scientific Diagram Pipe Orthographic Drawing Orthographic drawings are views (front, side, top etc.) of an piping system, and in piping they are called piping arrangements. Symbols are shown in black lines. These tools generate the 3d representation. An orthographic view shows only one side, and therefore multiple. The drawings we often see in these fields would be orthographic views which may include top, front, right. Pipe Orthographic Drawing.
From getdrawings.com
Isometric Pipe Drawing at GetDrawings Free download Pipe Orthographic Drawing Symbols are shown in black lines. Lighter lines show connected pipe, and are not parts of the. Reading tips, symbols, and drawing techniques for engineers and piping professionals. Orthographic piping sketch symbols are standardized graphic representations used in orthographic drawings (2d representations) to. These tools generate the 3d representation. An orthographic view shows only one side, and therefore multiple. Orthographic. Pipe Orthographic Drawing.
From www.linkedin.com
How to create piping isometric drawings with SOLIDWORKS Pipe Orthographic Drawing The drawings we often see in these fields would be orthographic views which may include top, front, right side, left side, bottom, and back views depending on what is needed to convey information. Pipe drawings differ from common blueprints one would see in the construction or welding field. Mechanical symbols for isometric drawings. Reading tips, symbols, and drawing techniques for. Pipe Orthographic Drawing.
From www.onestopndt.com
What Is Pipeline Isometric Drawing OnestopNDT Pipe Orthographic Drawing Lighter lines show connected pipe, and are not parts of the. The drawings we often see in these fields would be orthographic views which may include top, front, right side, left side, bottom, and back views depending on what is needed to convey information. Symbols are shown in black lines. Piping isometric drawing software is an essential tool for piping. Pipe Orthographic Drawing.
From instrumentationtools.com
Piping and Instrumentation Documents Instrumentation Tools Pipe Orthographic Drawing Master piping isometrics with our comprehensive guide: The drawings we often see in these fields would be orthographic views which may include top, front, right side, left side, bottom, and back views depending on what is needed to convey information. Symbols are shown in black lines. Piping isometrics are generally produced from orthographic drawings and are important pieces of information. Pipe Orthographic Drawing.
From getdrawings.com
Isometric Pipe Drawing at GetDrawings Free download Pipe Orthographic Drawing An orthographic view shows only one side, and therefore multiple. Piping isometrics are generally produced from orthographic drawings and are important pieces of information to engineers. Master piping isometrics with our comprehensive guide: The drawings we often see in these fields would be orthographic views which may include top, front, right side, left side, bottom, and back views depending on. Pipe Orthographic Drawing.
From mungfali.com
Orthographic Piping Drawing Pipe Orthographic Drawing Lighter lines show connected pipe, and are not parts of the. These tools generate the 3d representation. Pipe drawings differ from common blueprints one would see in the construction or welding field. Orthographic drawings are views (front, side, top etc.) of an piping system, and in piping they are called piping arrangements. Master piping isometrics with our comprehensive guide: An. Pipe Orthographic Drawing.