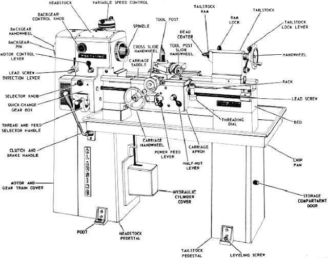
Types Of Lathe Machine Pdf . The main parts of centre lathe are: Lathe machine is also known as “centre lathe”, because it has two centres between which the job can be held and rotated. A lathe machine is a machine tool which is used to remove metals from a workpiece to give a desired shape and size. Types of lathe machine operations. • identify the most important parts of the lathe and their functions. • understand the lathe safety rules. The lathe machine operations are classified into three main categories and are as. After completing this unit, you should be able to: The lathe machines of various parts like headstock, tailstock, bed, tool post, carriage, etc., and the types of lathe machines include. A short but very handy guide shows you what is lathe machines and why they are so important, what are the types of them, and when you should use which one. A lathe machine is a machine tool which removes the undesired material from a rotating workpiece in.
from www.sherline.com
After completing this unit, you should be able to: A lathe machine is a machine tool which removes the undesired material from a rotating workpiece in. The lathe machines of various parts like headstock, tailstock, bed, tool post, carriage, etc., and the types of lathe machines include. Lathe machine is also known as “centre lathe”, because it has two centres between which the job can be held and rotated. • understand the lathe safety rules. A short but very handy guide shows you what is lathe machines and why they are so important, what are the types of them, and when you should use which one. The main parts of centre lathe are: • identify the most important parts of the lathe and their functions. The lathe machine operations are classified into three main categories and are as. Types of lathe machine operations.
Lathe Terminology Sherline Products
Types Of Lathe Machine Pdf Types of lathe machine operations. After completing this unit, you should be able to: The main parts of centre lathe are: Lathe machine is also known as “centre lathe”, because it has two centres between which the job can be held and rotated. A lathe machine is a machine tool which removes the undesired material from a rotating workpiece in. A short but very handy guide shows you what is lathe machines and why they are so important, what are the types of them, and when you should use which one. Types of lathe machine operations. The lathe machines of various parts like headstock, tailstock, bed, tool post, carriage, etc., and the types of lathe machines include. • understand the lathe safety rules. • identify the most important parts of the lathe and their functions. A lathe machine is a machine tool which is used to remove metals from a workpiece to give a desired shape and size. The lathe machine operations are classified into three main categories and are as.
From blog.thepipingmart.com
6 Types of Lathe Machines and Their Uses Types Of Lathe Machine Pdf The main parts of centre lathe are: A short but very handy guide shows you what is lathe machines and why they are so important, what are the types of them, and when you should use which one. • identify the most important parts of the lathe and their functions. A lathe machine is a machine tool which is used. Types Of Lathe Machine Pdf.
From www.mechanicalbooster.com
Types of Lathe Machine Mother of all Machines Mechanical Booster Types Of Lathe Machine Pdf Types of lathe machine operations. A lathe machine is a machine tool which removes the undesired material from a rotating workpiece in. • identify the most important parts of the lathe and their functions. The main parts of centre lathe are: A short but very handy guide shows you what is lathe machines and why they are so important, what. Types Of Lathe Machine Pdf.
From www.sherline.com
Lathe Terminology Sherline Products Types Of Lathe Machine Pdf A short but very handy guide shows you what is lathe machines and why they are so important, what are the types of them, and when you should use which one. Types of lathe machine operations. The lathe machines of various parts like headstock, tailstock, bed, tool post, carriage, etc., and the types of lathe machines include. After completing this. Types Of Lathe Machine Pdf.
From schematicellsparser.z21.web.core.windows.net
Lathe Machine Diagram Pdf Types Of Lathe Machine Pdf The lathe machine operations are classified into three main categories and are as. • understand the lathe safety rules. Types of lathe machine operations. The main parts of centre lathe are: The lathe machines of various parts like headstock, tailstock, bed, tool post, carriage, etc., and the types of lathe machines include. After completing this unit, you should be able. Types Of Lathe Machine Pdf.
From www.engineeringtribe.com
what is swiss type automatic lathe machine? (Pdf) EngineeringTribe Types Of Lathe Machine Pdf The lathe machines of various parts like headstock, tailstock, bed, tool post, carriage, etc., and the types of lathe machines include. After completing this unit, you should be able to: The main parts of centre lathe are: A short but very handy guide shows you what is lathe machines and why they are so important, what are the types of. Types Of Lathe Machine Pdf.
From engineeringlearn.com
14 Types of Lathe Cutting Tools and Their Uses Guide Types Of Lathe Machine Pdf Lathe machine is also known as “centre lathe”, because it has two centres between which the job can be held and rotated. A lathe machine is a machine tool which is used to remove metals from a workpiece to give a desired shape and size. • identify the most important parts of the lathe and their functions. A short but. Types Of Lathe Machine Pdf.
From ar.inspiredpencil.com
Lathe Machine Cutting Tools Types Types Of Lathe Machine Pdf • identify the most important parts of the lathe and their functions. After completing this unit, you should be able to: A lathe machine is a machine tool which removes the undesired material from a rotating workpiece in. A lathe machine is a machine tool which is used to remove metals from a workpiece to give a desired shape and. Types Of Lathe Machine Pdf.
From learnmech.com
Lathe Machine Definition, Types, parts, Specifications Types Of Lathe Machine Pdf A lathe machine is a machine tool which is used to remove metals from a workpiece to give a desired shape and size. • identify the most important parts of the lathe and their functions. • understand the lathe safety rules. Types of lathe machine operations. A short but very handy guide shows you what is lathe machines and why. Types Of Lathe Machine Pdf.
From www.engineeringclicks.com
Lathe Machine Parts A Quick Guide EngineeringClicks Types Of Lathe Machine Pdf After completing this unit, you should be able to: • identify the most important parts of the lathe and their functions. A lathe machine is a machine tool which removes the undesired material from a rotating workpiece in. A lathe machine is a machine tool which is used to remove metals from a workpiece to give a desired shape and. Types Of Lathe Machine Pdf.
From themechanicalengineering.com
Lathe Machine Definition, Parts, Types, Operation, Specification Types Of Lathe Machine Pdf After completing this unit, you should be able to: The lathe machine operations are classified into three main categories and are as. A lathe machine is a machine tool which removes the undesired material from a rotating workpiece in. A lathe machine is a machine tool which is used to remove metals from a workpiece to give a desired shape. Types Of Lathe Machine Pdf.
From www.aiophotoz.com
Labeled Diagram Of Lathe Machine All About Lathe Machine Images and Types Of Lathe Machine Pdf Lathe machine is also known as “centre lathe”, because it has two centres between which the job can be held and rotated. The main parts of centre lathe are: The lathe machine operations are classified into three main categories and are as. The lathe machines of various parts like headstock, tailstock, bed, tool post, carriage, etc., and the types of. Types Of Lathe Machine Pdf.
From www.scribd.com
Lathe Machine PDF Types Of Lathe Machine Pdf Lathe machine is also known as “centre lathe”, because it has two centres between which the job can be held and rotated. A lathe machine is a machine tool which is used to remove metals from a workpiece to give a desired shape and size. The lathe machines of various parts like headstock, tailstock, bed, tool post, carriage, etc., and. Types Of Lathe Machine Pdf.
From in.pinterest.com
Types of Lathe Machines & Their Uses Guide] PDF Lathe Types Of Lathe Machine Pdf • understand the lathe safety rules. A short but very handy guide shows you what is lathe machines and why they are so important, what are the types of them, and when you should use which one. The main parts of centre lathe are: After completing this unit, you should be able to: Types of lathe machine operations. A lathe. Types Of Lathe Machine Pdf.
From www.scribd.com
14 Different Types of Lathe Cutting Tools PDF Metalworking Machining Types Of Lathe Machine Pdf The lathe machine operations are classified into three main categories and are as. The main parts of centre lathe are: A lathe machine is a machine tool which removes the undesired material from a rotating workpiece in. A short but very handy guide shows you what is lathe machines and why they are so important, what are the types of. Types Of Lathe Machine Pdf.
From www.theengineerspost.com
Types of Lathe Machines & Their Uses Guide] PDF Types Of Lathe Machine Pdf A short but very handy guide shows you what is lathe machines and why they are so important, what are the types of them, and when you should use which one. A lathe machine is a machine tool which removes the undesired material from a rotating workpiece in. The lathe machine operations are classified into three main categories and are. Types Of Lathe Machine Pdf.
From www.hkdivedi.com
Different parts of lathe machine and their functions ENGINEERING Types Of Lathe Machine Pdf Types of lathe machine operations. A short but very handy guide shows you what is lathe machines and why they are so important, what are the types of them, and when you should use which one. The lathe machines of various parts like headstock, tailstock, bed, tool post, carriage, etc., and the types of lathe machines include. A lathe machine. Types Of Lathe Machine Pdf.
From engineeringlearn.com
What is Lathe Machine? Types of Lathe Machine & Their Uses Types Of Lathe Machine Pdf The lathe machines of various parts like headstock, tailstock, bed, tool post, carriage, etc., and the types of lathe machines include. • understand the lathe safety rules. The lathe machine operations are classified into three main categories and are as. A lathe machine is a machine tool which removes the undesired material from a rotating workpiece in. The main parts. Types Of Lathe Machine Pdf.
From mechanicalgalaxy.blogspot.com
Mechanical Engineering Detailed part identification and terminology of Types Of Lathe Machine Pdf A short but very handy guide shows you what is lathe machines and why they are so important, what are the types of them, and when you should use which one. A lathe machine is a machine tool which is used to remove metals from a workpiece to give a desired shape and size. • identify the most important parts. Types Of Lathe Machine Pdf.
From in.pinterest.com
Lathe Machine Parts, Machine Tools, Lathe Operations, Turret Lathe Types Of Lathe Machine Pdf The main parts of centre lathe are: A short but very handy guide shows you what is lathe machines and why they are so important, what are the types of them, and when you should use which one. The lathe machines of various parts like headstock, tailstock, bed, tool post, carriage, etc., and the types of lathe machines include. Types. Types Of Lathe Machine Pdf.
From mungfali.com
Manual Lathe Diagram Types Of Lathe Machine Pdf The lathe machines of various parts like headstock, tailstock, bed, tool post, carriage, etc., and the types of lathe machines include. A short but very handy guide shows you what is lathe machines and why they are so important, what are the types of them, and when you should use which one. Lathe machine is also known as “centre lathe”,. Types Of Lathe Machine Pdf.
From atelier-yuwa.ciao.jp
Lathe Machine Definition, Parts, Types, Operation, Specification Types Of Lathe Machine Pdf A short but very handy guide shows you what is lathe machines and why they are so important, what are the types of them, and when you should use which one. The main parts of centre lathe are: • identify the most important parts of the lathe and their functions. The lathe machine operations are classified into three main categories. Types Of Lathe Machine Pdf.
From www.theengineerspost.com
Types of Lathe Machines & Their Uses Guide] PDF Types Of Lathe Machine Pdf Types of lathe machine operations. After completing this unit, you should be able to: The main parts of centre lathe are: • identify the most important parts of the lathe and their functions. The lathe machine operations are classified into three main categories and are as. A short but very handy guide shows you what is lathe machines and why. Types Of Lathe Machine Pdf.
From www.theengineerspost.com
22 Different Types of Lathe Machine Operations Images & PDF Types Of Lathe Machine Pdf The lathe machine operations are classified into three main categories and are as. A short but very handy guide shows you what is lathe machines and why they are so important, what are the types of them, and when you should use which one. After completing this unit, you should be able to: The lathe machines of various parts like. Types Of Lathe Machine Pdf.
From themechanicalengineering.com
Lathe Machine Definition, Parts, Types, Operation, Specification Types Of Lathe Machine Pdf Types of lathe machine operations. The lathe machine operations are classified into three main categories and are as. After completing this unit, you should be able to: • identify the most important parts of the lathe and their functions. The main parts of centre lathe are: A short but very handy guide shows you what is lathe machines and why. Types Of Lathe Machine Pdf.
From sayyamfirst.blogspot.com
Types of Lathe Machine and intro studycity Types Of Lathe Machine Pdf The main parts of centre lathe are: • identify the most important parts of the lathe and their functions. Types of lathe machine operations. The lathe machine operations are classified into three main categories and are as. • understand the lathe safety rules. A lathe machine is a machine tool which is used to remove metals from a workpiece to. Types Of Lathe Machine Pdf.
From theencarta.com
Lathe Machine All Parts and Functions with Diagrams and Uses Types Of Lathe Machine Pdf Types of lathe machine operations. A lathe machine is a machine tool which removes the undesired material from a rotating workpiece in. • identify the most important parts of the lathe and their functions. • understand the lathe safety rules. The main parts of centre lathe are: After completing this unit, you should be able to: The lathe machines of. Types Of Lathe Machine Pdf.
From dizz.com
Lathe Machine (PDF) Definition, Parts, Types, Operations & Specifications Types Of Lathe Machine Pdf A short but very handy guide shows you what is lathe machines and why they are so important, what are the types of them, and when you should use which one. • identify the most important parts of the lathe and their functions. Types of lathe machine operations. The lathe machines of various parts like headstock, tailstock, bed, tool post,. Types Of Lathe Machine Pdf.
From www.semanticscholar.org
[PDF] DRILLING BY TAILSTOCK MECHANISM OF CONVENTIONAL LATHE MACHINE Types Of Lathe Machine Pdf A lathe machine is a machine tool which removes the undesired material from a rotating workpiece in. After completing this unit, you should be able to: The main parts of centre lathe are: Lathe machine is also known as “centre lathe”, because it has two centres between which the job can be held and rotated. A short but very handy. Types Of Lathe Machine Pdf.
From www.researchgate.net
(PDF) . LATHE MACHINE AND IT'S MECHANISM 1.1. INTRODUNCTION Types Of Lathe Machine Pdf The lathe machine operations are classified into three main categories and are as. • understand the lathe safety rules. • identify the most important parts of the lathe and their functions. A lathe machine is a machine tool which removes the undesired material from a rotating workpiece in. The lathe machines of various parts like headstock, tailstock, bed, tool post,. Types Of Lathe Machine Pdf.
From www.youtube.com
Lathe Machine Definition, Parts, Types & Operations YouTube Types Of Lathe Machine Pdf Types of lathe machine operations. • understand the lathe safety rules. The lathe machine operations are classified into three main categories and are as. A lathe machine is a machine tool which removes the undesired material from a rotating workpiece in. The main parts of centre lathe are: Lathe machine is also known as “centre lathe”, because it has two. Types Of Lathe Machine Pdf.
From www.theengineerspost.com
Types of Lathe Machines & Their Uses Guide] PDF Types Of Lathe Machine Pdf A lathe machine is a machine tool which removes the undesired material from a rotating workpiece in. A lathe machine is a machine tool which is used to remove metals from a workpiece to give a desired shape and size. The main parts of centre lathe are: After completing this unit, you should be able to: Types of lathe machine. Types Of Lathe Machine Pdf.
From mechanicalnotes.com
Capstan & Turret Lathe Introduction,Working,Advantage,Difference Types Of Lathe Machine Pdf • identify the most important parts of the lathe and their functions. After completing this unit, you should be able to: A lathe machine is a machine tool which is used to remove metals from a workpiece to give a desired shape and size. • understand the lathe safety rules. A short but very handy guide shows you what is. Types Of Lathe Machine Pdf.
From www.aiophotoz.com
Lathe Machine And Its Types Pdf All About Lathe Machine Images and Types Of Lathe Machine Pdf A lathe machine is a machine tool which is used to remove metals from a workpiece to give a desired shape and size. • understand the lathe safety rules. • identify the most important parts of the lathe and their functions. After completing this unit, you should be able to: Types of lathe machine operations. The main parts of centre. Types Of Lathe Machine Pdf.
From machinetools.bhavyamachinetools.com
A History of Lathe Machine Types Of Lathe Machine Pdf The lathe machines of various parts like headstock, tailstock, bed, tool post, carriage, etc., and the types of lathe machines include. A lathe machine is a machine tool which removes the undesired material from a rotating workpiece in. Lathe machine is also known as “centre lathe”, because it has two centres between which the job can be held and rotated.. Types Of Lathe Machine Pdf.
From www.reddit.com
Parts of a Lathe r/educationalgifs Types Of Lathe Machine Pdf • identify the most important parts of the lathe and their functions. The lathe machine operations are classified into three main categories and are as. A lathe machine is a machine tool which removes the undesired material from a rotating workpiece in. The lathe machines of various parts like headstock, tailstock, bed, tool post, carriage, etc., and the types of. Types Of Lathe Machine Pdf.