What Is Top Hat Rail . This rail earns its name top hat thanks to a distinctive shape with a wider top portion and a. din 15mm x 5.5mm top hat rail (en 50022): there are three standard din rail configurations, with the most widely used by far being the 35 millimeter (mm) wide iec/en 60715 version, commonly called the “top hat” rail profile (figure 2). The most common type, it’s 35mm wide and shaped like a top hat. top hat sections are broadly considered the industry standard in din rail terms, and are the type you’ll likely find. top hat rail (type en 50022): also known as ts35, the top hat din rails are the most common, most readily available, and most versatile rails according to the din industry standards. It is also called the ts35 rail in the united states, although the din name is used more often.
from www.yesss.co.uk
also known as ts35, the top hat din rails are the most common, most readily available, and most versatile rails according to the din industry standards. din 15mm x 5.5mm top hat rail (en 50022): top hat rail (type en 50022): there are three standard din rail configurations, with the most widely used by far being the 35 millimeter (mm) wide iec/en 60715 version, commonly called the “top hat” rail profile (figure 2). top hat sections are broadly considered the industry standard in din rail terms, and are the type you’ll likely find. This rail earns its name top hat thanks to a distinctive shape with a wider top portion and a. It is also called the ts35 rail in the united states, although the din name is used more often. The most common type, it’s 35mm wide and shaped like a top hat.
2M Top Hat Slotted DIN Rail [Pack of 10]
What Is Top Hat Rail top hat sections are broadly considered the industry standard in din rail terms, and are the type you’ll likely find. top hat rail (type en 50022): This rail earns its name top hat thanks to a distinctive shape with a wider top portion and a. top hat sections are broadly considered the industry standard in din rail terms, and are the type you’ll likely find. The most common type, it’s 35mm wide and shaped like a top hat. din 15mm x 5.5mm top hat rail (en 50022): It is also called the ts35 rail in the united states, although the din name is used more often. also known as ts35, the top hat din rails are the most common, most readily available, and most versatile rails according to the din industry standards. there are three standard din rail configurations, with the most widely used by far being the 35 millimeter (mm) wide iec/en 60715 version, commonly called the “top hat” rail profile (figure 2).
From www.yesss.co.uk
2M Top Hat Slotted DIN Rail [Pack of 10] What Is Top Hat Rail The most common type, it’s 35mm wide and shaped like a top hat. top hat rail (type en 50022): top hat sections are broadly considered the industry standard in din rail terms, and are the type you’ll likely find. there are three standard din rail configurations, with the most widely used by far being the 35 millimeter. What Is Top Hat Rail.
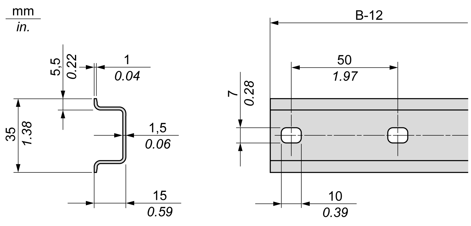
From www.electricautomationnetwork.com
PKZM0XC45 283132 Y7283132 EATON ELECTRIC Tophat rail ad.. What Is Top Hat Rail din 15mm x 5.5mm top hat rail (en 50022): This rail earns its name top hat thanks to a distinctive shape with a wider top portion and a. also known as ts35, the top hat din rails are the most common, most readily available, and most versatile rails according to the din industry standards. top hat sections. What Is Top Hat Rail.
From www.ourtownfencing.com.au
Top Hat Rail What Is Top Hat Rail It is also called the ts35 rail in the united states, although the din name is used more often. top hat sections are broadly considered the industry standard in din rail terms, and are the type you’ll likely find. The most common type, it’s 35mm wide and shaped like a top hat. din 15mm x 5.5mm top hat. What Is Top Hat Rail.
From www.bpx.co.uk
0498000000 WEIDMULLER TS35 X 15 DEEP TOP HAT RAIL BPX What Is Top Hat Rail also known as ts35, the top hat din rails are the most common, most readily available, and most versatile rails according to the din industry standards. there are three standard din rail configurations, with the most widely used by far being the 35 millimeter (mm) wide iec/en 60715 version, commonly called the “top hat” rail profile (figure 2).. What Is Top Hat Rail.
From www.easygatesdirect.co.uk
35mm Slotted Top Hat Din Rails, 2meters TS35 What Is Top Hat Rail top hat rail (type en 50022): The most common type, it’s 35mm wide and shaped like a top hat. top hat sections are broadly considered the industry standard in din rail terms, and are the type you’ll likely find. there are three standard din rail configurations, with the most widely used by far being the 35 millimeter. What Is Top Hat Rail.
From www.buildbase.co.uk
Europa STBDR2M 35mm Slotted Top Hat Rail 2M Electricbase What Is Top Hat Rail there are three standard din rail configurations, with the most widely used by far being the 35 millimeter (mm) wide iec/en 60715 version, commonly called the “top hat” rail profile (figure 2). top hat rail (type en 50022): top hat sections are broadly considered the industry standard in din rail terms, and are the type you’ll likely. What Is Top Hat Rail.
From steelandtube.co.nz
HST Purlins & Top Hats steel&tube What Is Top Hat Rail there are three standard din rail configurations, with the most widely used by far being the 35 millimeter (mm) wide iec/en 60715 version, commonly called the “top hat” rail profile (figure 2). It is also called the ts35 rail in the united states, although the din name is used more often. top hat rail (type en 50022): This. What Is Top Hat Rail.
From www.tklink.co.uk
TS35 x 2m Plain DIN Top Hat Rail G Rail · Tracklink What Is Top Hat Rail It is also called the ts35 rail in the united states, although the din name is used more often. also known as ts35, the top hat din rails are the most common, most readily available, and most versatile rails according to the din industry standards. This rail earns its name top hat thanks to a distinctive shape with a. What Is Top Hat Rail.
From product-help.schneider-electric.com
Top Hat Section Rail (DIN rail) What Is Top Hat Rail This rail earns its name top hat thanks to a distinctive shape with a wider top portion and a. It is also called the ts35 rail in the united states, although the din name is used more often. The most common type, it’s 35mm wide and shaped like a top hat. top hat sections are broadly considered the industry. What Is Top Hat Rail.
From www.newegg.com
ADJDINKIT Adjustable Rackmount DIN Rail Kit with Top Hat What Is Top Hat Rail top hat rail (type en 50022): there are three standard din rail configurations, with the most widely used by far being the 35 millimeter (mm) wide iec/en 60715 version, commonly called the “top hat” rail profile (figure 2). This rail earns its name top hat thanks to a distinctive shape with a wider top portion and a. . What Is Top Hat Rail.
From www.printables.com
DIN Rail top hat rail IEC/EN 60715 35 × 7.5 by kaje Download free What Is Top Hat Rail also known as ts35, the top hat din rails are the most common, most readily available, and most versatile rails according to the din industry standards. top hat sections are broadly considered the industry standard in din rail terms, and are the type you’ll likely find. top hat rail (type en 50022): The most common type, it’s. What Is Top Hat Rail.
From uk.rs-online.com
RS PRO Unperforated DIN Rail, Top Hat Compatible, 227mm x 35mm x 7.5mm RS What Is Top Hat Rail The most common type, it’s 35mm wide and shaped like a top hat. there are three standard din rail configurations, with the most widely used by far being the 35 millimeter (mm) wide iec/en 60715 version, commonly called the “top hat” rail profile (figure 2). This rail earns its name top hat thanks to a distinctive shape with a. What Is Top Hat Rail.
From www.distrelec.biz
0807012 Phoenix Contact Top Hat Rail 35x7.5mm Steel 1m Distrelec What Is Top Hat Rail top hat sections are broadly considered the industry standard in din rail terms, and are the type you’ll likely find. din 15mm x 5.5mm top hat rail (en 50022): also known as ts35, the top hat din rails are the most common, most readily available, and most versatile rails according to the din industry standards. This rail. What Is Top Hat Rail.
From product-help.schneider-electric.com
Top Hat Section Rail (DIN rail) What Is Top Hat Rail It is also called the ts35 rail in the united states, although the din name is used more often. din 15mm x 5.5mm top hat rail (en 50022): top hat rail (type en 50022): also known as ts35, the top hat din rails are the most common, most readily available, and most versatile rails according to the. What Is Top Hat Rail.
From product-help.schneider-electric.com
Top Hat Section Rail (DIN rail) What Is Top Hat Rail top hat sections are broadly considered the industry standard in din rail terms, and are the type you’ll likely find. din 15mm x 5.5mm top hat rail (en 50022): This rail earns its name top hat thanks to a distinctive shape with a wider top portion and a. there are three standard din rail configurations, with the. What Is Top Hat Rail.
From www.alibaba.com
Clod Rolled Top Hat Din Rail Small Steel Mounting Rail G Type Rails What Is Top Hat Rail top hat rail (type en 50022): there are three standard din rail configurations, with the most widely used by far being the 35 millimeter (mm) wide iec/en 60715 version, commonly called the “top hat” rail profile (figure 2). din 15mm x 5.5mm top hat rail (en 50022): top hat sections are broadly considered the industry standard. What Is Top Hat Rail.
From altelix.com
35mm Top Hat DIN Rail Kit for NS161208DIN Enclosure Altelix What Is Top Hat Rail also known as ts35, the top hat din rails are the most common, most readily available, and most versatile rails according to the din industry standards. This rail earns its name top hat thanks to a distinctive shape with a wider top portion and a. din 15mm x 5.5mm top hat rail (en 50022): The most common type,. What Is Top Hat Rail.
From tripplite.eaton.com
DIN Rail Kit, Adustable, Top Hat, Mini Top Hat, GStyle Rails Eaton What Is Top Hat Rail It is also called the ts35 rail in the united states, although the din name is used more often. din 15mm x 5.5mm top hat rail (en 50022): top hat rail (type en 50022): there are three standard din rail configurations, with the most widely used by far being the 35 millimeter (mm) wide iec/en 60715 version,. What Is Top Hat Rail.
From www.elevatorequipment.co.uk
Slotted Top Hat Din Rail 35 x 7.5mm 2 Metres Elevator Equipment What Is Top Hat Rail This rail earns its name top hat thanks to a distinctive shape with a wider top portion and a. It is also called the ts35 rail in the united states, although the din name is used more often. top hat sections are broadly considered the industry standard in din rail terms, and are the type you’ll likely find. . What Is Top Hat Rail.
From www.electricaldirect.co.uk
Top Hat DIN Rail 2000mm ElectricalDirect What Is Top Hat Rail din 15mm x 5.5mm top hat rail (en 50022): there are three standard din rail configurations, with the most widely used by far being the 35 millimeter (mm) wide iec/en 60715 version, commonly called the “top hat” rail profile (figure 2). also known as ts35, the top hat din rails are the most common, most readily available,. What Is Top Hat Rail.
From en.elektrotools.de
Schneider Electric DIN rail (top hat rail) [NSYDPR200] elektrotools.de What Is Top Hat Rail This rail earns its name top hat thanks to a distinctive shape with a wider top portion and a. there are three standard din rail configurations, with the most widely used by far being the 35 millimeter (mm) wide iec/en 60715 version, commonly called the “top hat” rail profile (figure 2). top hat rail (type en 50022): The. What Is Top Hat Rail.
From www.comms-express.com
19 Inch 3U Recess Panel with DIN Mount Top Hat Rail Comms Express What Is Top Hat Rail It is also called the ts35 rail in the united states, although the din name is used more often. din 15mm x 5.5mm top hat rail (en 50022): The most common type, it’s 35mm wide and shaped like a top hat. also known as ts35, the top hat din rails are the most common, most readily available, and. What Is Top Hat Rail.
From terminalblock.en.taiwantrade.com
TA001S Top Hat Rail TS35 EN 50022 35mm Steel DIN Rail SHINING E&E What Is Top Hat Rail also known as ts35, the top hat din rails are the most common, most readily available, and most versatile rails according to the din industry standards. The most common type, it’s 35mm wide and shaped like a top hat. top hat sections are broadly considered the industry standard in din rail terms, and are the type you’ll likely. What Is Top Hat Rail.
From www.electricautomationnetwork.com
CE31F110IVS 112941 EATON ELECTRIC Tophat rail mounting.. What Is Top Hat Rail top hat rail (type en 50022): top hat sections are broadly considered the industry standard in din rail terms, and are the type you’ll likely find. It is also called the ts35 rail in the united states, although the din name is used more often. This rail earns its name top hat thanks to a distinctive shape with. What Is Top Hat Rail.
From www.cef.co.uk
Wieland Top Hat DIN Rail Slotted [2m Length] (TS35S) CEF What Is Top Hat Rail also known as ts35, the top hat din rails are the most common, most readily available, and most versatile rails according to the din industry standards. It is also called the ts35 rail in the united states, although the din name is used more often. The most common type, it’s 35mm wide and shaped like a top hat. . What Is Top Hat Rail.
From www.westburne.ca
ROCKWELL AUTOMATION 141AAHR45 141AAHR45 TOP HAT RAIL Westburne What Is Top Hat Rail The most common type, it’s 35mm wide and shaped like a top hat. top hat rail (type en 50022): din 15mm x 5.5mm top hat rail (en 50022): top hat sections are broadly considered the industry standard in din rail terms, and are the type you’ll likely find. It is also called the ts35 rail in the. What Is Top Hat Rail.
From www.klibo.com
Top hat rail housings What Is Top Hat Rail top hat rail (type en 50022): The most common type, it’s 35mm wide and shaped like a top hat. top hat sections are broadly considered the industry standard in din rail terms, and are the type you’ll likely find. din 15mm x 5.5mm top hat rail (en 50022): there are three standard din rail configurations, with. What Is Top Hat Rail.
From www.pinterest.co.uk
Types Of Top Hats Top hat, Steampunk top hat, Types of hats What Is Top Hat Rail top hat rail (type en 50022): It is also called the ts35 rail in the united states, although the din name is used more often. top hat sections are broadly considered the industry standard in din rail terms, and are the type you’ll likely find. This rail earns its name top hat thanks to a distinctive shape with. What Is Top Hat Rail.
From jharries.co.uk
Europa Slotted Top Hat Din Rail 2mtr J Harries Ltd What Is Top Hat Rail top hat rail (type en 50022): top hat sections are broadly considered the industry standard in din rail terms, and are the type you’ll likely find. also known as ts35, the top hat din rails are the most common, most readily available, and most versatile rails according to the din industry standards. This rail earns its name. What Is Top Hat Rail.
From www.klibo.com
Top hat rail housings What Is Top Hat Rail top hat rail (type en 50022): This rail earns its name top hat thanks to a distinctive shape with a wider top portion and a. also known as ts35, the top hat din rails are the most common, most readily available, and most versatile rails according to the din industry standards. top hat sections are broadly considered. What Is Top Hat Rail.
From tripplite.eaton.com
DIN Rail Kit, Adustable, Top Hat, Mini Top Hat, GStyle Rails Eaton What Is Top Hat Rail top hat rail (type en 50022): there are three standard din rail configurations, with the most widely used by far being the 35 millimeter (mm) wide iec/en 60715 version, commonly called the “top hat” rail profile (figure 2). It is also called the ts35 rail in the united states, although the din name is used more often. This. What Is Top Hat Rail.
From www.cef.co.uk
Wieland Miniature Top Hat DIN Rail Slotted [2m Length] (TS15P) CEF What Is Top Hat Rail top hat rail (type en 50022): din 15mm x 5.5mm top hat rail (en 50022): also known as ts35, the top hat din rails are the most common, most readily available, and most versatile rails according to the din industry standards. top hat sections are broadly considered the industry standard in din rail terms, and are. What Is Top Hat Rail.
From altelix.com
35mm Top Hat DIN Rail Kit for NS121006DIN Enclosure Altelix What Is Top Hat Rail It is also called the ts35 rail in the united states, although the din name is used more often. din 15mm x 5.5mm top hat rail (en 50022): there are three standard din rail configurations, with the most widely used by far being the 35 millimeter (mm) wide iec/en 60715 version, commonly called the “top hat” rail profile. What Is Top Hat Rail.
From product-help.schneider-electric.com
Top Hat Section Rail (DIN rail) What Is Top Hat Rail top hat rail (type en 50022): This rail earns its name top hat thanks to a distinctive shape with a wider top portion and a. din 15mm x 5.5mm top hat rail (en 50022): The most common type, it’s 35mm wide and shaped like a top hat. It is also called the ts35 rail in the united states,. What Is Top Hat Rail.
From www.hafele.co.uk
Top Hat Rail, Length 2000 mm, Steel Häfele U.K. Shop What Is Top Hat Rail This rail earns its name top hat thanks to a distinctive shape with a wider top portion and a. The most common type, it’s 35mm wide and shaped like a top hat. top hat rail (type en 50022): top hat sections are broadly considered the industry standard in din rail terms, and are the type you’ll likely find.. What Is Top Hat Rail.