Esp8266 Ac Dimmer Code . In this tutorial you are going to learn how to build your own light switch and fan dimmer in just one board. It has the power to handle more than 1200 watts and it is a project that can be used for home automation given the wifi functionality present in the microcontroller. arduino library to manage dimmers compatible with avr, esp8266, esp32, samd, and rp2040 platforms. light switch + fan dimmer in one board with esp8266: the ac_dimmer component allows you to connect a dimmable light or other load which supports phase control dimming to your esphome project. the robotdyn ac light dimmer module is a device that allows you to control the brightness of ac lights using a.
from www.espthings.io
In this tutorial you are going to learn how to build your own light switch and fan dimmer in just one board. It has the power to handle more than 1200 watts and it is a project that can be used for home automation given the wifi functionality present in the microcontroller. arduino library to manage dimmers compatible with avr, esp8266, esp32, samd, and rp2040 platforms. the ac_dimmer component allows you to connect a dimmable light or other load which supports phase control dimming to your esphome project. light switch + fan dimmer in one board with esp8266: the robotdyn ac light dimmer module is a device that allows you to control the brightness of ac lights using a.
IoT AC dimmer for ESP8266 D1 Mini espthings.io
Esp8266 Ac Dimmer Code arduino library to manage dimmers compatible with avr, esp8266, esp32, samd, and rp2040 platforms. light switch + fan dimmer in one board with esp8266: It has the power to handle more than 1200 watts and it is a project that can be used for home automation given the wifi functionality present in the microcontroller. the ac_dimmer component allows you to connect a dimmable light or other load which supports phase control dimming to your esphome project. arduino library to manage dimmers compatible with avr, esp8266, esp32, samd, and rp2040 platforms. the robotdyn ac light dimmer module is a device that allows you to control the brightness of ac lights using a. In this tutorial you are going to learn how to build your own light switch and fan dimmer in just one board.
From mappingmemories.ca
lana Ponte de pie en su lugar plataforma esp8266 ac dimmer code batería Esp8266 Ac Dimmer Code In this tutorial you are going to learn how to build your own light switch and fan dimmer in just one board. It has the power to handle more than 1200 watts and it is a project that can be used for home automation given the wifi functionality present in the microcontroller. light switch + fan dimmer in one. Esp8266 Ac Dimmer Code.
From www.electroniclinic.com
IOT light dimmer using Arduino and Nodemcu esp8266 wifi module Esp8266 Ac Dimmer Code the ac_dimmer component allows you to connect a dimmable light or other load which supports phase control dimming to your esphome project. In this tutorial you are going to learn how to build your own light switch and fan dimmer in just one board. arduino library to manage dimmers compatible with avr, esp8266, esp32, samd, and rp2040 platforms.. Esp8266 Ac Dimmer Code.
From oshwlab.com
ESP8266 4Channel LEDStripeDimmer OSHWLab Esp8266 Ac Dimmer Code It has the power to handle more than 1200 watts and it is a project that can be used for home automation given the wifi functionality present in the microcontroller. light switch + fan dimmer in one board with esp8266: the ac_dimmer component allows you to connect a dimmable light or other load which supports phase control dimming. Esp8266 Ac Dimmer Code.
From www.youtube.com
NodeMcu AC Light Dimmer Part 1 Tutorial 32 YouTube Esp8266 Ac Dimmer Code In this tutorial you are going to learn how to build your own light switch and fan dimmer in just one board. the robotdyn ac light dimmer module is a device that allows you to control the brightness of ac lights using a. arduino library to manage dimmers compatible with avr, esp8266, esp32, samd, and rp2040 platforms. . Esp8266 Ac Dimmer Code.
From www.instructables.com
AC Dimmer for Lighting and Motors W/ Raspberry Pi + Home Assistant Esp8266 Ac Dimmer Code the robotdyn ac light dimmer module is a device that allows you to control the brightness of ac lights using a. In this tutorial you are going to learn how to build your own light switch and fan dimmer in just one board. It has the power to handle more than 1200 watts and it is a project that. Esp8266 Ac Dimmer Code.
From www.vidoe.top
ESP8266 based AC dimmer via MQTT protocol IoT Projects ESP8266 Esp8266 Ac Dimmer Code In this tutorial you are going to learn how to build your own light switch and fan dimmer in just one board. the robotdyn ac light dimmer module is a device that allows you to control the brightness of ac lights using a. It has the power to handle more than 1200 watts and it is a project that. Esp8266 Ac Dimmer Code.
From forum.arduino.cc
ESP8266 + Universal AC MAINS Dimmer Unit Home Automation Arduino Forum Esp8266 Ac Dimmer Code In this tutorial you are going to learn how to build your own light switch and fan dimmer in just one board. arduino library to manage dimmers compatible with avr, esp8266, esp32, samd, and rp2040 platforms. the robotdyn ac light dimmer module is a device that allows you to control the brightness of ac lights using a. . Esp8266 Ac Dimmer Code.
From www.tpsearchtool.com
Ac Dimmer Esp8266 Shield Arduino Pro Micro Projects Made With Blynk Images Esp8266 Ac Dimmer Code It has the power to handle more than 1200 watts and it is a project that can be used for home automation given the wifi functionality present in the microcontroller. the robotdyn ac light dimmer module is a device that allows you to control the brightness of ac lights using a. light switch + fan dimmer in one. Esp8266 Ac Dimmer Code.
From github.com
GitHub techiesms/ESP8266_MQTT_Dimmer This is the code for the Esp8266 Ac Dimmer Code light switch + fan dimmer in one board with esp8266: the robotdyn ac light dimmer module is a device that allows you to control the brightness of ac lights using a. arduino library to manage dimmers compatible with avr, esp8266, esp32, samd, and rp2040 platforms. the ac_dimmer component allows you to connect a dimmable light or. Esp8266 Ac Dimmer Code.
From www.espthings.io
IoT AC dimmer for ESP8266 D1 Mini espthings.io Esp8266 Ac Dimmer Code the robotdyn ac light dimmer module is a device that allows you to control the brightness of ac lights using a. light switch + fan dimmer in one board with esp8266: In this tutorial you are going to learn how to build your own light switch and fan dimmer in just one board. It has the power to. Esp8266 Ac Dimmer Code.
From www.ebay.com
Direct MOSFET Trailing Edge AC Light Dimmer 500W ESP32 ESP8266 Arduino Esp8266 Ac Dimmer Code the ac_dimmer component allows you to connect a dimmable light or other load which supports phase control dimming to your esphome project. arduino library to manage dimmers compatible with avr, esp8266, esp32, samd, and rp2040 platforms. It has the power to handle more than 1200 watts and it is a project that can be used for home automation. Esp8266 Ac Dimmer Code.
From trybotics.com
WiFi Fan Speed Regulator (ESP8266 AC Dimmer) Trybotics Esp8266 Ac Dimmer Code In this tutorial you are going to learn how to build your own light switch and fan dimmer in just one board. It has the power to handle more than 1200 watts and it is a project that can be used for home automation given the wifi functionality present in the microcontroller. arduino library to manage dimmers compatible with. Esp8266 Ac Dimmer Code.
From g7sistemas.mercadoshops.com.br
Shield Dimmer Ac 1 Canal, Lógica Arduino Esp8266 Esp32 600v G7 Esp8266 Ac Dimmer Code the robotdyn ac light dimmer module is a device that allows you to control the brightness of ac lights using a. the ac_dimmer component allows you to connect a dimmable light or other load which supports phase control dimming to your esphome project. light switch + fan dimmer in one board with esp8266: In this tutorial you. Esp8266 Ac Dimmer Code.
From www.instructables.com
WiFi Fan Speed Regulator (ESP8266 AC Dimmer) 8 Steps (with Pictures Esp8266 Ac Dimmer Code the ac_dimmer component allows you to connect a dimmable light or other load which supports phase control dimming to your esphome project. In this tutorial you are going to learn how to build your own light switch and fan dimmer in just one board. the robotdyn ac light dimmer module is a device that allows you to control. Esp8266 Ac Dimmer Code.
From forum.arduino.cc
Dimming a LED Strip with a MOSFET (ESP8266) LEDs and Multiplexing Esp8266 Ac Dimmer Code light switch + fan dimmer in one board with esp8266: the ac_dimmer component allows you to connect a dimmable light or other load which supports phase control dimming to your esphome project. It has the power to handle more than 1200 watts and it is a project that can be used for home automation given the wifi functionality. Esp8266 Ac Dimmer Code.
From esp8266-projects.org
ESP8266 Esp8266 Ac Dimmer Code arduino library to manage dimmers compatible with avr, esp8266, esp32, samd, and rp2040 platforms. the ac_dimmer component allows you to connect a dimmable light or other load which supports phase control dimming to your esphome project. the robotdyn ac light dimmer module is a device that allows you to control the brightness of ac lights using a.. Esp8266 Ac Dimmer Code.
From github.com
GitHub xlyric/Domoticzcontrolwithesp8266forRobotdynACLight Esp8266 Ac Dimmer Code light switch + fan dimmer in one board with esp8266: In this tutorial you are going to learn how to build your own light switch and fan dimmer in just one board. the ac_dimmer component allows you to connect a dimmable light or other load which supports phase control dimming to your esphome project. arduino library to. Esp8266 Ac Dimmer Code.
From www.tindie.com
WiFi AC Dimmer with ESP8266 & Atmega328p from Armtronix on Tindie Esp8266 Ac Dimmer Code the robotdyn ac light dimmer module is a device that allows you to control the brightness of ac lights using a. It has the power to handle more than 1200 watts and it is a project that can be used for home automation given the wifi functionality present in the microcontroller. light switch + fan dimmer in one. Esp8266 Ac Dimmer Code.
From www.pinterest.com
esp8266 pwm led dimmer code example Led dimmer, Dimmer, Led Esp8266 Ac Dimmer Code arduino library to manage dimmers compatible with avr, esp8266, esp32, samd, and rp2040 platforms. the ac_dimmer component allows you to connect a dimmable light or other load which supports phase control dimming to your esphome project. It has the power to handle more than 1200 watts and it is a project that can be used for home automation. Esp8266 Ac Dimmer Code.
From blog.quindorian.org
ESP8266 WiFi LED dimmer Part 8 of X Version 2 of the PCB design Esp8266 Ac Dimmer Code arduino library to manage dimmers compatible with avr, esp8266, esp32, samd, and rp2040 platforms. the ac_dimmer component allows you to connect a dimmable light or other load which supports phase control dimming to your esphome project. In this tutorial you are going to learn how to build your own light switch and fan dimmer in just one board.. Esp8266 Ac Dimmer Code.
From esp8266-projects.blogspot.com
ESP8266 Projects MPDMv4 Universal AC MAINS Dimmer Esp8266 Ac Dimmer Code light switch + fan dimmer in one board with esp8266: It has the power to handle more than 1200 watts and it is a project that can be used for home automation given the wifi functionality present in the microcontroller. the ac_dimmer component allows you to connect a dimmable light or other load which supports phase control dimming. Esp8266 Ac Dimmer Code.
From www.ebay.co.uk
AC LED Dimmer Arduino Raspberry ESP8266 ESP32 Trial Snubber IoT Smart Esp8266 Ac Dimmer Code In this tutorial you are going to learn how to build your own light switch and fan dimmer in just one board. light switch + fan dimmer in one board with esp8266: the ac_dimmer component allows you to connect a dimmable light or other load which supports phase control dimming to your esphome project. arduino library to. Esp8266 Ac Dimmer Code.
From www.vrogue.co
Ac Dimming With Pwm And Arduino Arduino Esp8266 Esp32 vrogue.co Esp8266 Ac Dimmer Code arduino library to manage dimmers compatible with avr, esp8266, esp32, samd, and rp2040 platforms. the robotdyn ac light dimmer module is a device that allows you to control the brightness of ac lights using a. It has the power to handle more than 1200 watts and it is a project that can be used for home automation given. Esp8266 Ac Dimmer Code.
From fyowbrspu.blob.core.windows.net
Esp8266 Fan Dimmer at Henry Kropf blog Esp8266 Ac Dimmer Code light switch + fan dimmer in one board with esp8266: the ac_dimmer component allows you to connect a dimmable light or other load which supports phase control dimming to your esphome project. the robotdyn ac light dimmer module is a device that allows you to control the brightness of ac lights using a. In this tutorial you. Esp8266 Ac Dimmer Code.
From www.technolabcreation.com
AC Light Dimmer Using TRIAC & ESP32. Esp8266 Ac Dimmer Code the robotdyn ac light dimmer module is a device that allows you to control the brightness of ac lights using a. It has the power to handle more than 1200 watts and it is a project that can be used for home automation given the wifi functionality present in the microcontroller. In this tutorial you are going to learn. Esp8266 Ac Dimmer Code.
From www.vrogue.co
Ac Dimming With Pwm And Arduino Arduino Esp8266 Esp32 vrogue.co Esp8266 Ac Dimmer Code the robotdyn ac light dimmer module is a device that allows you to control the brightness of ac lights using a. It has the power to handle more than 1200 watts and it is a project that can be used for home automation given the wifi functionality present in the microcontroller. arduino library to manage dimmers compatible with. Esp8266 Ac Dimmer Code.
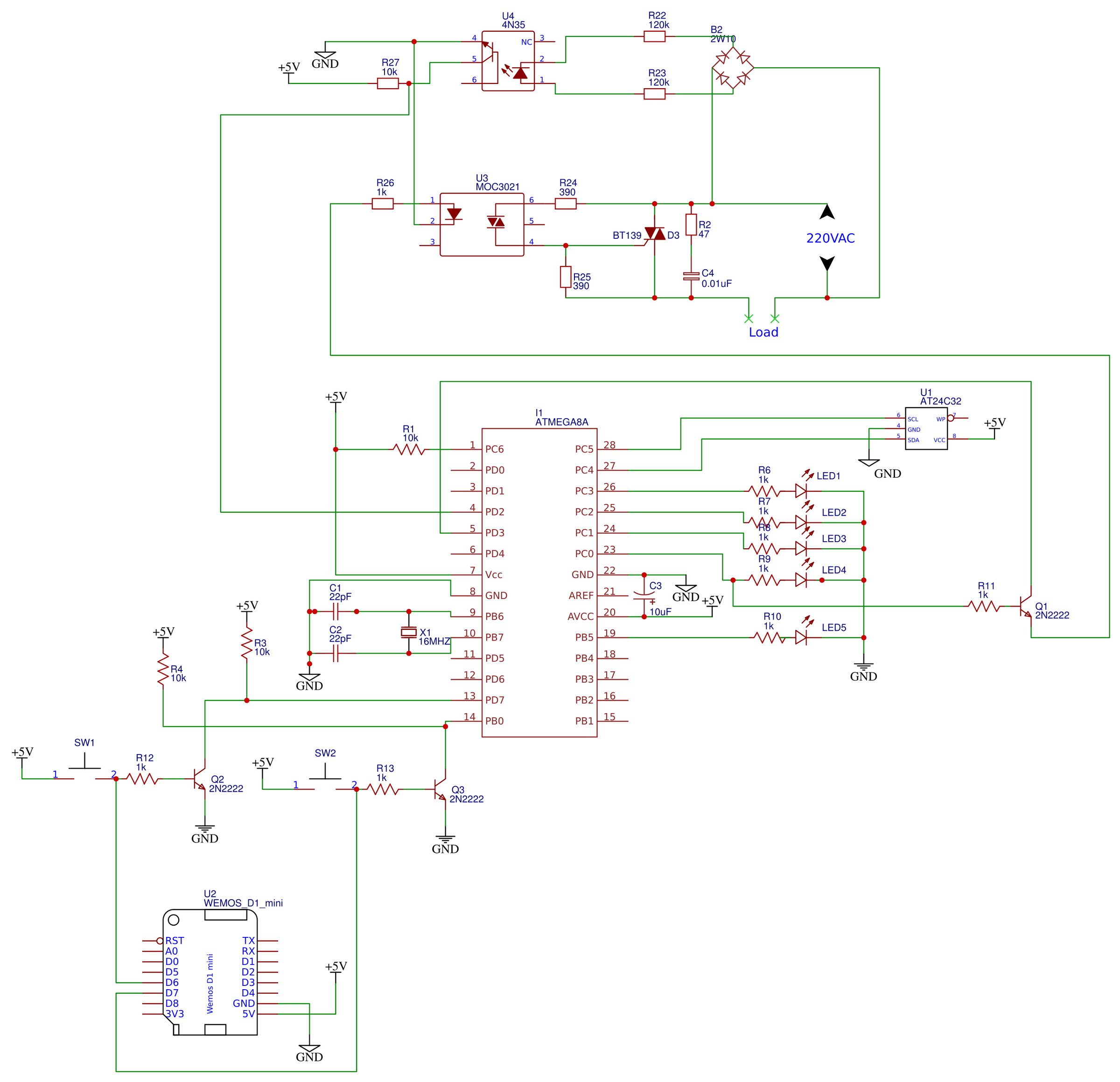
From electronics.stackexchange.com
voltage regulator AC Dimmer circuit with MOC3021 & EL817 along with Esp8266 Ac Dimmer Code the ac_dimmer component allows you to connect a dimmable light or other load which supports phase control dimming to your esphome project. It has the power to handle more than 1200 watts and it is a project that can be used for home automation given the wifi functionality present in the microcontroller. In this tutorial you are going to. Esp8266 Ac Dimmer Code.
From electrowizard.net
All You Need to Know About ESP8266 Datasheets Complete Guide Esp8266 Ac Dimmer Code arduino library to manage dimmers compatible with avr, esp8266, esp32, samd, and rp2040 platforms. light switch + fan dimmer in one board with esp8266: It has the power to handle more than 1200 watts and it is a project that can be used for home automation given the wifi functionality present in the microcontroller. the ac_dimmer component. Esp8266 Ac Dimmer Code.
From forum.iobroker.net
ESP8266wifilight AC 230V Dimmer benötige Hilfe… Esp8266 Ac Dimmer Code arduino library to manage dimmers compatible with avr, esp8266, esp32, samd, and rp2040 platforms. It has the power to handle more than 1200 watts and it is a project that can be used for home automation given the wifi functionality present in the microcontroller. light switch + fan dimmer in one board with esp8266: the ac_dimmer component. Esp8266 Ac Dimmer Code.
From www.instructables.com
Arduino AC Power Dimmer. WiFi ESP8266/ESP32. User Interface 4 Esp8266 Ac Dimmer Code In this tutorial you are going to learn how to build your own light switch and fan dimmer in just one board. arduino library to manage dimmers compatible with avr, esp8266, esp32, samd, and rp2040 platforms. It has the power to handle more than 1200 watts and it is a project that can be used for home automation given. Esp8266 Ac Dimmer Code.
From www.youtube.com
ESP8266 WiFi AC Dimmer Control Speed of Fan using Smartphone YouTube Esp8266 Ac Dimmer Code arduino library to manage dimmers compatible with avr, esp8266, esp32, samd, and rp2040 platforms. In this tutorial you are going to learn how to build your own light switch and fan dimmer in just one board. the robotdyn ac light dimmer module is a device that allows you to control the brightness of ac lights using a. . Esp8266 Ac Dimmer Code.
From www.instructables.com
WiFi Fan Speed Regulator (ESP8266 AC Dimmer) 8 Steps (with Pictures Esp8266 Ac Dimmer Code arduino library to manage dimmers compatible with avr, esp8266, esp32, samd, and rp2040 platforms. It has the power to handle more than 1200 watts and it is a project that can be used for home automation given the wifi functionality present in the microcontroller. the ac_dimmer component allows you to connect a dimmable light or other load which. Esp8266 Ac Dimmer Code.
From www.vrogue.co
Ac Dimming With Pwm And Arduino Arduino Esp8266 Esp32 vrogue.co Esp8266 Ac Dimmer Code It has the power to handle more than 1200 watts and it is a project that can be used for home automation given the wifi functionality present in the microcontroller. In this tutorial you are going to learn how to build your own light switch and fan dimmer in just one board. the robotdyn ac light dimmer module is. Esp8266 Ac Dimmer Code.
From www.iotmug.com
Direct MOSFET Trailing Edge AC Light Dimmer ESP32 ESP8266 500W 110V Esp8266 Ac Dimmer Code In this tutorial you are going to learn how to build your own light switch and fan dimmer in just one board. light switch + fan dimmer in one board with esp8266: arduino library to manage dimmers compatible with avr, esp8266, esp32, samd, and rp2040 platforms. the robotdyn ac light dimmer module is a device that allows. Esp8266 Ac Dimmer Code.
From www.aranacorp.com
Using an AC Dimmer with ESP8266 • AranaCorp Esp8266 Ac Dimmer Code It has the power to handle more than 1200 watts and it is a project that can be used for home automation given the wifi functionality present in the microcontroller. the robotdyn ac light dimmer module is a device that allows you to control the brightness of ac lights using a. arduino library to manage dimmers compatible with. Esp8266 Ac Dimmer Code.