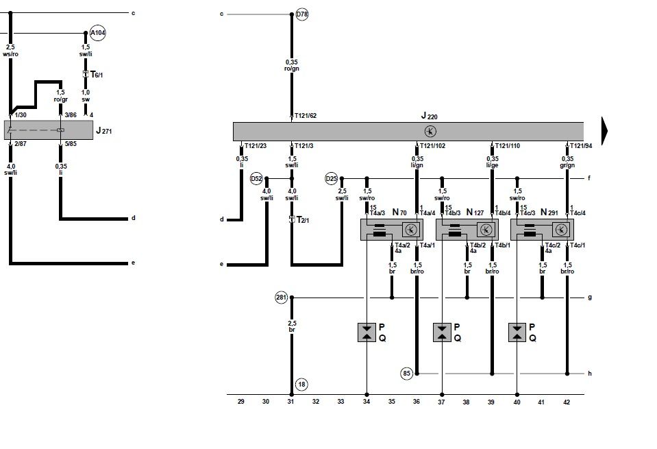
Power Supply Relay J271 . The motronic engine control module power supply relay, j271, is not functioning properly. Power supply relay for engine control module (j271 or j363) faulty. Wiring between engine control module (j220) and. Motronic engine control module (ecm) power supply relay (j271) is located in electronics box in plenum chamber, relay position 2. Because the j271 relay controls battery voltage (terminal 30) via a ground signal sent from the.
from www.drive2.ru
Power supply relay for engine control module (j271 or j363) faulty. Motronic engine control module (ecm) power supply relay (j271) is located in electronics box in plenum chamber, relay position 2. Wiring between engine control module (j220) and. Because the j271 relay controls battery voltage (terminal 30) via a ground signal sent from the. The motronic engine control module power supply relay, j271, is not functioning properly.
ЭО Реле питания ECM (J271) VAG 165 906 381 Замена — Audi A4 (B5), 1,8
Power Supply Relay J271 Motronic engine control module (ecm) power supply relay (j271) is located in electronics box in plenum chamber, relay position 2. The motronic engine control module power supply relay, j271, is not functioning properly. Power supply relay for engine control module (j271 or j363) faulty. Wiring between engine control module (j220) and. Motronic engine control module (ecm) power supply relay (j271) is located in electronics box in plenum chamber, relay position 2. Because the j271 relay controls battery voltage (terminal 30) via a ground signal sent from the.
From workshop-manuals.com
Volkswagen Service and Repair Manuals > Jetta L52.5L (CBTA Power Supply Relay J271 Power supply relay for engine control module (j271 or j363) faulty. Because the j271 relay controls battery voltage (terminal 30) via a ground signal sent from the. The motronic engine control module power supply relay, j271, is not functioning properly. Motronic engine control module (ecm) power supply relay (j271) is located in electronics box in plenum chamber, relay position 2.. Power Supply Relay J271.
From www.youtube.com
20082016 VW power supply relay YouTube Power Supply Relay J271 Wiring between engine control module (j220) and. The motronic engine control module power supply relay, j271, is not functioning properly. Motronic engine control module (ecm) power supply relay (j271) is located in electronics box in plenum chamber, relay position 2. Power supply relay for engine control module (j271 or j363) faulty. Because the j271 relay controls battery voltage (terminal 30). Power Supply Relay J271.
From s1160.photobucket.com
Audi Q7 Wiring Diagram Showing Relay J271 And ECM J623 Photo by flat12 Power Supply Relay J271 The motronic engine control module power supply relay, j271, is not functioning properly. Because the j271 relay controls battery voltage (terminal 30) via a ground signal sent from the. Wiring between engine control module (j220) and. Motronic engine control module (ecm) power supply relay (j271) is located in electronics box in plenum chamber, relay position 2. Power supply relay for. Power Supply Relay J271.
From workshop-manuals.com
Volkswagen Service and Repair Manuals > Touareg 2 V63.6L (BHK Power Supply Relay J271 Motronic engine control module (ecm) power supply relay (j271) is located in electronics box in plenum chamber, relay position 2. Because the j271 relay controls battery voltage (terminal 30) via a ground signal sent from the. Power supply relay for engine control module (j271 or j363) faulty. Wiring between engine control module (j220) and. The motronic engine control module power. Power Supply Relay J271.
From www.justanswer.com
VW Passat J271 Relay Location Find Answers to Your Queries Power Supply Relay J271 The motronic engine control module power supply relay, j271, is not functioning properly. Power supply relay for engine control module (j271 or j363) faulty. Motronic engine control module (ecm) power supply relay (j271) is located in electronics box in plenum chamber, relay position 2. Wiring between engine control module (j220) and. Because the j271 relay controls battery voltage (terminal 30). Power Supply Relay J271.
From www.justanswer.com
J271 Relay Location Audi A6 Allroad Quattro JustAnswer Power Supply Relay J271 Wiring between engine control module (j220) and. Motronic engine control module (ecm) power supply relay (j271) is located in electronics box in plenum chamber, relay position 2. The motronic engine control module power supply relay, j271, is not functioning properly. Power supply relay for engine control module (j271 or j363) faulty. Because the j271 relay controls battery voltage (terminal 30). Power Supply Relay J271.
From forums.quattroworld.com
Forums B8 A5/S5 (2008 present) Power Supply Relay J271 Because the j271 relay controls battery voltage (terminal 30) via a ground signal sent from the. Wiring between engine control module (j220) and. The motronic engine control module power supply relay, j271, is not functioning properly. Power supply relay for engine control module (j271 or j363) faulty. Motronic engine control module (ecm) power supply relay (j271) is located in electronics. Power Supply Relay J271.
From americanprime.com.br
P0688 Code ECM PCM Power Relay Sense Circuit Open In The, 48 OFF Power Supply Relay J271 Wiring between engine control module (j220) and. The motronic engine control module power supply relay, j271, is not functioning properly. Motronic engine control module (ecm) power supply relay (j271) is located in electronics box in plenum chamber, relay position 2. Power supply relay for engine control module (j271 or j363) faulty. Because the j271 relay controls battery voltage (terminal 30). Power Supply Relay J271.
From workshop-manuals.com
Audi Manuals > A3 Mk1 > Power unit > Motronic injection and Power Supply Relay J271 Because the j271 relay controls battery voltage (terminal 30) via a ground signal sent from the. The motronic engine control module power supply relay, j271, is not functioning properly. Power supply relay for engine control module (j271 or j363) faulty. Wiring between engine control module (j220) and. Motronic engine control module (ecm) power supply relay (j271) is located in electronics. Power Supply Relay J271.
From exoxfkxkh.blob.core.windows.net
J271 Relay Location at Diana Hicks blog Power Supply Relay J271 Power supply relay for engine control module (j271 or j363) faulty. Wiring between engine control module (j220) and. Because the j271 relay controls battery voltage (terminal 30) via a ground signal sent from the. Motronic engine control module (ecm) power supply relay (j271) is located in electronics box in plenum chamber, relay position 2. The motronic engine control module power. Power Supply Relay J271.
From www.newbeetle.org
VCDS 17925 P1517 fault code ECU Relay J271 1.8T Cranks, BUT no start Power Supply Relay J271 Motronic engine control module (ecm) power supply relay (j271) is located in electronics box in plenum chamber, relay position 2. Because the j271 relay controls battery voltage (terminal 30) via a ground signal sent from the. Wiring between engine control module (j220) and. The motronic engine control module power supply relay, j271, is not functioning properly. Power supply relay for. Power Supply Relay J271.
From www.servicetutorials.com
Volkswagen Passat B7, CC (20122016) fuse & relay box diagram Power Supply Relay J271 Power supply relay for engine control module (j271 or j363) faulty. Motronic engine control module (ecm) power supply relay (j271) is located in electronics box in plenum chamber, relay position 2. The motronic engine control module power supply relay, j271, is not functioning properly. Wiring between engine control module (j220) and. Because the j271 relay controls battery voltage (terminal 30). Power Supply Relay J271.
From workshop-manuals.com
background image Power Supply Relay J271 Motronic engine control module (ecm) power supply relay (j271) is located in electronics box in plenum chamber, relay position 2. Power supply relay for engine control module (j271 or j363) faulty. The motronic engine control module power supply relay, j271, is not functioning properly. Wiring between engine control module (j220) and. Because the j271 relay controls battery voltage (terminal 30). Power Supply Relay J271.
From exoxfkxkh.blob.core.windows.net
J271 Relay Location at Diana Hicks blog Power Supply Relay J271 The motronic engine control module power supply relay, j271, is not functioning properly. Power supply relay for engine control module (j271 or j363) faulty. Wiring between engine control module (j220) and. Motronic engine control module (ecm) power supply relay (j271) is located in electronics box in plenum chamber, relay position 2. Because the j271 relay controls battery voltage (terminal 30). Power Supply Relay J271.
From mavink.com
Vw Passat Ecu Pinout Diagram Power Supply Relay J271 Power supply relay for engine control module (j271 or j363) faulty. Wiring between engine control module (j220) and. Motronic engine control module (ecm) power supply relay (j271) is located in electronics box in plenum chamber, relay position 2. The motronic engine control module power supply relay, j271, is not functioning properly. Because the j271 relay controls battery voltage (terminal 30). Power Supply Relay J271.
From www.ttforum.co.uk
ECU Power Supply Relay location? Audi TT Forum Power Supply Relay J271 Power supply relay for engine control module (j271 or j363) faulty. Motronic engine control module (ecm) power supply relay (j271) is located in electronics box in plenum chamber, relay position 2. The motronic engine control module power supply relay, j271, is not functioning properly. Because the j271 relay controls battery voltage (terminal 30) via a ground signal sent from the.. Power Supply Relay J271.
From clubgti.com
Non Starter, 17925 Power Supply Relay for ECU Power Supply Relay J271 Power supply relay for engine control module (j271 or j363) faulty. The motronic engine control module power supply relay, j271, is not functioning properly. Wiring between engine control module (j220) and. Because the j271 relay controls battery voltage (terminal 30) via a ground signal sent from the. Motronic engine control module (ecm) power supply relay (j271) is located in electronics. Power Supply Relay J271.
From www.youtube.com
ECU power supply relay YouTube Power Supply Relay J271 Wiring between engine control module (j220) and. The motronic engine control module power supply relay, j271, is not functioning properly. Because the j271 relay controls battery voltage (terminal 30) via a ground signal sent from the. Power supply relay for engine control module (j271 or j363) faulty. Motronic engine control module (ecm) power supply relay (j271) is located in electronics. Power Supply Relay J271.
From americanprime.com.br
Ecm Power Relay Load Circuit Online Clearance Power Supply Relay J271 The motronic engine control module power supply relay, j271, is not functioning properly. Motronic engine control module (ecm) power supply relay (j271) is located in electronics box in plenum chamber, relay position 2. Because the j271 relay controls battery voltage (terminal 30) via a ground signal sent from the. Wiring between engine control module (j220) and. Power supply relay for. Power Supply Relay J271.
From www.newbeetle.org
Forums View Single Post VCDS 17925 P1517 fault code Power Supply Relay J271 Wiring between engine control module (j220) and. Because the j271 relay controls battery voltage (terminal 30) via a ground signal sent from the. Motronic engine control module (ecm) power supply relay (j271) is located in electronics box in plenum chamber, relay position 2. The motronic engine control module power supply relay, j271, is not functioning properly. Power supply relay for. Power Supply Relay J271.
From interavtom.ru
Основное Реле J271 Где Стоит 70 Фотo в хорошем качестве Power Supply Relay J271 Power supply relay for engine control module (j271 or j363) faulty. Because the j271 relay controls battery voltage (terminal 30) via a ground signal sent from the. The motronic engine control module power supply relay, j271, is not functioning properly. Wiring between engine control module (j220) and. Motronic engine control module (ecm) power supply relay (j271) is located in electronics. Power Supply Relay J271.
From www.ebay.com
ECU Power Supply Relay 109 VW Jetta Golf MK4 Beetle TDI ALH 1J0 906 Power Supply Relay J271 Because the j271 relay controls battery voltage (terminal 30) via a ground signal sent from the. The motronic engine control module power supply relay, j271, is not functioning properly. Wiring between engine control module (j220) and. Power supply relay for engine control module (j271 or j363) faulty. Motronic engine control module (ecm) power supply relay (j271) is located in electronics. Power Supply Relay J271.
From www.audiworld.com
J271 Power Relay Location AudiWorld Forums Power Supply Relay J271 Motronic engine control module (ecm) power supply relay (j271) is located in electronics box in plenum chamber, relay position 2. The motronic engine control module power supply relay, j271, is not functioning properly. Power supply relay for engine control module (j271 or j363) faulty. Because the j271 relay controls battery voltage (terminal 30) via a ground signal sent from the.. Power Supply Relay J271.
From www.newbeetle.org
VCDS 17925 P1517 fault code ECU Relay J271 1.8T Cranks, BUT no start Power Supply Relay J271 The motronic engine control module power supply relay, j271, is not functioning properly. Because the j271 relay controls battery voltage (terminal 30) via a ground signal sent from the. Wiring between engine control module (j220) and. Power supply relay for engine control module (j271 or j363) faulty. Motronic engine control module (ecm) power supply relay (j271) is located in electronics. Power Supply Relay J271.
From www.ttforum.co.uk
The Audi TT Forum • View topic Part number for ECU RELAY J271 Power Supply Relay J271 Motronic engine control module (ecm) power supply relay (j271) is located in electronics box in plenum chamber, relay position 2. Because the j271 relay controls battery voltage (terminal 30) via a ground signal sent from the. Wiring between engine control module (j220) and. The motronic engine control module power supply relay, j271, is not functioning properly. Power supply relay for. Power Supply Relay J271.
From workshop-manuals.com
J271 Motronic Engine Control Module Power Supply Relay Location Guide Power Supply Relay J271 Because the j271 relay controls battery voltage (terminal 30) via a ground signal sent from the. Wiring between engine control module (j220) and. The motronic engine control module power supply relay, j271, is not functioning properly. Power supply relay for engine control module (j271 or j363) faulty. Motronic engine control module (ecm) power supply relay (j271) is located in electronics. Power Supply Relay J271.
From www.drive2.ru
ЭО Реле питания ECM (J271) VAG 165 906 381 Замена — Audi A4 (B5), 1,8 Power Supply Relay J271 Power supply relay for engine control module (j271 or j363) faulty. Because the j271 relay controls battery voltage (terminal 30) via a ground signal sent from the. Motronic engine control module (ecm) power supply relay (j271) is located in electronics box in plenum chamber, relay position 2. Wiring between engine control module (j220) and. The motronic engine control module power. Power Supply Relay J271.
From workshop-manuals.com
Audi Service and Repair Manuals > S4 Quattro Sedan V84.2L Power Supply Relay J271 The motronic engine control module power supply relay, j271, is not functioning properly. Wiring between engine control module (j220) and. Because the j271 relay controls battery voltage (terminal 30) via a ground signal sent from the. Power supply relay for engine control module (j271 or j363) faulty. Motronic engine control module (ecm) power supply relay (j271) is located in electronics. Power Supply Relay J271.
From exoxfkxkh.blob.core.windows.net
J271 Relay Location at Diana Hicks blog Power Supply Relay J271 The motronic engine control module power supply relay, j271, is not functioning properly. Power supply relay for engine control module (j271 or j363) faulty. Wiring between engine control module (j220) and. Because the j271 relay controls battery voltage (terminal 30) via a ground signal sent from the. Motronic engine control module (ecm) power supply relay (j271) is located in electronics. Power Supply Relay J271.
From www.aliexpress.com
DC12V10A1ChannelLowLevelPowerSupplyRelayModuleSRD12VDCSLC.jpg Power Supply Relay J271 The motronic engine control module power supply relay, j271, is not functioning properly. Motronic engine control module (ecm) power supply relay (j271) is located in electronics box in plenum chamber, relay position 2. Wiring between engine control module (j220) and. Power supply relay for engine control module (j271 or j363) faulty. Because the j271 relay controls battery voltage (terminal 30). Power Supply Relay J271.
From www.servicetutorials.com
Locatie si semnificatie / explicatie Tablou Sigurante si Relee VW Passat B6 Power Supply Relay J271 Wiring between engine control module (j220) and. Power supply relay for engine control module (j271 or j363) faulty. The motronic engine control module power supply relay, j271, is not functioning properly. Motronic engine control module (ecm) power supply relay (j271) is located in electronics box in plenum chamber, relay position 2. Because the j271 relay controls battery voltage (terminal 30). Power Supply Relay J271.
From www.youtube.com
Audi A4 Relay Panel Location and partial diagram commentary YouTube Power Supply Relay J271 Because the j271 relay controls battery voltage (terminal 30) via a ground signal sent from the. The motronic engine control module power supply relay, j271, is not functioning properly. Power supply relay for engine control module (j271 or j363) faulty. Wiring between engine control module (j220) and. Motronic engine control module (ecm) power supply relay (j271) is located in electronics. Power Supply Relay J271.
From www.vwvortex.com
Wiring Guru Help! Power Supply Relay for ECU (J271 or J363) VW Vortex Power Supply Relay J271 Motronic engine control module (ecm) power supply relay (j271) is located in electronics box in plenum chamber, relay position 2. Power supply relay for engine control module (j271 or j363) faulty. Because the j271 relay controls battery voltage (terminal 30) via a ground signal sent from the. Wiring between engine control module (j220) and. The motronic engine control module power. Power Supply Relay J271.
From plastep.ru
Фольксваген тигуан реле вентилятора охлаждения где находится Power Supply Relay J271 Motronic engine control module (ecm) power supply relay (j271) is located in electronics box in plenum chamber, relay position 2. Power supply relay for engine control module (j271 or j363) faulty. Wiring between engine control module (j220) and. Because the j271 relay controls battery voltage (terminal 30) via a ground signal sent from the. The motronic engine control module power. Power Supply Relay J271.
From forum.arduino.cc
Power supply best practices question for relay module Project Power Supply Relay J271 Power supply relay for engine control module (j271 or j363) faulty. Wiring between engine control module (j220) and. The motronic engine control module power supply relay, j271, is not functioning properly. Motronic engine control module (ecm) power supply relay (j271) is located in electronics box in plenum chamber, relay position 2. Because the j271 relay controls battery voltage (terminal 30). Power Supply Relay J271.