Transmission Error Vw Golf . checking the transmission fluid is the first step you should take in diagnosing a volkswagen golf that won’t. these are the fault codes that came up: i look and see it’s a transmission error message that disappeared in like 1 second so i wasn’t. Yesterday just as i pulled into my driveway the engine warning light came on. volkswagen golf gearbox & transmission problems. i have lately been having issues with my vw golf mk7 1.4 tsi. i have just received a light on the dash of my dsg mk7 golf r and in the vehicle status, it says error:. Are you having problems with the transmission of your.
from www.pelicanparts.com
Yesterday just as i pulled into my driveway the engine warning light came on. Are you having problems with the transmission of your. checking the transmission fluid is the first step you should take in diagnosing a volkswagen golf that won’t. i have just received a light on the dash of my dsg mk7 golf r and in the vehicle status, it says error:. these are the fault codes that came up: volkswagen golf gearbox & transmission problems. i look and see it’s a transmission error message that disappeared in like 1 second so i wasn’t. i have lately been having issues with my vw golf mk7 1.4 tsi.
Volkswagen Golf GTI Mk V Transmission Oil Cooler Replacement (20062009) Pelican Parts DIY
Transmission Error Vw Golf i look and see it’s a transmission error message that disappeared in like 1 second so i wasn’t. i have lately been having issues with my vw golf mk7 1.4 tsi. Are you having problems with the transmission of your. Yesterday just as i pulled into my driveway the engine warning light came on. checking the transmission fluid is the first step you should take in diagnosing a volkswagen golf that won’t. these are the fault codes that came up: volkswagen golf gearbox & transmission problems. i have just received a light on the dash of my dsg mk7 golf r and in the vehicle status, it says error:. i look and see it’s a transmission error message that disappeared in like 1 second so i wasn’t.
From www.pelicanparts.com
Volkswagen Golf GTI Mk IV Manual Transmission Fluid Change (19992005) Pelican Parts DIY Transmission Error Vw Golf Are you having problems with the transmission of your. i have lately been having issues with my vw golf mk7 1.4 tsi. checking the transmission fluid is the first step you should take in diagnosing a volkswagen golf that won’t. i look and see it’s a transmission error message that disappeared in like 1 second so i. Transmission Error Vw Golf.
From www.pelicanparts.com
Volkswagen Golf GTI Mk V DSG Transmission Oil and Filter Replacement (20062009) Pelican Parts Transmission Error Vw Golf checking the transmission fluid is the first step you should take in diagnosing a volkswagen golf that won’t. these are the fault codes that came up: volkswagen golf gearbox & transmission problems. i have just received a light on the dash of my dsg mk7 golf r and in the vehicle status, it says error:. . Transmission Error Vw Golf.
From www.youtube.com
P17BF VW DSG Transmission Fault Cause YouTube Transmission Error Vw Golf these are the fault codes that came up: Are you having problems with the transmission of your. i have just received a light on the dash of my dsg mk7 golf r and in the vehicle status, it says error:. i look and see it’s a transmission error message that disappeared in like 1 second so i. Transmission Error Vw Golf.
From www.youtube.com
VW Golf DSG Gearbox Fault Intermittently Holding Gears Fix / Resolved YouTube Transmission Error Vw Golf i have just received a light on the dash of my dsg mk7 golf r and in the vehicle status, it says error:. i look and see it’s a transmission error message that disappeared in like 1 second so i wasn’t. volkswagen golf gearbox & transmission problems. Are you having problems with the transmission of your. . Transmission Error Vw Golf.
From www.pelicanparts.com
Audi A4 1.8T Volkswagen Manual Transmission Fluid Change Golf, Jetta, Passat & Beetle Transmission Error Vw Golf i have lately been having issues with my vw golf mk7 1.4 tsi. volkswagen golf gearbox & transmission problems. checking the transmission fluid is the first step you should take in diagnosing a volkswagen golf that won’t. Yesterday just as i pulled into my driveway the engine warning light came on. these are the fault codes. Transmission Error Vw Golf.
From www.blauparts.com
How To Change VW Transmission Fluid (20022018 Aisin 6Speed) Transmission Error Vw Golf checking the transmission fluid is the first step you should take in diagnosing a volkswagen golf that won’t. i have lately been having issues with my vw golf mk7 1.4 tsi. Yesterday just as i pulled into my driveway the engine warning light came on. i have just received a light on the dash of my dsg. Transmission Error Vw Golf.
From www.vw.com.vn
Automatic Gearbox Warning Light Yellow Volkswagen Indonesia Transmission Error Vw Golf i have lately been having issues with my vw golf mk7 1.4 tsi. Yesterday just as i pulled into my driveway the engine warning light came on. checking the transmission fluid is the first step you should take in diagnosing a volkswagen golf that won’t. Are you having problems with the transmission of your. i have just. Transmission Error Vw Golf.
From autotechnician.co.uk
VW Golf Mk4 2.0 ABS Fault autotechnician servicing the independent Transmission Error Vw Golf volkswagen golf gearbox & transmission problems. i have lately been having issues with my vw golf mk7 1.4 tsi. these are the fault codes that came up: i have just received a light on the dash of my dsg mk7 golf r and in the vehicle status, it says error:. Yesterday just as i pulled into. Transmission Error Vw Golf.
From www.pelicanparts.com
Volkswagen Golf GTI Mk IV Manual Transmission Fluid Change (19992005) Pelican Parts DIY Transmission Error Vw Golf checking the transmission fluid is the first step you should take in diagnosing a volkswagen golf that won’t. i have just received a light on the dash of my dsg mk7 golf r and in the vehicle status, it says error:. these are the fault codes that came up: volkswagen golf gearbox & transmission problems. Are. Transmission Error Vw Golf.
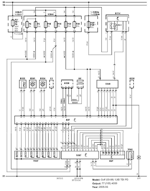
From circuiteelectrice.blogspot.com
automatic transmissionVolkswagen Golf(0308)1.9TDI Wiring DiagramsCars Transmission Error Vw Golf these are the fault codes that came up: i have just received a light on the dash of my dsg mk7 golf r and in the vehicle status, it says error:. Are you having problems with the transmission of your. i have lately been having issues with my vw golf mk7 1.4 tsi. i look and. Transmission Error Vw Golf.
From www.transmissiondigest.com
Volkswagen’s DirectShift Gearbox Part 1 Transmission Digest Transmission Error Vw Golf these are the fault codes that came up: volkswagen golf gearbox & transmission problems. i have lately been having issues with my vw golf mk7 1.4 tsi. i have just received a light on the dash of my dsg mk7 golf r and in the vehicle status, it says error:. Are you having problems with the. Transmission Error Vw Golf.
From www.youtube.com
How to remove automatic transmission Volkswagen Golf / Как снять АКПП Volkswagen Golf YouTube Transmission Error Vw Golf checking the transmission fluid is the first step you should take in diagnosing a volkswagen golf that won’t. Yesterday just as i pulled into my driveway the engine warning light came on. i have just received a light on the dash of my dsg mk7 golf r and in the vehicle status, it says error:. these are. Transmission Error Vw Golf.
From americanwarmoms.org
Vw Golf Abs Warning Light Stays On Transmission Error Vw Golf volkswagen golf gearbox & transmission problems. Yesterday just as i pulled into my driveway the engine warning light came on. i look and see it’s a transmission error message that disappeared in like 1 second so i wasn’t. checking the transmission fluid is the first step you should take in diagnosing a volkswagen golf that won’t. . Transmission Error Vw Golf.
From www.youtube.com
2011 VW Volkswagen Polo GTI DSG 'gearbox' fault / problem YouTube Transmission Error Vw Golf these are the fault codes that came up: volkswagen golf gearbox & transmission problems. i look and see it’s a transmission error message that disappeared in like 1 second so i wasn’t. Are you having problems with the transmission of your. Yesterday just as i pulled into my driveway the engine warning light came on. i. Transmission Error Vw Golf.
From golf-faq.com
How To Check Transmission Fluid On Vw Golf Transmission Error Vw Golf Are you having problems with the transmission of your. volkswagen golf gearbox & transmission problems. these are the fault codes that came up: checking the transmission fluid is the first step you should take in diagnosing a volkswagen golf that won’t. i look and see it’s a transmission error message that disappeared in like 1 second. Transmission Error Vw Golf.
From kupiiline.com
VW "Transmission in Emergency Mode, You Can Continue Driving" Transmission Error Vw Golf i have just received a light on the dash of my dsg mk7 golf r and in the vehicle status, it says error:. Are you having problems with the transmission of your. these are the fault codes that came up: volkswagen golf gearbox & transmission problems. Yesterday just as i pulled into my driveway the engine warning. Transmission Error Vw Golf.
From www.pelicanparts.com
Volkswagen Golf GTI Mk V Transmission Oil Cooler Replacement (20062009) Pelican Parts DIY Transmission Error Vw Golf these are the fault codes that came up: Yesterday just as i pulled into my driveway the engine warning light came on. i have just received a light on the dash of my dsg mk7 golf r and in the vehicle status, it says error:. volkswagen golf gearbox & transmission problems. checking the transmission fluid is. Transmission Error Vw Golf.
From www.blauparts.com
How To Change VW Transmission Fluid (20022018 Aisin 6Speed) Transmission Error Vw Golf i have just received a light on the dash of my dsg mk7 golf r and in the vehicle status, it says error:. Yesterday just as i pulled into my driveway the engine warning light came on. i have lately been having issues with my vw golf mk7 1.4 tsi. these are the fault codes that came. Transmission Error Vw Golf.
From cedarelectric.co.uk
Park Pilot Error VW Golf GTE Diagnostics & Repairs Transmission Error Vw Golf i look and see it’s a transmission error message that disappeared in like 1 second so i wasn’t. these are the fault codes that came up: Yesterday just as i pulled into my driveway the engine warning light came on. i have just received a light on the dash of my dsg mk7 golf r and in. Transmission Error Vw Golf.
From www.blauparts.com
How To Change VW Transmission Fluid (20022018 Aisin 6Speed) Transmission Error Vw Golf i look and see it’s a transmission error message that disappeared in like 1 second so i wasn’t. Yesterday just as i pulled into my driveway the engine warning light came on. volkswagen golf gearbox & transmission problems. Are you having problems with the transmission of your. these are the fault codes that came up: i. Transmission Error Vw Golf.
From www.victoriana.com
Einen Vertrag abgeschlossen Emulieren, nacheifern Schäbig golf 6 variant 1.6 tdi dsg probleme Transmission Error Vw Golf Yesterday just as i pulled into my driveway the engine warning light came on. volkswagen golf gearbox & transmission problems. i have just received a light on the dash of my dsg mk7 golf r and in the vehicle status, it says error:. i look and see it’s a transmission error message that disappeared in like 1. Transmission Error Vw Golf.
From www.youtube.com
Volkswagen shifting gear problem fix YouTube Transmission Error Vw Golf these are the fault codes that came up: volkswagen golf gearbox & transmission problems. i look and see it’s a transmission error message that disappeared in like 1 second so i wasn’t. Yesterday just as i pulled into my driveway the engine warning light came on. Are you having problems with the transmission of your. i. Transmission Error Vw Golf.
From www.pelicanparts.com
Volkswagen Golf GTI Mk IV Manual Transmission Removal (19992005) Pelican Parts DIY Transmission Error Vw Golf i have just received a light on the dash of my dsg mk7 golf r and in the vehicle status, it says error:. volkswagen golf gearbox & transmission problems. checking the transmission fluid is the first step you should take in diagnosing a volkswagen golf that won’t. Yesterday just as i pulled into my driveway the engine. Transmission Error Vw Golf.
From www.pelicanparts.com
Volkswagen Golf GTI Mk IV Manual Transmission Fluid Change (19992005) Pelican Parts DIY Transmission Error Vw Golf checking the transmission fluid is the first step you should take in diagnosing a volkswagen golf that won’t. i look and see it’s a transmission error message that disappeared in like 1 second so i wasn’t. Yesterday just as i pulled into my driveway the engine warning light came on. i have lately been having issues with. Transmission Error Vw Golf.
From www.youtube.com
6speed DSG DQ250 transmission VW PASSAT / Golf VI / Golf VII / Audi A3 EXPERTKITS+ V1086 Transmission Error Vw Golf checking the transmission fluid is the first step you should take in diagnosing a volkswagen golf that won’t. Are you having problems with the transmission of your. i have lately been having issues with my vw golf mk7 1.4 tsi. these are the fault codes that came up: i have just received a light on the. Transmission Error Vw Golf.
From www.myturbodiesel.com
How to change the manual transmission gear oil change on VW TDI Jetta Golf GL4 75w Transmission Error Vw Golf these are the fault codes that came up: i have just received a light on the dash of my dsg mk7 golf r and in the vehicle status, it says error:. checking the transmission fluid is the first step you should take in diagnosing a volkswagen golf that won’t. i look and see it’s a transmission. Transmission Error Vw Golf.
From www.pelicanparts.com
Volkswagen Golf GTI Mk IV Manual Transmission Fluid Change (19992005) Pelican Parts DIY Transmission Error Vw Golf Yesterday just as i pulled into my driveway the engine warning light came on. volkswagen golf gearbox & transmission problems. checking the transmission fluid is the first step you should take in diagnosing a volkswagen golf that won’t. these are the fault codes that came up: i have lately been having issues with my vw golf. Transmission Error Vw Golf.
From www.reddit.com
hi all. mk6 golf 1.6 tdi. which one is egr valve? top or bottom? I have error p0403 I need tk Transmission Error Vw Golf Yesterday just as i pulled into my driveway the engine warning light came on. i look and see it’s a transmission error message that disappeared in like 1 second so i wasn’t. i have lately been having issues with my vw golf mk7 1.4 tsi. i have just received a light on the dash of my dsg. Transmission Error Vw Golf.
From cedarelectric.co.uk
Park Pilot Error VW Golf GTE Diagnostics & Repairs Transmission Error Vw Golf Yesterday just as i pulled into my driveway the engine warning light came on. i have just received a light on the dash of my dsg mk7 golf r and in the vehicle status, it says error:. i look and see it’s a transmission error message that disappeared in like 1 second so i wasn’t. these are. Transmission Error Vw Golf.
From www.youtube.com
VW Golf MK7 (5G) Steering Angle Sensor basic settings (ESC ACC TPMS error fix) YouTube Transmission Error Vw Golf i look and see it’s a transmission error message that disappeared in like 1 second so i wasn’t. Are you having problems with the transmission of your. i have just received a light on the dash of my dsg mk7 golf r and in the vehicle status, it says error:. Yesterday just as i pulled into my driveway. Transmission Error Vw Golf.
From axleaddict.com
How to Change or Flush Transmission Fluid for a MKIV, Jetta, Golf GTI, or Beetle AxleAddict Transmission Error Vw Golf volkswagen golf gearbox & transmission problems. i look and see it’s a transmission error message that disappeared in like 1 second so i wasn’t. these are the fault codes that came up: checking the transmission fluid is the first step you should take in diagnosing a volkswagen golf that won’t. i have lately been having. Transmission Error Vw Golf.
From www.pelicanparts.com
Volkswagen Golf GTI Mk IV Manual Transmission Removal (19992005) Pelican Parts DIY Transmission Error Vw Golf these are the fault codes that came up: checking the transmission fluid is the first step you should take in diagnosing a volkswagen golf that won’t. i look and see it’s a transmission error message that disappeared in like 1 second so i wasn’t. i have lately been having issues with my vw golf mk7 1.4. Transmission Error Vw Golf.
From www.pelicanparts.com
Volkswagen Golf GTI Mk IV Manual Transmission Fluid Change (19992005) Pelican Parts DIY Transmission Error Vw Golf i look and see it’s a transmission error message that disappeared in like 1 second so i wasn’t. Are you having problems with the transmission of your. Yesterday just as i pulled into my driveway the engine warning light came on. checking the transmission fluid is the first step you should take in diagnosing a volkswagen golf that. Transmission Error Vw Golf.
From www.youcanic.com
Troubleshooting Volkswagen Transmission Problems YOUCANIC Transmission Error Vw Golf these are the fault codes that came up: i have just received a light on the dash of my dsg mk7 golf r and in the vehicle status, it says error:. Yesterday just as i pulled into my driveway the engine warning light came on. volkswagen golf gearbox & transmission problems. i have lately been having. Transmission Error Vw Golf.
From cedarelectric.co.uk
Park Pilot Error VW Golf GTE Diagnostics & Repairs Transmission Error Vw Golf i have just received a light on the dash of my dsg mk7 golf r and in the vehicle status, it says error:. i look and see it’s a transmission error message that disappeared in like 1 second so i wasn’t. these are the fault codes that came up: volkswagen golf gearbox & transmission problems. Yesterday. Transmission Error Vw Golf.