Equalizer Parametric Schematic . See the components and functions of each section and. A parametric equaliser is much more versatile, with 3 controls per band: The gain, the frequency and the bandwidth. At its core, a parametric equalizer works by adjusting various audio parameters: Learn how a parametric equalizer works by breaking down its three main sections: Learn how to build and use tone controls, notch filters, peaks and notches with variable frequencies and q factors. Geofex.com offers simple, easy and flexible solutions for sound effects and. Frequency, gain, and bandwidth (or q). The schematic diagram of a parametric equalizer shows the various components and their connections, providing a visual representation of how the equalizer functions. A good parametric equalizer schematic diagram can serve as your visual guide as you explore the world of sound design. The schematic diagram of a parametric equalizer typically consists of three main sections:
from www.organised-sound.com
A parametric equaliser is much more versatile, with 3 controls per band: At its core, a parametric equalizer works by adjusting various audio parameters: See the components and functions of each section and. The schematic diagram of a parametric equalizer shows the various components and their connections, providing a visual representation of how the equalizer functions. The schematic diagram of a parametric equalizer typically consists of three main sections: Frequency, gain, and bandwidth (or q). Learn how to build and use tone controls, notch filters, peaks and notches with variable frequencies and q factors. Learn how a parametric equalizer works by breaking down its three main sections: The gain, the frequency and the bandwidth. A good parametric equalizer schematic diagram can serve as your visual guide as you explore the world of sound design.
Parametric Equalizer Schematic Diagram Wiring Diagram
Equalizer Parametric Schematic See the components and functions of each section and. Learn how a parametric equalizer works by breaking down its three main sections: Frequency, gain, and bandwidth (or q). A good parametric equalizer schematic diagram can serve as your visual guide as you explore the world of sound design. The schematic diagram of a parametric equalizer typically consists of three main sections: Learn how to build and use tone controls, notch filters, peaks and notches with variable frequencies and q factors. At its core, a parametric equalizer works by adjusting various audio parameters: A parametric equaliser is much more versatile, with 3 controls per band: The schematic diagram of a parametric equalizer shows the various components and their connections, providing a visual representation of how the equalizer functions. See the components and functions of each section and. The gain, the frequency and the bandwidth. Geofex.com offers simple, easy and flexible solutions for sound effects and.
From www.circuitdiagram.co
Parametric Equalizer Schematic Diagram Equalizer Parametric Schematic Frequency, gain, and bandwidth (or q). Learn how a parametric equalizer works by breaking down its three main sections: At its core, a parametric equalizer works by adjusting various audio parameters: The gain, the frequency and the bandwidth. The schematic diagram of a parametric equalizer shows the various components and their connections, providing a visual representation of how the equalizer. Equalizer Parametric Schematic.
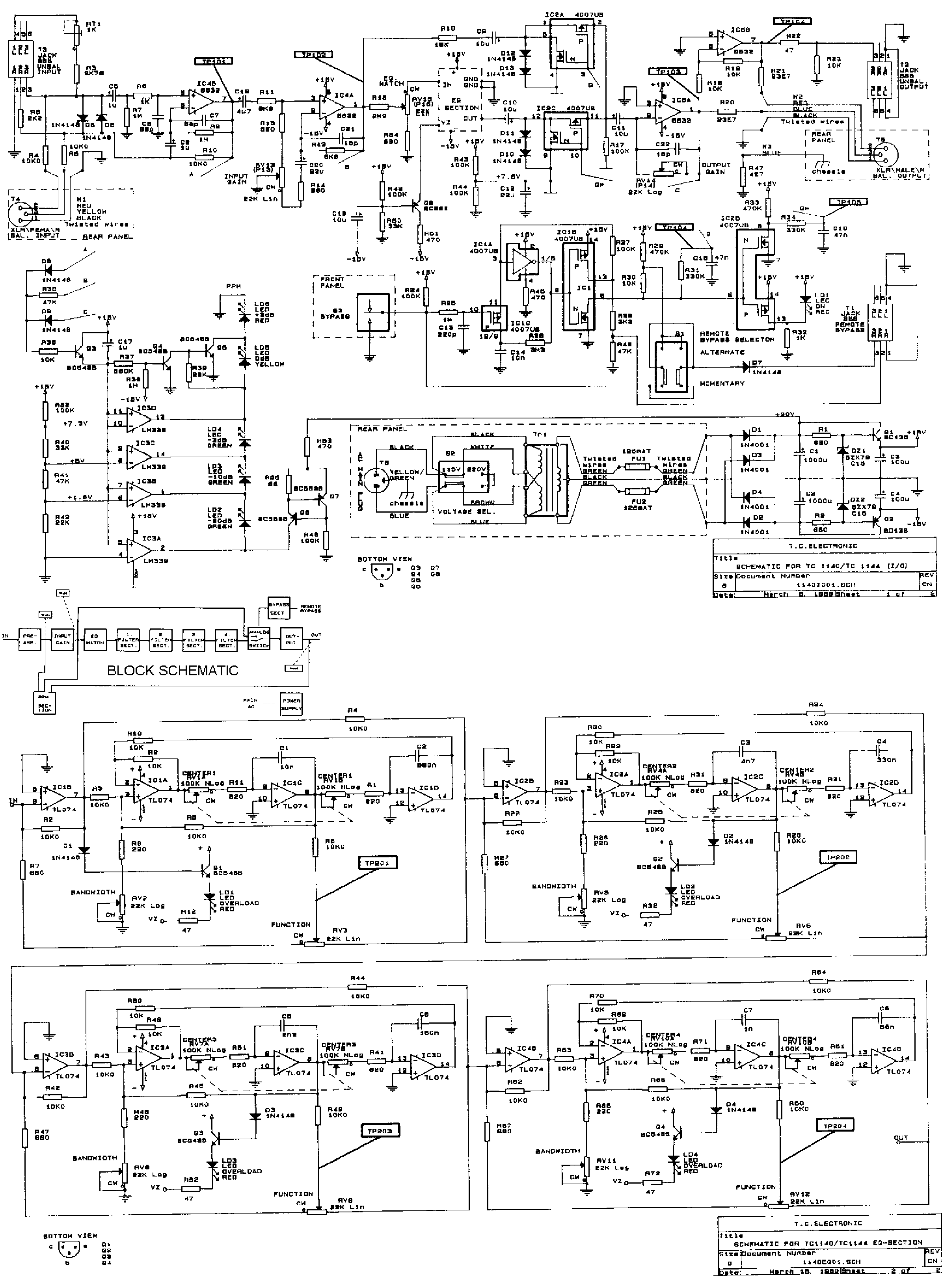
From wiringdbrichards.z21.web.core.windows.net
Parametric Equalizer Circuit Diagram Equalizer Parametric Schematic A parametric equaliser is much more versatile, with 3 controls per band: Learn how to build and use tone controls, notch filters, peaks and notches with variable frequencies and q factors. Frequency, gain, and bandwidth (or q). The schematic diagram of a parametric equalizer shows the various components and their connections, providing a visual representation of how the equalizer functions.. Equalizer Parametric Schematic.
From www.organised-sound.com
Parametric Equalizer Schematic Diagram » Wiring Diagram Equalizer Parametric Schematic A parametric equaliser is much more versatile, with 3 controls per band: At its core, a parametric equalizer works by adjusting various audio parameters: See the components and functions of each section and. Learn how to build and use tone controls, notch filters, peaks and notches with variable frequencies and q factors. The schematic diagram of a parametric equalizer typically. Equalizer Parametric Schematic.
From groupdiy.com
TC2240 PARAMETRIC EQUALIZER/PREAMP Schematic Equalizer Parametric Schematic At its core, a parametric equalizer works by adjusting various audio parameters: A parametric equaliser is much more versatile, with 3 controls per band: The schematic diagram of a parametric equalizer shows the various components and their connections, providing a visual representation of how the equalizer functions. Frequency, gain, and bandwidth (or q). Learn how to build and use tone. Equalizer Parametric Schematic.
From robhosking.com
11+ Parametric Equalizer Schematic Robhosking Diagram Equalizer Parametric Schematic A good parametric equalizer schematic diagram can serve as your visual guide as you explore the world of sound design. Geofex.com offers simple, easy and flexible solutions for sound effects and. Frequency, gain, and bandwidth (or q). At its core, a parametric equalizer works by adjusting various audio parameters: The schematic diagram of a parametric equalizer typically consists of three. Equalizer Parametric Schematic.
From www.organised-sound.com
Parametric Equalizer Schematic Diagram Wiring Diagram Equalizer Parametric Schematic Learn how a parametric equalizer works by breaking down its three main sections: At its core, a parametric equalizer works by adjusting various audio parameters: A good parametric equalizer schematic diagram can serve as your visual guide as you explore the world of sound design. A parametric equaliser is much more versatile, with 3 controls per band: The gain, the. Equalizer Parametric Schematic.
From www.176iot.com
Parametric Equalizer Schematic Diagram IOT Wiring Diagram Equalizer Parametric Schematic The gain, the frequency and the bandwidth. Learn how to build and use tone controls, notch filters, peaks and notches with variable frequencies and q factors. Learn how a parametric equalizer works by breaking down its three main sections: See the components and functions of each section and. The schematic diagram of a parametric equalizer typically consists of three main. Equalizer Parametric Schematic.
From mungfali.com
Parametric Equalizer Schematic Equalizer Parametric Schematic Geofex.com offers simple, easy and flexible solutions for sound effects and. Learn how to build and use tone controls, notch filters, peaks and notches with variable frequencies and q factors. At its core, a parametric equalizer works by adjusting various audio parameters: The schematic diagram of a parametric equalizer shows the various components and their connections, providing a visual representation. Equalizer Parametric Schematic.
From www.wiringdigital.com
Parametric Equalizer Schematic Diagram » Wiring Digital And Schematic Equalizer Parametric Schematic Geofex.com offers simple, easy and flexible solutions for sound effects and. Learn how a parametric equalizer works by breaking down its three main sections: At its core, a parametric equalizer works by adjusting various audio parameters: See the components and functions of each section and. The schematic diagram of a parametric equalizer shows the various components and their connections, providing. Equalizer Parametric Schematic.
From electro-music.com
wiki Schematics / Moog Parametric Equalizer Equalizer Parametric Schematic Geofex.com offers simple, easy and flexible solutions for sound effects and. A parametric equaliser is much more versatile, with 3 controls per band: The schematic diagram of a parametric equalizer typically consists of three main sections: At its core, a parametric equalizer works by adjusting various audio parameters: The gain, the frequency and the bandwidth. The schematic diagram of a. Equalizer Parametric Schematic.
From understandcircuit.seesaa.net
Parametric Equalizer Using FDNRBased BPFs. アナログ電子楽器の回路を読む2 Equalizer Parametric Schematic Frequency, gain, and bandwidth (or q). A parametric equaliser is much more versatile, with 3 controls per band: A good parametric equalizer schematic diagram can serve as your visual guide as you explore the world of sound design. The schematic diagram of a parametric equalizer typically consists of three main sections: The gain, the frequency and the bandwidth. See the. Equalizer Parametric Schematic.
From www.wiringtoday.com
Parametric Equalizer Schematic Diagram Wiring Today Equalizer Parametric Schematic A parametric equaliser is much more versatile, with 3 controls per band: At its core, a parametric equalizer works by adjusting various audio parameters: See the components and functions of each section and. Frequency, gain, and bandwidth (or q). The gain, the frequency and the bandwidth. Learn how a parametric equalizer works by breaking down its three main sections: The. Equalizer Parametric Schematic.
From www.caretxdigital.com
Parametric Equalizer Schematic Diagram Wiring Diagram and Schematics Equalizer Parametric Schematic Learn how to build and use tone controls, notch filters, peaks and notches with variable frequencies and q factors. The schematic diagram of a parametric equalizer shows the various components and their connections, providing a visual representation of how the equalizer functions. At its core, a parametric equalizer works by adjusting various audio parameters: A parametric equaliser is much more. Equalizer Parametric Schematic.
From www.176iot.com
Parametric Equalizer Schematic Diagram IOT Wiring Diagram Equalizer Parametric Schematic Learn how a parametric equalizer works by breaking down its three main sections: The schematic diagram of a parametric equalizer typically consists of three main sections: The gain, the frequency and the bandwidth. Frequency, gain, and bandwidth (or q). A good parametric equalizer schematic diagram can serve as your visual guide as you explore the world of sound design. At. Equalizer Parametric Schematic.
From www.muzines.co.uk
Parametric Equaliser Project (HSR Mar 85) Equalizer Parametric Schematic The schematic diagram of a parametric equalizer typically consists of three main sections: Geofex.com offers simple, easy and flexible solutions for sound effects and. Learn how a parametric equalizer works by breaking down its three main sections: See the components and functions of each section and. At its core, a parametric equalizer works by adjusting various audio parameters: Learn how. Equalizer Parametric Schematic.
From electronics.stackexchange.com
Transfer Function of Parametric Equalizer Electrical Engineering Equalizer Parametric Schematic Geofex.com offers simple, easy and flexible solutions for sound effects and. The gain, the frequency and the bandwidth. A good parametric equalizer schematic diagram can serve as your visual guide as you explore the world of sound design. The schematic diagram of a parametric equalizer typically consists of three main sections: See the components and functions of each section and.. Equalizer Parametric Schematic.
From www.wiringdigital.com
Parametric Equalizer Schematic Diagram » Wiring Digital And Schematic Equalizer Parametric Schematic A parametric equaliser is much more versatile, with 3 controls per band: At its core, a parametric equalizer works by adjusting various audio parameters: See the components and functions of each section and. The gain, the frequency and the bandwidth. Geofex.com offers simple, easy and flexible solutions for sound effects and. Learn how to build and use tone controls, notch. Equalizer Parametric Schematic.
From schematicellsdorcas.z21.web.core.windows.net
Parametric Equalizer Schematic Equalizer Parametric Schematic See the components and functions of each section and. Learn how to build and use tone controls, notch filters, peaks and notches with variable frequencies and q factors. A parametric equaliser is much more versatile, with 3 controls per band: The schematic diagram of a parametric equalizer shows the various components and their connections, providing a visual representation of how. Equalizer Parametric Schematic.
From roelectronica.blogspot.com
RO ELECTRONICA SCHHEMA EGALIZATOR PARAMETRIC PARAMETRIC EQUALIZER Equalizer Parametric Schematic At its core, a parametric equalizer works by adjusting various audio parameters: Geofex.com offers simple, easy and flexible solutions for sound effects and. A good parametric equalizer schematic diagram can serve as your visual guide as you explore the world of sound design. The schematic diagram of a parametric equalizer shows the various components and their connections, providing a visual. Equalizer Parametric Schematic.
From www.haraldswerk.de
Parametric Equalizer, Resonating Filter filter. www.haraldswerk.de Equalizer Parametric Schematic At its core, a parametric equalizer works by adjusting various audio parameters: A parametric equaliser is much more versatile, with 3 controls per band: See the components and functions of each section and. Frequency, gain, and bandwidth (or q). Learn how to build and use tone controls, notch filters, peaks and notches with variable frequencies and q factors. Geofex.com offers. Equalizer Parametric Schematic.
From www.diagramboard.com
Parametric Equalizer Schematic » Diagram Board Equalizer Parametric Schematic Geofex.com offers simple, easy and flexible solutions for sound effects and. Learn how a parametric equalizer works by breaking down its three main sections: Learn how to build and use tone controls, notch filters, peaks and notches with variable frequencies and q factors. A parametric equaliser is much more versatile, with 3 controls per band: See the components and functions. Equalizer Parametric Schematic.
From www.wiringdigital.com
Parametric Equalizer Schematic Diagram » Wiring Digital And Schematic Equalizer Parametric Schematic The schematic diagram of a parametric equalizer typically consists of three main sections: Learn how to build and use tone controls, notch filters, peaks and notches with variable frequencies and q factors. See the components and functions of each section and. The schematic diagram of a parametric equalizer shows the various components and their connections, providing a visual representation of. Equalizer Parametric Schematic.
From www.176iot.com
Parametric Equalizer Schematic Diagram IOT Wiring Diagram Equalizer Parametric Schematic Geofex.com offers simple, easy and flexible solutions for sound effects and. Frequency, gain, and bandwidth (or q). Learn how to build and use tone controls, notch filters, peaks and notches with variable frequencies and q factors. At its core, a parametric equalizer works by adjusting various audio parameters: A good parametric equalizer schematic diagram can serve as your visual guide. Equalizer Parametric Schematic.
From mavink.com
Professional Parametric Eq Schematic Equalizer Parametric Schematic The gain, the frequency and the bandwidth. Frequency, gain, and bandwidth (or q). Geofex.com offers simple, easy and flexible solutions for sound effects and. A good parametric equalizer schematic diagram can serve as your visual guide as you explore the world of sound design. The schematic diagram of a parametric equalizer shows the various components and their connections, providing a. Equalizer Parametric Schematic.
From www.caretxdigital.com
Parametric Equalizer Schematic Diagram Wiring Diagram and Schematics Equalizer Parametric Schematic The schematic diagram of a parametric equalizer typically consists of three main sections: Geofex.com offers simple, easy and flexible solutions for sound effects and. Learn how to build and use tone controls, notch filters, peaks and notches with variable frequencies and q factors. At its core, a parametric equalizer works by adjusting various audio parameters: Frequency, gain, and bandwidth (or. Equalizer Parametric Schematic.
From www.176iot.com
Parametric Equalizer Schematic Diagram IOT Wiring Diagram Equalizer Parametric Schematic At its core, a parametric equalizer works by adjusting various audio parameters: Learn how a parametric equalizer works by breaking down its three main sections: The schematic diagram of a parametric equalizer shows the various components and their connections, providing a visual representation of how the equalizer functions. See the components and functions of each section and. The gain, the. Equalizer Parametric Schematic.
From www.next.gr
Graphic Equalizer under Audio Equalizer Circuits 133 Next.gr Equalizer Parametric Schematic Learn how to build and use tone controls, notch filters, peaks and notches with variable frequencies and q factors. Frequency, gain, and bandwidth (or q). A good parametric equalizer schematic diagram can serve as your visual guide as you explore the world of sound design. The schematic diagram of a parametric equalizer typically consists of three main sections: Learn how. Equalizer Parametric Schematic.
From userpartjackie.z21.web.core.windows.net
3 Band Equalizer Schematic Equalizer Parametric Schematic Geofex.com offers simple, easy and flexible solutions for sound effects and. A good parametric equalizer schematic diagram can serve as your visual guide as you explore the world of sound design. See the components and functions of each section and. A parametric equaliser is much more versatile, with 3 controls per band: The schematic diagram of a parametric equalizer typically. Equalizer Parametric Schematic.
From www.wiringdigital.com
Parametric Equalizer Schematic Diagram Wiring Digital and Schematic Equalizer Parametric Schematic A parametric equaliser is much more versatile, with 3 controls per band: A good parametric equalizer schematic diagram can serve as your visual guide as you explore the world of sound design. The schematic diagram of a parametric equalizer shows the various components and their connections, providing a visual representation of how the equalizer functions. The gain, the frequency and. Equalizer Parametric Schematic.
From itecnotes.com
Filter Parametric Equalizer with State Variable Filter Valuable Equalizer Parametric Schematic Frequency, gain, and bandwidth (or q). Learn how to build and use tone controls, notch filters, peaks and notches with variable frequencies and q factors. See the components and functions of each section and. A parametric equaliser is much more versatile, with 3 controls per band: Learn how a parametric equalizer works by breaking down its three main sections: Geofex.com. Equalizer Parametric Schematic.
From www.circuitdiagram.co
Parametric Equalizer Schematic Diagram Equalizer Parametric Schematic Learn how to build and use tone controls, notch filters, peaks and notches with variable frequencies and q factors. Geofex.com offers simple, easy and flexible solutions for sound effects and. At its core, a parametric equalizer works by adjusting various audio parameters: The schematic diagram of a parametric equalizer typically consists of three main sections: A good parametric equalizer schematic. Equalizer Parametric Schematic.
From designschemer.com
Designing a Parametric Equalizer Circuit Equalizer Parametric Schematic The schematic diagram of a parametric equalizer shows the various components and their connections, providing a visual representation of how the equalizer functions. The gain, the frequency and the bandwidth. Learn how a parametric equalizer works by breaking down its three main sections: Geofex.com offers simple, easy and flexible solutions for sound effects and. A parametric equaliser is much more. Equalizer Parametric Schematic.
From www.176iot.com
Parametric Equalizer Schematic Diagram IOT Wiring Diagram Equalizer Parametric Schematic The gain, the frequency and the bandwidth. A good parametric equalizer schematic diagram can serve as your visual guide as you explore the world of sound design. A parametric equaliser is much more versatile, with 3 controls per band: See the components and functions of each section and. Learn how a parametric equalizer works by breaking down its three main. Equalizer Parametric Schematic.
From www.wiringdigital.com
Parametric Equalizer Schematic Diagram Wiring Digital and Schematic Equalizer Parametric Schematic Geofex.com offers simple, easy and flexible solutions for sound effects and. A parametric equaliser is much more versatile, with 3 controls per band: At its core, a parametric equalizer works by adjusting various audio parameters: A good parametric equalizer schematic diagram can serve as your visual guide as you explore the world of sound design. See the components and functions. Equalizer Parametric Schematic.
From www.wiringdraw.com
Parametric Equalizer Circuit Diagram Wiring Draw And Schematic Equalizer Parametric Schematic At its core, a parametric equalizer works by adjusting various audio parameters: Learn how a parametric equalizer works by breaking down its three main sections: The gain, the frequency and the bandwidth. A parametric equaliser is much more versatile, with 3 controls per band: See the components and functions of each section and. The schematic diagram of a parametric equalizer. Equalizer Parametric Schematic.