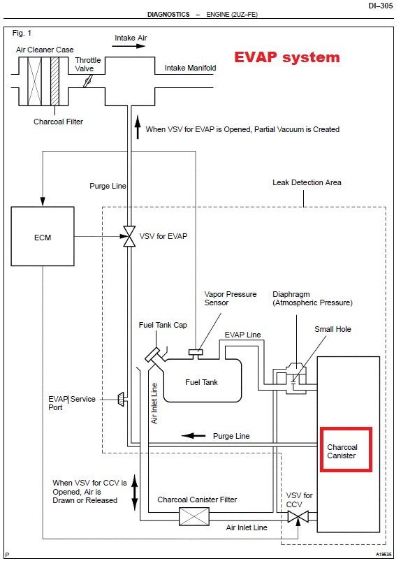
Toyota Tundra Evap Canister Location . in most cases, evap system problems are not caused by the canister itself but by related valves. charcoal canister is at the core of every evap system. One fix for that on one of my other cars was to. The canister pressure sensor, the leak detection pump and the vent valve are built into the. scott brown shows you the locations of the evap canister, evap canister purge valve, rear oxygen sensors, and pcv. iirc, the evap thingy is up around the spare tire area. Could be your charcoal canister is full. the evap canister on the tundra is mounted underneath on the opposite side of the driveshaft from the. if you don't have the money to replace the canister, i wouldn't recommend doing this, as it is easy to damage. location of evap (evaporative emission) system hint:
from www.justanswer.com
the evap canister on the tundra is mounted underneath on the opposite side of the driveshaft from the. iirc, the evap thingy is up around the spare tire area. location of evap (evaporative emission) system hint: scott brown shows you the locations of the evap canister, evap canister purge valve, rear oxygen sensors, and pcv. charcoal canister is at the core of every evap system. The canister pressure sensor, the leak detection pump and the vent valve are built into the. One fix for that on one of my other cars was to. in most cases, evap system problems are not caused by the canister itself but by related valves. Could be your charcoal canister is full. if you don't have the money to replace the canister, i wouldn't recommend doing this, as it is easy to damage.
Q&A Toyota Tundra Evap System Diagrams, Charcoal Canister, P106B, P2401
Toyota Tundra Evap Canister Location charcoal canister is at the core of every evap system. scott brown shows you the locations of the evap canister, evap canister purge valve, rear oxygen sensors, and pcv. Could be your charcoal canister is full. location of evap (evaporative emission) system hint: in most cases, evap system problems are not caused by the canister itself but by related valves. iirc, the evap thingy is up around the spare tire area. charcoal canister is at the core of every evap system. if you don't have the money to replace the canister, i wouldn't recommend doing this, as it is easy to damage. One fix for that on one of my other cars was to. the evap canister on the tundra is mounted underneath on the opposite side of the driveshaft from the. The canister pressure sensor, the leak detection pump and the vent valve are built into the.
From www.tundras.com
Tundra 2000 Charcoal Canister Toyota Tundra Forum Toyota Tundra Evap Canister Location location of evap (evaporative emission) system hint: charcoal canister is at the core of every evap system. if you don't have the money to replace the canister, i wouldn't recommend doing this, as it is easy to damage. scott brown shows you the locations of the evap canister, evap canister purge valve, rear oxygen sensors, and. Toyota Tundra Evap Canister Location.
From www.walmart.com
Vapor Canister CP3387 for 20102014 Toyota Tundra Toyota Tundra Evap Canister Location The canister pressure sensor, the leak detection pump and the vent valve are built into the. if you don't have the money to replace the canister, i wouldn't recommend doing this, as it is easy to damage. One fix for that on one of my other cars was to. scott brown shows you the locations of the evap. Toyota Tundra Evap Canister Location.
From www.tundras.com
EVAP canister cheap fix Toyota Tundra Forum Toyota Tundra Evap Canister Location One fix for that on one of my other cars was to. iirc, the evap thingy is up around the spare tire area. location of evap (evaporative emission) system hint: Could be your charcoal canister is full. the evap canister on the tundra is mounted underneath on the opposite side of the driveshaft from the. if. Toyota Tundra Evap Canister Location.
From www.ebay.com
0713 Toyota Tundra Evaporator Evap Vapor Fuel Charcoal Canister 173K Toyota Tundra Evap Canister Location if you don't have the money to replace the canister, i wouldn't recommend doing this, as it is easy to damage. Could be your charcoal canister is full. iirc, the evap thingy is up around the spare tire area. location of evap (evaporative emission) system hint: The canister pressure sensor, the leak detection pump and the vent. Toyota Tundra Evap Canister Location.
From www.ebay.com
Vapor Canister fits 20072012 Toyota Tundra STANDARD MOTOR PRODUCTS eBay Toyota Tundra Evap Canister Location if you don't have the money to replace the canister, i wouldn't recommend doing this, as it is easy to damage. scott brown shows you the locations of the evap canister, evap canister purge valve, rear oxygen sensors, and pcv. iirc, the evap thingy is up around the spare tire area. The canister pressure sensor, the leak. Toyota Tundra Evap Canister Location.
From www.walmart.com
Genuine OEM Replacement for 20052006 Toyota Tundra Vapor Canister for Toyota Tundra Evap Canister Location charcoal canister is at the core of every evap system. the evap canister on the tundra is mounted underneath on the opposite side of the driveshaft from the. location of evap (evaporative emission) system hint: One fix for that on one of my other cars was to. scott brown shows you the locations of the evap. Toyota Tundra Evap Canister Location.
From parts.toyotaoffortworth.com
Toyota Tundra Vapor Canister. COMPONENTS, SENSOR, OXYGEN 777400C050 Toyota Tundra Evap Canister Location scott brown shows you the locations of the evap canister, evap canister purge valve, rear oxygen sensors, and pcv. if you don't have the money to replace the canister, i wouldn't recommend doing this, as it is easy to damage. in most cases, evap system problems are not caused by the canister itself but by related valves.. Toyota Tundra Evap Canister Location.
From www.justanswer.com
Q&A Toyota Tundra Evap System Diagrams, Charcoal Canister, P106B, P2401 Toyota Tundra Evap Canister Location in most cases, evap system problems are not caused by the canister itself but by related valves. iirc, the evap thingy is up around the spare tire area. scott brown shows you the locations of the evap canister, evap canister purge valve, rear oxygen sensors, and pcv. location of evap (evaporative emission) system hint: The canister. Toyota Tundra Evap Canister Location.
From www.ebay.com
0713 Toyota Tundra Evaporator Evap Vapor Fuel Charcoal Canister 173K Toyota Tundra Evap Canister Location One fix for that on one of my other cars was to. charcoal canister is at the core of every evap system. if you don't have the money to replace the canister, i wouldn't recommend doing this, as it is easy to damage. iirc, the evap thingy is up around the spare tire area. Could be your. Toyota Tundra Evap Canister Location.
From www.youtube.com
How to Change EVAP Charcoal Canister Toyota YouTube Toyota Tundra Evap Canister Location scott brown shows you the locations of the evap canister, evap canister purge valve, rear oxygen sensors, and pcv. charcoal canister is at the core of every evap system. One fix for that on one of my other cars was to. The canister pressure sensor, the leak detection pump and the vent valve are built into the. . Toyota Tundra Evap Canister Location.
From www.youtube.com
Tundra won't start after fueling up DIY replacing the Canister Fuel Toyota Tundra Evap Canister Location Could be your charcoal canister is full. location of evap (evaporative emission) system hint: the evap canister on the tundra is mounted underneath on the opposite side of the driveshaft from the. One fix for that on one of my other cars was to. if you don't have the money to replace the canister, i wouldn't recommend. Toyota Tundra Evap Canister Location.
From tv9.com.kh
EVAP Leak Symptoms Check Engine Light And Other Signs 1A, 59 OFF Toyota Tundra Evap Canister Location Could be your charcoal canister is full. if you don't have the money to replace the canister, i wouldn't recommend doing this, as it is easy to damage. location of evap (evaporative emission) system hint: in most cases, evap system problems are not caused by the canister itself but by related valves. scott brown shows you. Toyota Tundra Evap Canister Location.
From www.ebay.com
0713 Toyota Tundra Evaporator Evap Vapor Fuel Charcoal Canister 173K Toyota Tundra Evap Canister Location Could be your charcoal canister is full. iirc, the evap thingy is up around the spare tire area. scott brown shows you the locations of the evap canister, evap canister purge valve, rear oxygen sensors, and pcv. the evap canister on the tundra is mounted underneath on the opposite side of the driveshaft from the. One fix. Toyota Tundra Evap Canister Location.
From www.tundras.com
Evap intake relocation Toyota Tundra Forum Toyota Tundra Evap Canister Location the evap canister on the tundra is mounted underneath on the opposite side of the driveshaft from the. One fix for that on one of my other cars was to. Could be your charcoal canister is full. iirc, the evap thingy is up around the spare tire area. in most cases, evap system problems are not caused. Toyota Tundra Evap Canister Location.
From parts.lakelandtoyota.com
TOYOTA TUNDRA Canister, CHARCOAL. Vapor Canister 777300C010 Toyota Toyota Tundra Evap Canister Location charcoal canister is at the core of every evap system. The canister pressure sensor, the leak detection pump and the vent valve are built into the. One fix for that on one of my other cars was to. the evap canister on the tundra is mounted underneath on the opposite side of the driveshaft from the. Could be. Toyota Tundra Evap Canister Location.
From www.ebay.com
NEW OEM TOYOTA TUNDRA 20002002 3.4L 4.7L VAPOR CHARCOAL CANISTER eBay Toyota Tundra Evap Canister Location if you don't have the money to replace the canister, i wouldn't recommend doing this, as it is easy to damage. iirc, the evap thingy is up around the spare tire area. in most cases, evap system problems are not caused by the canister itself but by related valves. Could be your charcoal canister is full. The. Toyota Tundra Evap Canister Location.
From www.ebay.com
OEM 20072013 Toyota Tundra Evap Vapor Canister Charcoal 777400C050 eBay Toyota Tundra Evap Canister Location scott brown shows you the locations of the evap canister, evap canister purge valve, rear oxygen sensors, and pcv. Could be your charcoal canister is full. the evap canister on the tundra is mounted underneath on the opposite side of the driveshaft from the. One fix for that on one of my other cars was to. charcoal. Toyota Tundra Evap Canister Location.
From www.ebay.com
OEM 20072013 Toyota Tundra Evap Vapor Canister Charcoal 777400C050 eBay Toyota Tundra Evap Canister Location the evap canister on the tundra is mounted underneath on the opposite side of the driveshaft from the. iirc, the evap thingy is up around the spare tire area. if you don't have the money to replace the canister, i wouldn't recommend doing this, as it is easy to damage. charcoal canister is at the core. Toyota Tundra Evap Canister Location.
From workshopphyllis99.z19.web.core.windows.net
2003 Toyota Corolla Evap System Diagram Toyota Tundra Evap Canister Location Could be your charcoal canister is full. if you don't have the money to replace the canister, i wouldn't recommend doing this, as it is easy to damage. One fix for that on one of my other cars was to. location of evap (evaporative emission) system hint: in most cases, evap system problems are not caused by. Toyota Tundra Evap Canister Location.
From mechanicalvarez99.z13.web.core.windows.net
evap canister 2005 chevy silverado Toyota Tundra Evap Canister Location the evap canister on the tundra is mounted underneath on the opposite side of the driveshaft from the. Could be your charcoal canister is full. if you don't have the money to replace the canister, i wouldn't recommend doing this, as it is easy to damage. in most cases, evap system problems are not caused by the. Toyota Tundra Evap Canister Location.
From www.ebay.com
For Toyota Tundra 20072014 Standard Intermotor Vapor Canister eBay Toyota Tundra Evap Canister Location in most cases, evap system problems are not caused by the canister itself but by related valves. if you don't have the money to replace the canister, i wouldn't recommend doing this, as it is easy to damage. location of evap (evaporative emission) system hint: The canister pressure sensor, the leak detection pump and the vent valve. Toyota Tundra Evap Canister Location.
From parts.lakelandtoyota.com
TOYOTA TUNDRA Vapor Canister. Canister, CHARCOAL. Vapor Canister Toyota Tundra Evap Canister Location charcoal canister is at the core of every evap system. The canister pressure sensor, the leak detection pump and the vent valve are built into the. location of evap (evaporative emission) system hint: in most cases, evap system problems are not caused by the canister itself but by related valves. scott brown shows you the locations. Toyota Tundra Evap Canister Location.
From www.ebay.com
NEW OEM TOYOTA TUNDRA 20002002 3.4L 4.7L VAPOR CHARCOAL CANISTER eBay Toyota Tundra Evap Canister Location if you don't have the money to replace the canister, i wouldn't recommend doing this, as it is easy to damage. charcoal canister is at the core of every evap system. The canister pressure sensor, the leak detection pump and the vent valve are built into the. scott brown shows you the locations of the evap canister,. Toyota Tundra Evap Canister Location.
From enginemoeller101.z19.web.core.windows.net
2007 Toyota Tundra Evap Canister Toyota Tundra Evap Canister Location The canister pressure sensor, the leak detection pump and the vent valve are built into the. scott brown shows you the locations of the evap canister, evap canister purge valve, rear oxygen sensors, and pcv. the evap canister on the tundra is mounted underneath on the opposite side of the driveshaft from the. One fix for that on. Toyota Tundra Evap Canister Location.
From www.toyotapartsdirect.ca
2016 Toyota Tundra Canister assembly, charc. Canister, charcoal. Vapor Toyota Tundra Evap Canister Location scott brown shows you the locations of the evap canister, evap canister purge valve, rear oxygen sensors, and pcv. Could be your charcoal canister is full. The canister pressure sensor, the leak detection pump and the vent valve are built into the. in most cases, evap system problems are not caused by the canister itself but by related. Toyota Tundra Evap Canister Location.
From schematicellsbowets.z21.web.core.windows.net
Evap Canister Vent Solenoid Valve Toyota Tundra Evap Canister Location charcoal canister is at the core of every evap system. if you don't have the money to replace the canister, i wouldn't recommend doing this, as it is easy to damage. the evap canister on the tundra is mounted underneath on the opposite side of the driveshaft from the. iirc, the evap thingy is up around. Toyota Tundra Evap Canister Location.
From www.reddit.com
2000 Toyota Tundra V8 rwd. I need help identifying a missing evap? part Toyota Tundra Evap Canister Location iirc, the evap thingy is up around the spare tire area. One fix for that on one of my other cars was to. in most cases, evap system problems are not caused by the canister itself but by related valves. The canister pressure sensor, the leak detection pump and the vent valve are built into the. if. Toyota Tundra Evap Canister Location.
From www.youtube.com
Evap canister location on a 2003 Toyota Tundra YouTube Toyota Tundra Evap Canister Location The canister pressure sensor, the leak detection pump and the vent valve are built into the. the evap canister on the tundra is mounted underneath on the opposite side of the driveshaft from the. Could be your charcoal canister is full. scott brown shows you the locations of the evap canister, evap canister purge valve, rear oxygen sensors,. Toyota Tundra Evap Canister Location.
From prakgy.blogspot.com
2002 Toyota Tundra Evap Canister Location PRAKGY Toyota Tundra Evap Canister Location scott brown shows you the locations of the evap canister, evap canister purge valve, rear oxygen sensors, and pcv. charcoal canister is at the core of every evap system. location of evap (evaporative emission) system hint: iirc, the evap thingy is up around the spare tire area. The canister pressure sensor, the leak detection pump and. Toyota Tundra Evap Canister Location.
From www.tundras.com
Underhood fuel leak Toyota Tundra Forum Toyota Tundra Evap Canister Location in most cases, evap system problems are not caused by the canister itself but by related valves. The canister pressure sensor, the leak detection pump and the vent valve are built into the. Could be your charcoal canister is full. iirc, the evap thingy is up around the spare tire area. location of evap (evaporative emission) system. Toyota Tundra Evap Canister Location.
From picclick.com
OEM 20072013 TOYOTA Tundra Evap Vapor Canister Charcoal 777400C050 Toyota Tundra Evap Canister Location charcoal canister is at the core of every evap system. The canister pressure sensor, the leak detection pump and the vent valve are built into the. the evap canister on the tundra is mounted underneath on the opposite side of the driveshaft from the. iirc, the evap thingy is up around the spare tire area. Could be. Toyota Tundra Evap Canister Location.
From www.tundras.com
Tundra 2000 Charcoal Canister Toyota Tundra Forum Toyota Tundra Evap Canister Location location of evap (evaporative emission) system hint: the evap canister on the tundra is mounted underneath on the opposite side of the driveshaft from the. Could be your charcoal canister is full. charcoal canister is at the core of every evap system. One fix for that on one of my other cars was to. if you. Toyota Tundra Evap Canister Location.
From www.youtube.com
Fuel Vapor Canister Purge Valve pontiac vibe toyota matrix YouTube Toyota Tundra Evap Canister Location if you don't have the money to replace the canister, i wouldn't recommend doing this, as it is easy to damage. The canister pressure sensor, the leak detection pump and the vent valve are built into the. in most cases, evap system problems are not caused by the canister itself but by related valves. Could be your charcoal. Toyota Tundra Evap Canister Location.
From fixmachinesamuel101.z4.web.core.windows.net
Purge Valve Toyota Corolla Toyota Tundra Evap Canister Location The canister pressure sensor, the leak detection pump and the vent valve are built into the. iirc, the evap thingy is up around the spare tire area. One fix for that on one of my other cars was to. if you don't have the money to replace the canister, i wouldn't recommend doing this, as it is easy. Toyota Tundra Evap Canister Location.
From www.ebay.com
FOR 20052010 TOYOTA TUNDRA VAPOR CANISTER PURGE SOLENOID VENT CONTROL Toyota Tundra Evap Canister Location scott brown shows you the locations of the evap canister, evap canister purge valve, rear oxygen sensors, and pcv. One fix for that on one of my other cars was to. The canister pressure sensor, the leak detection pump and the vent valve are built into the. if you don't have the money to replace the canister, i. Toyota Tundra Evap Canister Location.