Bladder Tank Drawdown Chart . All diaphragm tank sizing begins with a basic law of physics known as boyle’s law. Measure of tank acceptance volume, which is typically considered to be available water volume or tank drawdown. Total total tank volume is a. Calculate suggested models, view and download submittals, and email quote requests all with this. When applied to hydronic and thermal expansion tanks it will. The overall volume of the tank, including air and water. Quickly and easily size a tank from any web browser with our tank sizing calculator. Acceptance factor chart this table incorporates atmospheric pressure (14.7 psi at sea level) use gage pressure.
from bceweb.org
When applied to hydronic and thermal expansion tanks it will. Calculate suggested models, view and download submittals, and email quote requests all with this. The overall volume of the tank, including air and water. Total total tank volume is a. Measure of tank acceptance volume, which is typically considered to be available water volume or tank drawdown. Acceptance factor chart this table incorporates atmospheric pressure (14.7 psi at sea level) use gage pressure. Quickly and easily size a tank from any web browser with our tank sizing calculator. All diaphragm tank sizing begins with a basic law of physics known as boyle’s law.
Pressure Tank Drawdown Chart A Visual Reference of Charts Chart Master
Bladder Tank Drawdown Chart All diaphragm tank sizing begins with a basic law of physics known as boyle’s law. The overall volume of the tank, including air and water. Total total tank volume is a. Measure of tank acceptance volume, which is typically considered to be available water volume or tank drawdown. All diaphragm tank sizing begins with a basic law of physics known as boyle’s law. Quickly and easily size a tank from any web browser with our tank sizing calculator. When applied to hydronic and thermal expansion tanks it will. Acceptance factor chart this table incorporates atmospheric pressure (14.7 psi at sea level) use gage pressure. Calculate suggested models, view and download submittals, and email quote requests all with this.
From www.researchgate.net
Schematic of a spherical bladder tank [R23]. Download Scientific Diagram Bladder Tank Drawdown Chart Quickly and easily size a tank from any web browser with our tank sizing calculator. All diaphragm tank sizing begins with a basic law of physics known as boyle’s law. Measure of tank acceptance volume, which is typically considered to be available water volume or tank drawdown. Total total tank volume is a. Calculate suggested models, view and download submittals,. Bladder Tank Drawdown Chart.
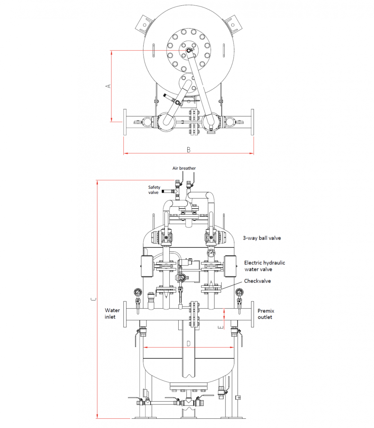
From innovfoam.nl
Bladder Tank Proportioner InnoVfoam Bladder Tank Drawdown Chart When applied to hydronic and thermal expansion tanks it will. Calculate suggested models, view and download submittals, and email quote requests all with this. Acceptance factor chart this table incorporates atmospheric pressure (14.7 psi at sea level) use gage pressure. The overall volume of the tank, including air and water. Total total tank volume is a. All diaphragm tank sizing. Bladder Tank Drawdown Chart.
From rps-solar-pumps.zendesk.com
An Explanation on Pressure Tanks 24/7 RPS Support Center Bladder Tank Drawdown Chart Calculate suggested models, view and download submittals, and email quote requests all with this. When applied to hydronic and thermal expansion tanks it will. Total total tank volume is a. All diaphragm tank sizing begins with a basic law of physics known as boyle’s law. Measure of tank acceptance volume, which is typically considered to be available water volume or. Bladder Tank Drawdown Chart.
From www.scribd.com
Bladder Tank PDF Bladder Tank Drawdown Chart Quickly and easily size a tank from any web browser with our tank sizing calculator. When applied to hydronic and thermal expansion tanks it will. The overall volume of the tank, including air and water. Total total tank volume is a. Calculate suggested models, view and download submittals, and email quote requests all with this. Measure of tank acceptance volume,. Bladder Tank Drawdown Chart.
From waterfilterguru.com
Bladder Tank vs Pressure Tank What's the Difference? Bladder Tank Drawdown Chart Total total tank volume is a. The overall volume of the tank, including air and water. When applied to hydronic and thermal expansion tanks it will. Measure of tank acceptance volume, which is typically considered to be available water volume or tank drawdown. Calculate suggested models, view and download submittals, and email quote requests all with this. Quickly and easily. Bladder Tank Drawdown Chart.
From mungfali.com
Pressure Tank Drawdown Chart Bladder Tank Drawdown Chart The overall volume of the tank, including air and water. Total total tank volume is a. Calculate suggested models, view and download submittals, and email quote requests all with this. Measure of tank acceptance volume, which is typically considered to be available water volume or tank drawdown. Quickly and easily size a tank from any web browser with our tank. Bladder Tank Drawdown Chart.
From www.scribd.com
Bladder Tanks Data Sheet PDF PDF Nature Bladder Tank Drawdown Chart Quickly and easily size a tank from any web browser with our tank sizing calculator. Calculate suggested models, view and download submittals, and email quote requests all with this. When applied to hydronic and thermal expansion tanks it will. The overall volume of the tank, including air and water. Total total tank volume is a. Acceptance factor chart this table. Bladder Tank Drawdown Chart.
From www.tanks-direct.co.uk
Bladder Tanks Explained What Are Pillow Tanks Tanks Direct Bladder Tank Drawdown Chart Acceptance factor chart this table incorporates atmospheric pressure (14.7 psi at sea level) use gage pressure. Quickly and easily size a tank from any web browser with our tank sizing calculator. All diaphragm tank sizing begins with a basic law of physics known as boyle’s law. When applied to hydronic and thermal expansion tanks it will. The overall volume of. Bladder Tank Drawdown Chart.
From mungfali.com
Pressure Tank Drawdown Chart Bladder Tank Drawdown Chart When applied to hydronic and thermal expansion tanks it will. All diaphragm tank sizing begins with a basic law of physics known as boyle’s law. Quickly and easily size a tank from any web browser with our tank sizing calculator. Measure of tank acceptance volume, which is typically considered to be available water volume or tank drawdown. Calculate suggested models,. Bladder Tank Drawdown Chart.
From justcallcooks.com
Pressure Tanks Cooks Plumbing, Heating, Electrical and Air Conditioning Bladder Tank Drawdown Chart Acceptance factor chart this table incorporates atmospheric pressure (14.7 psi at sea level) use gage pressure. Measure of tank acceptance volume, which is typically considered to be available water volume or tank drawdown. All diaphragm tank sizing begins with a basic law of physics known as boyle’s law. Quickly and easily size a tank from any web browser with our. Bladder Tank Drawdown Chart.
From www.youtube.com
How to Size Pressure Tank Bladder, Diaphragm , Expansion Tank YouTube Bladder Tank Drawdown Chart Measure of tank acceptance volume, which is typically considered to be available water volume or tank drawdown. Calculate suggested models, view and download submittals, and email quote requests all with this. Total total tank volume is a. The overall volume of the tank, including air and water. All diaphragm tank sizing begins with a basic law of physics known as. Bladder Tank Drawdown Chart.
From exoaemaqp.blob.core.windows.net
How Does A Bladder Tank Work On A Well at Ruth Hinshaw blog Bladder Tank Drawdown Chart Calculate suggested models, view and download submittals, and email quote requests all with this. Total total tank volume is a. Measure of tank acceptance volume, which is typically considered to be available water volume or tank drawdown. Quickly and easily size a tank from any web browser with our tank sizing calculator. Acceptance factor chart this table incorporates atmospheric pressure. Bladder Tank Drawdown Chart.
From www.scribd.com
Chemgaurd Bladder Tank Design and System Installation PDF PDF Valve Bladder Tank Drawdown Chart The overall volume of the tank, including air and water. All diaphragm tank sizing begins with a basic law of physics known as boyle’s law. Total total tank volume is a. Calculate suggested models, view and download submittals, and email quote requests all with this. Measure of tank acceptance volume, which is typically considered to be available water volume or. Bladder Tank Drawdown Chart.
From www.aquaprofessor.com
Bladder Tank VS Pressure Tank 5 Key Differences (2024) Aqua Professor Bladder Tank Drawdown Chart When applied to hydronic and thermal expansion tanks it will. Measure of tank acceptance volume, which is typically considered to be available water volume or tank drawdown. Calculate suggested models, view and download submittals, and email quote requests all with this. All diaphragm tank sizing begins with a basic law of physics known as boyle’s law. Acceptance factor chart this. Bladder Tank Drawdown Chart.
From promedic.co.th
Water Bladder Tank Pro Medic Bladder Tank Drawdown Chart Measure of tank acceptance volume, which is typically considered to be available water volume or tank drawdown. Calculate suggested models, view and download submittals, and email quote requests all with this. Quickly and easily size a tank from any web browser with our tank sizing calculator. The overall volume of the tank, including air and water. When applied to hydronic. Bladder Tank Drawdown Chart.
From katherinenorton.z21.web.core.windows.net
Pressure Tank Drawdown Chart Bladder Tank Drawdown Chart All diaphragm tank sizing begins with a basic law of physics known as boyle’s law. Measure of tank acceptance volume, which is typically considered to be available water volume or tank drawdown. When applied to hydronic and thermal expansion tanks it will. Total total tank volume is a. Quickly and easily size a tank from any web browser with our. Bladder Tank Drawdown Chart.
From www.researchgate.net
Tank bladder concept. These dimensions correspond to the WCD that were Bladder Tank Drawdown Chart Quickly and easily size a tank from any web browser with our tank sizing calculator. When applied to hydronic and thermal expansion tanks it will. Acceptance factor chart this table incorporates atmospheric pressure (14.7 psi at sea level) use gage pressure. Calculate suggested models, view and download submittals, and email quote requests all with this. All diaphragm tank sizing begins. Bladder Tank Drawdown Chart.
From www.pnx-spb.ru
Bladder tank. How to reduce risks when purchasing and operating a Bladder Tank Drawdown Chart When applied to hydronic and thermal expansion tanks it will. Calculate suggested models, view and download submittals, and email quote requests all with this. Acceptance factor chart this table incorporates atmospheric pressure (14.7 psi at sea level) use gage pressure. Quickly and easily size a tank from any web browser with our tank sizing calculator. Total total tank volume is. Bladder Tank Drawdown Chart.
From www.pnx-spb.ru
Bladder tank. Purchase, installation and operation of the bladder tank Bladder Tank Drawdown Chart Acceptance factor chart this table incorporates atmospheric pressure (14.7 psi at sea level) use gage pressure. The overall volume of the tank, including air and water. Calculate suggested models, view and download submittals, and email quote requests all with this. Total total tank volume is a. Measure of tank acceptance volume, which is typically considered to be available water volume. Bladder Tank Drawdown Chart.
From www.scribd.com
Ansul Bladder Tank Measurement Guide PDF Bladder Tank Drawdown Chart Acceptance factor chart this table incorporates atmospheric pressure (14.7 psi at sea level) use gage pressure. Quickly and easily size a tank from any web browser with our tank sizing calculator. All diaphragm tank sizing begins with a basic law of physics known as boyle’s law. Measure of tank acceptance volume, which is typically considered to be available water volume. Bladder Tank Drawdown Chart.
From 52.6.11.100
Hydropneumatic Tank Sizing HVAC/R & Solar Bladder Tank Drawdown Chart Calculate suggested models, view and download submittals, and email quote requests all with this. All diaphragm tank sizing begins with a basic law of physics known as boyle’s law. Total total tank volume is a. Acceptance factor chart this table incorporates atmospheric pressure (14.7 psi at sea level) use gage pressure. Quickly and easily size a tank from any web. Bladder Tank Drawdown Chart.
From www.sismexico.com.mx
DOCUMENTACIÒN Bladder Tank Drawdown Chart Measure of tank acceptance volume, which is typically considered to be available water volume or tank drawdown. Total total tank volume is a. The overall volume of the tank, including air and water. Quickly and easily size a tank from any web browser with our tank sizing calculator. When applied to hydronic and thermal expansion tanks it will. Acceptance factor. Bladder Tank Drawdown Chart.
From www.chemguard.com
Bladder Tanks Bladder Tank Drawdown Chart Measure of tank acceptance volume, which is typically considered to be available water volume or tank drawdown. The overall volume of the tank, including air and water. All diaphragm tank sizing begins with a basic law of physics known as boyle’s law. Total total tank volume is a. Quickly and easily size a tank from any web browser with our. Bladder Tank Drawdown Chart.
From designscad.com
AFFF Bladder Tank Horizontal Standard and PrePiped Tanks • Designs CAD Bladder Tank Drawdown Chart Total total tank volume is a. Calculate suggested models, view and download submittals, and email quote requests all with this. Measure of tank acceptance volume, which is typically considered to be available water volume or tank drawdown. Quickly and easily size a tank from any web browser with our tank sizing calculator. The overall volume of the tank, including air. Bladder Tank Drawdown Chart.
From plumbingsniper.com
Types of Pressure Tanks Bladder, Diaphragm, Galvanized Plumbing Sniper Bladder Tank Drawdown Chart Total total tank volume is a. The overall volume of the tank, including air and water. Acceptance factor chart this table incorporates atmospheric pressure (14.7 psi at sea level) use gage pressure. Calculate suggested models, view and download submittals, and email quote requests all with this. When applied to hydronic and thermal expansion tanks it will. Measure of tank acceptance. Bladder Tank Drawdown Chart.
From hansontank.com
MB728B 316 Stainless Steel Bladder Tank Hanson Tank Asme Code Bladder Tank Drawdown Chart Quickly and easily size a tank from any web browser with our tank sizing calculator. Measure of tank acceptance volume, which is typically considered to be available water volume or tank drawdown. Calculate suggested models, view and download submittals, and email quote requests all with this. The overall volume of the tank, including air and water. All diaphragm tank sizing. Bladder Tank Drawdown Chart.
From innovfoam.nl
Bladdertank with proportioner InnoVfoam Bladder Tank Drawdown Chart Acceptance factor chart this table incorporates atmospheric pressure (14.7 psi at sea level) use gage pressure. When applied to hydronic and thermal expansion tanks it will. Total total tank volume is a. The overall volume of the tank, including air and water. Calculate suggested models, view and download submittals, and email quote requests all with this. Measure of tank acceptance. Bladder Tank Drawdown Chart.
From waterwelljournal.com
Tank Selection by the Numbers Water Well Journal Bladder Tank Drawdown Chart When applied to hydronic and thermal expansion tanks it will. Acceptance factor chart this table incorporates atmospheric pressure (14.7 psi at sea level) use gage pressure. Calculate suggested models, view and download submittals, and email quote requests all with this. Measure of tank acceptance volume, which is typically considered to be available water volume or tank drawdown. Total total tank. Bladder Tank Drawdown Chart.
From worldwaterreserve.com
5 of the Best Well Pressure Tanks Homeowners Trust in 2024 World Bladder Tank Drawdown Chart Total total tank volume is a. All diaphragm tank sizing begins with a basic law of physics known as boyle’s law. Calculate suggested models, view and download submittals, and email quote requests all with this. Acceptance factor chart this table incorporates atmospheric pressure (14.7 psi at sea level) use gage pressure. Measure of tank acceptance volume, which is typically considered. Bladder Tank Drawdown Chart.
From ielasi.weebly.com
Drawdown definition for pressure tank ieLasi Bladder Tank Drawdown Chart When applied to hydronic and thermal expansion tanks it will. All diaphragm tank sizing begins with a basic law of physics known as boyle’s law. Total total tank volume is a. Acceptance factor chart this table incorporates atmospheric pressure (14.7 psi at sea level) use gage pressure. Calculate suggested models, view and download submittals, and email quote requests all with. Bladder Tank Drawdown Chart.
From bceweb.org
Pressure Tank Drawdown Chart A Visual Reference of Charts Chart Master Bladder Tank Drawdown Chart When applied to hydronic and thermal expansion tanks it will. Total total tank volume is a. Quickly and easily size a tank from any web browser with our tank sizing calculator. Measure of tank acceptance volume, which is typically considered to be available water volume or tank drawdown. Acceptance factor chart this table incorporates atmospheric pressure (14.7 psi at sea. Bladder Tank Drawdown Chart.
From justcallcooks.com
Pressure Tanks Cooks Plumbing, Heating, Electrical and Air Conditioning Bladder Tank Drawdown Chart Acceptance factor chart this table incorporates atmospheric pressure (14.7 psi at sea level) use gage pressure. Measure of tank acceptance volume, which is typically considered to be available water volume or tank drawdown. Total total tank volume is a. Quickly and easily size a tank from any web browser with our tank sizing calculator. When applied to hydronic and thermal. Bladder Tank Drawdown Chart.
From www.luchteldist.com
Storage Tanks Luchtel Distributing Bladder Tank Drawdown Chart Measure of tank acceptance volume, which is typically considered to be available water volume or tank drawdown. The overall volume of the tank, including air and water. Quickly and easily size a tank from any web browser with our tank sizing calculator. When applied to hydronic and thermal expansion tanks it will. All diaphragm tank sizing begins with a basic. Bladder Tank Drawdown Chart.
From tank-bladders.com
Specialist in replaceable tank bladders for expansion and pressure vessels Bladder Tank Drawdown Chart Calculate suggested models, view and download submittals, and email quote requests all with this. Acceptance factor chart this table incorporates atmospheric pressure (14.7 psi at sea level) use gage pressure. Quickly and easily size a tank from any web browser with our tank sizing calculator. Total total tank volume is a. When applied to hydronic and thermal expansion tanks it. Bladder Tank Drawdown Chart.
From www.planmarketplace.com
Bladder Tanks Metric Sizes 9 Pages PlanMarketplace Bladder Tank Drawdown Chart Acceptance factor chart this table incorporates atmospheric pressure (14.7 psi at sea level) use gage pressure. Calculate suggested models, view and download submittals, and email quote requests all with this. Quickly and easily size a tank from any web browser with our tank sizing calculator. Measure of tank acceptance volume, which is typically considered to be available water volume or. Bladder Tank Drawdown Chart.