Instrumentation Diagram Details . A p&id or process and instrumentation diagram provides a detailed graphical representation of the actual process system that includes the piping, equipment, valves,. The piping and instrumentation diagram is also known as the process engineering flow scheme, pefs. A piping & instrumentation diagram (p&id) is a schematic layout of a plant that displays the units to be used, the pipes connecting these units, and the sensors and control. You will learn how to read p&id and pefs. Piping and instrumentation diagrams (p&ids) use specific symbols to show the connectivity of equipment, sensors, and valves in a control system. A piping & instrumentation diagram (p&id) is a detailed graphical representation of the piping, process flow, instrumentation, and control. A piping & instrumentation diagram or p&id is a schematic illustration of the functional relationship of piping,.
from cookprocesssolutions.com
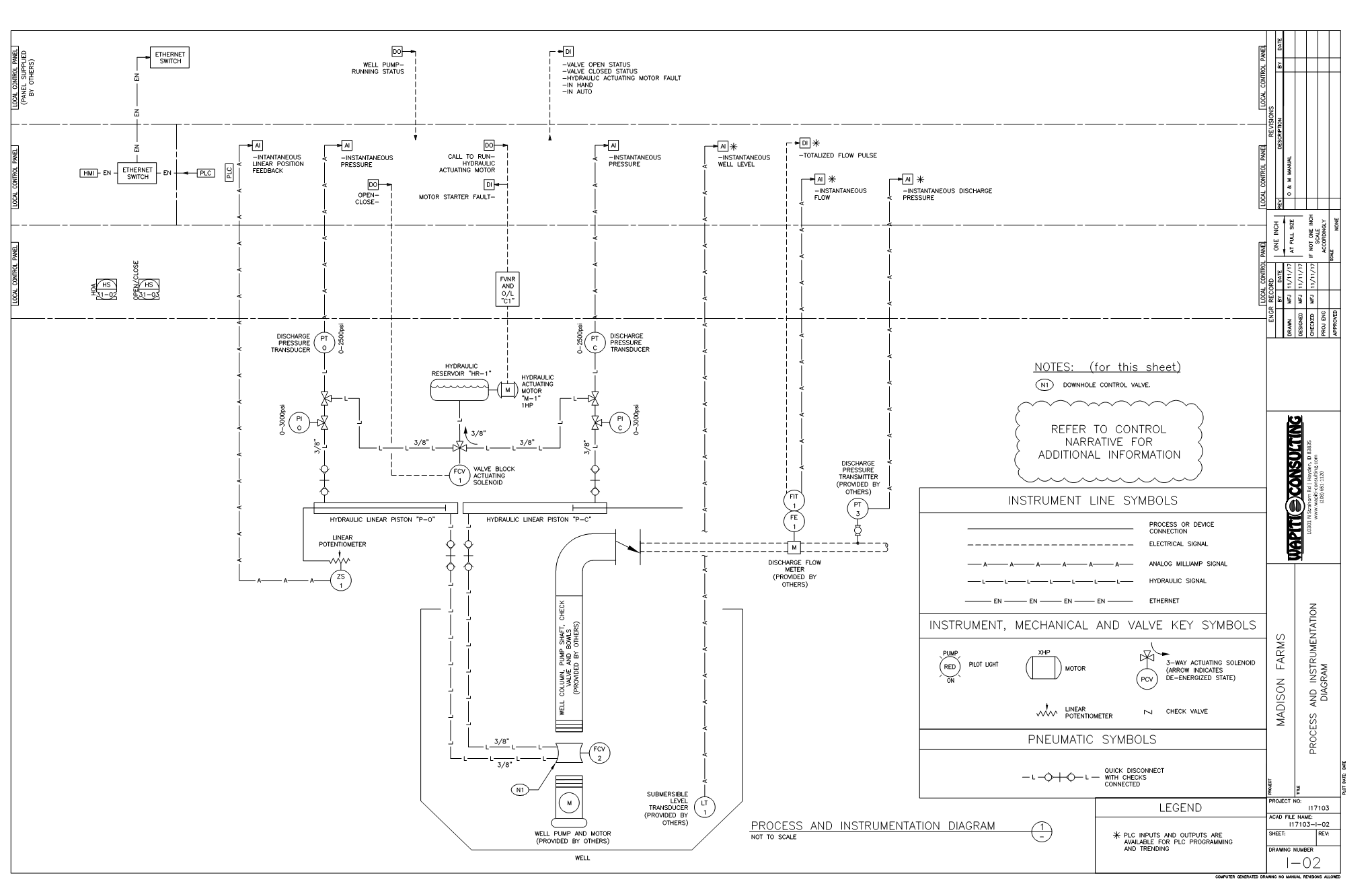
A piping & instrumentation diagram or p&id is a schematic illustration of the functional relationship of piping,. A piping & instrumentation diagram (p&id) is a schematic layout of a plant that displays the units to be used, the pipes connecting these units, and the sensors and control. Piping and instrumentation diagrams (p&ids) use specific symbols to show the connectivity of equipment, sensors, and valves in a control system. The piping and instrumentation diagram is also known as the process engineering flow scheme, pefs. You will learn how to read p&id and pefs. A p&id or process and instrumentation diagram provides a detailed graphical representation of the actual process system that includes the piping, equipment, valves,. A piping & instrumentation diagram (p&id) is a detailed graphical representation of the piping, process flow, instrumentation, and control.
Process and Instrumentation Diagram Cook Process Solutions, LLC
Instrumentation Diagram Details A piping & instrumentation diagram (p&id) is a detailed graphical representation of the piping, process flow, instrumentation, and control. A piping & instrumentation diagram (p&id) is a schematic layout of a plant that displays the units to be used, the pipes connecting these units, and the sensors and control. The piping and instrumentation diagram is also known as the process engineering flow scheme, pefs. Piping and instrumentation diagrams (p&ids) use specific symbols to show the connectivity of equipment, sensors, and valves in a control system. A piping & instrumentation diagram or p&id is a schematic illustration of the functional relationship of piping,. You will learn how to read p&id and pefs. A piping & instrumentation diagram (p&id) is a detailed graphical representation of the piping, process flow, instrumentation, and control. A p&id or process and instrumentation diagram provides a detailed graphical representation of the actual process system that includes the piping, equipment, valves,.
From www.researchgate.net
Instrumentation details. Download Scientific Diagram Instrumentation Diagram Details The piping and instrumentation diagram is also known as the process engineering flow scheme, pefs. You will learn how to read p&id and pefs. A piping & instrumentation diagram or p&id is a schematic illustration of the functional relationship of piping,. A piping & instrumentation diagram (p&id) is a detailed graphical representation of the piping, process flow, instrumentation, and control.. Instrumentation Diagram Details.
From www.researchgate.net
Fluidized bed gasifier piping and instrumentation diagram Download Instrumentation Diagram Details You will learn how to read p&id and pefs. A piping & instrumentation diagram or p&id is a schematic illustration of the functional relationship of piping,. The piping and instrumentation diagram is also known as the process engineering flow scheme, pefs. A p&id or process and instrumentation diagram provides a detailed graphical representation of the actual process system that includes. Instrumentation Diagram Details.
From electraschematics.com
The Ultimate Guide to Understanding Process and Instrumentation Diagrams Instrumentation Diagram Details Piping and instrumentation diagrams (p&ids) use specific symbols to show the connectivity of equipment, sensors, and valves in a control system. A p&id or process and instrumentation diagram provides a detailed graphical representation of the actual process system that includes the piping, equipment, valves,. The piping and instrumentation diagram is also known as the process engineering flow scheme, pefs. You. Instrumentation Diagram Details.
From www.researchgate.net
Instrumentation details Download Scientific Diagram Instrumentation Diagram Details A piping & instrumentation diagram (p&id) is a detailed graphical representation of the piping, process flow, instrumentation, and control. A p&id or process and instrumentation diagram provides a detailed graphical representation of the actual process system that includes the piping, equipment, valves,. The piping and instrumentation diagram is also known as the process engineering flow scheme, pefs. Piping and instrumentation. Instrumentation Diagram Details.
From www.researchgate.net
Example of a process and instrumentation diagram (P&ID) Download Instrumentation Diagram Details A piping & instrumentation diagram or p&id is a schematic illustration of the functional relationship of piping,. A piping & instrumentation diagram (p&id) is a schematic layout of a plant that displays the units to be used, the pipes connecting these units, and the sensors and control. Piping and instrumentation diagrams (p&ids) use specific symbols to show the connectivity of. Instrumentation Diagram Details.
From instrumentationtools.com
What is Instrument Hook Up Diagram ? Instrument Hookup Drawing Instrumentation Diagram Details Piping and instrumentation diagrams (p&ids) use specific symbols to show the connectivity of equipment, sensors, and valves in a control system. You will learn how to read p&id and pefs. A piping & instrumentation diagram or p&id is a schematic illustration of the functional relationship of piping,. The piping and instrumentation diagram is also known as the process engineering flow. Instrumentation Diagram Details.
From www.conceptdraw.com
Process and Instrumentation Diagram Instrumentation Diagram Details The piping and instrumentation diagram is also known as the process engineering flow scheme, pefs. A piping & instrumentation diagram (p&id) is a schematic layout of a plant that displays the units to be used, the pipes connecting these units, and the sensors and control. A piping & instrumentation diagram or p&id is a schematic illustration of the functional relationship. Instrumentation Diagram Details.
From www.texvyn.in
INSTRUMENTATION DESIGN & DETAIL ENGINEERING Instrumentation Diagram Details A piping & instrumentation diagram or p&id is a schematic illustration of the functional relationship of piping,. Piping and instrumentation diagrams (p&ids) use specific symbols to show the connectivity of equipment, sensors, and valves in a control system. A piping & instrumentation diagram (p&id) is a schematic layout of a plant that displays the units to be used, the pipes. Instrumentation Diagram Details.
From punchlistzero.com
Piping & Instrumentation Diagrams (P&IDs) Punchlist Zero Instrumentation Diagram Details A p&id or process and instrumentation diagram provides a detailed graphical representation of the actual process system that includes the piping, equipment, valves,. A piping & instrumentation diagram or p&id is a schematic illustration of the functional relationship of piping,. You will learn how to read p&id and pefs. The piping and instrumentation diagram is also known as the process. Instrumentation Diagram Details.
From www.studypool.com
SOLUTION Block Diagram of A Typical Instrumentation Presentation Instrumentation Diagram Details A piping & instrumentation diagram (p&id) is a schematic layout of a plant that displays the units to be used, the pipes connecting these units, and the sensors and control. A p&id or process and instrumentation diagram provides a detailed graphical representation of the actual process system that includes the piping, equipment, valves,. A piping & instrumentation diagram or p&id. Instrumentation Diagram Details.
From www.mechanical-knowledge.com
Piping and Instrumentation Drawings Pdf Instrumentation Diagram Details The piping and instrumentation diagram is also known as the process engineering flow scheme, pefs. Piping and instrumentation diagrams (p&ids) use specific symbols to show the connectivity of equipment, sensors, and valves in a control system. You will learn how to read p&id and pefs. A piping & instrumentation diagram (p&id) is a detailed graphical representation of the piping, process. Instrumentation Diagram Details.
From www.instrumentationtoolbox.com
Basics of Instrument Loop Diagrams Learning Instrumentation And Instrumentation Diagram Details You will learn how to read p&id and pefs. A p&id or process and instrumentation diagram provides a detailed graphical representation of the actual process system that includes the piping, equipment, valves,. Piping and instrumentation diagrams (p&ids) use specific symbols to show the connectivity of equipment, sensors, and valves in a control system. A piping & instrumentation diagram (p&id) is. Instrumentation Diagram Details.
From cookprocesssolutions.com
Process and Instrumentation Diagram Cook Process Solutions, LLC Instrumentation Diagram Details A p&id or process and instrumentation diagram provides a detailed graphical representation of the actual process system that includes the piping, equipment, valves,. A piping & instrumentation diagram (p&id) is a detailed graphical representation of the piping, process flow, instrumentation, and control. A piping & instrumentation diagram or p&id is a schematic illustration of the functional relationship of piping,. A. Instrumentation Diagram Details.
From instrumentationtools.com
Instrumentation Functional diagrams Instrumentation Tools Instrumentation Diagram Details A piping & instrumentation diagram (p&id) is a detailed graphical representation of the piping, process flow, instrumentation, and control. The piping and instrumentation diagram is also known as the process engineering flow scheme, pefs. A piping & instrumentation diagram (p&id) is a schematic layout of a plant that displays the units to be used, the pipes connecting these units, and. Instrumentation Diagram Details.
From instrumentationtools.com
What is Piping and Instrumentation Diagram (P&ID) ? Instrumentation Tools Instrumentation Diagram Details A piping & instrumentation diagram (p&id) is a schematic layout of a plant that displays the units to be used, the pipes connecting these units, and the sensors and control. You will learn how to read p&id and pefs. The piping and instrumentation diagram is also known as the process engineering flow scheme, pefs. A piping & instrumentation diagram or. Instrumentation Diagram Details.
From mydiagram.online
[DIAGRAM] Piping And Instrumentation Diagram Instrumentation Diagram Details A p&id or process and instrumentation diagram provides a detailed graphical representation of the actual process system that includes the piping, equipment, valves,. A piping & instrumentation diagram or p&id is a schematic illustration of the functional relationship of piping,. The piping and instrumentation diagram is also known as the process engineering flow scheme, pefs. Piping and instrumentation diagrams (p&ids). Instrumentation Diagram Details.
From instrumentationbasic.com
Instrument Loop diagram basics Instrumentation Instrumentation Diagram Details You will learn how to read p&id and pefs. A piping & instrumentation diagram (p&id) is a detailed graphical representation of the piping, process flow, instrumentation, and control. A p&id or process and instrumentation diagram provides a detailed graphical representation of the actual process system that includes the piping, equipment, valves,. The piping and instrumentation diagram is also known as. Instrumentation Diagram Details.
From www.thesafetymaster.com
Comprehensive Process & Instrumentation Diagram Services The Safety Instrumentation Diagram Details You will learn how to read p&id and pefs. A piping & instrumentation diagram or p&id is a schematic illustration of the functional relationship of piping,. Piping and instrumentation diagrams (p&ids) use specific symbols to show the connectivity of equipment, sensors, and valves in a control system. A piping & instrumentation diagram (p&id) is a detailed graphical representation of the. Instrumentation Diagram Details.
From instrumentationtools.com
Howto Create Instrument loop diagram? Marshalling Loop Diagrams Instrumentation Diagram Details The piping and instrumentation diagram is also known as the process engineering flow scheme, pefs. A piping & instrumentation diagram (p&id) is a schematic layout of a plant that displays the units to be used, the pipes connecting these units, and the sensors and control. You will learn how to read p&id and pefs. A piping & instrumentation diagram or. Instrumentation Diagram Details.
From www.chegg.com
Solved Consider the Piping and Instrumentation Diagram Instrumentation Diagram Details A piping & instrumentation diagram or p&id is a schematic illustration of the functional relationship of piping,. A piping & instrumentation diagram (p&id) is a schematic layout of a plant that displays the units to be used, the pipes connecting these units, and the sensors and control. The piping and instrumentation diagram is also known as the process engineering flow. Instrumentation Diagram Details.
From control.com
Process and Instrument Diagrams Control and Instrumentation Instrumentation Diagram Details A piping & instrumentation diagram (p&id) is a detailed graphical representation of the piping, process flow, instrumentation, and control. You will learn how to read p&id and pefs. The piping and instrumentation diagram is also known as the process engineering flow scheme, pefs. A piping & instrumentation diagram or p&id is a schematic illustration of the functional relationship of piping,.. Instrumentation Diagram Details.
From automationforum.co
Howto Create Instrument Loop Diagram (ILD)? AutomationForum Instrumentation Diagram Details A piping & instrumentation diagram (p&id) is a detailed graphical representation of the piping, process flow, instrumentation, and control. Piping and instrumentation diagrams (p&ids) use specific symbols to show the connectivity of equipment, sensors, and valves in a control system. A p&id or process and instrumentation diagram provides a detailed graphical representation of the actual process system that includes the. Instrumentation Diagram Details.
From www.texvyn.in
INSTRUMENTATION DESIGN & DETAIL ENGINEERING Instrumentation Diagram Details A piping & instrumentation diagram or p&id is a schematic illustration of the functional relationship of piping,. You will learn how to read p&id and pefs. A piping & instrumentation diagram (p&id) is a detailed graphical representation of the piping, process flow, instrumentation, and control. A p&id or process and instrumentation diagram provides a detailed graphical representation of the actual. Instrumentation Diagram Details.
From forumautomation.com
Tutorial on Piping and Instrumentation Diagrams Field Instrumentation Instrumentation Diagram Details A piping & instrumentation diagram or p&id is a schematic illustration of the functional relationship of piping,. A piping & instrumentation diagram (p&id) is a schematic layout of a plant that displays the units to be used, the pipes connecting these units, and the sensors and control. A p&id or process and instrumentation diagram provides a detailed graphical representation of. Instrumentation Diagram Details.
From www.pinterest.com
How to Read Piping and Instrumentation Diagram(P&ID) Piping and Instrumentation Diagram Details Piping and instrumentation diagrams (p&ids) use specific symbols to show the connectivity of equipment, sensors, and valves in a control system. You will learn how to read p&id and pefs. A piping & instrumentation diagram (p&id) is a detailed graphical representation of the piping, process flow, instrumentation, and control. A p&id or process and instrumentation diagram provides a detailed graphical. Instrumentation Diagram Details.
From instrumentationtools.com
Instrumentation Functional diagrams Instrumentation Tools Instrumentation Diagram Details The piping and instrumentation diagram is also known as the process engineering flow scheme, pefs. A piping & instrumentation diagram or p&id is a schematic illustration of the functional relationship of piping,. Piping and instrumentation diagrams (p&ids) use specific symbols to show the connectivity of equipment, sensors, and valves in a control system. A p&id or process and instrumentation diagram. Instrumentation Diagram Details.
From www.chem-dist.com
Process Flow Instrumentation Diagram Basic and Detail Engineering Instrumentation Diagram Details The piping and instrumentation diagram is also known as the process engineering flow scheme, pefs. Piping and instrumentation diagrams (p&ids) use specific symbols to show the connectivity of equipment, sensors, and valves in a control system. A piping & instrumentation diagram (p&id) is a schematic layout of a plant that displays the units to be used, the pipes connecting these. Instrumentation Diagram Details.
From www.researchgate.net
Simplified piping and instrumentation diagram (P&ID) of the test Instrumentation Diagram Details A p&id or process and instrumentation diagram provides a detailed graphical representation of the actual process system that includes the piping, equipment, valves,. Piping and instrumentation diagrams (p&ids) use specific symbols to show the connectivity of equipment, sensors, and valves in a control system. A piping & instrumentation diagram (p&id) is a schematic layout of a plant that displays the. Instrumentation Diagram Details.
From forumautomation.com
What is an Instrumentation Loop Diagram? Field Instrumentation Instrumentation Diagram Details A piping & instrumentation diagram (p&id) is a schematic layout of a plant that displays the units to be used, the pipes connecting these units, and the sensors and control. You will learn how to read p&id and pefs. Piping and instrumentation diagrams (p&ids) use specific symbols to show the connectivity of equipment, sensors, and valves in a control system.. Instrumentation Diagram Details.
From www.instrumentationtoolbox.com
Piping and Instrumentation Diagrams Tutorials III Flow and Level Instrumentation Diagram Details The piping and instrumentation diagram is also known as the process engineering flow scheme, pefs. A piping & instrumentation diagram (p&id) is a schematic layout of a plant that displays the units to be used, the pipes connecting these units, and the sensors and control. A piping & instrumentation diagram (p&id) is a detailed graphical representation of the piping, process. Instrumentation Diagram Details.
From organicfer.blogspot.com
Loop Wiring Diagram Instrumentation Pdf Organicfer Instrumentation Diagram Details You will learn how to read p&id and pefs. A piping & instrumentation diagram (p&id) is a detailed graphical representation of the piping, process flow, instrumentation, and control. Piping and instrumentation diagrams (p&ids) use specific symbols to show the connectivity of equipment, sensors, and valves in a control system. A p&id or process and instrumentation diagram provides a detailed graphical. Instrumentation Diagram Details.
From www.edrawsoft.com
How to Read Piping and Instrumentation Diagram (P&ID) EdrawMax Instrumentation Diagram Details A piping & instrumentation diagram (p&id) is a schematic layout of a plant that displays the units to be used, the pipes connecting these units, and the sensors and control. A piping & instrumentation diagram (p&id) is a detailed graphical representation of the piping, process flow, instrumentation, and control. Piping and instrumentation diagrams (p&ids) use specific symbols to show the. Instrumentation Diagram Details.
From kishorekaruppaswamy.wordpress.com
Instrumentation Diagrams, Documents and Checklist Kishore Karuppaswamy Instrumentation Diagram Details Piping and instrumentation diagrams (p&ids) use specific symbols to show the connectivity of equipment, sensors, and valves in a control system. You will learn how to read p&id and pefs. A piping & instrumentation diagram (p&id) is a detailed graphical representation of the piping, process flow, instrumentation, and control. A piping & instrumentation diagram or p&id is a schematic illustration. Instrumentation Diagram Details.
From exyzjulhf.blob.core.windows.net
Piping & Instrumentation Diagram Symbols Pdf at Samuel Landry blog Instrumentation Diagram Details The piping and instrumentation diagram is also known as the process engineering flow scheme, pefs. A p&id or process and instrumentation diagram provides a detailed graphical representation of the actual process system that includes the piping, equipment, valves,. Piping and instrumentation diagrams (p&ids) use specific symbols to show the connectivity of equipment, sensors, and valves in a control system. You. Instrumentation Diagram Details.
From diagramshiubhal81.z19.web.core.windows.net
What Is Piping And Instrumentation Diagram Instrumentation Diagram Details A p&id or process and instrumentation diagram provides a detailed graphical representation of the actual process system that includes the piping, equipment, valves,. A piping & instrumentation diagram (p&id) is a detailed graphical representation of the piping, process flow, instrumentation, and control. Piping and instrumentation diagrams (p&ids) use specific symbols to show the connectivity of equipment, sensors, and valves in. Instrumentation Diagram Details.