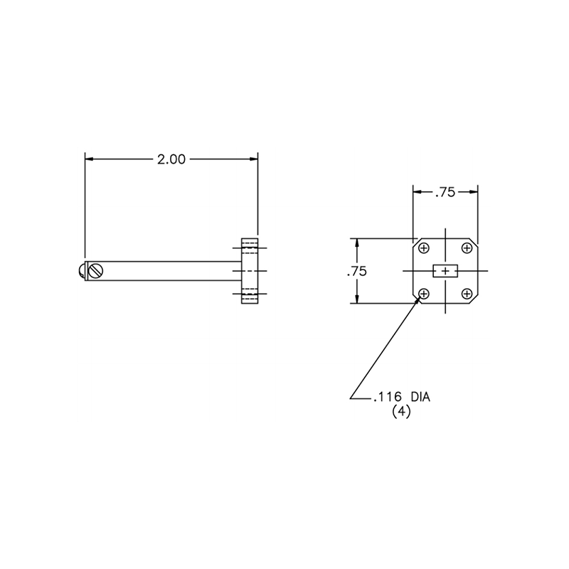
Wr28 Dimensions . 0.28 inches [7.112 mm] x 0.14 inches [3.556 mm] Cutoff frequency of upper mode: The term 'wr' stands for 'waveguide rectangular' and the number with it indicates the waveguide dimensions inner width in hundredths of an. Inside dimensions wall thickness 26.5 to 40.0 ka band 0.036 to 0.051 0.280 x 0.140 inches 0.040 inches Wr112 wr102 wr90 wr75 wr62 wr51 wr42 wr34 wr28 wr22 wr19 wr15 wr12 wr10 If your specific flange type isn't listed below, please call us and discuss your needs with. 0.28 inches [7.112 mm] x 0.14 inches [3.556 mm], frequency range:. Wr284 wg10 r32 2.60 to 3.95 ghz 2.078 ghz 4.156 ghz 2.84 [72.136]
from www.datasheet.hk
0.28 inches [7.112 mm] x 0.14 inches [3.556 mm], frequency range:. Wr284 wg10 r32 2.60 to 3.95 ghz 2.078 ghz 4.156 ghz 2.84 [72.136] If your specific flange type isn't listed below, please call us and discuss your needs with. Wr112 wr102 wr90 wr75 wr62 wr51 wr42 wr34 wr28 wr22 wr19 wr15 wr12 wr10 Inside dimensions wall thickness 26.5 to 40.0 ka band 0.036 to 0.051 0.280 x 0.140 inches 0.040 inches 0.28 inches [7.112 mm] x 0.14 inches [3.556 mm] Cutoff frequency of upper mode: The term 'wr' stands for 'waveguide rectangular' and the number with it indicates the waveguide dimensions inner width in hundredths of an.
287808_3570384.PDF Datasheet Download
Wr28 Dimensions Cutoff frequency of upper mode: Wr112 wr102 wr90 wr75 wr62 wr51 wr42 wr34 wr28 wr22 wr19 wr15 wr12 wr10 If your specific flange type isn't listed below, please call us and discuss your needs with. 0.28 inches [7.112 mm] x 0.14 inches [3.556 mm], frequency range:. Inside dimensions wall thickness 26.5 to 40.0 ka band 0.036 to 0.051 0.280 x 0.140 inches 0.040 inches 0.28 inches [7.112 mm] x 0.14 inches [3.556 mm] Cutoff frequency of upper mode: The term 'wr' stands for 'waveguide rectangular' and the number with it indicates the waveguide dimensions inner width in hundredths of an. Wr284 wg10 r32 2.60 to 3.95 ghz 2.078 ghz 4.156 ghz 2.84 [72.136]
From www.ebay.com
Fairview Microwave FMMT3005 WR28SMA Waveguide Detector 26.540GHz NEW Wr28 Dimensions Wr112 wr102 wr90 wr75 wr62 wr51 wr42 wr34 wr28 wr22 wr19 wr15 wr12 wr10 Inside dimensions wall thickness 26.5 to 40.0 ka band 0.036 to 0.051 0.280 x 0.140 inches 0.040 inches Wr284 wg10 r32 2.60 to 3.95 ghz 2.078 ghz 4.156 ghz 2.84 [72.136] Cutoff frequency of upper mode: If your specific flange type isn't listed below, please call. Wr28 Dimensions.
From microwaveeng.com
Microwave Engineering Corporation DoubleRidge Waveguide & Flanges Wr28 Dimensions Cutoff frequency of upper mode: The term 'wr' stands for 'waveguide rectangular' and the number with it indicates the waveguide dimensions inner width in hundredths of an. Inside dimensions wall thickness 26.5 to 40.0 ka band 0.036 to 0.051 0.280 x 0.140 inches 0.040 inches Wr284 wg10 r32 2.60 to 3.95 ghz 2.078 ghz 4.156 ghz 2.84 [72.136] 0.28 inches. Wr28 Dimensions.
From www.5grfbox.cn
5G AMOMTWR28 波导法兰 Wr28 Dimensions If your specific flange type isn't listed below, please call us and discuss your needs with. 0.28 inches [7.112 mm] x 0.14 inches [3.556 mm], frequency range:. Inside dimensions wall thickness 26.5 to 40.0 ka band 0.036 to 0.051 0.280 x 0.140 inches 0.040 inches 0.28 inches [7.112 mm] x 0.14 inches [3.556 mm] The term 'wr' stands for 'waveguide. Wr28 Dimensions.
From www.datasheet.hk
287808_3570384.PDF Datasheet Download Wr28 Dimensions Cutoff frequency of upper mode: The term 'wr' stands for 'waveguide rectangular' and the number with it indicates the waveguide dimensions inner width in hundredths of an. Wr112 wr102 wr90 wr75 wr62 wr51 wr42 wr34 wr28 wr22 wr19 wr15 wr12 wr10 0.28 inches [7.112 mm] x 0.14 inches [3.556 mm] Inside dimensions wall thickness 26.5 to 40.0 ka band 0.036. Wr28 Dimensions.
From www.fairviewmicrowave.com
Standard Gain Horn Cage Style Antenna Mount, Waveguide Size WR28, IEC R320 Wr28 Dimensions Wr112 wr102 wr90 wr75 wr62 wr51 wr42 wr34 wr28 wr22 wr19 wr15 wr12 wr10 0.28 inches [7.112 mm] x 0.14 inches [3.556 mm] If your specific flange type isn't listed below, please call us and discuss your needs with. 0.28 inches [7.112 mm] x 0.14 inches [3.556 mm], frequency range:. Inside dimensions wall thickness 26.5 to 40.0 ka band 0.036. Wr28 Dimensions.
From www.fairviewmicrowave.com
Standard Gain Horn Cage Style Antenna Mount, Waveguide Size WR28, IEC R320 Wr28 Dimensions If your specific flange type isn't listed below, please call us and discuss your needs with. 0.28 inches [7.112 mm] x 0.14 inches [3.556 mm] Cutoff frequency of upper mode: Inside dimensions wall thickness 26.5 to 40.0 ka band 0.036 to 0.051 0.280 x 0.140 inches 0.040 inches The term 'wr' stands for 'waveguide rectangular' and the number with it. Wr28 Dimensions.
From horn.ft-rf.com.tw
WR28 Waveguide Horn Antenna, 26.5 GHz to 40 GHz, 20dBi, UBR Flange Wr28 Dimensions Cutoff frequency of upper mode: The term 'wr' stands for 'waveguide rectangular' and the number with it indicates the waveguide dimensions inner width in hundredths of an. 0.28 inches [7.112 mm] x 0.14 inches [3.556 mm], frequency range:. Wr284 wg10 r32 2.60 to 3.95 ghz 2.078 ghz 4.156 ghz 2.84 [72.136] Wr112 wr102 wr90 wr75 wr62 wr51 wr42 wr34 wr28. Wr28 Dimensions.
From mungfali.com
Waveguide Flange Types Wr28 Dimensions Wr284 wg10 r32 2.60 to 3.95 ghz 2.078 ghz 4.156 ghz 2.84 [72.136] 0.28 inches [7.112 mm] x 0.14 inches [3.556 mm] 0.28 inches [7.112 mm] x 0.14 inches [3.556 mm], frequency range:. If your specific flange type isn't listed below, please call us and discuss your needs with. Cutoff frequency of upper mode: The term 'wr' stands for 'waveguide. Wr28 Dimensions.
From www.sectormicrowave.com
WR1928 Series — Sector Microwave Industries Wr28 Dimensions If your specific flange type isn't listed below, please call us and discuss your needs with. Inside dimensions wall thickness 26.5 to 40.0 ka band 0.036 to 0.051 0.280 x 0.140 inches 0.040 inches 0.28 inches [7.112 mm] x 0.14 inches [3.556 mm], frequency range:. Wr284 wg10 r32 2.60 to 3.95 ghz 2.078 ghz 4.156 ghz 2.84 [72.136] Cutoff frequency. Wr28 Dimensions.
From www.fairviewmicrowave.com
Standard Gain Horn Cage Style Antenna Mount, Waveguide Size WR28, IEC R320 Wr28 Dimensions If your specific flange type isn't listed below, please call us and discuss your needs with. Inside dimensions wall thickness 26.5 to 40.0 ka band 0.036 to 0.051 0.280 x 0.140 inches 0.040 inches Cutoff frequency of upper mode: Wr284 wg10 r32 2.60 to 3.95 ghz 2.078 ghz 4.156 ghz 2.84 [72.136] 0.28 inches [7.112 mm] x 0.14 inches [3.556. Wr28 Dimensions.
From www.eng-tips.com
j1926 & j514 female port dimensions are different?? Drafting Wr28 Dimensions Wr112 wr102 wr90 wr75 wr62 wr51 wr42 wr34 wr28 wr22 wr19 wr15 wr12 wr10 Wr284 wg10 r32 2.60 to 3.95 ghz 2.078 ghz 4.156 ghz 2.84 [72.136] 0.28 inches [7.112 mm] x 0.14 inches [3.556 mm] If your specific flange type isn't listed below, please call us and discuss your needs with. Cutoff frequency of upper mode: The term 'wr'. Wr28 Dimensions.
From www.radio741.com
B320380FP RFS Waveguide Connector WR28 WR28 for FLEXWELL Wr28 Dimensions 0.28 inches [7.112 mm] x 0.14 inches [3.556 mm] Wr284 wg10 r32 2.60 to 3.95 ghz 2.078 ghz 4.156 ghz 2.84 [72.136] Inside dimensions wall thickness 26.5 to 40.0 ka band 0.036 to 0.051 0.280 x 0.140 inches 0.040 inches If your specific flange type isn't listed below, please call us and discuss your needs with. The term 'wr' stands. Wr28 Dimensions.
From www.ainfoinc.com
28WCA1.85_Cu Right Angle Rectangular Waveguide to Coaxial Adapter 26.5 Wr28 Dimensions Wr284 wg10 r32 2.60 to 3.95 ghz 2.078 ghz 4.156 ghz 2.84 [72.136] 0.28 inches [7.112 mm] x 0.14 inches [3.556 mm] If your specific flange type isn't listed below, please call us and discuss your needs with. The term 'wr' stands for 'waveguide rectangular' and the number with it indicates the waveguide dimensions inner width in hundredths of an.. Wr28 Dimensions.
From www.researchgate.net
Openended Tjunction simulation. (a) WR28 waveguide Tjunction model Wr28 Dimensions Inside dimensions wall thickness 26.5 to 40.0 ka band 0.036 to 0.051 0.280 x 0.140 inches 0.040 inches 0.28 inches [7.112 mm] x 0.14 inches [3.556 mm], frequency range:. Wr284 wg10 r32 2.60 to 3.95 ghz 2.078 ghz 4.156 ghz 2.84 [72.136] The term 'wr' stands for 'waveguide rectangular' and the number with it indicates the waveguide dimensions inner width. Wr28 Dimensions.
From konnectrf.com
Waveguide, Cross Series Transition, WR34 to WR28, PBR260, PBR320 (WR28 Wr28 Dimensions Wr112 wr102 wr90 wr75 wr62 wr51 wr42 wr34 wr28 wr22 wr19 wr15 wr12 wr10 If your specific flange type isn't listed below, please call us and discuss your needs with. 0.28 inches [7.112 mm] x 0.14 inches [3.556 mm], frequency range:. 0.28 inches [7.112 mm] x 0.14 inches [3.556 mm] Cutoff frequency of upper mode: Inside dimensions wall thickness 26.5. Wr28 Dimensions.
From www.ainfoinc.com
28WC20_Cu WR28 Waveguide High Directional Coupler WCXX Type EPlane Wr28 Dimensions 0.28 inches [7.112 mm] x 0.14 inches [3.556 mm] The term 'wr' stands for 'waveguide rectangular' and the number with it indicates the waveguide dimensions inner width in hundredths of an. 0.28 inches [7.112 mm] x 0.14 inches [3.556 mm], frequency range:. Wr284 wg10 r32 2.60 to 3.95 ghz 2.078 ghz 4.156 ghz 2.84 [72.136] If your specific flange type. Wr28 Dimensions.
From microwaveeng.com
Microwave Engineering Corporation DoubleRidge Waveguide & Flanges Wr28 Dimensions Wr112 wr102 wr90 wr75 wr62 wr51 wr42 wr34 wr28 wr22 wr19 wr15 wr12 wr10 Wr284 wg10 r32 2.60 to 3.95 ghz 2.078 ghz 4.156 ghz 2.84 [72.136] Inside dimensions wall thickness 26.5 to 40.0 ka band 0.036 to 0.051 0.280 x 0.140 inches 0.040 inches Cutoff frequency of upper mode: If your specific flange type isn't listed below, please call. Wr28 Dimensions.
From www.fairviewmicrowave.com
Standard Gain Horn Cage Style Antenna Mount, Waveguide Size WR28, IEC R320 Wr28 Dimensions If your specific flange type isn't listed below, please call us and discuss your needs with. Wr112 wr102 wr90 wr75 wr62 wr51 wr42 wr34 wr28 wr22 wr19 wr15 wr12 wr10 0.28 inches [7.112 mm] x 0.14 inches [3.556 mm], frequency range:. Wr284 wg10 r32 2.60 to 3.95 ghz 2.078 ghz 4.156 ghz 2.84 [72.136] The term 'wr' stands for 'waveguide. Wr28 Dimensions.
From www.ecmicrowave.com
Waveguide to Coaxial Adapters WR28 Right Angle Waveguide to Coaxial Wr28 Dimensions Wr284 wg10 r32 2.60 to 3.95 ghz 2.078 ghz 4.156 ghz 2.84 [72.136] 0.28 inches [7.112 mm] x 0.14 inches [3.556 mm], frequency range:. If your specific flange type isn't listed below, please call us and discuss your needs with. Wr112 wr102 wr90 wr75 wr62 wr51 wr42 wr34 wr28 wr22 wr19 wr15 wr12 wr10 Cutoff frequency of upper mode: 0.28. Wr28 Dimensions.
From horn.ft-rf.com.tw
WR28 26.5 GHz to 40 GHz 10dBi, Waveguide Horn Antenna, WI28UBR10 Wr28 Dimensions The term 'wr' stands for 'waveguide rectangular' and the number with it indicates the waveguide dimensions inner width in hundredths of an. Inside dimensions wall thickness 26.5 to 40.0 ka band 0.036 to 0.051 0.280 x 0.140 inches 0.040 inches Wr284 wg10 r32 2.60 to 3.95 ghz 2.078 ghz 4.156 ghz 2.84 [72.136] Cutoff frequency of upper mode: 0.28 inches. Wr28 Dimensions.
From www.eyou.com.au
WAVEGUIDE CIRCULATOR WR28, WR34, WR42, WR51, WR62, WR75, WR90 Wr28 Dimensions Wr284 wg10 r32 2.60 to 3.95 ghz 2.078 ghz 4.156 ghz 2.84 [72.136] 0.28 inches [7.112 mm] x 0.14 inches [3.556 mm] Inside dimensions wall thickness 26.5 to 40.0 ka band 0.036 to 0.051 0.280 x 0.140 inches 0.040 inches Wr112 wr102 wr90 wr75 wr62 wr51 wr42 wr34 wr28 wr22 wr19 wr15 wr12 wr10 Cutoff frequency of upper mode: 0.28. Wr28 Dimensions.
From www.ecmicrowave.com
WR28 Standard Gain horn antenna waveguide Horn antenna Ecmicrowave Wr28 Dimensions Wr284 wg10 r32 2.60 to 3.95 ghz 2.078 ghz 4.156 ghz 2.84 [72.136] Inside dimensions wall thickness 26.5 to 40.0 ka band 0.036 to 0.051 0.280 x 0.140 inches 0.040 inches The term 'wr' stands for 'waveguide rectangular' and the number with it indicates the waveguide dimensions inner width in hundredths of an. Wr112 wr102 wr90 wr75 wr62 wr51 wr42. Wr28 Dimensions.
From esatcom.com
WR28 Waveguide Termination Wr28 Dimensions 0.28 inches [7.112 mm] x 0.14 inches [3.556 mm] If your specific flange type isn't listed below, please call us and discuss your needs with. Inside dimensions wall thickness 26.5 to 40.0 ka band 0.036 to 0.051 0.280 x 0.140 inches 0.040 inches The term 'wr' stands for 'waveguide rectangular' and the number with it indicates the waveguide dimensions inner. Wr28 Dimensions.
From www.fairviewmicrowave.com
Standard Gain Horn Cage Style Antenna Mount, Waveguide Size WR28, IEC R320 Wr28 Dimensions 0.28 inches [7.112 mm] x 0.14 inches [3.556 mm] Wr112 wr102 wr90 wr75 wr62 wr51 wr42 wr34 wr28 wr22 wr19 wr15 wr12 wr10 The term 'wr' stands for 'waveguide rectangular' and the number with it indicates the waveguide dimensions inner width in hundredths of an. Wr284 wg10 r32 2.60 to 3.95 ghz 2.078 ghz 4.156 ghz 2.84 [72.136] 0.28 inches. Wr28 Dimensions.
From www.ainfoinc.fr
Precision Flange Information Wr28 Dimensions If your specific flange type isn't listed below, please call us and discuss your needs with. 0.28 inches [7.112 mm] x 0.14 inches [3.556 mm] Cutoff frequency of upper mode: Wr112 wr102 wr90 wr75 wr62 wr51 wr42 wr34 wr28 wr22 wr19 wr15 wr12 wr10 Inside dimensions wall thickness 26.5 to 40.0 ka band 0.036 to 0.051 0.280 x 0.140 inches. Wr28 Dimensions.
From precisionmmw.com
Waveguide Dimensions PDF Precision Millimeter Wave Products Wr28 Dimensions 0.28 inches [7.112 mm] x 0.14 inches [3.556 mm] Wr284 wg10 r32 2.60 to 3.95 ghz 2.078 ghz 4.156 ghz 2.84 [72.136] 0.28 inches [7.112 mm] x 0.14 inches [3.556 mm], frequency range:. Cutoff frequency of upper mode: The term 'wr' stands for 'waveguide rectangular' and the number with it indicates the waveguide dimensions inner width in hundredths of an.. Wr28 Dimensions.
From www.ainfoinc.com
28APF28_Cu WR28 Waveguide Flange 26.540GHz with Rectangular Waveguide Wr28 Dimensions Wr112 wr102 wr90 wr75 wr62 wr51 wr42 wr34 wr28 wr22 wr19 wr15 wr12 wr10 Wr284 wg10 r32 2.60 to 3.95 ghz 2.078 ghz 4.156 ghz 2.84 [72.136] The term 'wr' stands for 'waveguide rectangular' and the number with it indicates the waveguide dimensions inner width in hundredths of an. Inside dimensions wall thickness 26.5 to 40.0 ka band 0.036 to. Wr28 Dimensions.
From horn.ft-rf.com.tw
WR28 (26.5GHz to 40GHz) KFemale Flange UBR Waveguide Coaxial Adapter Wr28 Dimensions The term 'wr' stands for 'waveguide rectangular' and the number with it indicates the waveguide dimensions inner width in hundredths of an. Wr112 wr102 wr90 wr75 wr62 wr51 wr42 wr34 wr28 wr22 wr19 wr15 wr12 wr10 0.28 inches [7.112 mm] x 0.14 inches [3.556 mm] Cutoff frequency of upper mode: 0.28 inches [7.112 mm] x 0.14 inches [3.556 mm], frequency. Wr28 Dimensions.
From www.sectormicrowave.com
WR1928 Series — Sector Microwave Industries Wr28 Dimensions Wr284 wg10 r32 2.60 to 3.95 ghz 2.078 ghz 4.156 ghz 2.84 [72.136] 0.28 inches [7.112 mm] x 0.14 inches [3.556 mm] If your specific flange type isn't listed below, please call us and discuss your needs with. Wr112 wr102 wr90 wr75 wr62 wr51 wr42 wr34 wr28 wr22 wr19 wr15 wr12 wr10 The term 'wr' stands for 'waveguide rectangular' and. Wr28 Dimensions.
From www.ecmicrowave.com
WR28 Standard Gain horn antenna waveguide Horn antenna Ecmicrowave Wr28 Dimensions The term 'wr' stands for 'waveguide rectangular' and the number with it indicates the waveguide dimensions inner width in hundredths of an. 0.28 inches [7.112 mm] x 0.14 inches [3.556 mm] Wr284 wg10 r32 2.60 to 3.95 ghz 2.078 ghz 4.156 ghz 2.84 [72.136] Wr112 wr102 wr90 wr75 wr62 wr51 wr42 wr34 wr28 wr22 wr19 wr15 wr12 wr10 If your. Wr28 Dimensions.
From www.ecmicrowave.com
WR28 Standard Gain horn antenna waveguide Horn antenna Ecmicrowave Wr28 Dimensions The term 'wr' stands for 'waveguide rectangular' and the number with it indicates the waveguide dimensions inner width in hundredths of an. If your specific flange type isn't listed below, please call us and discuss your needs with. Cutoff frequency of upper mode: Inside dimensions wall thickness 26.5 to 40.0 ka band 0.036 to 0.051 0.280 x 0.140 inches 0.040. Wr28 Dimensions.
From www.fairviewmicrowave.com
WR28 Waveguide Isolator with 16 dB min Isolation from 26.5 GHz to 40 Wr28 Dimensions Wr112 wr102 wr90 wr75 wr62 wr51 wr42 wr34 wr28 wr22 wr19 wr15 wr12 wr10 0.28 inches [7.112 mm] x 0.14 inches [3.556 mm], frequency range:. 0.28 inches [7.112 mm] x 0.14 inches [3.556 mm] The term 'wr' stands for 'waveguide rectangular' and the number with it indicates the waveguide dimensions inner width in hundredths of an. If your specific flange. Wr28 Dimensions.
From www.fairviewmicrowave.com
WR284 Waveguide Antenna With 10 dBi Gain and 2.6 GHz to 3.95 GHz Wr28 Dimensions Wr112 wr102 wr90 wr75 wr62 wr51 wr42 wr34 wr28 wr22 wr19 wr15 wr12 wr10 The term 'wr' stands for 'waveguide rectangular' and the number with it indicates the waveguide dimensions inner width in hundredths of an. Wr284 wg10 r32 2.60 to 3.95 ghz 2.078 ghz 4.156 ghz 2.84 [72.136] If your specific flange type isn't listed below, please call us. Wr28 Dimensions.
From www.ebay.com
WR28 WR28 WAVEGUIDE ISOLATOR DORADO 3036.8Ghz 4IWN322 eBay Wr28 Dimensions The term 'wr' stands for 'waveguide rectangular' and the number with it indicates the waveguide dimensions inner width in hundredths of an. Wr284 wg10 r32 2.60 to 3.95 ghz 2.078 ghz 4.156 ghz 2.84 [72.136] Inside dimensions wall thickness 26.5 to 40.0 ka band 0.036 to 0.051 0.280 x 0.140 inches 0.040 inches If your specific flange type isn't listed. Wr28 Dimensions.
From www.fairviewmicrowave.com
Standard Gain Horn Cage Style Antenna Mount, Waveguide Size WR28, IEC R320 Wr28 Dimensions If your specific flange type isn't listed below, please call us and discuss your needs with. Inside dimensions wall thickness 26.5 to 40.0 ka band 0.036 to 0.051 0.280 x 0.140 inches 0.040 inches Wr284 wg10 r32 2.60 to 3.95 ghz 2.078 ghz 4.156 ghz 2.84 [72.136] The term 'wr' stands for 'waveguide rectangular' and the number with it indicates. Wr28 Dimensions.