I Have Brake Lights And Turn Signals But No Running Lights . your brake lights and turn signals for each side are on one circuit. — if your trailer running lights are not working, or other trailer lights like the brake and turn signal light are not working, find out how to fix it with. some of the most common reasons that your brake lights are out or malfunctioning include: Problems with the brake light switch. The left side turn signal and brake light is generally the. — if your brake lights aren’t working, the problem is usually as simple as replacing the bulbs. the most likely cause for the turn signals not to work when the running lights are on with your trailer is a bad or weak ground.
from www.2carpros.com
Problems with the brake light switch. The left side turn signal and brake light is generally the. your brake lights and turn signals for each side are on one circuit. — if your trailer running lights are not working, or other trailer lights like the brake and turn signal light are not working, find out how to fix it with. the most likely cause for the turn signals not to work when the running lights are on with your trailer is a bad or weak ground. some of the most common reasons that your brake lights are out or malfunctioning include: — if your brake lights aren’t working, the problem is usually as simple as replacing the bulbs.
Rear Brake Lights, Turn Signals Not Working
I Have Brake Lights And Turn Signals But No Running Lights — if your brake lights aren’t working, the problem is usually as simple as replacing the bulbs. — if your trailer running lights are not working, or other trailer lights like the brake and turn signal light are not working, find out how to fix it with. — if your brake lights aren’t working, the problem is usually as simple as replacing the bulbs. some of the most common reasons that your brake lights are out or malfunctioning include: your brake lights and turn signals for each side are on one circuit. The left side turn signal and brake light is generally the. Problems with the brake light switch. the most likely cause for the turn signals not to work when the running lights are on with your trailer is a bad or weak ground.
From www.youtube.com
No Brake Lights Or Turn Signals? Try This Easy Fix (8898) Chevy/GMC YouTube I Have Brake Lights And Turn Signals But No Running Lights your brake lights and turn signals for each side are on one circuit. — if your trailer running lights are not working, or other trailer lights like the brake and turn signal light are not working, find out how to fix it with. some of the most common reasons that your brake lights are out or malfunctioning. I Have Brake Lights And Turn Signals But No Running Lights.
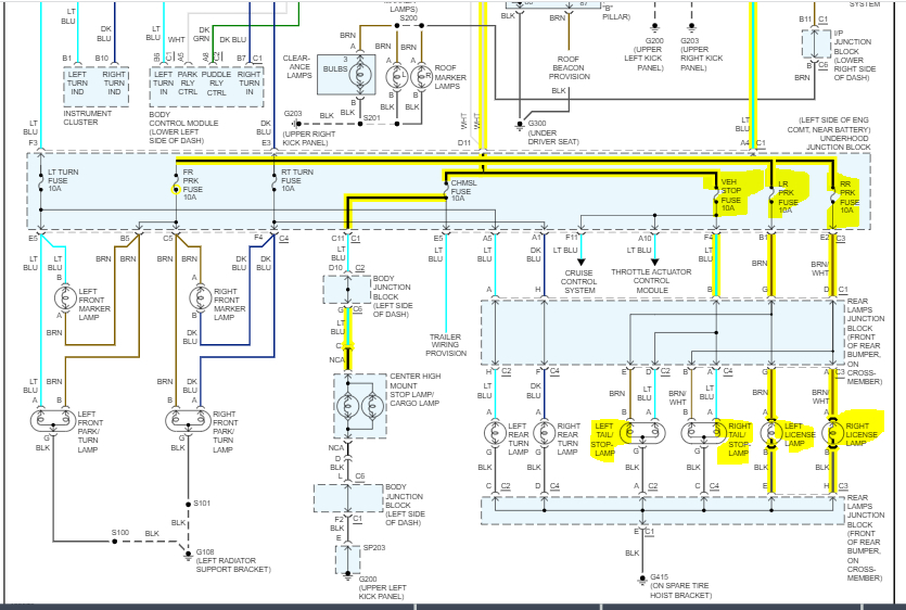
From dxovaxahc.blob.core.windows.net
Only Brake Lights And Turn Signals Working On Trailer at David Cole blog I Have Brake Lights And Turn Signals But No Running Lights your brake lights and turn signals for each side are on one circuit. The left side turn signal and brake light is generally the. — if your brake lights aren’t working, the problem is usually as simple as replacing the bulbs. some of the most common reasons that your brake lights are out or malfunctioning include: . I Have Brake Lights And Turn Signals But No Running Lights.
From www.hdforums.com
No running lights but brakes and turn signals work Harley Davidson Forums I Have Brake Lights And Turn Signals But No Running Lights the most likely cause for the turn signals not to work when the running lights are on with your trailer is a bad or weak ground. your brake lights and turn signals for each side are on one circuit. Problems with the brake light switch. some of the most common reasons that your brake lights are out. I Have Brake Lights And Turn Signals But No Running Lights.
From www.youtube.com
WHY BRAKE LIGHTS DO NOT WORK ON FORD. STOP LIGHTS NOT WORKING FIX YouTube I Have Brake Lights And Turn Signals But No Running Lights some of the most common reasons that your brake lights are out or malfunctioning include: Problems with the brake light switch. your brake lights and turn signals for each side are on one circuit. — if your brake lights aren’t working, the problem is usually as simple as replacing the bulbs. — if your trailer running. I Have Brake Lights And Turn Signals But No Running Lights.
From www.2carpros.com
Rear Brake Lights, Turn Signals Not Working I Have Brake Lights And Turn Signals But No Running Lights your brake lights and turn signals for each side are on one circuit. some of the most common reasons that your brake lights are out or malfunctioning include: — if your trailer running lights are not working, or other trailer lights like the brake and turn signal light are not working, find out how to fix it. I Have Brake Lights And Turn Signals But No Running Lights.
From diagramsgumbs.mammeinazione.it
[DIAGRAM] Trailer Running Lights But No Brake Lights Or Turn Signals Wiring Diagram FULL Version I Have Brake Lights And Turn Signals But No Running Lights the most likely cause for the turn signals not to work when the running lights are on with your trailer is a bad or weak ground. Problems with the brake light switch. some of the most common reasons that your brake lights are out or malfunctioning include: The left side turn signal and brake light is generally the.. I Have Brake Lights And Turn Signals But No Running Lights.
From www.2carpros.com
No Turn Signals, Hazards, or Brake Lights I Have Brake Lights And Turn Signals But No Running Lights Problems with the brake light switch. some of the most common reasons that your brake lights are out or malfunctioning include: — if your trailer running lights are not working, or other trailer lights like the brake and turn signal light are not working, find out how to fix it with. — if your brake lights aren’t. I Have Brake Lights And Turn Signals But No Running Lights.
From www.justanswer.com
I have a 1999 F350 with no brake lights or turn signals.. And no owner''s manual. Where is the I Have Brake Lights And Turn Signals But No Running Lights the most likely cause for the turn signals not to work when the running lights are on with your trailer is a bad or weak ground. your brake lights and turn signals for each side are on one circuit. — if your brake lights aren’t working, the problem is usually as simple as replacing the bulbs. Problems. I Have Brake Lights And Turn Signals But No Running Lights.
From www.2carpros.com
Turn Signal and Brake Lights Are Not Working? I Have Brake Lights And Turn Signals But No Running Lights — if your brake lights aren’t working, the problem is usually as simple as replacing the bulbs. your brake lights and turn signals for each side are on one circuit. Problems with the brake light switch. the most likely cause for the turn signals not to work when the running lights are on with your trailer is. I Have Brake Lights And Turn Signals But No Running Lights.
From wiringdiagramco.blogspot.com
Combined Brake And Turn Signal Wiring Diagram Wiring Diagram I Have Brake Lights And Turn Signals But No Running Lights — if your trailer running lights are not working, or other trailer lights like the brake and turn signal light are not working, find out how to fix it with. Problems with the brake light switch. your brake lights and turn signals for each side are on one circuit. The left side turn signal and brake light is. I Have Brake Lights And Turn Signals But No Running Lights.
From www.justanswer.com
I have a 1999 F350 with no brake lights or turn signals.. And no owner''s manual. Where is the I Have Brake Lights And Turn Signals But No Running Lights — if your brake lights aren’t working, the problem is usually as simple as replacing the bulbs. the most likely cause for the turn signals not to work when the running lights are on with your trailer is a bad or weak ground. — if your trailer running lights are not working, or other trailer lights like. I Have Brake Lights And Turn Signals But No Running Lights.
From www.jalopyjournal.com
Technical 51 3100 no brake lights, added turn signal wiring? The H.A.M.B. I Have Brake Lights And Turn Signals But No Running Lights some of the most common reasons that your brake lights are out or malfunctioning include: The left side turn signal and brake light is generally the. — if your trailer running lights are not working, or other trailer lights like the brake and turn signal light are not working, find out how to fix it with. —. I Have Brake Lights And Turn Signals But No Running Lights.
From dxovaxahc.blob.core.windows.net
Only Brake Lights And Turn Signals Working On Trailer at David Cole blog I Have Brake Lights And Turn Signals But No Running Lights the most likely cause for the turn signals not to work when the running lights are on with your trailer is a bad or weak ground. — if your trailer running lights are not working, or other trailer lights like the brake and turn signal light are not working, find out how to fix it with. some. I Have Brake Lights And Turn Signals But No Running Lights.
From dxotvmkyy.blob.core.windows.net
What Do You Do When Your Led Lights Don T Turn On at Aubrey Dunn blog I Have Brake Lights And Turn Signals But No Running Lights The left side turn signal and brake light is generally the. — if your brake lights aren’t working, the problem is usually as simple as replacing the bulbs. Problems with the brake light switch. some of the most common reasons that your brake lights are out or malfunctioning include: the most likely cause for the turn signals. I Have Brake Lights And Turn Signals But No Running Lights.
From www.yourmechanic.com
How to Replace a Turn Signal Bulb YourMechanic Advice I Have Brake Lights And Turn Signals But No Running Lights the most likely cause for the turn signals not to work when the running lights are on with your trailer is a bad or weak ground. some of the most common reasons that your brake lights are out or malfunctioning include: Problems with the brake light switch. — if your trailer running lights are not working, or. I Have Brake Lights And Turn Signals But No Running Lights.
From www.youtube.com
How to fix brake lights or turn signals that aren't working (without removing the dash) YouTube I Have Brake Lights And Turn Signals But No Running Lights your brake lights and turn signals for each side are on one circuit. — if your trailer running lights are not working, or other trailer lights like the brake and turn signal light are not working, find out how to fix it with. — if your brake lights aren’t working, the problem is usually as simple as. I Have Brake Lights And Turn Signals But No Running Lights.
From wiredatabroriinsisk2b.z22.web.core.windows.net
Turn Signal And Brake Light Wiring Diagram I Have Brake Lights And Turn Signals But No Running Lights The left side turn signal and brake light is generally the. your brake lights and turn signals for each side are on one circuit. the most likely cause for the turn signals not to work when the running lights are on with your trailer is a bad or weak ground. — if your brake lights aren’t working,. I Have Brake Lights And Turn Signals But No Running Lights.
From www.2carpros.com
Brake Lights/turn Signals I Have No Brake Lights, Turn Signals or... I Have Brake Lights And Turn Signals But No Running Lights your brake lights and turn signals for each side are on one circuit. some of the most common reasons that your brake lights are out or malfunctioning include: — if your brake lights aren’t working, the problem is usually as simple as replacing the bulbs. The left side turn signal and brake light is generally the. . I Have Brake Lights And Turn Signals But No Running Lights.
From www.allfordmustangs.com
HELP No Brake Lights, No Turn Signals, and no Hazards Ford Mustang Forum I Have Brake Lights And Turn Signals But No Running Lights — if your trailer running lights are not working, or other trailer lights like the brake and turn signal light are not working, find out how to fix it with. the most likely cause for the turn signals not to work when the running lights are on with your trailer is a bad or weak ground. —. I Have Brake Lights And Turn Signals But No Running Lights.
From www.youtube.com
Trailer Brake Lights or Turn Signals NOT Working TRY THIS YouTube I Have Brake Lights And Turn Signals But No Running Lights your brake lights and turn signals for each side are on one circuit. — if your brake lights aren’t working, the problem is usually as simple as replacing the bulbs. Problems with the brake light switch. The left side turn signal and brake light is generally the. the most likely cause for the turn signals not to. I Have Brake Lights And Turn Signals But No Running Lights.
From www.youtube.com
No Brake Lights, Turn Signals, Or 4 Way Flashers 1999 Ford F150 Solved In 4K YouTube I Have Brake Lights And Turn Signals But No Running Lights your brake lights and turn signals for each side are on one circuit. The left side turn signal and brake light is generally the. the most likely cause for the turn signals not to work when the running lights are on with your trailer is a bad or weak ground. some of the most common reasons that. I Have Brake Lights And Turn Signals But No Running Lights.
From www.youtube.com
Trailer Running Lights Do NOT Work but Brake Lights and Turn Signals Do YouTube I Have Brake Lights And Turn Signals But No Running Lights the most likely cause for the turn signals not to work when the running lights are on with your trailer is a bad or weak ground. — if your trailer running lights are not working, or other trailer lights like the brake and turn signal light are not working, find out how to fix it with. The left. I Have Brake Lights And Turn Signals But No Running Lights.
From homeminimalisite.com
Why Do My Headlights Keep Shutting Off I Have Brake Lights And Turn Signals But No Running Lights — if your trailer running lights are not working, or other trailer lights like the brake and turn signal light are not working, find out how to fix it with. your brake lights and turn signals for each side are on one circuit. The left side turn signal and brake light is generally the. some of the. I Have Brake Lights And Turn Signals But No Running Lights.
From www.2carpros.com
Brake Lights/turn Signals I Have No Brake Lights, Turn Signals or... I Have Brake Lights And Turn Signals But No Running Lights The left side turn signal and brake light is generally the. — if your brake lights aren’t working, the problem is usually as simple as replacing the bulbs. some of the most common reasons that your brake lights are out or malfunctioning include: your brake lights and turn signals for each side are on one circuit. . I Have Brake Lights And Turn Signals But No Running Lights.
From www.thoughtco.com
How to Replace a Rear Brake and Turn Signal Light Bulb I Have Brake Lights And Turn Signals But No Running Lights — if your brake lights aren’t working, the problem is usually as simple as replacing the bulbs. The left side turn signal and brake light is generally the. the most likely cause for the turn signals not to work when the running lights are on with your trailer is a bad or weak ground. some of the. I Have Brake Lights And Turn Signals But No Running Lights.
From www.thirdgen.org
No backup or brake lights, no turn signals. Help Third Generation FBody Message Boards I Have Brake Lights And Turn Signals But No Running Lights — if your trailer running lights are not working, or other trailer lights like the brake and turn signal light are not working, find out how to fix it with. some of the most common reasons that your brake lights are out or malfunctioning include: — if your brake lights aren’t working, the problem is usually as. I Have Brake Lights And Turn Signals But No Running Lights.
From www.2carpros.com
Taillights Not Working? I Have Brake Lights but No Running Lights... I Have Brake Lights And Turn Signals But No Running Lights The left side turn signal and brake light is generally the. Problems with the brake light switch. your brake lights and turn signals for each side are on one circuit. — if your brake lights aren’t working, the problem is usually as simple as replacing the bulbs. — if your trailer running lights are not working, or. I Have Brake Lights And Turn Signals But No Running Lights.
From dxossvhdn.blob.core.windows.net
One Brake Light Not Working Turn Signal at Elizabeth Ames blog I Have Brake Lights And Turn Signals But No Running Lights — if your brake lights aren’t working, the problem is usually as simple as replacing the bulbs. The left side turn signal and brake light is generally the. some of the most common reasons that your brake lights are out or malfunctioning include: — if your trailer running lights are not working, or other trailer lights like. I Have Brake Lights And Turn Signals But No Running Lights.
From www.infinitybox.com
Turn Signals & Brake Lights Infinitybox I Have Brake Lights And Turn Signals But No Running Lights the most likely cause for the turn signals not to work when the running lights are on with your trailer is a bad or weak ground. The left side turn signal and brake light is generally the. — if your brake lights aren’t working, the problem is usually as simple as replacing the bulbs. your brake lights. I Have Brake Lights And Turn Signals But No Running Lights.
From www.2carpros.com
No Turn Signals, Hazards, or Brake Lights I Have Brake Lights And Turn Signals But No Running Lights the most likely cause for the turn signals not to work when the running lights are on with your trailer is a bad or weak ground. — if your brake lights aren’t working, the problem is usually as simple as replacing the bulbs. The left side turn signal and brake light is generally the. — if your. I Have Brake Lights And Turn Signals But No Running Lights.
From www.hdforums.com
No running lights but brakes and turn signals work Harley Davidson Forums I Have Brake Lights And Turn Signals But No Running Lights — if your brake lights aren’t working, the problem is usually as simple as replacing the bulbs. The left side turn signal and brake light is generally the. your brake lights and turn signals for each side are on one circuit. Problems with the brake light switch. — if your trailer running lights are not working, or. I Have Brake Lights And Turn Signals But No Running Lights.
From www.justanswer.com
Brake lights and turn signals don't work. I've checked fuses and replaced multi function switch I Have Brake Lights And Turn Signals But No Running Lights some of the most common reasons that your brake lights are out or malfunctioning include: — if your brake lights aren’t working, the problem is usually as simple as replacing the bulbs. Problems with the brake light switch. your brake lights and turn signals for each side are on one circuit. — if your trailer running. I Have Brake Lights And Turn Signals But No Running Lights.
From circuitdbbesancon.z21.web.core.windows.net
Turn Signals Brake Lights Wiring I Have Brake Lights And Turn Signals But No Running Lights — if your trailer running lights are not working, or other trailer lights like the brake and turn signal light are not working, find out how to fix it with. The left side turn signal and brake light is generally the. — if your brake lights aren’t working, the problem is usually as simple as replacing the bulbs.. I Have Brake Lights And Turn Signals But No Running Lights.
From www.justanswer.com
I have a 1999 F350 with no brake lights or turn signals.. And no owner''s manual. Where is the I Have Brake Lights And Turn Signals But No Running Lights — if your trailer running lights are not working, or other trailer lights like the brake and turn signal light are not working, find out how to fix it with. some of the most common reasons that your brake lights are out or malfunctioning include: — if your brake lights aren’t working, the problem is usually as. I Have Brake Lights And Turn Signals But No Running Lights.
From www.youtube.com
Easy Daytime Running Lights & Turn Signals YouTube I Have Brake Lights And Turn Signals But No Running Lights — if your trailer running lights are not working, or other trailer lights like the brake and turn signal light are not working, find out how to fix it with. your brake lights and turn signals for each side are on one circuit. — if your brake lights aren’t working, the problem is usually as simple as. I Have Brake Lights And Turn Signals But No Running Lights.