Lt Mosfet Driver . learn how to design high performance gate drive circuits for high speed switching applications with mosfet and igbt. the ltc4440 is a mosfet gate driver that can operate with vin voltages up to 80v and transients up to 100v. learn how to use and customize mosfet models in ltspice xvii, a spice program that supports a proprietary mosfet model.
from cooltfiles593.weebly.com
learn how to use and customize mosfet models in ltspice xvii, a spice program that supports a proprietary mosfet model. learn how to design high performance gate drive circuits for high speed switching applications with mosfet and igbt. the ltc4440 is a mosfet gate driver that can operate with vin voltages up to 80v and transients up to 100v.
Ir2110 Mosfet Driver Circuit Diagram cooltfiles
Lt Mosfet Driver learn how to use and customize mosfet models in ltspice xvii, a spice program that supports a proprietary mosfet model. the ltc4440 is a mosfet gate driver that can operate with vin voltages up to 80v and transients up to 100v. learn how to use and customize mosfet models in ltspice xvii, a spice program that supports a proprietary mosfet model. learn how to design high performance gate drive circuits for high speed switching applications with mosfet and igbt.
From www.bdtic.com
LT1161 Quad Protected HighSide MOSFET Driver _ BDTIC a Leading Distributor in China Lt Mosfet Driver the ltc4440 is a mosfet gate driver that can operate with vin voltages up to 80v and transients up to 100v. learn how to design high performance gate drive circuits for high speed switching applications with mosfet and igbt. learn how to use and customize mosfet models in ltspice xvii, a spice program that supports a proprietary. Lt Mosfet Driver.
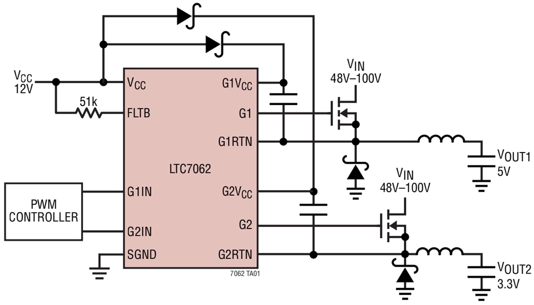
From www.powersystemsdesign.com
60V Protected High Side NChannel MOSFET Driver Provides 100 Duty Cycle Capability Lt Mosfet Driver the ltc4440 is a mosfet gate driver that can operate with vin voltages up to 80v and transients up to 100v. learn how to design high performance gate drive circuits for high speed switching applications with mosfet and igbt. learn how to use and customize mosfet models in ltspice xvii, a spice program that supports a proprietary. Lt Mosfet Driver.
From www.pc-shop.lt
IC driver; MOSFET halfbridge; high/lowside,gate driver; DIP8 IR21531DPBF INFINEON Lt Mosfet Driver learn how to design high performance gate drive circuits for high speed switching applications with mosfet and igbt. the ltc4440 is a mosfet gate driver that can operate with vin voltages up to 80v and transients up to 100v. learn how to use and customize mosfet models in ltspice xvii, a spice program that supports a proprietary. Lt Mosfet Driver.
From www.youtube.com
Isolated MOSFET Gate Driver using Pulse Transformer in ltspice ltspice Simulation YouTube Lt Mosfet Driver the ltc4440 is a mosfet gate driver that can operate with vin voltages up to 80v and transients up to 100v. learn how to design high performance gate drive circuits for high speed switching applications with mosfet and igbt. learn how to use and customize mosfet models in ltspice xvii, a spice program that supports a proprietary. Lt Mosfet Driver.
From octopart.com
FullBridge MOSFET Driver Selection and Design Guide Blog Octopart Lt Mosfet Driver the ltc4440 is a mosfet gate driver that can operate with vin voltages up to 80v and transients up to 100v. learn how to use and customize mosfet models in ltspice xvii, a spice program that supports a proprietary mosfet model. learn how to design high performance gate drive circuits for high speed switching applications with mosfet. Lt Mosfet Driver.
From www.datasheets.com
Typical Application for LTC16935 High Speed Single PChannel MOSFET Driver Lt Mosfet Driver learn how to use and customize mosfet models in ltspice xvii, a spice program that supports a proprietary mosfet model. the ltc4440 is a mosfet gate driver that can operate with vin voltages up to 80v and transients up to 100v. learn how to design high performance gate drive circuits for high speed switching applications with mosfet. Lt Mosfet Driver.
From studylib.net
LT1910 Protected High Side MOSFET Driver Lt Mosfet Driver the ltc4440 is a mosfet gate driver that can operate with vin voltages up to 80v and transients up to 100v. learn how to use and customize mosfet models in ltspice xvii, a spice program that supports a proprietary mosfet model. learn how to design high performance gate drive circuits for high speed switching applications with mosfet. Lt Mosfet Driver.
From hallroadpk.com
IRF520 MOSFET Driver Module Hallroad Pk Lt Mosfet Driver learn how to use and customize mosfet models in ltspice xvii, a spice program that supports a proprietary mosfet model. the ltc4440 is a mosfet gate driver that can operate with vin voltages up to 80v and transients up to 100v. learn how to design high performance gate drive circuits for high speed switching applications with mosfet. Lt Mosfet Driver.
From www.electronicsweekly.com
LTC MOSFET driver operates up to 60V Lt Mosfet Driver learn how to use and customize mosfet models in ltspice xvii, a spice program that supports a proprietary mosfet model. learn how to design high performance gate drive circuits for high speed switching applications with mosfet and igbt. the ltc4440 is a mosfet gate driver that can operate with vin voltages up to 80v and transients up. Lt Mosfet Driver.
From www.analog.com
150V Fast High Side Protected NChannel MOSFET Driver Provides 100 Duty Cycle Capability Lt Mosfet Driver learn how to use and customize mosfet models in ltspice xvii, a spice program that supports a proprietary mosfet model. learn how to design high performance gate drive circuits for high speed switching applications with mosfet and igbt. the ltc4440 is a mosfet gate driver that can operate with vin voltages up to 80v and transients up. Lt Mosfet Driver.
From www.hv-experimental.com
Isolated Mosfet Driver with BNC Connection Lt Mosfet Driver learn how to use and customize mosfet models in ltspice xvii, a spice program that supports a proprietary mosfet model. learn how to design high performance gate drive circuits for high speed switching applications with mosfet and igbt. the ltc4440 is a mosfet gate driver that can operate with vin voltages up to 80v and transients up. Lt Mosfet Driver.
From www.arrow.com
LTC4449_Typical Application Reference Design MOSFET Power Driver Lt Mosfet Driver learn how to design high performance gate drive circuits for high speed switching applications with mosfet and igbt. the ltc4440 is a mosfet gate driver that can operate with vin voltages up to 80v and transients up to 100v. learn how to use and customize mosfet models in ltspice xvii, a spice program that supports a proprietary. Lt Mosfet Driver.
From www.arrow.com
LTC1163_Typical Application Reference Design MOSFET Power Driver Lt Mosfet Driver the ltc4440 is a mosfet gate driver that can operate with vin voltages up to 80v and transients up to 100v. learn how to design high performance gate drive circuits for high speed switching applications with mosfet and igbt. learn how to use and customize mosfet models in ltspice xvii, a spice program that supports a proprietary. Lt Mosfet Driver.
From www.makerlab-electronics.com
IRF520 Mosfet Driver Module Makerlab Electronics Lt Mosfet Driver learn how to design high performance gate drive circuits for high speed switching applications with mosfet and igbt. learn how to use and customize mosfet models in ltspice xvii, a spice program that supports a proprietary mosfet model. the ltc4440 is a mosfet gate driver that can operate with vin voltages up to 80v and transients up. Lt Mosfet Driver.
From www.youtube.com
Mosfet driver YouTube Lt Mosfet Driver the ltc4440 is a mosfet gate driver that can operate with vin voltages up to 80v and transients up to 100v. learn how to use and customize mosfet models in ltspice xvii, a spice program that supports a proprietary mosfet model. learn how to design high performance gate drive circuits for high speed switching applications with mosfet. Lt Mosfet Driver.
From www.fpvracer.lt
How To Fix Any ESC // The Mosfet Driver Part 1 FpvRacer.lt Lt Mosfet Driver learn how to design high performance gate drive circuits for high speed switching applications with mosfet and igbt. learn how to use and customize mosfet models in ltspice xvii, a spice program that supports a proprietary mosfet model. the ltc4440 is a mosfet gate driver that can operate with vin voltages up to 80v and transients up. Lt Mosfet Driver.
From dokumen.tips
(PDF) LT1158 Half Bridge NChannel Power MOSFET Driver · 2019. 10. 13. · Power MOSFET Driver A Lt Mosfet Driver the ltc4440 is a mosfet gate driver that can operate with vin voltages up to 80v and transients up to 100v. learn how to design high performance gate drive circuits for high speed switching applications with mosfet and igbt. learn how to use and customize mosfet models in ltspice xvii, a spice program that supports a proprietary. Lt Mosfet Driver.
From www.youtube.com
LE3_6c Diskrete Low Side Gate Treiber für Mosfet/IGBT LTSpice Simulation YouTube Lt Mosfet Driver learn how to use and customize mosfet models in ltspice xvii, a spice program that supports a proprietary mosfet model. learn how to design high performance gate drive circuits for high speed switching applications with mosfet and igbt. the ltc4440 is a mosfet gate driver that can operate with vin voltages up to 80v and transients up. Lt Mosfet Driver.
From www.arrow.com
LTC1255_Typical Application Reference Design MOSFET Power Driver Lt Mosfet Driver the ltc4440 is a mosfet gate driver that can operate with vin voltages up to 80v and transients up to 100v. learn how to design high performance gate drive circuits for high speed switching applications with mosfet and igbt. learn how to use and customize mosfet models in ltspice xvii, a spice program that supports a proprietary. Lt Mosfet Driver.
From maingatedesign.blogspot.com
How To Use Mosfet Gate Driver Main Gate Design Lt Mosfet Driver the ltc4440 is a mosfet gate driver that can operate with vin voltages up to 80v and transients up to 100v. learn how to design high performance gate drive circuits for high speed switching applications with mosfet and igbt. learn how to use and customize mosfet models in ltspice xvii, a spice program that supports a proprietary. Lt Mosfet Driver.
From safeddriversportallc.wordpress.com
LTSPICE MOSFET DRIVER Safe Drivers Portal Lt Mosfet Driver the ltc4440 is a mosfet gate driver that can operate with vin voltages up to 80v and transients up to 100v. learn how to design high performance gate drive circuits for high speed switching applications with mosfet and igbt. learn how to use and customize mosfet models in ltspice xvii, a spice program that supports a proprietary. Lt Mosfet Driver.
From www.datasheets.com
Typical Application for LT1910 Protected High Side MOSFET Driver Lt Mosfet Driver learn how to use and customize mosfet models in ltspice xvii, a spice program that supports a proprietary mosfet model. learn how to design high performance gate drive circuits for high speed switching applications with mosfet and igbt. the ltc4440 is a mosfet gate driver that can operate with vin voltages up to 80v and transients up. Lt Mosfet Driver.
From cooltfiles593.weebly.com
Ir2110 Mosfet Driver Circuit Diagram cooltfiles Lt Mosfet Driver learn how to design high performance gate drive circuits for high speed switching applications with mosfet and igbt. learn how to use and customize mosfet models in ltspice xvii, a spice program that supports a proprietary mosfet model. the ltc4440 is a mosfet gate driver that can operate with vin voltages up to 80v and transients up. Lt Mosfet Driver.
From www.myxxgirl.com
High Speed A Single Mosfet Drivers Power Supply Circuit Circuit My XXX Hot Girl Lt Mosfet Driver learn how to design high performance gate drive circuits for high speed switching applications with mosfet and igbt. the ltc4440 is a mosfet gate driver that can operate with vin voltages up to 80v and transients up to 100v. learn how to use and customize mosfet models in ltspice xvii, a spice program that supports a proprietary. Lt Mosfet Driver.
From naylampmechatronics.com
Driver Mosfet 15A dualMOS AOD4184A parallel Lt Mosfet Driver learn how to design high performance gate drive circuits for high speed switching applications with mosfet and igbt. learn how to use and customize mosfet models in ltspice xvii, a spice program that supports a proprietary mosfet model. the ltc4440 is a mosfet gate driver that can operate with vin voltages up to 80v and transients up. Lt Mosfet Driver.
From www.mouser.kr
LTC7062 이중 하이 측 MOSFET 게이트 드라이버 ADI Mouser Lt Mosfet Driver learn how to design high performance gate drive circuits for high speed switching applications with mosfet and igbt. the ltc4440 is a mosfet gate driver that can operate with vin voltages up to 80v and transients up to 100v. learn how to use and customize mosfet models in ltspice xvii, a spice program that supports a proprietary. Lt Mosfet Driver.
From electropeak.com
Interfacing IRF520 MOSFET Driver Module (HCMODU0083) with Arduino Lt Mosfet Driver learn how to use and customize mosfet models in ltspice xvii, a spice program that supports a proprietary mosfet model. the ltc4440 is a mosfet gate driver that can operate with vin voltages up to 80v and transients up to 100v. learn how to design high performance gate drive circuits for high speed switching applications with mosfet. Lt Mosfet Driver.
From www.arrow.com
LT1158_Typical Application Reference Design MOSFET Power Driver Lt Mosfet Driver learn how to design high performance gate drive circuits for high speed switching applications with mosfet and igbt. the ltc4440 is a mosfet gate driver that can operate with vin voltages up to 80v and transients up to 100v. learn how to use and customize mosfet models in ltspice xvii, a spice program that supports a proprietary. Lt Mosfet Driver.
From vdocuments.mx
LT1910 Protected High Side MOSFET Lt Mosfet Driver the ltc4440 is a mosfet gate driver that can operate with vin voltages up to 80v and transients up to 100v. learn how to design high performance gate drive circuits for high speed switching applications with mosfet and igbt. learn how to use and customize mosfet models in ltspice xvii, a spice program that supports a proprietary. Lt Mosfet Driver.
From www.youtube.com
Push Pull MOSFET Gate Driver Totem Pole MOSFET ltspice simulation YouTube Lt Mosfet Driver learn how to use and customize mosfet models in ltspice xvii, a spice program that supports a proprietary mosfet model. learn how to design high performance gate drive circuits for high speed switching applications with mosfet and igbt. the ltc4440 is a mosfet gate driver that can operate with vin voltages up to 80v and transients up. Lt Mosfet Driver.
From www.aliexpress.com
LT1336CS LT1336 Half Bridge N Channel Power MOSFET Driver with Boost Regulatordriverdriver Lt Mosfet Driver the ltc4440 is a mosfet gate driver that can operate with vin voltages up to 80v and transients up to 100v. learn how to use and customize mosfet models in ltspice xvii, a spice program that supports a proprietary mosfet model. learn how to design high performance gate drive circuits for high speed switching applications with mosfet. Lt Mosfet Driver.
From www.mikrocontroller.net
LTSpice Mosfet HighSide Treiber LTC7004 Lt Mosfet Driver learn how to design high performance gate drive circuits for high speed switching applications with mosfet and igbt. learn how to use and customize mosfet models in ltspice xvii, a spice program that supports a proprietary mosfet model. the ltc4440 is a mosfet gate driver that can operate with vin voltages up to 80v and transients up. Lt Mosfet Driver.
From www.edn.com
MOSFET drivers deliver 12 amps EDN Lt Mosfet Driver the ltc4440 is a mosfet gate driver that can operate with vin voltages up to 80v and transients up to 100v. learn how to use and customize mosfet models in ltspice xvii, a spice program that supports a proprietary mosfet model. learn how to design high performance gate drive circuits for high speed switching applications with mosfet. Lt Mosfet Driver.
From www.bdtic.com
LT1160 Half/FullBridge NChannel Power MOSFET Drivers _ BDTIC a Leading Distributor in China Lt Mosfet Driver learn how to design high performance gate drive circuits for high speed switching applications with mosfet and igbt. the ltc4440 is a mosfet gate driver that can operate with vin voltages up to 80v and transients up to 100v. learn how to use and customize mosfet models in ltspice xvii, a spice program that supports a proprietary. Lt Mosfet Driver.
From electronics.stackexchange.com
BJT based mosfet driver, what resistor values to use? Electrical Engineering Stack Exchange Lt Mosfet Driver learn how to use and customize mosfet models in ltspice xvii, a spice program that supports a proprietary mosfet model. the ltc4440 is a mosfet gate driver that can operate with vin voltages up to 80v and transients up to 100v. learn how to design high performance gate drive circuits for high speed switching applications with mosfet. Lt Mosfet Driver.