From www.uscooler.com
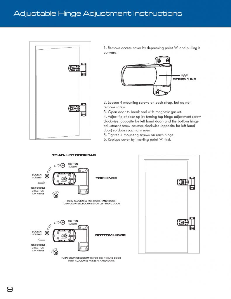
Technical Walkin Drawings U.S. Cooler Walkins Walk In Cooler Installation Instructions Wall, corner, ceiling, and floor panels are of wood frame. installation instructions (continued) door adjustments: Walk In Cooler Installation Instructions.
From www.artofit.org
Commercial walk in cooler installation la walk in freezer installation Walk In Cooler Installation Instructions Wall, corner, ceiling, and floor panels are of wood frame. installation instructions (continued) door adjustments: Walk In Cooler Installation Instructions.
From www.uscooler.com
Installation Guide U.S. Cooler Walkins Walk In Cooler Installation Instructions installation instructions (continued) door adjustments: Wall, corner, ceiling, and floor panels are of wood frame. Walk In Cooler Installation Instructions.
From www.youtube.com
Walk In Cooler Install Video 2019. Full 2 Days. YouTube Walk In Cooler Installation Instructions Wall, corner, ceiling, and floor panels are of wood frame. installation instructions (continued) door adjustments: Walk In Cooler Installation Instructions.
From rsidfw.com
WalkIn Cooler Installation DFW RSI DFW Walk In Cooler Installation Instructions installation instructions (continued) door adjustments: Wall, corner, ceiling, and floor panels are of wood frame. Walk In Cooler Installation Instructions.
From rsidfw.com
WalkIn Cooler Installation RSI DFW DallasFort Worth Metroplex Walk In Cooler Installation Instructions Wall, corner, ceiling, and floor panels are of wood frame. installation instructions (continued) door adjustments: Walk In Cooler Installation Instructions.
From www.jeansrestaurantsupply.com
Buyer's Guide for WalkIn Cooler & Freezer Walk In Cooler Installation Instructions installation instructions (continued) door adjustments: Wall, corner, ceiling, and floor panels are of wood frame. Walk In Cooler Installation Instructions.
From www.storflex.com
An Ultimate Guide to WalkIn Coolers 5 Things to Consider Walk In Cooler Installation Instructions Wall, corner, ceiling, and floor panels are of wood frame. installation instructions (continued) door adjustments: Walk In Cooler Installation Instructions.
From autoctrls.com
The Ultimate Guide to Understanding Electrical WalkIn Cooler Wiring Walk In Cooler Installation Instructions Wall, corner, ceiling, and floor panels are of wood frame. installation instructions (continued) door adjustments: Walk In Cooler Installation Instructions.
From rsidfw.com
WalkIn Cooler Installation DFW RSI DFW Refrigerated Specialist Inc. Walk In Cooler Installation Instructions Wall, corner, ceiling, and floor panels are of wood frame. installation instructions (continued) door adjustments: Walk In Cooler Installation Instructions.
From www.youtube.com
WALK IN COOLER INSTALLATION BEST PRACTICES YouTube Walk In Cooler Installation Instructions installation instructions (continued) door adjustments: Wall, corner, ceiling, and floor panels are of wood frame. Walk In Cooler Installation Instructions.
From acmmechanicalinc.ca
Professional Walkin Cooler Installation And Repair ACM Mechanical Walk In Cooler Installation Instructions Wall, corner, ceiling, and floor panels are of wood frame. installation instructions (continued) door adjustments: Walk In Cooler Installation Instructions.
From walkincooler-shelving.com
Walkin Cooler Shelving Installation in Process Walk In Cooler Installation Instructions Wall, corner, ceiling, and floor panels are of wood frame. installation instructions (continued) door adjustments: Walk In Cooler Installation Instructions.
From rsidfw.com
WalkIn Cooler Installation RSI DFW DallasFort Worth Metroplex Walk In Cooler Installation Instructions installation instructions (continued) door adjustments: Wall, corner, ceiling, and floor panels are of wood frame. Walk In Cooler Installation Instructions.
From www.allprocoolersllc.com
The Main Components of Your WalkIn Cooler Walk In Cooler Installation Instructions installation instructions (continued) door adjustments: Wall, corner, ceiling, and floor panels are of wood frame. Walk In Cooler Installation Instructions.
From alturascontractors.com
Walk In Cooler & Freezer Installation Tips DIY or Pro? Walk In Cooler Installation Instructions installation instructions (continued) door adjustments: Wall, corner, ceiling, and floor panels are of wood frame. Walk In Cooler Installation Instructions.
From kitchen.services
Instructions For Installing A Walk In Cooler Freezer Kitchen Services Walk In Cooler Installation Instructions installation instructions (continued) door adjustments: Wall, corner, ceiling, and floor panels are of wood frame. Walk In Cooler Installation Instructions.
From rsidfw.com
WalkIn Cooler Installation RSI DFW DallasFort Worth Metroplex Walk In Cooler Installation Instructions installation instructions (continued) door adjustments: Wall, corner, ceiling, and floor panels are of wood frame. Walk In Cooler Installation Instructions.
From www.uscooler.com
Installation Guide U.S. Cooler Walkins Walk In Cooler Installation Instructions Wall, corner, ceiling, and floor panels are of wood frame. installation instructions (continued) door adjustments: Walk In Cooler Installation Instructions.
From www.uscooler.com
Technical Walkin Drawings U.S. Cooler Walkins Walk In Cooler Installation Instructions installation instructions (continued) door adjustments: Wall, corner, ceiling, and floor panels are of wood frame. Walk In Cooler Installation Instructions.
From alturascontractors.com
Walk In Cooler & Freezer Installation Tips DIY or Pro? Walk In Cooler Installation Instructions Wall, corner, ceiling, and floor panels are of wood frame. installation instructions (continued) door adjustments: Walk In Cooler Installation Instructions.
From blog.mrwinterinc.net
How to Build a DIY Walk in Cooler With No Floor Walk In Cooler Installation Instructions Wall, corner, ceiling, and floor panels are of wood frame. installation instructions (continued) door adjustments: Walk In Cooler Installation Instructions.
From www.pinnaxis.com
Instructions For Installing A Walk In Cooler Freezer, 50 OFF Walk In Cooler Installation Instructions Wall, corner, ceiling, and floor panels are of wood frame. installation instructions (continued) door adjustments: Walk In Cooler Installation Instructions.
From rsidfw.com
WalkIn Cooler Installation RSI DFW DallasFort Worth Metroplex Walk In Cooler Installation Instructions installation instructions (continued) door adjustments: Wall, corner, ceiling, and floor panels are of wood frame. Walk In Cooler Installation Instructions.
From kitchen.services
Instructions For Installing A Walk In Cooler Freezer Kitchen Services Walk In Cooler Installation Instructions installation instructions (continued) door adjustments: Wall, corner, ceiling, and floor panels are of wood frame. Walk In Cooler Installation Instructions.
From kasrefrigeration.com
C21 WalkIn Cooler Shelving System Assembly Instructions KAS Walk In Cooler Installation Instructions Wall, corner, ceiling, and floor panels are of wood frame. installation instructions (continued) door adjustments: Walk In Cooler Installation Instructions.
From www.uscooler.com
Installation Guide U.S. Cooler Walkins Walk In Cooler Installation Instructions installation instructions (continued) door adjustments: Wall, corner, ceiling, and floor panels are of wood frame. Walk In Cooler Installation Instructions.
From www.lisbonlx.com
Diy Walk In Cooler Examples and Forms Walk In Cooler Installation Instructions installation instructions (continued) door adjustments: Wall, corner, ceiling, and floor panels are of wood frame. Walk In Cooler Installation Instructions.
From www.vortexrestaurantequipment.ca
Installing a Walk In Cooler Vortex Restaurant Equipment Walk In Cooler Installation Instructions installation instructions (continued) door adjustments: Wall, corner, ceiling, and floor panels are of wood frame. Walk In Cooler Installation Instructions.
From rsidfw.com
WalkIn Cooler Installation RSI DFW DallasFort Worth Metroplex Walk In Cooler Installation Instructions Wall, corner, ceiling, and floor panels are of wood frame. installation instructions (continued) door adjustments: Walk In Cooler Installation Instructions.
From kitchen.services
Instructions For Installing A Walk In Cooler Freezer Kitchen Services Walk In Cooler Installation Instructions installation instructions (continued) door adjustments: Wall, corner, ceiling, and floor panels are of wood frame. Walk In Cooler Installation Instructions.
From www.artofit.org
Commercial walk in cooler installation la walk in freezer installation Walk In Cooler Installation Instructions Wall, corner, ceiling, and floor panels are of wood frame. installation instructions (continued) door adjustments: Walk In Cooler Installation Instructions.
From wiringall.com
Walk In Cooler Wiring Schematic Walk In Cooler Installation Instructions Wall, corner, ceiling, and floor panels are of wood frame. installation instructions (continued) door adjustments: Walk In Cooler Installation Instructions.
From www.srcrefrigeration.com
WalkIn Coolers Installation Guides SRC Refrigeration Walk In Cooler Installation Instructions installation instructions (continued) door adjustments: Wall, corner, ceiling, and floor panels are of wood frame. Walk In Cooler Installation Instructions.
From www.storflex.com
An Ultimate Guide to WalkIn Coolers 5 Things to Consider Walk In Cooler Installation Instructions Wall, corner, ceiling, and floor panels are of wood frame. installation instructions (continued) door adjustments: Walk In Cooler Installation Instructions.