From circuitlibfundings.z13.web.core.windows.net
Predator Generator Parts 8750 Briggs And Stratton 8750 Generator Parts In addition to the engine oil, check out your carburetor, air filter, fuel filter, and spark plug regularly. There are (79) parts used by this. This interactive page will allow you to find the exact replacement part you need, using official parts diagrams from. Largest selection, best prices, free shipping. 62000 exploded view parts lookup by model. inspect replaceable. Briggs And Stratton 8750 Generator Parts.
From www.partstree.com
Briggs & Stratton 03067601 Briggs & Stratton 3,500 Watt Portable Generator Main Unit Briggs And Stratton 8750 Generator Parts 62000 exploded view parts lookup by model. inspect replaceable parts regularly. This interactive page will allow you to find the exact replacement part you need, using official parts diagrams from. In addition to the engine oil, check out your carburetor, air filter, fuel filter, and spark plug regularly. There are (79) parts used by this. Largest selection, best prices,. Briggs And Stratton 8750 Generator Parts.
From www.ereplacementparts.com
Briggs and Stratton Portable Generator 87501 Briggs And Stratton 8750 Generator Parts There are (79) parts used by this. This interactive page will allow you to find the exact replacement part you need, using official parts diagrams from. Largest selection, best prices, free shipping. In addition to the engine oil, check out your carburetor, air filter, fuel filter, and spark plug regularly. inspect replaceable parts regularly. 62000 exploded view parts lookup. Briggs And Stratton 8750 Generator Parts.
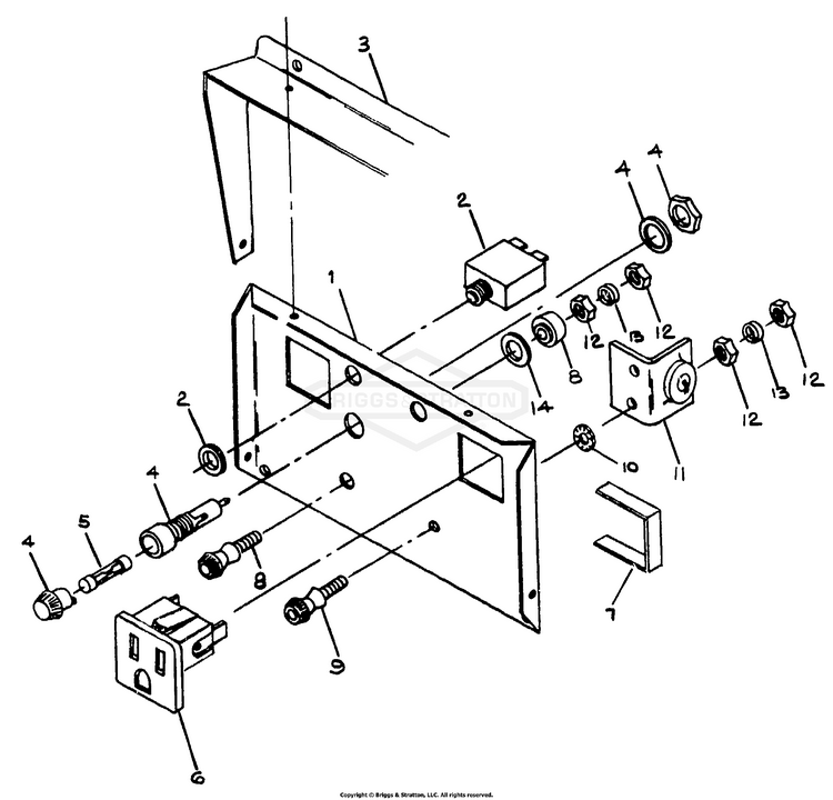
From www.partstree.com
Briggs & Stratton 19380 Briggs & Stratton 10kW Home Standby Generator Main Unit Parts Lookup Briggs And Stratton 8750 Generator Parts This interactive page will allow you to find the exact replacement part you need, using official parts diagrams from. In addition to the engine oil, check out your carburetor, air filter, fuel filter, and spark plug regularly. inspect replaceable parts regularly. Largest selection, best prices, free shipping. There are (79) parts used by this. 62000 exploded view parts lookup. Briggs And Stratton 8750 Generator Parts.
From jackssmallengines.com
PowerMate Formerly Coleman PM0435001 Parts Diagram for Generator Parts Briggs And Stratton 8750 Generator Parts This interactive page will allow you to find the exact replacement part you need, using official parts diagrams from. inspect replaceable parts regularly. In addition to the engine oil, check out your carburetor, air filter, fuel filter, and spark plug regularly. 62000 exploded view parts lookup by model. There are (79) parts used by this. Largest selection, best prices,. Briggs And Stratton 8750 Generator Parts.
From bid.lawlerauction.com
8750 PORTABLE GENERATOR WITH BRIGGS & STRATTON ENGINE Lawler Auction Company Briggs And Stratton 8750 Generator Parts There are (79) parts used by this. inspect replaceable parts regularly. This interactive page will allow you to find the exact replacement part you need, using official parts diagrams from. In addition to the engine oil, check out your carburetor, air filter, fuel filter, and spark plug regularly. Largest selection, best prices, free shipping. 62000 exploded view parts lookup. Briggs And Stratton 8750 Generator Parts.
From www.ebay.com
Motor Starter For Briggs & Stratton Elite 030242 0302420 6200 8750 Generator eBay Briggs And Stratton 8750 Generator Parts There are (79) parts used by this. inspect replaceable parts regularly. In addition to the engine oil, check out your carburetor, air filter, fuel filter, and spark plug regularly. This interactive page will allow you to find the exact replacement part you need, using official parts diagrams from. 62000 exploded view parts lookup by model. Largest selection, best prices,. Briggs And Stratton 8750 Generator Parts.
From pngtec.company.site
Briggs and Stratton Generator Conversion kits Briggs And Stratton 8750 Generator Parts 62000 exploded view parts lookup by model. In addition to the engine oil, check out your carburetor, air filter, fuel filter, and spark plug regularly. inspect replaceable parts regularly. This interactive page will allow you to find the exact replacement part you need, using official parts diagrams from. There are (79) parts used by this. Largest selection, best prices,. Briggs And Stratton 8750 Generator Parts.
From hanenhuusholli.blogspot.com
Briggs And Stratton Generator Parts Diagram Hanenhuusholli Briggs And Stratton 8750 Generator Parts 62000 exploded view parts lookup by model. This interactive page will allow you to find the exact replacement part you need, using official parts diagrams from. Largest selection, best prices, free shipping. In addition to the engine oil, check out your carburetor, air filter, fuel filter, and spark plug regularly. inspect replaceable parts regularly. There are (79) parts used. Briggs And Stratton 8750 Generator Parts.
From www.pinterest.com
Replaces Carburetor For B&S Model 030471 8000W/10000W 2100 Generator Mower Parts Land Briggs And Stratton 8750 Generator Parts In addition to the engine oil, check out your carburetor, air filter, fuel filter, and spark plug regularly. Largest selection, best prices, free shipping. This interactive page will allow you to find the exact replacement part you need, using official parts diagrams from. There are (79) parts used by this. 62000 exploded view parts lookup by model. inspect replaceable. Briggs And Stratton 8750 Generator Parts.
From www.bloggang.com
korea series Briggs & Stratton Elite Series 8,750 Watt 11 HP OHV Gas Powered Briggs And Stratton 8750 Generator Parts inspect replaceable parts regularly. This interactive page will allow you to find the exact replacement part you need, using official parts diagrams from. In addition to the engine oil, check out your carburetor, air filter, fuel filter, and spark plug regularly. Largest selection, best prices, free shipping. There are (79) parts used by this. 62000 exploded view parts lookup. Briggs And Stratton 8750 Generator Parts.
From www.canadiantire.ca
Briggs & Stratton Elite 7000W / 8750W Generator Canadian Tire Briggs And Stratton 8750 Generator Parts 62000 exploded view parts lookup by model. Largest selection, best prices, free shipping. inspect replaceable parts regularly. There are (79) parts used by this. This interactive page will allow you to find the exact replacement part you need, using official parts diagrams from. In addition to the engine oil, check out your carburetor, air filter, fuel filter, and spark. Briggs And Stratton 8750 Generator Parts.
From enginemullinsnaloxone.z21.web.core.windows.net
Briggs And Stratton Generators 1650 Series Briggs And Stratton 8750 Generator Parts In addition to the engine oil, check out your carburetor, air filter, fuel filter, and spark plug regularly. There are (79) parts used by this. Largest selection, best prices, free shipping. inspect replaceable parts regularly. 62000 exploded view parts lookup by model. This interactive page will allow you to find the exact replacement part you need, using official parts. Briggs And Stratton 8750 Generator Parts.
From www.partstree.com
Briggs & Stratton 030430A0 Briggs & Stratton 5,500 Watt Portable Generator Main Unit (209926 Briggs And Stratton 8750 Generator Parts 62000 exploded view parts lookup by model. In addition to the engine oil, check out your carburetor, air filter, fuel filter, and spark plug regularly. This interactive page will allow you to find the exact replacement part you need, using official parts diagrams from. Largest selection, best prices, free shipping. There are (79) parts used by this. inspect replaceable. Briggs And Stratton 8750 Generator Parts.
From www.rollerauction.com
Briggs & Stratton Elite Series 6200/8750 Portable Generator, Gas Roller Auctions Briggs And Stratton 8750 Generator Parts There are (79) parts used by this. inspect replaceable parts regularly. This interactive page will allow you to find the exact replacement part you need, using official parts diagrams from. Largest selection, best prices, free shipping. 62000 exploded view parts lookup by model. In addition to the engine oil, check out your carburetor, air filter, fuel filter, and spark. Briggs And Stratton 8750 Generator Parts.
From www.desperado-gerlafingen.ch
Business & Industrial 8 in NeverFlat Generator Wheel Kit Fits 4000,6500,8750 Watt Predator Briggs And Stratton 8750 Generator Parts 62000 exploded view parts lookup by model. In addition to the engine oil, check out your carburetor, air filter, fuel filter, and spark plug regularly. There are (79) parts used by this. inspect replaceable parts regularly. This interactive page will allow you to find the exact replacement part you need, using official parts diagrams from. Largest selection, best prices,. Briggs And Stratton 8750 Generator Parts.
From www.partstree.com
Briggs & Stratton 04034600 Briggs & Stratton 20kW Home Standby Generator with 200 Amp ATS Briggs And Stratton 8750 Generator Parts inspect replaceable parts regularly. Largest selection, best prices, free shipping. In addition to the engine oil, check out your carburetor, air filter, fuel filter, and spark plug regularly. 62000 exploded view parts lookup by model. There are (79) parts used by this. This interactive page will allow you to find the exact replacement part you need, using official parts. Briggs And Stratton 8750 Generator Parts.
From www.scribd.com
Briggs & Stratton Elite Portable Generator Parts List Model 030241 PDF Screw Briggs And Stratton 8750 Generator Parts inspect replaceable parts regularly. Largest selection, best prices, free shipping. There are (79) parts used by this. 62000 exploded view parts lookup by model. In addition to the engine oil, check out your carburetor, air filter, fuel filter, and spark plug regularly. This interactive page will allow you to find the exact replacement part you need, using official parts. Briggs And Stratton 8750 Generator Parts.
From www.partstree.com
Briggs & Stratton 0303860 Briggs & Stratton 6,200 Watt Portable Generator Main Unit Parts Briggs And Stratton 8750 Generator Parts There are (79) parts used by this. 62000 exploded view parts lookup by model. Largest selection, best prices, free shipping. inspect replaceable parts regularly. In addition to the engine oil, check out your carburetor, air filter, fuel filter, and spark plug regularly. This interactive page will allow you to find the exact replacement part you need, using official parts. Briggs And Stratton 8750 Generator Parts.
From www.youtube.com
How to start a Briggs and Stratton generator YouTube Briggs And Stratton 8750 Generator Parts This interactive page will allow you to find the exact replacement part you need, using official parts diagrams from. In addition to the engine oil, check out your carburetor, air filter, fuel filter, and spark plug regularly. 62000 exploded view parts lookup by model. inspect replaceable parts regularly. Largest selection, best prices, free shipping. There are (79) parts used. Briggs And Stratton 8750 Generator Parts.
From www.lowes.com
Briggs & Stratton Elite Series 030740 8750Watt Gasoline Portable Generator in the Portable Briggs And Stratton 8750 Generator Parts 62000 exploded view parts lookup by model. There are (79) parts used by this. inspect replaceable parts regularly. Largest selection, best prices, free shipping. This interactive page will allow you to find the exact replacement part you need, using official parts diagrams from. In addition to the engine oil, check out your carburetor, air filter, fuel filter, and spark. Briggs And Stratton 8750 Generator Parts.
From www.partstree.com
Briggs & Stratton 04036600 Briggs & Stratton 20kW Home Standby Generator with 200 Amp ATS Briggs And Stratton 8750 Generator Parts This interactive page will allow you to find the exact replacement part you need, using official parts diagrams from. inspect replaceable parts regularly. In addition to the engine oil, check out your carburetor, air filter, fuel filter, and spark plug regularly. There are (79) parts used by this. Largest selection, best prices, free shipping. 62000 exploded view parts lookup. Briggs And Stratton 8750 Generator Parts.
From www.partstree.com
Briggs & Stratton BSP 5500 L (17740) Briggs & Stratton 5,500 Watt Portable Generator Main Briggs And Stratton 8750 Generator Parts In addition to the engine oil, check out your carburetor, air filter, fuel filter, and spark plug regularly. There are (79) parts used by this. inspect replaceable parts regularly. Largest selection, best prices, free shipping. This interactive page will allow you to find the exact replacement part you need, using official parts diagrams from. 62000 exploded view parts lookup. Briggs And Stratton 8750 Generator Parts.
From vohobu-marria.blogspot.com
43 Briggs And Stratton Generator Parts Diagram Diagram Resource Briggs And Stratton 8750 Generator Parts In addition to the engine oil, check out your carburetor, air filter, fuel filter, and spark plug regularly. There are (79) parts used by this. Largest selection, best prices, free shipping. inspect replaceable parts regularly. 62000 exploded view parts lookup by model. This interactive page will allow you to find the exact replacement part you need, using official parts. Briggs And Stratton 8750 Generator Parts.
From www.partswarehouse.com
87501 Briggs and Stratton Portable Generator G2450, 2,250 Watt PartsWarehouse Briggs And Stratton 8750 Generator Parts There are (79) parts used by this. In addition to the engine oil, check out your carburetor, air filter, fuel filter, and spark plug regularly. This interactive page will allow you to find the exact replacement part you need, using official parts diagrams from. 62000 exploded view parts lookup by model. inspect replaceable parts regularly. Largest selection, best prices,. Briggs And Stratton 8750 Generator Parts.
From www.jackssmallengines.com
Briggs and Stratton Power Products 87501 G2450, 2,250 Watt Parts Diagram for Electrical Briggs And Stratton 8750 Generator Parts 62000 exploded view parts lookup by model. This interactive page will allow you to find the exact replacement part you need, using official parts diagrams from. Largest selection, best prices, free shipping. inspect replaceable parts regularly. In addition to the engine oil, check out your carburetor, air filter, fuel filter, and spark plug regularly. There are (79) parts used. Briggs And Stratton 8750 Generator Parts.
From www.ebay.com
Briggs and Stratton Elite Series 8750/7000 Watt Portable Generator eBay Briggs And Stratton 8750 Generator Parts In addition to the engine oil, check out your carburetor, air filter, fuel filter, and spark plug regularly. 62000 exploded view parts lookup by model. Largest selection, best prices, free shipping. There are (79) parts used by this. This interactive page will allow you to find the exact replacement part you need, using official parts diagrams from. inspect replaceable. Briggs And Stratton 8750 Generator Parts.
From www.ebay.com
Carburetor For Briggs & Stratton Elite 30470 030470 0304701 7000 8750 Watt Carb eBay Briggs And Stratton 8750 Generator Parts There are (79) parts used by this. Largest selection, best prices, free shipping. inspect replaceable parts regularly. This interactive page will allow you to find the exact replacement part you need, using official parts diagrams from. In addition to the engine oil, check out your carburetor, air filter, fuel filter, and spark plug regularly. 62000 exploded view parts lookup. Briggs And Stratton 8750 Generator Parts.
From generatorpartscenter.com
Briggs Stratton 8750 Automatic Choke Carburetor Electric Solenoid 188 13hp Briggs And Stratton 8750 Generator Parts inspect replaceable parts regularly. 62000 exploded view parts lookup by model. In addition to the engine oil, check out your carburetor, air filter, fuel filter, and spark plug regularly. Largest selection, best prices, free shipping. There are (79) parts used by this. This interactive page will allow you to find the exact replacement part you need, using official parts. Briggs And Stratton 8750 Generator Parts.
From www.jackssmallengines.com
Briggs and Stratton Power Products 03074000 7,000 Watt Briggs & Stratton Elite Parts Diagram Briggs And Stratton 8750 Generator Parts In addition to the engine oil, check out your carburetor, air filter, fuel filter, and spark plug regularly. This interactive page will allow you to find the exact replacement part you need, using official parts diagrams from. Largest selection, best prices, free shipping. 62000 exploded view parts lookup by model. inspect replaceable parts regularly. There are (79) parts used. Briggs And Stratton 8750 Generator Parts.
From mydiagram.online
[DIAGRAM] Wiring Diagram Briggs And Stratton Generator Briggs And Stratton 8750 Generator Parts In addition to the engine oil, check out your carburetor, air filter, fuel filter, and spark plug regularly. 62000 exploded view parts lookup by model. Largest selection, best prices, free shipping. This interactive page will allow you to find the exact replacement part you need, using official parts diagrams from. inspect replaceable parts regularly. There are (79) parts used. Briggs And Stratton 8750 Generator Parts.
From lovebackyard.com
Predator 8750 Generator Review One Of The Most Commendable Love Backyard Briggs And Stratton 8750 Generator Parts 62000 exploded view parts lookup by model. Largest selection, best prices, free shipping. There are (79) parts used by this. This interactive page will allow you to find the exact replacement part you need, using official parts diagrams from. inspect replaceable parts regularly. In addition to the engine oil, check out your carburetor, air filter, fuel filter, and spark. Briggs And Stratton 8750 Generator Parts.
From www.partstree.com
Briggs & Stratton 0304401 Briggs & Stratton 5,500 Watt Portable Generator Main Unit (310324 Briggs And Stratton 8750 Generator Parts Largest selection, best prices, free shipping. In addition to the engine oil, check out your carburetor, air filter, fuel filter, and spark plug regularly. This interactive page will allow you to find the exact replacement part you need, using official parts diagrams from. inspect replaceable parts regularly. There are (79) parts used by this. 62000 exploded view parts lookup. Briggs And Stratton 8750 Generator Parts.
From galvinconanstuart.blogspot.com
Briggs And Stratton Generator Parts Diagram General Wiring Diagram Briggs And Stratton 8750 Generator Parts In addition to the engine oil, check out your carburetor, air filter, fuel filter, and spark plug regularly. 62000 exploded view parts lookup by model. Largest selection, best prices, free shipping. This interactive page will allow you to find the exact replacement part you need, using official parts diagrams from. There are (79) parts used by this. inspect replaceable. Briggs And Stratton 8750 Generator Parts.
From www.bookerauction.co
Briggs & Stratton 8750 Generator Booker Auction Company Briggs And Stratton 8750 Generator Parts inspect replaceable parts regularly. In addition to the engine oil, check out your carburetor, air filter, fuel filter, and spark plug regularly. Largest selection, best prices, free shipping. This interactive page will allow you to find the exact replacement part you need, using official parts diagrams from. There are (79) parts used by this. 62000 exploded view parts lookup. Briggs And Stratton 8750 Generator Parts.