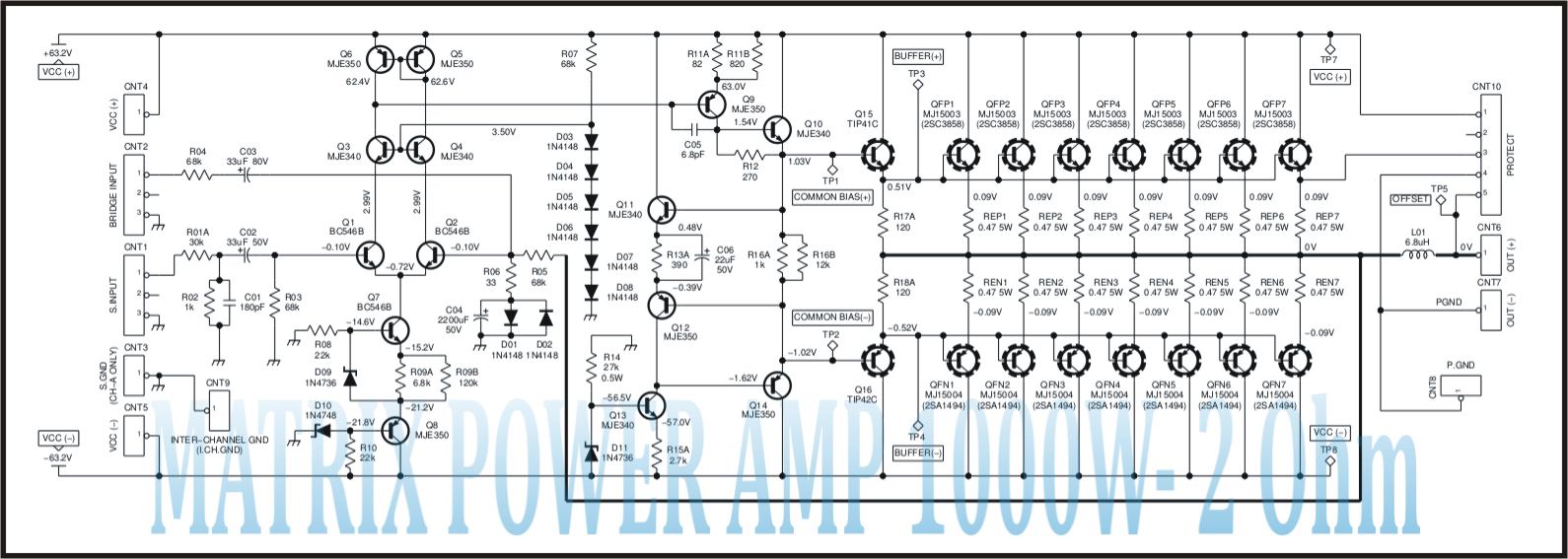
Skema Power Amplifier Class Ab . Note, that the bias current in m6 and m8 is not dependent. The boards are currently available through. This thread is for people to discuss their builds, build issues, and parts for the diy class a/b wolverine power amplifier. Vgg3 and vgg4 can be used to bias this amplifier in class ab or class b operation. A pure class ab amplifier circuit is actually capable of up to 78% (theoretical) efficiency with no. Class ab is a combination of classes a and b. The diyaudio “diyab” class ab power amplifier (or “honey badger” as we call it at diyaudio hq) was designed to fill the needs of members that. The following is a series of power amplifier class ab g77 by kartino s., for the embedded features there is an input balance that can be changed directly to unbalance.
from mas-ikhin.blogspot.com
This thread is for people to discuss their builds, build issues, and parts for the diy class a/b wolverine power amplifier. Note, that the bias current in m6 and m8 is not dependent. The boards are currently available through. The following is a series of power amplifier class ab g77 by kartino s., for the embedded features there is an input balance that can be changed directly to unbalance. The diyaudio “diyab” class ab power amplifier (or “honey badger” as we call it at diyaudio hq) was designed to fill the needs of members that. A pure class ab amplifier circuit is actually capable of up to 78% (theoretical) efficiency with no. Vgg3 and vgg4 can be used to bias this amplifier in class ab or class b operation. Class ab is a combination of classes a and b.
Skema Power SanPro (AB Fullbridge) Mas ikhin 'Blogs
Skema Power Amplifier Class Ab Class ab is a combination of classes a and b. Vgg3 and vgg4 can be used to bias this amplifier in class ab or class b operation. The diyaudio “diyab” class ab power amplifier (or “honey badger” as we call it at diyaudio hq) was designed to fill the needs of members that. This thread is for people to discuss their builds, build issues, and parts for the diy class a/b wolverine power amplifier. The boards are currently available through. A pure class ab amplifier circuit is actually capable of up to 78% (theoretical) efficiency with no. The following is a series of power amplifier class ab g77 by kartino s., for the embedded features there is an input balance that can be changed directly to unbalance. Note, that the bias current in m6 and m8 is not dependent. Class ab is a combination of classes a and b.
From www.vrogue.co
Skema Panel Depan Power Amplifier Skema Diagram vrogue.co Skema Power Amplifier Class Ab The diyaudio “diyab” class ab power amplifier (or “honey badger” as we call it at diyaudio hq) was designed to fill the needs of members that. The following is a series of power amplifier class ab g77 by kartino s., for the embedded features there is an input balance that can be changed directly to unbalance. A pure class ab. Skema Power Amplifier Class Ab.
From mas-ikhin.blogspot.com
Skema Power SanPro (AB Fullbridge) Mas ikhin 'Blogs Skema Power Amplifier Class Ab A pure class ab amplifier circuit is actually capable of up to 78% (theoretical) efficiency with no. The following is a series of power amplifier class ab g77 by kartino s., for the embedded features there is an input balance that can be changed directly to unbalance. Class ab is a combination of classes a and b. Note, that the. Skema Power Amplifier Class Ab.
From sanjaysaja.blogspot.com
DK Tech PCB Audio Power AMPLIFIER SKEMA POWER AMP CLASS AB. CLASS H . OTL Skema Power Amplifier Class Ab The following is a series of power amplifier class ab g77 by kartino s., for the embedded features there is an input balance that can be changed directly to unbalance. Class ab is a combination of classes a and b. The diyaudio “diyab” class ab power amplifier (or “honey badger” as we call it at diyaudio hq) was designed to. Skema Power Amplifier Class Ab.
From www.pinterest.com
Skema Rangkaian Supply Untuk Power Ampli Class H Menggunakan 1 dan 2 Trafo Biasa Elektronik Skema Power Amplifier Class Ab The following is a series of power amplifier class ab g77 by kartino s., for the embedded features there is an input balance that can be changed directly to unbalance. A pure class ab amplifier circuit is actually capable of up to 78% (theoretical) efficiency with no. Vgg3 and vgg4 can be used to bias this amplifier in class ab. Skema Power Amplifier Class Ab.
From devsday.ru
Understanding Class AB Amplifier Design and Class AB Biasing DevsDay.ru Skema Power Amplifier Class Ab Note, that the bias current in m6 and m8 is not dependent. Class ab is a combination of classes a and b. A pure class ab amplifier circuit is actually capable of up to 78% (theoretical) efficiency with no. This thread is for people to discuss their builds, build issues, and parts for the diy class a/b wolverine power amplifier.. Skema Power Amplifier Class Ab.
From skemapower.blogspot.com
Tren Gaya 30+ Skema Power Amplifier Built Up Terbaik, Skema Elektronika Skema Power Amplifier Class Ab The following is a series of power amplifier class ab g77 by kartino s., for the embedded features there is an input balance that can be changed directly to unbalance. The diyaudio “diyab” class ab power amplifier (or “honey badger” as we call it at diyaudio hq) was designed to fill the needs of members that. Note, that the bias. Skema Power Amplifier Class Ab.
From rangkaianelektronika.info
3 Skema Power Amplifier Built Up Terbaik Untuk Lapangan Gambar Skema Rangkaian Elektronika Skema Power Amplifier Class Ab The diyaudio “diyab” class ab power amplifier (or “honey badger” as we call it at diyaudio hq) was designed to fill the needs of members that. Class ab is a combination of classes a and b. A pure class ab amplifier circuit is actually capable of up to 78% (theoretical) efficiency with no. The boards are currently available through. The. Skema Power Amplifier Class Ab.
From www.circuitstoday.com
Class AB amplifier circuit operating from 12 volts, 10W, fully transistorized Skema Power Amplifier Class Ab Note, that the bias current in m6 and m8 is not dependent. The following is a series of power amplifier class ab g77 by kartino s., for the embedded features there is an input balance that can be changed directly to unbalance. Vgg3 and vgg4 can be used to bias this amplifier in class ab or class b operation. The. Skema Power Amplifier Class Ab.
From sanjaysaja.blogspot.com
DK Tech PCB Audio Power AMPLIFIER SKEMA POWER AMP CLASS AB. CLASS H . OTL Skema Power Amplifier Class Ab Note, that the bias current in m6 and m8 is not dependent. The diyaudio “diyab” class ab power amplifier (or “honey badger” as we call it at diyaudio hq) was designed to fill the needs of members that. This thread is for people to discuss their builds, build issues, and parts for the diy class a/b wolverine power amplifier. The. Skema Power Amplifier Class Ab.
From dnd-elektro.blogspot.com
Service Elektronik Weleri Kendal 085725117126 Skema Power Audio amplifier 400 Watt MOSFET IRFP448 Skema Power Amplifier Class Ab The diyaudio “diyab” class ab power amplifier (or “honey badger” as we call it at diyaudio hq) was designed to fill the needs of members that. Vgg3 and vgg4 can be used to bias this amplifier in class ab or class b operation. This thread is for people to discuss their builds, build issues, and parts for the diy class. Skema Power Amplifier Class Ab.
From sanjaysaja.blogspot.com
DK Tech PCB Audio Power AMPLIFIER SKEMA POWER AMP CLASS AB. CLASS H . OTL Skema Power Amplifier Class Ab A pure class ab amplifier circuit is actually capable of up to 78% (theoretical) efficiency with no. The boards are currently available through. Class ab is a combination of classes a and b. Note, that the bias current in m6 and m8 is not dependent. This thread is for people to discuss their builds, build issues, and parts for the. Skema Power Amplifier Class Ab.
From asevha.com
Skema Power Amplifier 100 Watt dengan Transistor Tutorial, Desain & Hoby Skema Power Amplifier Class Ab A pure class ab amplifier circuit is actually capable of up to 78% (theoretical) efficiency with no. The following is a series of power amplifier class ab g77 by kartino s., for the embedded features there is an input balance that can be changed directly to unbalance. Vgg3 and vgg4 can be used to bias this amplifier in class ab. Skema Power Amplifier Class Ab.
From awipunna.blogspot.com
ARWIS' BLOG Skema Audio Power Amplifier Menggunakan Transistor A1941 dan C5198 Skema Power Amplifier Class Ab Class ab is a combination of classes a and b. The boards are currently available through. The diyaudio “diyab” class ab power amplifier (or “honey badger” as we call it at diyaudio hq) was designed to fill the needs of members that. A pure class ab amplifier circuit is actually capable of up to 78% (theoretical) efficiency with no. Vgg3. Skema Power Amplifier Class Ab.
From sanjaysaja.blogspot.com
DK Tech PCB Audio Power AMPLIFIER SKEMA POWER AMP CLASS AB. CLASS H . OTL Skema Power Amplifier Class Ab The boards are currently available through. Note, that the bias current in m6 and m8 is not dependent. The diyaudio “diyab” class ab power amplifier (or “honey badger” as we call it at diyaudio hq) was designed to fill the needs of members that. This thread is for people to discuss their builds, build issues, and parts for the diy. Skema Power Amplifier Class Ab.
From sanjaysaja.blogspot.com
DK Tech PCB Audio Power AMPLIFIER SKEMA POWER AMP CLASS AB. CLASS H . OTL Skema Power Amplifier Class Ab The boards are currently available through. Vgg3 and vgg4 can be used to bias this amplifier in class ab or class b operation. The diyaudio “diyab” class ab power amplifier (or “honey badger” as we call it at diyaudio hq) was designed to fill the needs of members that. This thread is for people to discuss their builds, build issues,. Skema Power Amplifier Class Ab.
From schematicpartclaudia.z19.web.core.windows.net
Class Ab Amplifier Circuit Diagram Skema Power Amplifier Class Ab This thread is for people to discuss their builds, build issues, and parts for the diy class a/b wolverine power amplifier. Note, that the bias current in m6 and m8 is not dependent. Vgg3 and vgg4 can be used to bias this amplifier in class ab or class b operation. The diyaudio “diyab” class ab power amplifier (or “honey badger”. Skema Power Amplifier Class Ab.
From www.circuits-diy.com
12V Class AB Amplifier using 2SA733 Transistor Skema Power Amplifier Class Ab The diyaudio “diyab” class ab power amplifier (or “honey badger” as we call it at diyaudio hq) was designed to fill the needs of members that. This thread is for people to discuss their builds, build issues, and parts for the diy class a/b wolverine power amplifier. Class ab is a combination of classes a and b. Note, that the. Skema Power Amplifier Class Ab.
From sanjaysaja.blogspot.com
DK Tech PCB Audio Power AMPLIFIER SKEMA POWER AMP CLASS AB. CLASS H . OTL Skema Power Amplifier Class Ab Note, that the bias current in m6 and m8 is not dependent. The diyaudio “diyab” class ab power amplifier (or “honey badger” as we call it at diyaudio hq) was designed to fill the needs of members that. This thread is for people to discuss their builds, build issues, and parts for the diy class a/b wolverine power amplifier. Class. Skema Power Amplifier Class Ab.
From mavink.com
Skema Power Amp Skema Power Amplifier Class Ab The following is a series of power amplifier class ab g77 by kartino s., for the embedded features there is an input balance that can be changed directly to unbalance. The diyaudio “diyab” class ab power amplifier (or “honey badger” as we call it at diyaudio hq) was designed to fill the needs of members that. Vgg3 and vgg4 can. Skema Power Amplifier Class Ab.
From skemawiring.blogspot.com
Gambar Skema Power Amplifier Fet Update Terlengkap Skema Wiring Skema Power Amplifier Class Ab A pure class ab amplifier circuit is actually capable of up to 78% (theoretical) efficiency with no. Class ab is a combination of classes a and b. The diyaudio “diyab” class ab power amplifier (or “honey badger” as we call it at diyaudio hq) was designed to fill the needs of members that. The following is a series of power. Skema Power Amplifier Class Ab.
From sanjaysaja.blogspot.com
DK Tech PCB Audio Power AMPLIFIER SKEMA POWER AMP CLASS AB. CLASS H . OTL Skema Power Amplifier Class Ab Class ab is a combination of classes a and b. Note, that the bias current in m6 and m8 is not dependent. Vgg3 and vgg4 can be used to bias this amplifier in class ab or class b operation. This thread is for people to discuss their builds, build issues, and parts for the diy class a/b wolverine power amplifier.. Skema Power Amplifier Class Ab.
From www.circuitdiagram.co
Class Ab Power Amplifier Circuit Diagram Circuit Diagram Skema Power Amplifier Class Ab A pure class ab amplifier circuit is actually capable of up to 78% (theoretical) efficiency with no. Vgg3 and vgg4 can be used to bias this amplifier in class ab or class b operation. Note, that the bias current in m6 and m8 is not dependent. The diyaudio “diyab” class ab power amplifier (or “honey badger” as we call it. Skema Power Amplifier Class Ab.
From rangkaianelektronika.info
3 Skema Power Amplifier Built Up Terbaik Untuk Lapangan Gambar Skema Rangkaian Elektronika Skema Power Amplifier Class Ab The following is a series of power amplifier class ab g77 by kartino s., for the embedded features there is an input balance that can be changed directly to unbalance. The boards are currently available through. Class ab is a combination of classes a and b. Note, that the bias current in m6 and m8 is not dependent. Vgg3 and. Skema Power Amplifier Class Ab.
From sanjaysaja.blogspot.com
DK Tech PCB Audio Power AMPLIFIER SKEMA POWER AMP CLASS AB. CLASS H . OTL Skema Power Amplifier Class Ab Note, that the bias current in m6 and m8 is not dependent. A pure class ab amplifier circuit is actually capable of up to 78% (theoretical) efficiency with no. Vgg3 and vgg4 can be used to bias this amplifier in class ab or class b operation. The following is a series of power amplifier class ab g77 by kartino s.,. Skema Power Amplifier Class Ab.
From sanjaysaja.blogspot.com
DK Tech PCB Audio Power AMPLIFIER SKEMA POWER AMP CLASS AB. CLASS H . OTL Skema Power Amplifier Class Ab The following is a series of power amplifier class ab g77 by kartino s., for the embedded features there is an input balance that can be changed directly to unbalance. A pure class ab amplifier circuit is actually capable of up to 78% (theoretical) efficiency with no. The boards are currently available through. Class ab is a combination of classes. Skema Power Amplifier Class Ab.
From adi-pramana.blogspot.com
Power Amplifier OCL Class AB Skema Rangkaian Elektronika Skema Power Amplifier Class Ab The diyaudio “diyab” class ab power amplifier (or “honey badger” as we call it at diyaudio hq) was designed to fill the needs of members that. A pure class ab amplifier circuit is actually capable of up to 78% (theoretical) efficiency with no. Vgg3 and vgg4 can be used to bias this amplifier in class ab or class b operation.. Skema Power Amplifier Class Ab.
From skemaamplifier11.blogspot.com
Skema Power Amplifier Class Td Skema Power Amplifier Class Ab A pure class ab amplifier circuit is actually capable of up to 78% (theoretical) efficiency with no. Note, that the bias current in m6 and m8 is not dependent. Vgg3 and vgg4 can be used to bias this amplifier in class ab or class b operation. Class ab is a combination of classes a and b. The diyaudio “diyab” class. Skema Power Amplifier Class Ab.
From skemawiring.blogspot.com
Gambar Skema Power Amplifier Fet Update Terlengkap Skema Wiring Skema Power Amplifier Class Ab The diyaudio “diyab” class ab power amplifier (or “honey badger” as we call it at diyaudio hq) was designed to fill the needs of members that. The following is a series of power amplifier class ab g77 by kartino s., for the embedded features there is an input balance that can be changed directly to unbalance. Vgg3 and vgg4 can. Skema Power Amplifier Class Ab.
From sanjaysaja.blogspot.com
DK Tech PCB Audio Power AMPLIFIER SKEMA POWER AMP CLASS AB. CLASS H . OTL Skema Power Amplifier Class Ab Note, that the bias current in m6 and m8 is not dependent. The following is a series of power amplifier class ab g77 by kartino s., for the embedded features there is an input balance that can be changed directly to unbalance. The boards are currently available through. Class ab is a combination of classes a and b. A pure. Skema Power Amplifier Class Ab.
From skemayohan.com
SKEMA POWER 3 TINGKAT AMPLIFIER AUDIO SCHEMATICS COLLECTIONAUDIO SCHEMATICS COLLECTION Skema Power Amplifier Class Ab The following is a series of power amplifier class ab g77 by kartino s., for the embedded features there is an input balance that can be changed directly to unbalance. The diyaudio “diyab” class ab power amplifier (or “honey badger” as we call it at diyaudio hq) was designed to fill the needs of members that. Class ab is a. Skema Power Amplifier Class Ab.
From foxitfy.blogspot.com
Skema Rangkaian Power Amplifier 10 Watt TDA 2003 Sederhana Foxify Skema Power Amplifier Class Ab Vgg3 and vgg4 can be used to bias this amplifier in class ab or class b operation. Class ab is a combination of classes a and b. The diyaudio “diyab” class ab power amplifier (or “honey badger” as we call it at diyaudio hq) was designed to fill the needs of members that. Note, that the bias current in m6. Skema Power Amplifier Class Ab.
From sanjaysaja.blogspot.com
DK Tech PCB Audio Power AMPLIFIER SKEMA POWER AMP CLASS AB. CLASS H . OTL Skema Power Amplifier Class Ab This thread is for people to discuss their builds, build issues, and parts for the diy class a/b wolverine power amplifier. Class ab is a combination of classes a and b. A pure class ab amplifier circuit is actually capable of up to 78% (theoretical) efficiency with no. The diyaudio “diyab” class ab power amplifier (or “honey badger” as we. Skema Power Amplifier Class Ab.
From pulsalistrikd.blogspot.com
Baru 31 Skema Kit Pcb Power Amplifier Simple Dan Minimalis Skema Power Amplifier Class Ab The boards are currently available through. This thread is for people to discuss their builds, build issues, and parts for the diy class a/b wolverine power amplifier. A pure class ab amplifier circuit is actually capable of up to 78% (theoretical) efficiency with no. The diyaudio “diyab” class ab power amplifier (or “honey badger” as we call it at diyaudio. Skema Power Amplifier Class Ab.
From sanjaysaja.blogspot.com
DK Tech PCB Audio Power AMPLIFIER SKEMA POWER AMP CLASS AB. CLASS H . OTL Skema Power Amplifier Class Ab A pure class ab amplifier circuit is actually capable of up to 78% (theoretical) efficiency with no. Class ab is a combination of classes a and b. This thread is for people to discuss their builds, build issues, and parts for the diy class a/b wolverine power amplifier. The following is a series of power amplifier class ab g77 by. Skema Power Amplifier Class Ab.
From enginelistute.z19.web.core.windows.net
Bjt Power Amplifier Circuit Diagram Skema Power Amplifier Class Ab The boards are currently available through. The following is a series of power amplifier class ab g77 by kartino s., for the embedded features there is an input balance that can be changed directly to unbalance. Note, that the bias current in m6 and m8 is not dependent. The diyaudio “diyab” class ab power amplifier (or “honey badger” as we. Skema Power Amplifier Class Ab.