Relay Driver Sign In . We give each of our couriers a flexible amount of time they can use the application. Amazon relay is a suite of technology products that enable carriers to register with amazon and find, book, and execute amazon loads. Login to your relay account for assistance. Simply reserve your spot, log on, and start making money! I'm a driver who wants the ability to work the hours of my choice by joining relay's® driver network. Manage your team, access support and training courses to make the most of our platform. From the moment the driver leaves their house you get updates about. This includes capabilities to accept loads,. We will assign the best deliveries for your. Fleet owners and owner operators can access loads at no cost and enjoy special discounts, rewards and quick payments all through amazon relay. Sign in to your existing amazon account to start your carrier application or create a new one.
from forum.solar-electric.com
Login to your relay account for assistance. Simply reserve your spot, log on, and start making money! We give each of our couriers a flexible amount of time they can use the application. We will assign the best deliveries for your. Manage your team, access support and training courses to make the most of our platform. Fleet owners and owner operators can access loads at no cost and enjoy special discounts, rewards and quick payments all through amazon relay. Sign in to your existing amazon account to start your carrier application or create a new one. From the moment the driver leaves their house you get updates about. Amazon relay is a suite of technology products that enable carriers to register with amazon and find, book, and execute amazon loads. I'm a driver who wants the ability to work the hours of my choice by joining relay's® driver network.
relay hookups with Morningstar Voltage Controlled Relay Driver
Relay Driver Sign In This includes capabilities to accept loads,. Manage your team, access support and training courses to make the most of our platform. From the moment the driver leaves their house you get updates about. Login to your relay account for assistance. We will assign the best deliveries for your. Amazon relay is a suite of technology products that enable carriers to register with amazon and find, book, and execute amazon loads. This includes capabilities to accept loads,. Simply reserve your spot, log on, and start making money! We give each of our couriers a flexible amount of time they can use the application. Fleet owners and owner operators can access loads at no cost and enjoy special discounts, rewards and quick payments all through amazon relay. I'm a driver who wants the ability to work the hours of my choice by joining relay's® driver network. Sign in to your existing amazon account to start your carrier application or create a new one.
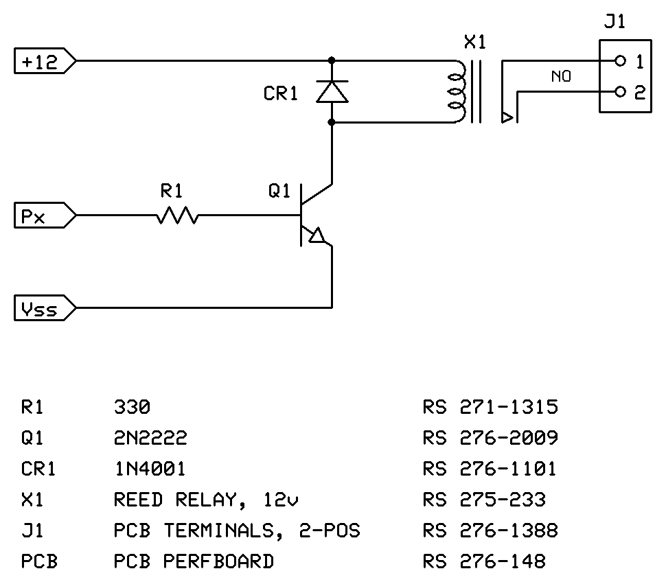
From relequick.com
Relay symbol video 【≫】 Relays & Sockets complete list of relay symbols Relay Driver Sign In Sign in to your existing amazon account to start your carrier application or create a new one. Manage your team, access support and training courses to make the most of our platform. I'm a driver who wants the ability to work the hours of my choice by joining relay's® driver network. Simply reserve your spot, log on, and start making. Relay Driver Sign In.
From megapointscontrollers.co.uk
System2 Relay Driver MegaPoints Controllers Relay Driver Sign In We give each of our couriers a flexible amount of time they can use the application. This includes capabilities to accept loads,. Manage your team, access support and training courses to make the most of our platform. We will assign the best deliveries for your. Fleet owners and owner operators can access loads at no cost and enjoy special discounts,. Relay Driver Sign In.
From www.circuits-diy.com
Low Voltage 12V Relay Driver Using LMC 555 Timer IC Relay Driver Sign In Simply reserve your spot, log on, and start making money! This includes capabilities to accept loads,. I'm a driver who wants the ability to work the hours of my choice by joining relay's® driver network. We give each of our couriers a flexible amount of time they can use the application. Sign in to your existing amazon account to start. Relay Driver Sign In.
From www.youtube.com
How to Build a Relay Driver Circuit Relay driver circuit using Relay Driver Sign In Amazon relay is a suite of technology products that enable carriers to register with amazon and find, book, and execute amazon loads. Fleet owners and owner operators can access loads at no cost and enjoy special discounts, rewards and quick payments all through amazon relay. From the moment the driver leaves their house you get updates about. Login to your. Relay Driver Sign In.
From fmcsaregistration.com
How to Sign Up for Amazon Relay RLLC Relay Driver Sign In Manage your team, access support and training courses to make the most of our platform. From the moment the driver leaves their house you get updates about. Amazon relay is a suite of technology products that enable carriers to register with amazon and find, book, and execute amazon loads. Fleet owners and owner operators can access loads at no cost. Relay Driver Sign In.
From electronics-diy.com
PIC Controlled Relay Driver Relay Driver Sign In Simply reserve your spot, log on, and start making money! We give each of our couriers a flexible amount of time they can use the application. This includes capabilities to accept loads,. I'm a driver who wants the ability to work the hours of my choice by joining relay's® driver network. From the moment the driver leaves their house you. Relay Driver Sign In.
From easyeda.com
Sheet_18 Channel Relay Driver Using ULN2803 Resources EasyEDA Relay Driver Sign In I'm a driver who wants the ability to work the hours of my choice by joining relay's® driver network. We give each of our couriers a flexible amount of time they can use the application. From the moment the driver leaves their house you get updates about. We will assign the best deliveries for your. This includes capabilities to accept. Relay Driver Sign In.
From oshwlab.com
Motor Driver control and Relay Driver Module EasyEDA open source Relay Driver Sign In Sign in to your existing amazon account to start your carrier application or create a new one. We give each of our couriers a flexible amount of time they can use the application. This includes capabilities to accept loads,. Manage your team, access support and training courses to make the most of our platform. Simply reserve your spot, log on,. Relay Driver Sign In.
From instrumentationtools.com
Relay Operation, Types, Symbols & Characteristics Instrumentation Tools Relay Driver Sign In Manage your team, access support and training courses to make the most of our platform. Sign in to your existing amazon account to start your carrier application or create a new one. Simply reserve your spot, log on, and start making money! Login to your relay account for assistance. We will assign the best deliveries for your. Fleet owners and. Relay Driver Sign In.
From ikanemash.blogspot.com
Relay Driver Circuit Using Transistor Arduino Relay Control Tutorial Relay Driver Sign In From the moment the driver leaves their house you get updates about. This includes capabilities to accept loads,. Sign in to your existing amazon account to start your carrier application or create a new one. Manage your team, access support and training courses to make the most of our platform. Amazon relay is a suite of technology products that enable. Relay Driver Sign In.
From www.circuits-diy.com
DC Relay Switch Driver Circuit Relay Driver Sign In Login to your relay account for assistance. I'm a driver who wants the ability to work the hours of my choice by joining relay's® driver network. Amazon relay is a suite of technology products that enable carriers to register with amazon and find, book, and execute amazon loads. From the moment the driver leaves their house you get updates about.. Relay Driver Sign In.
From circuitdigest.com
4Channel Relay Driver Circuit and PCB Design Relay Driver Sign In This includes capabilities to accept loads,. From the moment the driver leaves their house you get updates about. Simply reserve your spot, log on, and start making money! Amazon relay is a suite of technology products that enable carriers to register with amazon and find, book, and execute amazon loads. Fleet owners and owner operators can access loads at no. Relay Driver Sign In.
From kurmafoods.blogspot.com
Relay Driver Chip Relay Driver IC with Integrated ARM® Cortex® M0 Relay Driver Sign In I'm a driver who wants the ability to work the hours of my choice by joining relay's® driver network. Fleet owners and owner operators can access loads at no cost and enjoy special discounts, rewards and quick payments all through amazon relay. Simply reserve your spot, log on, and start making money! Sign in to your existing amazon account to. Relay Driver Sign In.
From oshwlab.com
4Channel Relay Driver Module OSHWLab Relay Driver Sign In Amazon relay is a suite of technology products that enable carriers to register with amazon and find, book, and execute amazon loads. Manage your team, access support and training courses to make the most of our platform. Fleet owners and owner operators can access loads at no cost and enjoy special discounts, rewards and quick payments all through amazon relay.. Relay Driver Sign In.
From mungfali.com
Relay Types And Symbols Relay Driver Sign In We give each of our couriers a flexible amount of time they can use the application. I'm a driver who wants the ability to work the hours of my choice by joining relay's® driver network. Simply reserve your spot, log on, and start making money! This includes capabilities to accept loads,. Login to your relay account for assistance. Fleet owners. Relay Driver Sign In.
From www.electroniclinic.com
Types of Relays and how to use them? SPDT, DPDT, and Solid State Relay Relay Driver Sign In Sign in to your existing amazon account to start your carrier application or create a new one. Simply reserve your spot, log on, and start making money! This includes capabilities to accept loads,. Manage your team, access support and training courses to make the most of our platform. We will assign the best deliveries for your. We give each of. Relay Driver Sign In.
From megabn.legrandchancelier.com
Therefore relay driver circuits IC is used to derive relays properly Relay Driver Sign In Fleet owners and owner operators can access loads at no cost and enjoy special discounts, rewards and quick payments all through amazon relay. This includes capabilities to accept loads,. We give each of our couriers a flexible amount of time they can use the application. Sign in to your existing amazon account to start your carrier application or create a. Relay Driver Sign In.
From techcircuit.org
Relay Driver Circuit Part 1 The Tech Circuit Relay Driver Sign In This includes capabilities to accept loads,. Amazon relay is a suite of technology products that enable carriers to register with amazon and find, book, and execute amazon loads. We will assign the best deliveries for your. From the moment the driver leaves their house you get updates about. Simply reserve your spot, log on, and start making money! I'm a. Relay Driver Sign In.
From www.makeriot2020.com
Relay_Drivers Maker and IOT Ideas Relay Driver Sign In We will assign the best deliveries for your. I'm a driver who wants the ability to work the hours of my choice by joining relay's® driver network. Login to your relay account for assistance. This includes capabilities to accept loads,. Fleet owners and owner operators can access loads at no cost and enjoy special discounts, rewards and quick payments all. Relay Driver Sign In.
From projectiot123.com
what is relay Relay Driver Sign In Sign in to your existing amazon account to start your carrier application or create a new one. I'm a driver who wants the ability to work the hours of my choice by joining relay's® driver network. This includes capabilities to accept loads,. Manage your team, access support and training courses to make the most of our platform. Simply reserve your. Relay Driver Sign In.
From forums.parallax.com
Dallas, TX · USA Relay Driver Sign In Sign in to your existing amazon account to start your carrier application or create a new one. Login to your relay account for assistance. Amazon relay is a suite of technology products that enable carriers to register with amazon and find, book, and execute amazon loads. From the moment the driver leaves their house you get updates about. I'm a. Relay Driver Sign In.
From relayondemand.com
Instantly Hire CDL Drivers Relay On Demand Relay Driver Sign In We will assign the best deliveries for your. Sign in to your existing amazon account to start your carrier application or create a new one. From the moment the driver leaves their house you get updates about. I'm a driver who wants the ability to work the hours of my choice by joining relay's® driver network. Manage your team, access. Relay Driver Sign In.
From www.onetransistor.eu
Drive 8Channel Relay Module with Bus Expander · One Transistor Relay Driver Sign In Sign in to your existing amazon account to start your carrier application or create a new one. We will assign the best deliveries for your. From the moment the driver leaves their house you get updates about. Manage your team, access support and training courses to make the most of our platform. We give each of our couriers a flexible. Relay Driver Sign In.
From www.youtube.com
IS200EXHSG1A Exciter HighSpeed Relay Driver In Stock with AX Relay Driver Sign In Fleet owners and owner operators can access loads at no cost and enjoy special discounts, rewards and quick payments all through amazon relay. I'm a driver who wants the ability to work the hours of my choice by joining relay's® driver network. From the moment the driver leaves their house you get updates about. We will assign the best deliveries. Relay Driver Sign In.
From circuitdatablockboard.z21.web.core.windows.net
Relay Driver Circuit Using Transistor Bc547 Relay Driver Sign In We will assign the best deliveries for your. Simply reserve your spot, log on, and start making money! This includes capabilities to accept loads,. We give each of our couriers a flexible amount of time they can use the application. Fleet owners and owner operators can access loads at no cost and enjoy special discounts, rewards and quick payments all. Relay Driver Sign In.
From oshwlab.com
Relay driver circuit EasyEDA open source hardware lab Relay Driver Sign In Login to your relay account for assistance. Fleet owners and owner operators can access loads at no cost and enjoy special discounts, rewards and quick payments all through amazon relay. We give each of our couriers a flexible amount of time they can use the application. Sign in to your existing amazon account to start your carrier application or create. Relay Driver Sign In.
From forum.arduino.cc
PCF8574 with ULN2003 as relay driver. How to ensure initial state is Relay Driver Sign In We will assign the best deliveries for your. Amazon relay is a suite of technology products that enable carriers to register with amazon and find, book, and execute amazon loads. Sign in to your existing amazon account to start your carrier application or create a new one. Login to your relay account for assistance. Simply reserve your spot, log on,. Relay Driver Sign In.
From www.circuitdiagram.co
Relay Driver Circuit Diagram With Explanation Circuit Diagram Relay Driver Sign In Amazon relay is a suite of technology products that enable carriers to register with amazon and find, book, and execute amazon loads. We will assign the best deliveries for your. This includes capabilities to accept loads,. From the moment the driver leaves their house you get updates about. We give each of our couriers a flexible amount of time they. Relay Driver Sign In.
From forum.solar-electric.com
relay hookups with Morningstar Voltage Controlled Relay Driver Relay Driver Sign In Login to your relay account for assistance. Fleet owners and owner operators can access loads at no cost and enjoy special discounts, rewards and quick payments all through amazon relay. Sign in to your existing amazon account to start your carrier application or create a new one. We give each of our couriers a flexible amount of time they can. Relay Driver Sign In.
From www.reddit.com
Need help driving 12v relay with 3.3v logic (details in comment) r Relay Driver Sign In We will assign the best deliveries for your. This includes capabilities to accept loads,. Login to your relay account for assistance. Sign in to your existing amazon account to start your carrier application or create a new one. Simply reserve your spot, log on, and start making money! From the moment the driver leaves their house you get updates about.. Relay Driver Sign In.
From electronics.stackexchange.com
gpio ULN2003 relay driver Electrical Engineering Stack Exchange Relay Driver Sign In We will assign the best deliveries for your. Amazon relay is a suite of technology products that enable carriers to register with amazon and find, book, and execute amazon loads. Sign in to your existing amazon account to start your carrier application or create a new one. Fleet owners and owner operators can access loads at no cost and enjoy. Relay Driver Sign In.
From www.youtube.com
1 Relay Driver Circuits How they Work YouTube Relay Driver Sign In I'm a driver who wants the ability to work the hours of my choice by joining relay's® driver network. Simply reserve your spot, log on, and start making money! From the moment the driver leaves their house you get updates about. Login to your relay account for assistance. This includes capabilities to accept loads,. We give each of our couriers. Relay Driver Sign In.
From www.electroniclinic.com
Arduino ULN2003 Driver to control a relay Electronics Project Relay Driver Sign In Fleet owners and owner operators can access loads at no cost and enjoy special discounts, rewards and quick payments all through amazon relay. Simply reserve your spot, log on, and start making money! We give each of our couriers a flexible amount of time they can use the application. From the moment the driver leaves their house you get updates. Relay Driver Sign In.
From e2e.ti.com
Using smart relay drivers for smart meters, part 2 Industrial Relay Driver Sign In Amazon relay is a suite of technology products that enable carriers to register with amazon and find, book, and execute amazon loads. From the moment the driver leaves their house you get updates about. Sign in to your existing amazon account to start your carrier application or create a new one. This includes capabilities to accept loads,. We give each. Relay Driver Sign In.