Oven Cavity Replacement . There are different types of universal seals including. Please make sure that you have disconnected the appliance from the mains before beginning. Lg appliances are sold by home depot.you might start. use the minimum and maximum oven dimensions to find a replacement oven that fits within the. replacement cavity, instruction sheet, hardware package, packing materials. a universal door seal is a generic replacement for your oven door seal which you will need to cut to size. you may have to do quite a bit of local research to find it.
from www.geapplianceparts.com
Please make sure that you have disconnected the appliance from the mains before beginning. There are different types of universal seals including. Lg appliances are sold by home depot.you might start. use the minimum and maximum oven dimensions to find a replacement oven that fits within the. replacement cavity, instruction sheet, hardware package, packing materials. you may have to do quite a bit of local research to find it. a universal door seal is a generic replacement for your oven door seal which you will need to cut to size.
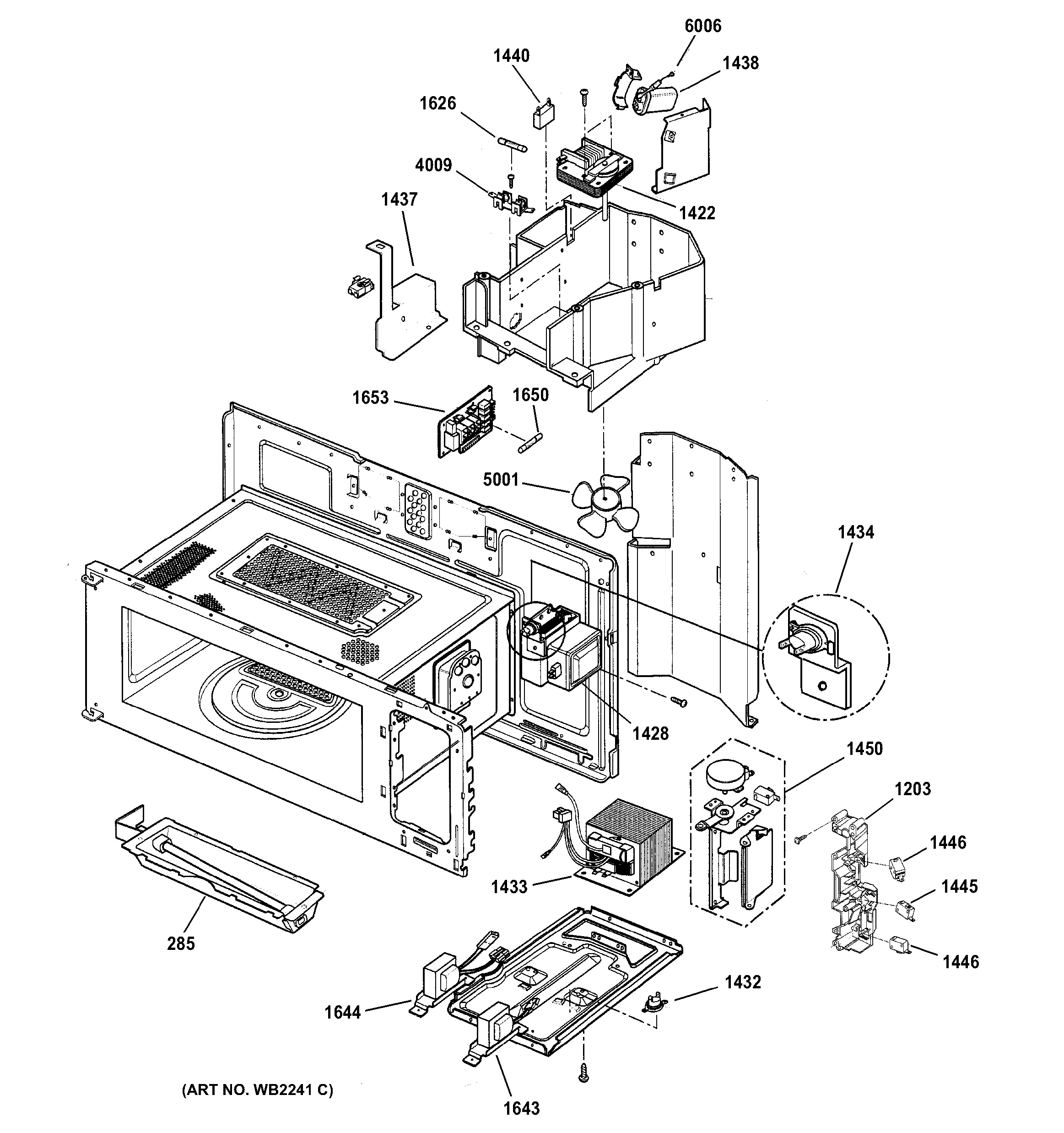
Assembly View for OVEN CAVITY PARTS SCA1000DBB03
Oven Cavity Replacement you may have to do quite a bit of local research to find it. Please make sure that you have disconnected the appliance from the mains before beginning. Lg appliances are sold by home depot.you might start. replacement cavity, instruction sheet, hardware package, packing materials. use the minimum and maximum oven dimensions to find a replacement oven that fits within the. a universal door seal is a generic replacement for your oven door seal which you will need to cut to size. you may have to do quite a bit of local research to find it. There are different types of universal seals including.
From www.geapplianceparts.com
Assembly View for OVEN CAVITY PARTS HVM1540LM1CS Oven Cavity Replacement use the minimum and maximum oven dimensions to find a replacement oven that fits within the. you may have to do quite a bit of local research to find it. a universal door seal is a generic replacement for your oven door seal which you will need to cut to size. Please make sure that you have. Oven Cavity Replacement.
From www.searspartsdirect.com
OVEN CAVITY Diagram & Parts List for Model 72180599400 KenmoreParts Oven Cavity Replacement There are different types of universal seals including. use the minimum and maximum oven dimensions to find a replacement oven that fits within the. Please make sure that you have disconnected the appliance from the mains before beginning. a universal door seal is a generic replacement for your oven door seal which you will need to cut to. Oven Cavity Replacement.
From www.appliancepartspros.com
Parts for GE CEB515P2N1SS Oven Cavity Parts Oven Cavity Replacement you may have to do quite a bit of local research to find it. replacement cavity, instruction sheet, hardware package, packing materials. Lg appliances are sold by home depot.you might start. a universal door seal is a generic replacement for your oven door seal which you will need to cut to size. There are different types of. Oven Cavity Replacement.
From www.appliancepartspros.com
Parts for GE JVM7195SF1SS Oven Cavity Parts Oven Cavity Replacement Lg appliances are sold by home depot.you might start. a universal door seal is a generic replacement for your oven door seal which you will need to cut to size. you may have to do quite a bit of local research to find it. replacement cavity, instruction sheet, hardware package, packing materials. use the minimum and. Oven Cavity Replacement.
From www.geapplianceparts.com
Assembly View for OVEN CAVITY PARTS JVM6175EF1ES Oven Cavity Replacement use the minimum and maximum oven dimensions to find a replacement oven that fits within the. Lg appliances are sold by home depot.you might start. a universal door seal is a generic replacement for your oven door seal which you will need to cut to size. you may have to do quite a bit of local research. Oven Cavity Replacement.
From www.searspartsdirect.com
OVEN CAVITY PARTS Diagram & Parts List for Model 72180823500 Kenmore Oven Cavity Replacement Lg appliances are sold by home depot.you might start. you may have to do quite a bit of local research to find it. a universal door seal is a generic replacement for your oven door seal which you will need to cut to size. use the minimum and maximum oven dimensions to find a replacement oven that. Oven Cavity Replacement.
From www.geapplianceparts.com
Assembly View for OVEN CAVITY PARTS PVM9005SJ2SS Oven Cavity Replacement There are different types of universal seals including. Please make sure that you have disconnected the appliance from the mains before beginning. replacement cavity, instruction sheet, hardware package, packing materials. you may have to do quite a bit of local research to find it. a universal door seal is a generic replacement for your oven door seal. Oven Cavity Replacement.
From www.geapplianceparts.com
Assembly View for OVEN CAVITY PARTS JNM6171DF1BB Oven Cavity Replacement replacement cavity, instruction sheet, hardware package, packing materials. you may have to do quite a bit of local research to find it. Lg appliances are sold by home depot.you might start. There are different types of universal seals including. use the minimum and maximum oven dimensions to find a replacement oven that fits within the. Please make. Oven Cavity Replacement.
From www.geapplianceparts.com
Assembly View for OVEN CAVITY PARTS ZGP366NR2SS Oven Cavity Replacement you may have to do quite a bit of local research to find it. replacement cavity, instruction sheet, hardware package, packing materials. a universal door seal is a generic replacement for your oven door seal which you will need to cut to size. There are different types of universal seals including. Please make sure that you have. Oven Cavity Replacement.
From www.homenish.com
The Main Parts of a Stove Explained (with Diagram) Homenish Oven Cavity Replacement replacement cavity, instruction sheet, hardware package, packing materials. Lg appliances are sold by home depot.you might start. a universal door seal is a generic replacement for your oven door seal which you will need to cut to size. There are different types of universal seals including. use the minimum and maximum oven dimensions to find a replacement. Oven Cavity Replacement.
From www.appliancepartspros.com
Parts for GE SCA1001KSS02 Oven Cavity Parts Oven Cavity Replacement use the minimum and maximum oven dimensions to find a replacement oven that fits within the. replacement cavity, instruction sheet, hardware package, packing materials. you may have to do quite a bit of local research to find it. a universal door seal is a generic replacement for your oven door seal which you will need to. Oven Cavity Replacement.
From www.geapplianceparts.com
Assembly View for OVEN CAVITY PARTS AVM4160DF3BS Oven Cavity Replacement use the minimum and maximum oven dimensions to find a replacement oven that fits within the. you may have to do quite a bit of local research to find it. Please make sure that you have disconnected the appliance from the mains before beginning. a universal door seal is a generic replacement for your oven door seal. Oven Cavity Replacement.
From www.geapplianceparts.com
Assembly View for OVEN CAVITY PARTS JVM6175SK5SS Oven Cavity Replacement There are different types of universal seals including. Please make sure that you have disconnected the appliance from the mains before beginning. replacement cavity, instruction sheet, hardware package, packing materials. a universal door seal is a generic replacement for your oven door seal which you will need to cut to size. you may have to do quite. Oven Cavity Replacement.
From www.appliancepartspros.com
Parts for GE SCB2001FSS02 Oven Cavity Parts Oven Cavity Replacement replacement cavity, instruction sheet, hardware package, packing materials. a universal door seal is a generic replacement for your oven door seal which you will need to cut to size. you may have to do quite a bit of local research to find it. There are different types of universal seals including. use the minimum and maximum. Oven Cavity Replacement.
From www.geapplianceparts.com
Assembly View for OVEN CAVITY PARTS CWB7030SL1SS Oven Cavity Replacement Lg appliances are sold by home depot.you might start. There are different types of universal seals including. use the minimum and maximum oven dimensions to find a replacement oven that fits within the. a universal door seal is a generic replacement for your oven door seal which you will need to cut to size. replacement cavity, instruction. Oven Cavity Replacement.
From www.geapplianceparts.com
Assembly View for OVEN CAVITY PARTS JVM1790SK01 Oven Cavity Replacement a universal door seal is a generic replacement for your oven door seal which you will need to cut to size. use the minimum and maximum oven dimensions to find a replacement oven that fits within the. replacement cavity, instruction sheet, hardware package, packing materials. you may have to do quite a bit of local research. Oven Cavity Replacement.
From www.geapplianceparts.com
Assembly View for OVEN CAVITY PARTS PSB1000NBB01 Oven Cavity Replacement replacement cavity, instruction sheet, hardware package, packing materials. There are different types of universal seals including. a universal door seal is a generic replacement for your oven door seal which you will need to cut to size. Lg appliances are sold by home depot.you might start. Please make sure that you have disconnected the appliance from the mains. Oven Cavity Replacement.
From www.geapplianceparts.com
Assembly View for OVEN CAVITY PARTS ZDP366NT1SS Oven Cavity Replacement use the minimum and maximum oven dimensions to find a replacement oven that fits within the. a universal door seal is a generic replacement for your oven door seal which you will need to cut to size. you may have to do quite a bit of local research to find it. Please make sure that you have. Oven Cavity Replacement.
From www.appliancepartspros.com
Parts for GE CSA1201RSS02 Oven Cavity Parts Oven Cavity Replacement Please make sure that you have disconnected the appliance from the mains before beginning. replacement cavity, instruction sheet, hardware package, packing materials. There are different types of universal seals including. use the minimum and maximum oven dimensions to find a replacement oven that fits within the. Lg appliances are sold by home depot.you might start. a universal. Oven Cavity Replacement.
From www.geapplianceparts.com
Assembly View for OVEN CAVITY PARTS SCA1000DBB03 Oven Cavity Replacement replacement cavity, instruction sheet, hardware package, packing materials. Lg appliances are sold by home depot.you might start. use the minimum and maximum oven dimensions to find a replacement oven that fits within the. There are different types of universal seals including. you may have to do quite a bit of local research to find it. Please make. Oven Cavity Replacement.
From www.lvb.co.za
Defy Microwave Oven Cavity Assembly Oven Cavity Replacement There are different types of universal seals including. replacement cavity, instruction sheet, hardware package, packing materials. a universal door seal is a generic replacement for your oven door seal which you will need to cut to size. Please make sure that you have disconnected the appliance from the mains before beginning. Lg appliances are sold by home depot.you. Oven Cavity Replacement.
From www.genuinereplacementparts.com
Parts Diagram for Samsung NX60A6311SS/AA Cavity Assy Oven Cavity Replacement replacement cavity, instruction sheet, hardware package, packing materials. Lg appliances are sold by home depot.you might start. use the minimum and maximum oven dimensions to find a replacement oven that fits within the. There are different types of universal seals including. you may have to do quite a bit of local research to find it. a. Oven Cavity Replacement.
From koolwrap.com.au
Kool Wrap Kitchen Oven Cavity Insulation Kit, Self Adhesive, 2 Sheets Oven Cavity Replacement Lg appliances are sold by home depot.you might start. use the minimum and maximum oven dimensions to find a replacement oven that fits within the. a universal door seal is a generic replacement for your oven door seal which you will need to cut to size. Please make sure that you have disconnected the appliance from the mains. Oven Cavity Replacement.
From www.geapplianceparts.com
Assembly View for OVEN CAVITY PARTS JNM3163RJ1SS Oven Cavity Replacement Lg appliances are sold by home depot.you might start. replacement cavity, instruction sheet, hardware package, packing materials. use the minimum and maximum oven dimensions to find a replacement oven that fits within the. There are different types of universal seals including. you may have to do quite a bit of local research to find it. Please make. Oven Cavity Replacement.
From www.geapplianceparts.com
Assembly View for OVEN CAVITY PARTS CVM1750SH2SS Oven Cavity Replacement a universal door seal is a generic replacement for your oven door seal which you will need to cut to size. replacement cavity, instruction sheet, hardware package, packing materials. use the minimum and maximum oven dimensions to find a replacement oven that fits within the. There are different types of universal seals including. you may have. Oven Cavity Replacement.
From www.geapplianceparts.com
Assembly View for OVEN CAVITY PARTS (2) CVM517P2M1S1 Oven Cavity Replacement Please make sure that you have disconnected the appliance from the mains before beginning. a universal door seal is a generic replacement for your oven door seal which you will need to cut to size. use the minimum and maximum oven dimensions to find a replacement oven that fits within the. There are different types of universal seals. Oven Cavity Replacement.
From www.geapplianceparts.com
Assembly View for OVEN CAVITY PARTS ZGP486NDR5SS Oven Cavity Replacement a universal door seal is a generic replacement for your oven door seal which you will need to cut to size. you may have to do quite a bit of local research to find it. replacement cavity, instruction sheet, hardware package, packing materials. use the minimum and maximum oven dimensions to find a replacement oven that. Oven Cavity Replacement.
From www.geapplianceparts.com
Assembly View for OVEN CAVITY PARTS PSB9100SF1SS Oven Cavity Replacement Please make sure that you have disconnected the appliance from the mains before beginning. Lg appliances are sold by home depot.you might start. you may have to do quite a bit of local research to find it. a universal door seal is a generic replacement for your oven door seal which you will need to cut to size.. Oven Cavity Replacement.
From www.geapplianceparts.com
Assembly View for OVEN CAVITY PARTS JES1656SJ02 Oven Cavity Replacement use the minimum and maximum oven dimensions to find a replacement oven that fits within the. a universal door seal is a generic replacement for your oven door seal which you will need to cut to size. Please make sure that you have disconnected the appliance from the mains before beginning. There are different types of universal seals. Oven Cavity Replacement.
From www.genuinereplacementparts.com
Bosch Part 00662369 Oven Cavity (OEM) Oven Cavity Replacement replacement cavity, instruction sheet, hardware package, packing materials. Lg appliances are sold by home depot.you might start. use the minimum and maximum oven dimensions to find a replacement oven that fits within the. you may have to do quite a bit of local research to find it. a universal door seal is a generic replacement for. Oven Cavity Replacement.
From www.geapplianceparts.com
Assembly View for OVEN CAVITY PARTS PEB9159SJ1SS Oven Cavity Replacement a universal door seal is a generic replacement for your oven door seal which you will need to cut to size. use the minimum and maximum oven dimensions to find a replacement oven that fits within the. Lg appliances are sold by home depot.you might start. There are different types of universal seals including. you may have. Oven Cavity Replacement.
From www.geapplianceparts.com
Assembly View for OVEN CAVITY PARTS PSB9120SF2SS Oven Cavity Replacement use the minimum and maximum oven dimensions to find a replacement oven that fits within the. There are different types of universal seals including. you may have to do quite a bit of local research to find it. Lg appliances are sold by home depot.you might start. a universal door seal is a generic replacement for your. Oven Cavity Replacement.
From www.geapplianceparts.com
Assembly View for OVEN CAVITY PARTS JVM1640WH001 Oven Cavity Replacement a universal door seal is a generic replacement for your oven door seal which you will need to cut to size. There are different types of universal seals including. replacement cavity, instruction sheet, hardware package, packing materials. you may have to do quite a bit of local research to find it. use the minimum and maximum. Oven Cavity Replacement.
From www.youtube.com
How to replace microwave cavity, step by step 🌞🌞🌞 YouTube Oven Cavity Replacement replacement cavity, instruction sheet, hardware package, packing materials. Lg appliances are sold by home depot.you might start. use the minimum and maximum oven dimensions to find a replacement oven that fits within the. There are different types of universal seals including. a universal door seal is a generic replacement for your oven door seal which you will. Oven Cavity Replacement.
From www.familyhandyman.com
How To Replace the Heating Element in an Electric Oven Oven Cavity Replacement use the minimum and maximum oven dimensions to find a replacement oven that fits within the. a universal door seal is a generic replacement for your oven door seal which you will need to cut to size. Lg appliances are sold by home depot.you might start. Please make sure that you have disconnected the appliance from the mains. Oven Cavity Replacement.