Low Frequency Clock Generator . The synchronization options supported on the dpll include hitless switching with phase. Together with an external loop filter and a voltage controlled crystal oscillator (vcxo), the hmc1031 forms a complete clock generator solution. Fractional frequency translation for flexible clock generation. The uniclock cy22u1 offers pd# (active low) and oe (active high) functions. When the power down mode is selected (pd# = 0), the oscillator and pll. It consists of a low noise digital pfd (phase frequency detector), a precision charge pump, a programmable reference divider, and a. In most cases, they use a simple, low. Renesas' products produce clock output frequencies within strict tolerances for the application they are clocking.
from www.aliexpress.com
The synchronization options supported on the dpll include hitless switching with phase. It consists of a low noise digital pfd (phase frequency detector), a precision charge pump, a programmable reference divider, and a. Fractional frequency translation for flexible clock generation. Renesas' products produce clock output frequencies within strict tolerances for the application they are clocking. The uniclock cy22u1 offers pd# (active low) and oe (active high) functions. Together with an external loop filter and a voltage controlled crystal oscillator (vcxo), the hmc1031 forms a complete clock generator solution. In most cases, they use a simple, low. When the power down mode is selected (pd# = 0), the oscillator and pll.
RAG 101 Low Frequency Signal Generator 10Hz 1MHz Signal Audio Generator
Low Frequency Clock Generator When the power down mode is selected (pd# = 0), the oscillator and pll. Fractional frequency translation for flexible clock generation. The uniclock cy22u1 offers pd# (active low) and oe (active high) functions. When the power down mode is selected (pd# = 0), the oscillator and pll. In most cases, they use a simple, low. It consists of a low noise digital pfd (phase frequency detector), a precision charge pump, a programmable reference divider, and a. Renesas' products produce clock output frequencies within strict tolerances for the application they are clocking. Together with an external loop filter and a voltage controlled crystal oscillator (vcxo), the hmc1031 forms a complete clock generator solution. The synchronization options supported on the dpll include hitless switching with phase.
From www.slideshare.net
Design of Two phase non overlapping low frequency clock generator Low Frequency Clock Generator Renesas' products produce clock output frequencies within strict tolerances for the application they are clocking. Fractional frequency translation for flexible clock generation. The synchronization options supported on the dpll include hitless switching with phase. When the power down mode is selected (pd# = 0), the oscillator and pll. It consists of a low noise digital pfd (phase frequency detector), a. Low Frequency Clock Generator.
From bestengineeringprojects.com
Clock Signal Generator Circuit Best Engineering Projects Low Frequency Clock Generator The uniclock cy22u1 offers pd# (active low) and oe (active high) functions. In most cases, they use a simple, low. It consists of a low noise digital pfd (phase frequency detector), a precision charge pump, a programmable reference divider, and a. Renesas' products produce clock output frequencies within strict tolerances for the application they are clocking. Fractional frequency translation for. Low Frequency Clock Generator.
From bestengineeringprojects.com
Clock Signal Generator Circuit Engineering Projects Low Frequency Clock Generator The uniclock cy22u1 offers pd# (active low) and oe (active high) functions. Together with an external loop filter and a voltage controlled crystal oscillator (vcxo), the hmc1031 forms a complete clock generator solution. When the power down mode is selected (pd# = 0), the oscillator and pll. Renesas' products produce clock output frequencies within strict tolerances for the application they. Low Frequency Clock Generator.
From itecnotes.com
Electronic Clock generator is not oscillating on the given XTAL’s Low Frequency Clock Generator The uniclock cy22u1 offers pd# (active low) and oe (active high) functions. The synchronization options supported on the dpll include hitless switching with phase. In most cases, they use a simple, low. Together with an external loop filter and a voltage controlled crystal oscillator (vcxo), the hmc1031 forms a complete clock generator solution. Fractional frequency translation for flexible clock generation.. Low Frequency Clock Generator.
From colourtvservicebbsr.blogspot.com
ELECTRONICS IDEA Simple Electronic clock sound using IC4011 Low Frequency Clock Generator Renesas' products produce clock output frequencies within strict tolerances for the application they are clocking. Fractional frequency translation for flexible clock generation. It consists of a low noise digital pfd (phase frequency detector), a precision charge pump, a programmable reference divider, and a. The uniclock cy22u1 offers pd# (active low) and oe (active high) functions. Together with an external loop. Low Frequency Clock Generator.
From www.electronics-lab.com
frequency multiplier Archives Low Frequency Clock Generator Together with an external loop filter and a voltage controlled crystal oscillator (vcxo), the hmc1031 forms a complete clock generator solution. In most cases, they use a simple, low. The uniclock cy22u1 offers pd# (active low) and oe (active high) functions. Renesas' products produce clock output frequencies within strict tolerances for the application they are clocking. It consists of a. Low Frequency Clock Generator.
From www.slideshare.net
Design of Two phase non overlapping low frequency clock generator Low Frequency Clock Generator The uniclock cy22u1 offers pd# (active low) and oe (active high) functions. Together with an external loop filter and a voltage controlled crystal oscillator (vcxo), the hmc1031 forms a complete clock generator solution. When the power down mode is selected (pd# = 0), the oscillator and pll. Fractional frequency translation for flexible clock generation. In most cases, they use a. Low Frequency Clock Generator.
From www.slideshare.net
Design of Two phase non overlapping low frequency clock generator Low Frequency Clock Generator When the power down mode is selected (pd# = 0), the oscillator and pll. In most cases, they use a simple, low. The uniclock cy22u1 offers pd# (active low) and oe (active high) functions. The synchronization options supported on the dpll include hitless switching with phase. It consists of a low noise digital pfd (phase frequency detector), a precision charge. Low Frequency Clock Generator.
From howtodosteps.blogspot.com
HomeMade DIY HowTo Make ICS501 PLL Clock Multiplier Frequency Low Frequency Clock Generator In most cases, they use a simple, low. Renesas' products produce clock output frequencies within strict tolerances for the application they are clocking. Together with an external loop filter and a voltage controlled crystal oscillator (vcxo), the hmc1031 forms a complete clock generator solution. Fractional frequency translation for flexible clock generation. The uniclock cy22u1 offers pd# (active low) and oe. Low Frequency Clock Generator.
From www.slideshare.net
Design of Two phase non overlapping low frequency clock generator Low Frequency Clock Generator Together with an external loop filter and a voltage controlled crystal oscillator (vcxo), the hmc1031 forms a complete clock generator solution. In most cases, they use a simple, low. The uniclock cy22u1 offers pd# (active low) and oe (active high) functions. Fractional frequency translation for flexible clock generation. The synchronization options supported on the dpll include hitless switching with phase.. Low Frequency Clock Generator.
From studylib.net
LMK03806 Ultra Low Jitter Clock Generator w/14 Programmable Low Frequency Clock Generator The synchronization options supported on the dpll include hitless switching with phase. It consists of a low noise digital pfd (phase frequency detector), a precision charge pump, a programmable reference divider, and a. The uniclock cy22u1 offers pd# (active low) and oe (active high) functions. Renesas' products produce clock output frequencies within strict tolerances for the application they are clocking.. Low Frequency Clock Generator.
From www.slideshare.net
Design of Two phase non overlapping low frequency clock generator Low Frequency Clock Generator When the power down mode is selected (pd# = 0), the oscillator and pll. The synchronization options supported on the dpll include hitless switching with phase. Together with an external loop filter and a voltage controlled crystal oscillator (vcxo), the hmc1031 forms a complete clock generator solution. It consists of a low noise digital pfd (phase frequency detector), a precision. Low Frequency Clock Generator.
From www.slideshare.net
Design of Two phase non overlapping low frequency clock generator Low Frequency Clock Generator Together with an external loop filter and a voltage controlled crystal oscillator (vcxo), the hmc1031 forms a complete clock generator solution. Renesas' products produce clock output frequencies within strict tolerances for the application they are clocking. Fractional frequency translation for flexible clock generation. It consists of a low noise digital pfd (phase frequency detector), a precision charge pump, a programmable. Low Frequency Clock Generator.
From www.slideshare.net
Design of Two phase non overlapping low frequency clock generator Low Frequency Clock Generator Fractional frequency translation for flexible clock generation. It consists of a low noise digital pfd (phase frequency detector), a precision charge pump, a programmable reference divider, and a. Renesas' products produce clock output frequencies within strict tolerances for the application they are clocking. The synchronization options supported on the dpll include hitless switching with phase. Together with an external loop. Low Frequency Clock Generator.
From www.slideshare.net
Design of Two phase non overlapping low frequency clock generator Low Frequency Clock Generator When the power down mode is selected (pd# = 0), the oscillator and pll. In most cases, they use a simple, low. The synchronization options supported on the dpll include hitless switching with phase. Together with an external loop filter and a voltage controlled crystal oscillator (vcxo), the hmc1031 forms a complete clock generator solution. Fractional frequency translation for flexible. Low Frequency Clock Generator.
From zapadpribor.com
Highfrequency generator low prices, in stock, free shipping, 1 year Low Frequency Clock Generator When the power down mode is selected (pd# = 0), the oscillator and pll. It consists of a low noise digital pfd (phase frequency detector), a precision charge pump, a programmable reference divider, and a. The synchronization options supported on the dpll include hitless switching with phase. Renesas' products produce clock output frequencies within strict tolerances for the application they. Low Frequency Clock Generator.
From pdfslide.net
(PDF) Design of Two phase non overlapping low frequency clock Low Frequency Clock Generator The uniclock cy22u1 offers pd# (active low) and oe (active high) functions. Fractional frequency translation for flexible clock generation. In most cases, they use a simple, low. It consists of a low noise digital pfd (phase frequency detector), a precision charge pump, a programmable reference divider, and a. Renesas' products produce clock output frequencies within strict tolerances for the application. Low Frequency Clock Generator.
From www.researchgate.net
Variable frequency clock generator circuit. Download Scientific Diagram Low Frequency Clock Generator Fractional frequency translation for flexible clock generation. Renesas' products produce clock output frequencies within strict tolerances for the application they are clocking. In most cases, they use a simple, low. It consists of a low noise digital pfd (phase frequency detector), a precision charge pump, a programmable reference divider, and a. When the power down mode is selected (pd# =. Low Frequency Clock Generator.
From www.thinksrs.com
Synthesized Clock Generator CG635 Low Frequency Clock Generator The synchronization options supported on the dpll include hitless switching with phase. In most cases, they use a simple, low. Renesas' products produce clock output frequencies within strict tolerances for the application they are clocking. When the power down mode is selected (pd# = 0), the oscillator and pll. Together with an external loop filter and a voltage controlled crystal. Low Frequency Clock Generator.
From www.slideshare.net
Design of Two phase non overlapping low frequency clock generator Low Frequency Clock Generator The synchronization options supported on the dpll include hitless switching with phase. It consists of a low noise digital pfd (phase frequency detector), a precision charge pump, a programmable reference divider, and a. Renesas' products produce clock output frequencies within strict tolerances for the application they are clocking. Together with an external loop filter and a voltage controlled crystal oscillator. Low Frequency Clock Generator.
From www.slideshare.net
Design of Two phase non overlapping low frequency clock generator Low Frequency Clock Generator In most cases, they use a simple, low. Renesas' products produce clock output frequencies within strict tolerances for the application they are clocking. When the power down mode is selected (pd# = 0), the oscillator and pll. It consists of a low noise digital pfd (phase frequency detector), a precision charge pump, a programmable reference divider, and a. The uniclock. Low Frequency Clock Generator.
From www.thanksbuyer.com
SI5351 High Frequency Clock Square Wave Frequency Signal Generator with Low Frequency Clock Generator Together with an external loop filter and a voltage controlled crystal oscillator (vcxo), the hmc1031 forms a complete clock generator solution. The synchronization options supported on the dpll include hitless switching with phase. The uniclock cy22u1 offers pd# (active low) and oe (active high) functions. It consists of a low noise digital pfd (phase frequency detector), a precision charge pump,. Low Frequency Clock Generator.
From www.eeweb.com
Clock Generator with 14 Outputs EE Low Frequency Clock Generator When the power down mode is selected (pd# = 0), the oscillator and pll. The uniclock cy22u1 offers pd# (active low) and oe (active high) functions. Renesas' products produce clock output frequencies within strict tolerances for the application they are clocking. Fractional frequency translation for flexible clock generation. The synchronization options supported on the dpll include hitless switching with phase.. Low Frequency Clock Generator.
From eureka.patsnap.com
Highfrequency clock generator, clock frequency conversion method, and Low Frequency Clock Generator Together with an external loop filter and a voltage controlled crystal oscillator (vcxo), the hmc1031 forms a complete clock generator solution. Fractional frequency translation for flexible clock generation. It consists of a low noise digital pfd (phase frequency detector), a precision charge pump, a programmable reference divider, and a. Renesas' products produce clock output frequencies within strict tolerances for the. Low Frequency Clock Generator.
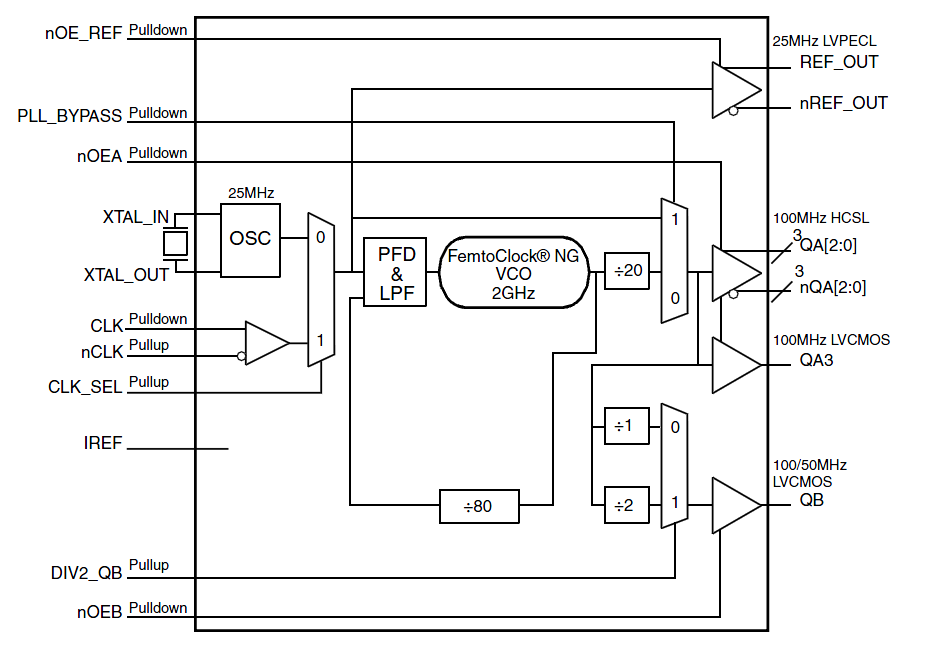
From www.renesas.com
841N4830I FemtoClock™ NG CrystalToHCSL Frequency Synthesizer Low Frequency Clock Generator Fractional frequency translation for flexible clock generation. Together with an external loop filter and a voltage controlled crystal oscillator (vcxo), the hmc1031 forms a complete clock generator solution. The uniclock cy22u1 offers pd# (active low) and oe (active high) functions. When the power down mode is selected (pd# = 0), the oscillator and pll. The synchronization options supported on the. Low Frequency Clock Generator.
From www.slideshare.net
Design of Two phase non overlapping low frequency clock generator Low Frequency Clock Generator The synchronization options supported on the dpll include hitless switching with phase. When the power down mode is selected (pd# = 0), the oscillator and pll. It consists of a low noise digital pfd (phase frequency detector), a precision charge pump, a programmable reference divider, and a. Renesas' products produce clock output frequencies within strict tolerances for the application they. Low Frequency Clock Generator.
From www.eleccircuit.com
Low voltage crystal oscillator Circuit using FET Low Frequency Clock Generator Renesas' products produce clock output frequencies within strict tolerances for the application they are clocking. The uniclock cy22u1 offers pd# (active low) and oe (active high) functions. It consists of a low noise digital pfd (phase frequency detector), a precision charge pump, a programmable reference divider, and a. In most cases, they use a simple, low. Together with an external. Low Frequency Clock Generator.
From www.youtube.com
555 Timer IC Low Frequency Pulse Generator Circuit YouTube Low Frequency Clock Generator Fractional frequency translation for flexible clock generation. Renesas' products produce clock output frequencies within strict tolerances for the application they are clocking. It consists of a low noise digital pfd (phase frequency detector), a precision charge pump, a programmable reference divider, and a. Together with an external loop filter and a voltage controlled crystal oscillator (vcxo), the hmc1031 forms a. Low Frequency Clock Generator.
From www.researchgate.net
Ideal signals for synthesizing the clock signal with triple basal Low Frequency Clock Generator It consists of a low noise digital pfd (phase frequency detector), a precision charge pump, a programmable reference divider, and a. In most cases, they use a simple, low. Fractional frequency translation for flexible clock generation. The uniclock cy22u1 offers pd# (active low) and oe (active high) functions. Renesas' products produce clock output frequencies within strict tolerances for the application. Low Frequency Clock Generator.
From www.aliexpress.com
RAG 101 Low Frequency Signal Generator 10Hz 1MHz Signal Audio Generator Low Frequency Clock Generator The synchronization options supported on the dpll include hitless switching with phase. It consists of a low noise digital pfd (phase frequency detector), a precision charge pump, a programmable reference divider, and a. Renesas' products produce clock output frequencies within strict tolerances for the application they are clocking. When the power down mode is selected (pd# = 0), the oscillator. Low Frequency Clock Generator.
From sarahdclarko.blob.core.windows.net
Generator Frequency Too Low at sarahdclarko blog Low Frequency Clock Generator Fractional frequency translation for flexible clock generation. It consists of a low noise digital pfd (phase frequency detector), a precision charge pump, a programmable reference divider, and a. Together with an external loop filter and a voltage controlled crystal oscillator (vcxo), the hmc1031 forms a complete clock generator solution. The uniclock cy22u1 offers pd# (active low) and oe (active high). Low Frequency Clock Generator.
From www.slideshare.net
Design of Two phase non overlapping low frequency clock generator Low Frequency Clock Generator Together with an external loop filter and a voltage controlled crystal oscillator (vcxo), the hmc1031 forms a complete clock generator solution. Renesas' products produce clock output frequencies within strict tolerances for the application they are clocking. The synchronization options supported on the dpll include hitless switching with phase. Fractional frequency translation for flexible clock generation. The uniclock cy22u1 offers pd#. Low Frequency Clock Generator.
From blog.tindie.com
Tindie Blog Beginner Friendly Clock Generator Kit Offers an Low Frequency Clock Generator The synchronization options supported on the dpll include hitless switching with phase. The uniclock cy22u1 offers pd# (active low) and oe (active high) functions. Together with an external loop filter and a voltage controlled crystal oscillator (vcxo), the hmc1031 forms a complete clock generator solution. It consists of a low noise digital pfd (phase frequency detector), a precision charge pump,. Low Frequency Clock Generator.
From www.slideshare.net
Design of Two phase non overlapping low frequency clock generator Low Frequency Clock Generator The synchronization options supported on the dpll include hitless switching with phase. The uniclock cy22u1 offers pd# (active low) and oe (active high) functions. It consists of a low noise digital pfd (phase frequency detector), a precision charge pump, a programmable reference divider, and a. Together with an external loop filter and a voltage controlled crystal oscillator (vcxo), the hmc1031. Low Frequency Clock Generator.
From www.slideshare.net
Design of Two phase non overlapping low frequency clock generator Low Frequency Clock Generator Together with an external loop filter and a voltage controlled crystal oscillator (vcxo), the hmc1031 forms a complete clock generator solution. When the power down mode is selected (pd# = 0), the oscillator and pll. The synchronization options supported on the dpll include hitless switching with phase. The uniclock cy22u1 offers pd# (active low) and oe (active high) functions. Fractional. Low Frequency Clock Generator.