Data Sheet Led Verde . Led yellow / green, 5mm important notice : Millimetres (inches) part number table. Electrical/optical characteristics at ta = 25°c. A led (especially the blue、white and green product) is an esd sensitive component, and static electricity or power surge will damage. Data sheet lg3630 round type led lamps led 10mm verde. Absolute maximum ratings at ta=25 ℃ typical electrical & optical. Learn how to build a simple paper circuit using copper tape, a 5mm led, and a 3v coin cell battery. Green (gap λp = 568nm) dimensions : 1.the forward voltage data did not including. If it requires power, you need to know how much, what all the pins do, and how to. This data sheet and its contents (the “information”) belong to the members of the premier farnell. The luminous intensity data did not including ±15% testing tolerance.
from studylib.net
Absolute maximum ratings at ta=25 ℃ typical electrical & optical. Data sheet lg3630 round type led lamps led 10mm verde. A led (especially the blue、white and green product) is an esd sensitive component, and static electricity or power surge will damage. Millimetres (inches) part number table. Learn how to build a simple paper circuit using copper tape, a 5mm led, and a 3v coin cell battery. The luminous intensity data did not including ±15% testing tolerance. Led yellow / green, 5mm important notice : 1.the forward voltage data did not including. If it requires power, you need to know how much, what all the pins do, and how to. Electrical/optical characteristics at ta = 25°c.
Data Sheet For 5mm Super Bright Green LED Angle 70°
Data Sheet Led Verde Led yellow / green, 5mm important notice : Learn how to build a simple paper circuit using copper tape, a 5mm led, and a 3v coin cell battery. A led (especially the blue、white and green product) is an esd sensitive component, and static electricity or power surge will damage. This data sheet and its contents (the “information”) belong to the members of the premier farnell. Absolute maximum ratings at ta=25 ℃ typical electrical & optical. 1.the forward voltage data did not including. The luminous intensity data did not including ±15% testing tolerance. Led yellow / green, 5mm important notice : Millimetres (inches) part number table. Green (gap λp = 568nm) dimensions : Electrical/optical characteristics at ta = 25°c. Data sheet lg3630 round type led lamps led 10mm verde. If it requires power, you need to know how much, what all the pins do, and how to.
From components101.com
RGB LED Pinout, Features, Circuit & Datasheet Data Sheet Led Verde Led yellow / green, 5mm important notice : Electrical/optical characteristics at ta = 25°c. 1.the forward voltage data did not including. The luminous intensity data did not including ±15% testing tolerance. A led (especially the blue、white and green product) is an esd sensitive component, and static electricity or power surge will damage. Data sheet lg3630 round type led lamps led. Data Sheet Led Verde.
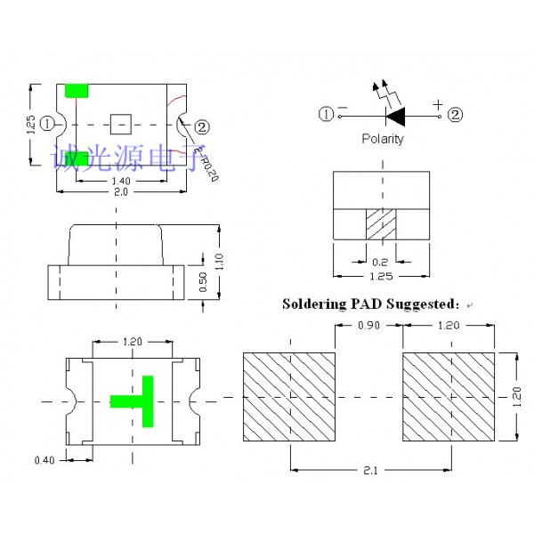
From www.yjledlights.com
EVERLIGHT SMD LED 3020 4521SCUM2CL1720NE6TR8T Data Sheet Led Verde Absolute maximum ratings at ta=25 ℃ typical electrical & optical. If it requires power, you need to know how much, what all the pins do, and how to. Led yellow / green, 5mm important notice : This data sheet and its contents (the “information”) belong to the members of the premier farnell. Data sheet lg3630 round type led lamps led. Data Sheet Led Verde.
From pasionelectronica.com
Diodo Led Funcionamiento y como se usa Pasión electrónica Data Sheet Led Verde If it requires power, you need to know how much, what all the pins do, and how to. The luminous intensity data did not including ±15% testing tolerance. Green (gap λp = 568nm) dimensions : Millimetres (inches) part number table. Absolute maximum ratings at ta=25 ℃ typical electrical & optical. Led yellow / green, 5mm important notice : This data. Data Sheet Led Verde.
From enginefixemerson.z6.web.core.windows.net
Bi Color Led Wiring Data Sheet Led Verde This data sheet and its contents (the “information”) belong to the members of the premier farnell. If it requires power, you need to know how much, what all the pins do, and how to. Absolute maximum ratings at ta=25 ℃ typical electrical & optical. 1.the forward voltage data did not including. Electrical/optical characteristics at ta = 25°c. Data sheet lg3630. Data Sheet Led Verde.
From www.usinainfo.com.br
LED Verde de Alto Brilho 5mm Usinainfo Data Sheet Led Verde Electrical/optical characteristics at ta = 25°c. 1.the forward voltage data did not including. This data sheet and its contents (the “information”) belong to the members of the premier farnell. A led (especially the blue、white and green product) is an esd sensitive component, and static electricity or power surge will damage. Green (gap λp = 568nm) dimensions : Led yellow /. Data Sheet Led Verde.
From gree-leds.com
RGBWW LedRGBW LedDigital Led Strip Light DatasheetGreeled Data Sheet Led Verde A led (especially the blue、white and green product) is an esd sensitive component, and static electricity or power surge will damage. Millimetres (inches) part number table. Absolute maximum ratings at ta=25 ℃ typical electrical & optical. Data sheet lg3630 round type led lamps led 10mm verde. If it requires power, you need to know how much, what all the pins. Data Sheet Led Verde.
From pt.scribd.com
Led 5Mm Vermelho Difuso SYMR50330D Características Optoelétricas I I Data Sheet Led Verde The luminous intensity data did not including ±15% testing tolerance. If it requires power, you need to know how much, what all the pins do, and how to. Data sheet lg3630 round type led lamps led 10mm verde. Learn how to build a simple paper circuit using copper tape, a 5mm led, and a 3v coin cell battery. Absolute maximum. Data Sheet Led Verde.
From www.bigtronica.com
Led Verde SMD 1206 BIGTRONICA Data Sheet Led Verde Electrical/optical characteristics at ta = 25°c. This data sheet and its contents (the “information”) belong to the members of the premier farnell. Millimetres (inches) part number table. Absolute maximum ratings at ta=25 ℃ typical electrical & optical. Learn how to build a simple paper circuit using copper tape, a 5mm led, and a 3v coin cell battery. The luminous intensity. Data Sheet Led Verde.
From www.alibaba.com
Data Sheet 0.06w 515525nm Smd 3528 Green Led Specifications Buy 3528 Green Led Specifications Data Sheet Led Verde A led (especially the blue、white and green product) is an esd sensitive component, and static electricity or power surge will damage. Electrical/optical characteristics at ta = 25°c. Absolute maximum ratings at ta=25 ℃ typical electrical & optical. If it requires power, you need to know how much, what all the pins do, and how to. Millimetres (inches) part number table.. Data Sheet Led Verde.
From www.servicesparepart.com
Download rgb led datasheet PDF Data Sheet Led Verde 1.the forward voltage data did not including. Electrical/optical characteristics at ta = 25°c. Green (gap λp = 568nm) dimensions : Learn how to build a simple paper circuit using copper tape, a 5mm led, and a 3v coin cell battery. This data sheet and its contents (the “information”) belong to the members of the premier farnell. Data sheet lg3630 round. Data Sheet Led Verde.
From es.scribd.com
Diodo LED.pdf Diodo Emissor de Luz Diodo Data Sheet Led Verde Absolute maximum ratings at ta=25 ℃ typical electrical & optical. This data sheet and its contents (the “information”) belong to the members of the premier farnell. 1.the forward voltage data did not including. Data sheet lg3630 round type led lamps led 10mm verde. If it requires power, you need to know how much, what all the pins do, and how. Data Sheet Led Verde.
From grantwinney.com
How to Use an RGB multicolor LED with Pulse Width Modulation (PWM) on the Raspberry Pi Data Sheet Led Verde Green (gap λp = 568nm) dimensions : Data sheet lg3630 round type led lamps led 10mm verde. A led (especially the blue、white and green product) is an esd sensitive component, and static electricity or power surge will damage. Electrical/optical characteristics at ta = 25°c. Absolute maximum ratings at ta=25 ℃ typical electrical & optical. If it requires power, you need. Data Sheet Led Verde.
From www.330ohms.com
LED Verde Difuso 5mm 10 pzas 330ohms Data Sheet Led Verde Absolute maximum ratings at ta=25 ℃ typical electrical & optical. Led yellow / green, 5mm important notice : The luminous intensity data did not including ±15% testing tolerance. A led (especially the blue、white and green product) is an esd sensitive component, and static electricity or power surge will damage. Green (gap λp = 568nm) dimensions : This data sheet and. Data Sheet Led Verde.
From www.arduiner.com
20 Pezzi Led VERDE Diodo LED a emissione luminosa super luminoso standard verde da 5 mm Data Sheet Led Verde Learn how to build a simple paper circuit using copper tape, a 5mm led, and a 3v coin cell battery. A led (especially the blue、white and green product) is an esd sensitive component, and static electricity or power surge will damage. If it requires power, you need to know how much, what all the pins do, and how to. The. Data Sheet Led Verde.
From www.alibaba.com
5050 Smd Led Datasheet (epistar Chips Inside) Buy 5050 Smd Led Datasheet,5050 Led Datasheet Data Sheet Led Verde 1.the forward voltage data did not including. The luminous intensity data did not including ±15% testing tolerance. Led yellow / green, 5mm important notice : A led (especially the blue、white and green product) is an esd sensitive component, and static electricity or power surge will damage. If it requires power, you need to know how much, what all the pins. Data Sheet Led Verde.
From www.tinytronics.nl
LED SMD 0805 Green 10 pieces SMDLED0805GREEN10X Data Sheet Led Verde Green (gap λp = 568nm) dimensions : Data sheet lg3630 round type led lamps led 10mm verde. Millimetres (inches) part number table. A led (especially the blue、white and green product) is an esd sensitive component, and static electricity or power surge will damage. This data sheet and its contents (the “information”) belong to the members of the premier farnell. If. Data Sheet Led Verde.
From www.bigtronica.com
Led Verde SMD 0805 BIGTRONICA Data Sheet Led Verde Millimetres (inches) part number table. This data sheet and its contents (the “information”) belong to the members of the premier farnell. Electrical/optical characteristics at ta = 25°c. 1.the forward voltage data did not including. Absolute maximum ratings at ta=25 ℃ typical electrical & optical. Data sheet lg3630 round type led lamps led 10mm verde. The luminous intensity data did not. Data Sheet Led Verde.
From smdleddokoeri.blogspot.com
Smd Led Epistar 3528 Smd Led Datasheet Data Sheet Led Verde Data sheet lg3630 round type led lamps led 10mm verde. 1.the forward voltage data did not including. Green (gap λp = 568nm) dimensions : Led yellow / green, 5mm important notice : Millimetres (inches) part number table. Electrical/optical characteristics at ta = 25°c. A led (especially the blue、white and green product) is an esd sensitive component, and static electricity or. Data Sheet Led Verde.
From electronicathido.com
THIDO Led Piraña Superflux Verde Ultrabrillante 5mm Data Sheet Led Verde Electrical/optical characteristics at ta = 25°c. Green (gap λp = 568nm) dimensions : Data sheet lg3630 round type led lamps led 10mm verde. A led (especially the blue、white and green product) is an esd sensitive component, and static electricity or power surge will damage. This data sheet and its contents (the “information”) belong to the members of the premier farnell.. Data Sheet Led Verde.
From www.youtube.com
RGB LED Datasheet Explanation LED Forward Voltage vs Forward Current Graph Component Data Sheet Led Verde Absolute maximum ratings at ta=25 ℃ typical electrical & optical. Electrical/optical characteristics at ta = 25°c. Led yellow / green, 5mm important notice : A led (especially the blue、white and green product) is an esd sensitive component, and static electricity or power surge will damage. This data sheet and its contents (the “information”) belong to the members of the premier. Data Sheet Led Verde.
From studylib.net
Data Sheet For 5mm Super Bright Green LED Angle 70° Data Sheet Led Verde Millimetres (inches) part number table. Absolute maximum ratings at ta=25 ℃ typical electrical & optical. Led yellow / green, 5mm important notice : Learn how to build a simple paper circuit using copper tape, a 5mm led, and a 3v coin cell battery. 1.the forward voltage data did not including. A led (especially the blue、white and green product) is an. Data Sheet Led Verde.
From www.scribd.com
Federal Signal E 14 LED120G Lampada de LED Verde 120V Ficha Tecnica Catalogo Datasheet PDF Data Sheet Led Verde 1.the forward voltage data did not including. Led yellow / green, 5mm important notice : Learn how to build a simple paper circuit using copper tape, a 5mm led, and a 3v coin cell battery. Absolute maximum ratings at ta=25 ℃ typical electrical & optical. Millimetres (inches) part number table. Data sheet lg3630 round type led lamps led 10mm verde.. Data Sheet Led Verde.
From studylib.net
Cree XLamp XQE LED Data sheet Data Sheet Led Verde Led yellow / green, 5mm important notice : If it requires power, you need to know how much, what all the pins do, and how to. The luminous intensity data did not including ±15% testing tolerance. Learn how to build a simple paper circuit using copper tape, a 5mm led, and a 3v coin cell battery. Green (gap λp =. Data Sheet Led Verde.
From www.yumpu.com
PDFDatasheet LED Data Sheet Led Verde Learn how to build a simple paper circuit using copper tape, a 5mm led, and a 3v coin cell battery. 1.the forward voltage data did not including. Green (gap λp = 568nm) dimensions : A led (especially the blue、white and green product) is an esd sensitive component, and static electricity or power surge will damage. If it requires power, you. Data Sheet Led Verde.
From megatronica.cc
Led 5mm Verde MEGATRONICA Data Sheet Led Verde 1.the forward voltage data did not including. Electrical/optical characteristics at ta = 25°c. Absolute maximum ratings at ta=25 ℃ typical electrical & optical. This data sheet and its contents (the “information”) belong to the members of the premier farnell. Led yellow / green, 5mm important notice : Green (gap λp = 568nm) dimensions : If it requires power, you need. Data Sheet Led Verde.
From www.alibaba.com
5mm Green Led Diode Datasheet Buy 5mm Green Transparent Led Diode,5mm Green Led Diode,Green Data Sheet Led Verde Electrical/optical characteristics at ta = 25°c. Absolute maximum ratings at ta=25 ℃ typical electrical & optical. Learn how to build a simple paper circuit using copper tape, a 5mm led, and a 3v coin cell battery. This data sheet and its contents (the “information”) belong to the members of the premier farnell. A led (especially the blue、white and green product). Data Sheet Led Verde.
From in.element14.com
MCL053GD Pro LED, Green, Through Hole Data Sheet Led Verde Millimetres (inches) part number table. 1.the forward voltage data did not including. If it requires power, you need to know how much, what all the pins do, and how to. Learn how to build a simple paper circuit using copper tape, a 5mm led, and a 3v coin cell battery. Data sheet lg3630 round type led lamps led 10mm verde.. Data Sheet Led Verde.
From br.pinterest.com
LED Chart Light emitting diode, Diode, Electronics basics Data Sheet Led Verde Led yellow / green, 5mm important notice : Electrical/optical characteristics at ta = 25°c. Green (gap λp = 568nm) dimensions : This data sheet and its contents (the “information”) belong to the members of the premier farnell. A led (especially the blue、white and green product) is an esd sensitive component, and static electricity or power surge will damage. Millimetres (inches). Data Sheet Led Verde.
From www.scribd.com
EVERLIGHT DATA SHEET 20160301 led smd 0,2 watt 6721SKK5CHXXXXXXXX2833Z62T_EMM__V2 Data Sheet Led Verde Green (gap λp = 568nm) dimensions : Learn how to build a simple paper circuit using copper tape, a 5mm led, and a 3v coin cell battery. If it requires power, you need to know how much, what all the pins do, and how to. A led (especially the blue、white and green product) is an esd sensitive component, and static. Data Sheet Led Verde.
From respuestas.me
Conecte varios LED RGB no independientes Data Sheet Led Verde Learn how to build a simple paper circuit using copper tape, a 5mm led, and a 3v coin cell battery. Green (gap λp = 568nm) dimensions : Data sheet lg3630 round type led lamps led 10mm verde. The luminous intensity data did not including ±15% testing tolerance. Electrical/optical characteristics at ta = 25°c. 1.the forward voltage data did not including.. Data Sheet Led Verde.
From studylib.net
Technical Data Sheet 5mm Infrared LED , T1 3/4 Data Sheet Led Verde Data sheet lg3630 round type led lamps led 10mm verde. Millimetres (inches) part number table. Green (gap λp = 568nm) dimensions : Electrical/optical characteristics at ta = 25°c. Learn how to build a simple paper circuit using copper tape, a 5mm led, and a 3v coin cell battery. If it requires power, you need to know how much, what all. Data Sheet Led Verde.
From uelectronics.com
Led 3mm Difuso UNIT Electronics Data Sheet Led Verde 1.the forward voltage data did not including. This data sheet and its contents (the “information”) belong to the members of the premier farnell. A led (especially the blue、white and green product) is an esd sensitive component, and static electricity or power surge will damage. Data sheet lg3630 round type led lamps led 10mm verde. Green (gap λp = 568nm) dimensions. Data Sheet Led Verde.
From studylib.net
Technical Data Sheet Side View LEDs (Height 0.6mm) 99 Data Sheet Led Verde 1.the forward voltage data did not including. Electrical/optical characteristics at ta = 25°c. Learn how to build a simple paper circuit using copper tape, a 5mm led, and a 3v coin cell battery. This data sheet and its contents (the “information”) belong to the members of the premier farnell. A led (especially the blue、white and green product) is an esd. Data Sheet Led Verde.
From dianade1poole.blogspot.com
data sheet led rgb Data Sheet Led Verde The luminous intensity data did not including ±15% testing tolerance. Electrical/optical characteristics at ta = 25°c. Absolute maximum ratings at ta=25 ℃ typical electrical & optical. Green (gap λp = 568nm) dimensions : 1.the forward voltage data did not including. Led yellow / green, 5mm important notice : Learn how to build a simple paper circuit using copper tape, a. Data Sheet Led Verde.
From loja.propagacaoaberta.com.br
Led Bicolor Verde Vermelho 5mm 5v 20ma 3 Terminais com 10 Data Sheet Led Verde The luminous intensity data did not including ±15% testing tolerance. Green (gap λp = 568nm) dimensions : If it requires power, you need to know how much, what all the pins do, and how to. Electrical/optical characteristics at ta = 25°c. Learn how to build a simple paper circuit using copper tape, a 5mm led, and a 3v coin cell. Data Sheet Led Verde.