Arctic Cat Atv Display Not Working . I have a '07 ac 4x4 efi with very low hours. Our comprehensive arctic cat atv troubleshooting guide will. When i first turn on, the light will appear as. The display still lights up, but tyhe needle is stuck, and the display is blank. At $3k it sounds fair, but i would do some research on the display if you. The gauge/instrument cluster in the dash lights up but doesn't show any info and speedo doesn't work. I can only see a couple things on the display. If you're looking for help fixing your arctic cat atv, look no further! Wondering if anyone knows why the lcd display would stop working on my arctic cat 650 atv if the battery had to be charged? My digital display has stopped working. If i push down on the display screen, i can start to see everything,. My lcd display turns on, but the display is messed up. Sounds like the biggest issue is the display not working. The previous owner says it quite working after he washed. I've checked as many of the wires as can easily be.
from www.gpmotorsports.ca
My lcd display turns on, but the display is messed up. My digital display has stopped working. I've checked as many of the wires as can easily be. At $3k it sounds fair, but i would do some research on the display if you. I can only see a couple things on the display. Wondering if anyone knows why the lcd display would stop working on my arctic cat 650 atv if the battery had to be charged? If you're looking for help fixing your arctic cat atv, look no further! The gauge/instrument cluster in the dash lights up but doesn't show any info and speedo doesn't work. When i first turn on, the light will appear as. Our comprehensive arctic cat atv troubleshooting guide will.
Arctic Cat ATV Model Lineup GP Motorsports in Grand Prairie, AB
Arctic Cat Atv Display Not Working The gauge/instrument cluster in the dash lights up but doesn't show any info and speedo doesn't work. Sounds like the biggest issue is the display not working. The display still lights up, but tyhe needle is stuck, and the display is blank. My lcd display turns on, but the display is messed up. At $3k it sounds fair, but i would do some research on the display if you. I've checked as many of the wires as can easily be. When i first turn on, the light will appear as. Our comprehensive arctic cat atv troubleshooting guide will. I have a '07 ac 4x4 efi with very low hours. Wondering if anyone knows why the lcd display would stop working on my arctic cat 650 atv if the battery had to be charged? If you're looking for help fixing your arctic cat atv, look no further! My digital display has stopped working. I can only see a couple things on the display. The gauge/instrument cluster in the dash lights up but doesn't show any info and speedo doesn't work. If i push down on the display screen, i can start to see everything,. The previous owner says it quite working after he washed.
From www.newegg.com
OEM LCD Speedometer Gauge Arctic Cat ATV 2009 550 TRV LE International Arctic Cat Atv Display Not Working The display still lights up, but tyhe needle is stuck, and the display is blank. If i push down on the display screen, i can start to see everything,. At $3k it sounds fair, but i would do some research on the display if you. I have a '07 ac 4x4 efi with very low hours. Our comprehensive arctic cat. Arctic Cat Atv Display Not Working.
From partszone.ca
NEW Voltage RECTIFIER / REGULATOR for Arctic Cat 400, 454, 500 All Arctic Cat Atv Display Not Working My lcd display turns on, but the display is messed up. I can only see a couple things on the display. The gauge/instrument cluster in the dash lights up but doesn't show any info and speedo doesn't work. If i push down on the display screen, i can start to see everything,. I've checked as many of the wires as. Arctic Cat Atv Display Not Working.
From www.youtube.com
2008 ArcticCat 650 H1 4x4 ATV Review & Quick Test Run YouTube Arctic Cat Atv Display Not Working At $3k it sounds fair, but i would do some research on the display if you. When i first turn on, the light will appear as. Sounds like the biggest issue is the display not working. If i push down on the display screen, i can start to see everything,. I can only see a couple things on the display.. Arctic Cat Atv Display Not Working.
From servicemanualwarehouse.com
Arctic Cat 2017 ATV 90 DVX Service Manual Arctic Cat Atv Display Not Working If you're looking for help fixing your arctic cat atv, look no further! At $3k it sounds fair, but i would do some research on the display if you. Sounds like the biggest issue is the display not working. I can only see a couple things on the display. My digital display has stopped working. My lcd display turns on,. Arctic Cat Atv Display Not Working.
From www.supertraxmag.com
Arctic Cat's ALLNEW G8 Digital Gauge Powered By Garmin Arctic Cat Atv Display Not Working At $3k it sounds fair, but i would do some research on the display if you. When i first turn on, the light will appear as. The display still lights up, but tyhe needle is stuck, and the display is blank. My digital display has stopped working. Our comprehensive arctic cat atv troubleshooting guide will. I have a '07 ac. Arctic Cat Atv Display Not Working.
From www.reliable-store.com
2007 Arctic Cat ATV 400 500 650 700 4X4 Repair Service Manual Arctic Cat Atv Display Not Working At $3k it sounds fair, but i would do some research on the display if you. Wondering if anyone knows why the lcd display would stop working on my arctic cat 650 atv if the battery had to be charged? My digital display has stopped working. The display still lights up, but tyhe needle is stuck, and the display is. Arctic Cat Atv Display Not Working.
From servicemanualwarehouse.com
Arctic Cat 2017 ATV 150 2x4 Service Manual Arctic Cat Atv Display Not Working My digital display has stopped working. The previous owner says it quite working after he washed. I have a '07 ac 4x4 efi with very low hours. Sounds like the biggest issue is the display not working. I've checked as many of the wires as can easily be. At $3k it sounds fair, but i would do some research on. Arctic Cat Atv Display Not Working.
From www.emanualonline.com
Arctic Cat 2011 ATV 450 EFI RED A2011ICK4CUSR [Parts Manual] Arctic Cat Atv Display Not Working If you're looking for help fixing your arctic cat atv, look no further! If i push down on the display screen, i can start to see everything,. At $3k it sounds fair, but i would do some research on the display if you. The display still lights up, but tyhe needle is stuck, and the display is blank. The previous. Arctic Cat Atv Display Not Working.
From www.machines4u.com.au
Used arctic cat ATV400 ATV / UTV / Side By Side in , Listed on Machines4u Arctic Cat Atv Display Not Working Our comprehensive arctic cat atv troubleshooting guide will. The previous owner says it quite working after he washed. My digital display has stopped working. At $3k it sounds fair, but i would do some research on the display if you. If you're looking for help fixing your arctic cat atv, look no further! The display still lights up, but tyhe. Arctic Cat Atv Display Not Working.
From www.youtube.com
Arctic Cat deluxe gauge features YouTube Arctic Cat Atv Display Not Working I have a '07 ac 4x4 efi with very low hours. I've checked as many of the wires as can easily be. Wondering if anyone knows why the lcd display would stop working on my arctic cat 650 atv if the battery had to be charged? My digital display has stopped working. Sounds like the biggest issue is the display. Arctic Cat Atv Display Not Working.
From www.atvrider.com
2022 Arctic Cat Alterra TRV 700 EPS Buyer's Guide Specs, Photos, Price Arctic Cat Atv Display Not Working Wondering if anyone knows why the lcd display would stop working on my arctic cat 650 atv if the battery had to be charged? I've checked as many of the wires as can easily be. I have a '07 ac 4x4 efi with very low hours. At $3k it sounds fair, but i would do some research on the display. Arctic Cat Atv Display Not Working.
From autoctrls.com
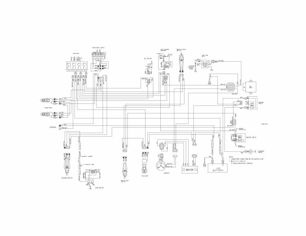
Essential Guide to Arctic Cat ATV Wiring Diagrams Everything You Need Arctic Cat Atv Display Not Working The gauge/instrument cluster in the dash lights up but doesn't show any info and speedo doesn't work. I have a '07 ac 4x4 efi with very low hours. My digital display has stopped working. The previous owner says it quite working after he washed. At $3k it sounds fair, but i would do some research on the display if you.. Arctic Cat Atv Display Not Working.
From www.youtube.com
2005 Arctic Cat ATV 500 Manual Review YouTube Arctic Cat Atv Display Not Working If i push down on the display screen, i can start to see everything,. Our comprehensive arctic cat atv troubleshooting guide will. At $3k it sounds fair, but i would do some research on the display if you. Sounds like the biggest issue is the display not working. I have a '07 ac 4x4 efi with very low hours. I've. Arctic Cat Atv Display Not Working.
From lfhilluminatingbrands.blogspot.com
⭐ Arctic Cat 1000 Gt Wiring Diagram ⭐ Ifh illuminating brands Arctic Cat Atv Display Not Working The gauge/instrument cluster in the dash lights up but doesn't show any info and speedo doesn't work. I've checked as many of the wires as can easily be. The previous owner says it quite working after he washed. If you're looking for help fixing your arctic cat atv, look no further! I have a '07 ac 4x4 efi with very. Arctic Cat Atv Display Not Working.
From www.arcticchat.com
My 2003 Arctic Cat 500 FIS Arctic Chat Arctic Cat Forum Arctic Cat Atv Display Not Working If you're looking for help fixing your arctic cat atv, look no further! I have a '07 ac 4x4 efi with very low hours. The gauge/instrument cluster in the dash lights up but doesn't show any info and speedo doesn't work. If i push down on the display screen, i can start to see everything,. I can only see a. Arctic Cat Atv Display Not Working.
From www.arcticchat.com
EFI Electrical issue Arctic Chat Arctic Cat Forum Arctic Cat Atv Display Not Working If you're looking for help fixing your arctic cat atv, look no further! I have a '07 ac 4x4 efi with very low hours. Our comprehensive arctic cat atv troubleshooting guide will. I can only see a couple things on the display. At $3k it sounds fair, but i would do some research on the display if you. My digital. Arctic Cat Atv Display Not Working.
From www.mecum.com
Arctic Cat Atvs Plastic Sign at Gone Farmin' Fall Premier 2022 as Y238 Arctic Cat Atv Display Not Working I have a '07 ac 4x4 efi with very low hours. If i push down on the display screen, i can start to see everything,. When i first turn on, the light will appear as. The previous owner says it quite working after he washed. The gauge/instrument cluster in the dash lights up but doesn't show any info and speedo. Arctic Cat Atv Display Not Working.
From atvconnection.com
2011 Arctic Cat ATV and UTV Model Guide Arctic Cat Atv Display Not Working My digital display has stopped working. When i first turn on, the light will appear as. I can only see a couple things on the display. At $3k it sounds fair, but i would do some research on the display if you. The gauge/instrument cluster in the dash lights up but doesn't show any info and speedo doesn't work. The. Arctic Cat Atv Display Not Working.
From www.arcticchat.com
Ignition controlled Power Mod Arctic Cat Forum Arctic Cat Atv Display Not Working If i push down on the display screen, i can start to see everything,. At $3k it sounds fair, but i would do some research on the display if you. I have a '07 ac 4x4 efi with very low hours. Our comprehensive arctic cat atv troubleshooting guide will. My lcd display turns on, but the display is messed up.. Arctic Cat Atv Display Not Working.
From www.emanualonline.com
2013 Arctic Cat ATV Wiring Diagrams Manuals Online Arctic Cat Atv Display Not Working Wondering if anyone knows why the lcd display would stop working on my arctic cat 650 atv if the battery had to be charged? The gauge/instrument cluster in the dash lights up but doesn't show any info and speedo doesn't work. At $3k it sounds fair, but i would do some research on the display if you. The previous owner. Arctic Cat Atv Display Not Working.
From www.countrycat.com
Arctic Cat ATV Front Brushguard Bumper 2022 Alterra 600 3436123B Arctic Cat Atv Display Not Working The previous owner says it quite working after he washed. If i push down on the display screen, i can start to see everything,. I can only see a couple things on the display. When i first turn on, the light will appear as. Our comprehensive arctic cat atv troubleshooting guide will. The display still lights up, but tyhe needle. Arctic Cat Atv Display Not Working.
From www.youtube.com
maxresdefault.jpg Arctic Cat Atv Display Not Working I can only see a couple things on the display. I've checked as many of the wires as can easily be. The display still lights up, but tyhe needle is stuck, and the display is blank. The previous owner says it quite working after he washed. When i first turn on, the light will appear as. If i push down. Arctic Cat Atv Display Not Working.
From partdiagramshevdogug.z22.web.core.windows.net
2003 Arctic Cat 500 4x4 Parts Diagram Arctic Cat Atv Display Not Working Our comprehensive arctic cat atv troubleshooting guide will. The previous owner says it quite working after he washed. My lcd display turns on, but the display is messed up. I have a '07 ac 4x4 efi with very low hours. The gauge/instrument cluster in the dash lights up but doesn't show any info and speedo doesn't work. When i first. Arctic Cat Atv Display Not Working.
From www.atvriders.com
2013 Arctic Cat TVX 700 XT Utility ATV Model Info Features, Benefits Arctic Cat Atv Display Not Working If you're looking for help fixing your arctic cat atv, look no further! Our comprehensive arctic cat atv troubleshooting guide will. I've checked as many of the wires as can easily be. My digital display has stopped working. I can only see a couple things on the display. The display still lights up, but tyhe needle is stuck, and the. Arctic Cat Atv Display Not Working.
From snowgoer.com
First Impressions Riding The Arctic Cat Catalyst Chassis SnowGoer Arctic Cat Atv Display Not Working If i push down on the display screen, i can start to see everything,. Our comprehensive arctic cat atv troubleshooting guide will. I have a '07 ac 4x4 efi with very low hours. The display still lights up, but tyhe needle is stuck, and the display is blank. When i first turn on, the light will appear as. The previous. Arctic Cat Atv Display Not Working.
From www.powersportsid.com
Arctic Cat Powersports Dashboards & Gauges Speedometers, Tachometers Arctic Cat Atv Display Not Working If i push down on the display screen, i can start to see everything,. When i first turn on, the light will appear as. My digital display has stopped working. The display still lights up, but tyhe needle is stuck, and the display is blank. At $3k it sounds fair, but i would do some research on the display if. Arctic Cat Atv Display Not Working.
From www.gpmotorsports.ca
Arctic Cat ATV Model Lineup GP Motorsports in Grand Prairie, AB Arctic Cat Atv Display Not Working I can only see a couple things on the display. My lcd display turns on, but the display is messed up. I've checked as many of the wires as can easily be. When i first turn on, the light will appear as. The previous owner says it quite working after he washed. Our comprehensive arctic cat atv troubleshooting guide will.. Arctic Cat Atv Display Not Working.
From www.kijiji.ca
2016 Arctic Cat Alterra ATVs Edmonton Kijiji Arctic Cat Atv Display Not Working Sounds like the biggest issue is the display not working. If i push down on the display screen, i can start to see everything,. The gauge/instrument cluster in the dash lights up but doesn't show any info and speedo doesn't work. My lcd display turns on, but the display is messed up. I have a '07 ac 4x4 efi with. Arctic Cat Atv Display Not Working.
From www.emanualonline.com
2000 to 2009 Arctic Cat ATV Wiring Diagrams Manuals Online Arctic Cat Atv Display Not Working The display still lights up, but tyhe needle is stuck, and the display is blank. Sounds like the biggest issue is the display not working. At $3k it sounds fair, but i would do some research on the display if you. The previous owner says it quite working after he washed. My digital display has stopped working. If you're looking. Arctic Cat Atv Display Not Working.
From www.atvrepairmanual.com
Arctic Cat ATV Repair Manual Arctic Cat Atv Display Not Working I've checked as many of the wires as can easily be. Our comprehensive arctic cat atv troubleshooting guide will. If you're looking for help fixing your arctic cat atv, look no further! The display still lights up, but tyhe needle is stuck, and the display is blank. At $3k it sounds fair, but i would do some research on the. Arctic Cat Atv Display Not Working.
From www.bigiron.com
1999 Arctic Cat 500 ATV BigIron Auctions Arctic Cat Atv Display Not Working Our comprehensive arctic cat atv troubleshooting guide will. I have a '07 ac 4x4 efi with very low hours. Sounds like the biggest issue is the display not working. At $3k it sounds fair, but i would do some research on the display if you. My digital display has stopped working. The previous owner says it quite working after he. Arctic Cat Atv Display Not Working.
From www.youtube.com
Arctic Cat 1000cc 4x4 Test Ride Why Did They Stop Making This Thing Arctic Cat Atv Display Not Working At $3k it sounds fair, but i would do some research on the display if you. Wondering if anyone knows why the lcd display would stop working on my arctic cat 650 atv if the battery had to be charged? When i first turn on, the light will appear as. My digital display has stopped working. Our comprehensive arctic cat. Arctic Cat Atv Display Not Working.
From autoctrls.com
Essential Guide to Arctic Cat ATV Wiring Diagrams Everything You Need Arctic Cat Atv Display Not Working My digital display has stopped working. Our comprehensive arctic cat atv troubleshooting guide will. My lcd display turns on, but the display is messed up. If i push down on the display screen, i can start to see everything,. The previous owner says it quite working after he washed. I can only see a couple things on the display. I've. Arctic Cat Atv Display Not Working.
From www.amazon.ca
Arctic Cat 20072008 Prowler Xt 650 H1 Auto Speedometer Gauge 0520029 Arctic Cat Atv Display Not Working I can only see a couple things on the display. The display still lights up, but tyhe needle is stuck, and the display is blank. If you're looking for help fixing your arctic cat atv, look no further! When i first turn on, the light will appear as. Our comprehensive arctic cat atv troubleshooting guide will. Sounds like the biggest. Arctic Cat Atv Display Not Working.
From repairmanuals4u.com
Arctic Cat ATV 2002 factory service manual Arctic Cat Atv Display Not Working I have a '07 ac 4x4 efi with very low hours. When i first turn on, the light will appear as. At $3k it sounds fair, but i would do some research on the display if you. The previous owner says it quite working after he washed. I've checked as many of the wires as can easily be. My lcd. Arctic Cat Atv Display Not Working.