Coercion Dot Labview . Rewrite the subvi to give the correct output repesentation! It checks the total number of coercion dots on the block. Because vis and functions can have many. Labview places a coercion dot on the border of the terminal where the conversion takes place. I have replaced a custom. Another technique for improving code performance is to remove all implicit type conversions (coercion dots). Also, is it possible to get rid of that coercion dot? The red dot is called a coercion dot. Use the conversion functions to explicitly convert. Can you tell me why the coercion dot is present in the top level vi (vi1)? Change the representation of the control itself! The correct way to deal with coercion dots is deciding on a better representation for the data from the ground up an solve things upstream. As for how to fix it, by the look of your program you are wanting to acquire 1 sample at a. I have already used the vi analyzer and know there is one coercion dot in this unfortunately large vi.
from forums.ni.com
It checks the total number of coercion dots on the block. Labview places a coercion dot on the border of the terminal where the conversion takes place. Use the conversion functions to explicitly convert. Another technique for improving code performance is to remove all implicit type conversions (coercion dots). The red dot is called a coercion dot. Also, is it possible to get rid of that coercion dot? I have already used the vi analyzer and know there is one coercion dot in this unfortunately large vi. Rewrite the subvi to give the correct output repesentation! Can you tell me why the coercion dot is present in the top level vi (vi1)? As for how to fix it, by the look of your program you are wanting to acquire 1 sample at a.
Solved Coercion dot on LabVIEW FPGA Matrix*vector block NI Community
Coercion Dot Labview Labview places a coercion dot on the border of the terminal where the conversion takes place. Labview places a coercion dot on the border of the terminal where the conversion takes place. Because vis and functions can have many. It checks the total number of coercion dots on the block. Change the representation of the control itself! As for how to fix it, by the look of your program you are wanting to acquire 1 sample at a. The correct way to deal with coercion dots is deciding on a better representation for the data from the ground up an solve things upstream. Also, is it possible to get rid of that coercion dot? Another technique for improving code performance is to remove all implicit type conversions (coercion dots). I have replaced a custom. Rewrite the subvi to give the correct output repesentation! The red dot is called a coercion dot. Can you tell me why the coercion dot is present in the top level vi (vi1)? Use the conversion functions to explicitly convert. I have already used the vi analyzer and know there is one coercion dot in this unfortunately large vi.
From www.youtube.com
Tutorial on Variant in LabVIEW YouTube Coercion Dot Labview I have replaced a custom. Use the conversion functions to explicitly convert. Another technique for improving code performance is to remove all implicit type conversions (coercion dots). As for how to fix it, by the look of your program you are wanting to acquire 1 sample at a. Can you tell me why the coercion dot is present in the. Coercion Dot Labview.
From forums.ni.com
Solved Coercion dot on LabVIEW FPGA Matrix*vector block NI Community Coercion Dot Labview As for how to fix it, by the look of your program you are wanting to acquire 1 sample at a. Rewrite the subvi to give the correct output repesentation! I have replaced a custom. Change the representation of the control itself! Can you tell me why the coercion dot is present in the top level vi (vi1)? I have. Coercion Dot Labview.
From www.youtube.com
Coercion Dot Tips and Trick YouTube Coercion Dot Labview Change the representation of the control itself! It checks the total number of coercion dots on the block. Use the conversion functions to explicitly convert. Because vis and functions can have many. Labview places a coercion dot on the border of the terminal where the conversion takes place. I have replaced a custom. As for how to fix it, by. Coercion Dot Labview.
From microcontrollerslab.com
How use to loops in labview tutorial 3 Coercion Dot Labview Can you tell me why the coercion dot is present in the top level vi (vi1)? Use the conversion functions to explicitly convert. The correct way to deal with coercion dots is deciding on a better representation for the data from the ground up an solve things upstream. It checks the total number of coercion dots on the block. Change. Coercion Dot Labview.
From www.youtube.com
Coercion dot tips and trick. YouTube Coercion Dot Labview The correct way to deal with coercion dots is deciding on a better representation for the data from the ground up an solve things upstream. As for how to fix it, by the look of your program you are wanting to acquire 1 sample at a. Use the conversion functions to explicitly convert. Labview places a coercion dot on the. Coercion Dot Labview.
From www.youtube.com
PUNTOS DE COERCION EN LABVIEW YouTube Coercion Dot Labview Also, is it possible to get rid of that coercion dot? Rewrite the subvi to give the correct output repesentation! Another technique for improving code performance is to remove all implicit type conversions (coercion dots). I have already used the vi analyzer and know there is one coercion dot in this unfortunately large vi. Labview places a coercion dot on. Coercion Dot Labview.
From forums.ni.com
coercion dot NI Community Coercion Dot Labview Labview places a coercion dot on the border of the terminal where the conversion takes place. Change the representation of the control itself! Also, is it possible to get rid of that coercion dot? It checks the total number of coercion dots on the block. The correct way to deal with coercion dots is deciding on a better representation for. Coercion Dot Labview.
From slideplayer.com
EET 2259 Unit 5 Loops Read Sections 5.1 and ppt download Coercion Dot Labview Change the representation of the control itself! Can you tell me why the coercion dot is present in the top level vi (vi1)? Also, is it possible to get rid of that coercion dot? As for how to fix it, by the look of your program you are wanting to acquire 1 sample at a. Rewrite the subvi to give. Coercion Dot Labview.
From microcontrollerslab.com
Structures in LabVIEW Loops, case and sequence structures Coercion Dot Labview Use the conversion functions to explicitly convert. It checks the total number of coercion dots on the block. The red dot is called a coercion dot. Also, is it possible to get rid of that coercion dot? Because vis and functions can have many. As for how to fix it, by the look of your program you are wanting to. Coercion Dot Labview.
From www.chegg.com
Solved In LabVIEW What is the red dot called?Buffer Coercion Dot Labview Rewrite the subvi to give the correct output repesentation! I have replaced a custom. The red dot is called a coercion dot. Because vis and functions can have many. As for how to fix it, by the look of your program you are wanting to acquire 1 sample at a. I have already used the vi analyzer and know there. Coercion Dot Labview.
From www.youtube.com
LabVIEW CLAD 034 Data Coercion YouTube Coercion Dot Labview As for how to fix it, by the look of your program you are wanting to acquire 1 sample at a. I have replaced a custom. Labview places a coercion dot on the border of the terminal where the conversion takes place. Because vis and functions can have many. Rewrite the subvi to give the correct output repesentation! Also, is. Coercion Dot Labview.
From www.apexwaves.com
How LabVIEW & Python Are Better Together Apex Waves Blog Coercion Dot Labview The red dot is called a coercion dot. Rewrite the subvi to give the correct output repesentation! Because vis and functions can have many. Also, is it possible to get rid of that coercion dot? As for how to fix it, by the look of your program you are wanting to acquire 1 sample at a. Change the representation of. Coercion Dot Labview.
From www.youtube.com
How to remove Coercion dots LabVIEW YouTube Coercion Dot Labview Also, is it possible to get rid of that coercion dot? Another technique for improving code performance is to remove all implicit type conversions (coercion dots). It checks the total number of coercion dots on the block. As for how to fix it, by the look of your program you are wanting to acquire 1 sample at a. Labview places. Coercion Dot Labview.
From grandbro.weebly.com
What is labview grandbro Coercion Dot Labview It checks the total number of coercion dots on the block. Use the conversion functions to explicitly convert. Another technique for improving code performance is to remove all implicit type conversions (coercion dots). Change the representation of the control itself! Because vis and functions can have many. The correct way to deal with coercion dots is deciding on a better. Coercion Dot Labview.
From www.youtube.com
NI LabVIEW FFT subVI to compute magnitude spectrum YouTube Coercion Dot Labview Use the conversion functions to explicitly convert. The red dot is called a coercion dot. I have replaced a custom. Labview places a coercion dot on the border of the terminal where the conversion takes place. As for how to fix it, by the look of your program you are wanting to acquire 1 sample at a. The correct way. Coercion Dot Labview.
From ielectel.com
LabVIEW ¿Qué es, cómo funciona y para qué sirve? Coercion Dot Labview Can you tell me why the coercion dot is present in the top level vi (vi1)? Use the conversion functions to explicitly convert. Rewrite the subvi to give the correct output repesentation! Also, is it possible to get rid of that coercion dot? Because vis and functions can have many. The correct way to deal with coercion dots is deciding. Coercion Dot Labview.
From mavink.com
Labview Control Panels Coercion Dot Labview Labview places a coercion dot on the border of the terminal where the conversion takes place. Rewrite the subvi to give the correct output repesentation! Because vis and functions can have many. As for how to fix it, by the look of your program you are wanting to acquire 1 sample at a. Also, is it possible to get rid. Coercion Dot Labview.
From www.slideserve.com
PPT Lab 1 Introduction to LabView PowerPoint Presentation, free Coercion Dot Labview Can you tell me why the coercion dot is present in the top level vi (vi1)? Use the conversion functions to explicitly convert. Another technique for improving code performance is to remove all implicit type conversions (coercion dots). Also, is it possible to get rid of that coercion dot? I have already used the vi analyzer and know there is. Coercion Dot Labview.
From forums.ni.com
What's the Deal with Coercion Dots? NI Community Coercion Dot Labview As for how to fix it, by the look of your program you are wanting to acquire 1 sample at a. Use the conversion functions to explicitly convert. The red dot is called a coercion dot. I have already used the vi analyzer and know there is one coercion dot in this unfortunately large vi. Can you tell me why. Coercion Dot Labview.
From forums.ni.com
Solved Coercion dot on LabVIEW FPGA Matrix*vector block NI Community Coercion Dot Labview Can you tell me why the coercion dot is present in the top level vi (vi1)? I have already used the vi analyzer and know there is one coercion dot in this unfortunately large vi. Labview places a coercion dot on the border of the terminal where the conversion takes place. I have replaced a custom. The red dot is. Coercion Dot Labview.
From www.chegg.com
Solved In LabVIEW What do coercion dots indicate?A Coercion Dot Labview I have already used the vi analyzer and know there is one coercion dot in this unfortunately large vi. Also, is it possible to get rid of that coercion dot? Can you tell me why the coercion dot is present in the top level vi (vi1)? Rewrite the subvi to give the correct output repesentation! Because vis and functions can. Coercion Dot Labview.
From www.youtube.com
VI High 62 Numeric Conversion, Coercion, and Memory Usage in LabVIEW Coercion Dot Labview Rewrite the subvi to give the correct output repesentation! I have already used the vi analyzer and know there is one coercion dot in this unfortunately large vi. Also, is it possible to get rid of that coercion dot? I have replaced a custom. Labview places a coercion dot on the border of the terminal where the conversion takes place.. Coercion Dot Labview.
From globalcourses.co.uk
LabVIEW Step By Step Beginners Complete Guide → What is LabVIEW Coercion Dot Labview The red dot is called a coercion dot. Also, is it possible to get rid of that coercion dot? Can you tell me why the coercion dot is present in the top level vi (vi1)? I have already used the vi analyzer and know there is one coercion dot in this unfortunately large vi. I have replaced a custom. The. Coercion Dot Labview.
From forums.ni.com
Dealing with Coercion Dots NI Community Coercion Dot Labview I have replaced a custom. Change the representation of the control itself! Also, is it possible to get rid of that coercion dot? Another technique for improving code performance is to remove all implicit type conversions (coercion dots). The correct way to deal with coercion dots is deciding on a better representation for the data from the ground up an. Coercion Dot Labview.
From www.youtube.com
Laser Dot Tracking System using LabVIEW YouTube Coercion Dot Labview I have replaced a custom. Change the representation of the control itself! The red dot is called a coercion dot. It checks the total number of coercion dots on the block. Because vis and functions can have many. Another technique for improving code performance is to remove all implicit type conversions (coercion dots). Labview places a coercion dot on the. Coercion Dot Labview.
From forums.ni.com
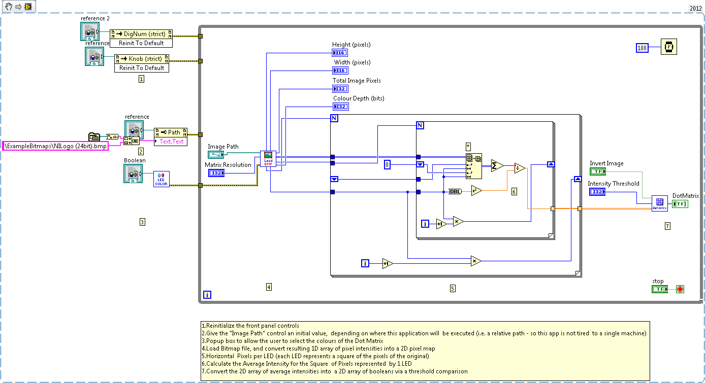
DOT MATRIX (see your name in lights!!) Using LabVIEW NI Community Coercion Dot Labview Labview places a coercion dot on the border of the terminal where the conversion takes place. Can you tell me why the coercion dot is present in the top level vi (vi1)? Also, is it possible to get rid of that coercion dot? I have already used the vi analyzer and know there is one coercion dot in this unfortunately. Coercion Dot Labview.
From www.slideserve.com
PPT CS320n Visual Programming PowerPoint Presentation, free download Coercion Dot Labview It checks the total number of coercion dots on the block. Labview places a coercion dot on the border of the terminal where the conversion takes place. Change the representation of the control itself! Use the conversion functions to explicitly convert. Can you tell me why the coercion dot is present in the top level vi (vi1)? The red dot. Coercion Dot Labview.
From lavag.org
Coerce Cluster (with single variant element) to Variant Bug [974336 Coercion Dot Labview Labview places a coercion dot on the border of the terminal where the conversion takes place. Also, is it possible to get rid of that coercion dot? I have already used the vi analyzer and know there is one coercion dot in this unfortunately large vi. Use the conversion functions to explicitly convert. Can you tell me why the coercion. Coercion Dot Labview.
From www.youtube.com
LabVIEW Online LV.15 Error, Debug Tools, Tick Count และ Coercion Dot Coercion Dot Labview Another technique for improving code performance is to remove all implicit type conversions (coercion dots). The red dot is called a coercion dot. Rewrite the subvi to give the correct output repesentation! I have replaced a custom. I have already used the vi analyzer and know there is one coercion dot in this unfortunately large vi. Also, is it possible. Coercion Dot Labview.
From www.researchgate.net
LabView Algorithm to Calculate the Depth c. IMAQ Get Depth Image from Coercion Dot Labview Use the conversion functions to explicitly convert. It checks the total number of coercion dots on the block. I have already used the vi analyzer and know there is one coercion dot in this unfortunately large vi. Also, is it possible to get rid of that coercion dot? The red dot is called a coercion dot. Can you tell me. Coercion Dot Labview.
From forums.ni.com
Solved Coercion dot on LabVIEW FPGA Matrix*vector block NI Community Coercion Dot Labview The correct way to deal with coercion dots is deciding on a better representation for the data from the ground up an solve things upstream. Because vis and functions can have many. Also, is it possible to get rid of that coercion dot? I have already used the vi analyzer and know there is one coercion dot in this unfortunately. Coercion Dot Labview.
From gritec.ch
LabVIEW für Testing Showcases GRITEC AG performs your high tech Coercion Dot Labview It checks the total number of coercion dots on the block. I have replaced a custom. The red dot is called a coercion dot. Rewrite the subvi to give the correct output repesentation! As for how to fix it, by the look of your program you are wanting to acquire 1 sample at a. Use the conversion functions to explicitly. Coercion Dot Labview.
From forums.ni.com
Dot NET Assembly and Labview Arrays NI Community National Instruments Coercion Dot Labview As for how to fix it, by the look of your program you are wanting to acquire 1 sample at a. It checks the total number of coercion dots on the block. Also, is it possible to get rid of that coercion dot? Labview places a coercion dot on the border of the terminal where the conversion takes place. I. Coercion Dot Labview.
From www.youtube.com
LABVIEW TUTORIALS WAVEFORM and XY GRAPH YouTube Coercion Dot Labview I have replaced a custom. Rewrite the subvi to give the correct output repesentation! It checks the total number of coercion dots on the block. Can you tell me why the coercion dot is present in the top level vi (vi1)? As for how to fix it, by the look of your program you are wanting to acquire 1 sample. Coercion Dot Labview.
From lavag.org
Why are Control References Coerced in a Cluster? LabVIEW General LAVA Coercion Dot Labview The red dot is called a coercion dot. Another technique for improving code performance is to remove all implicit type conversions (coercion dots). Because vis and functions can have many. The correct way to deal with coercion dots is deciding on a better representation for the data from the ground up an solve things upstream. Use the conversion functions to. Coercion Dot Labview.