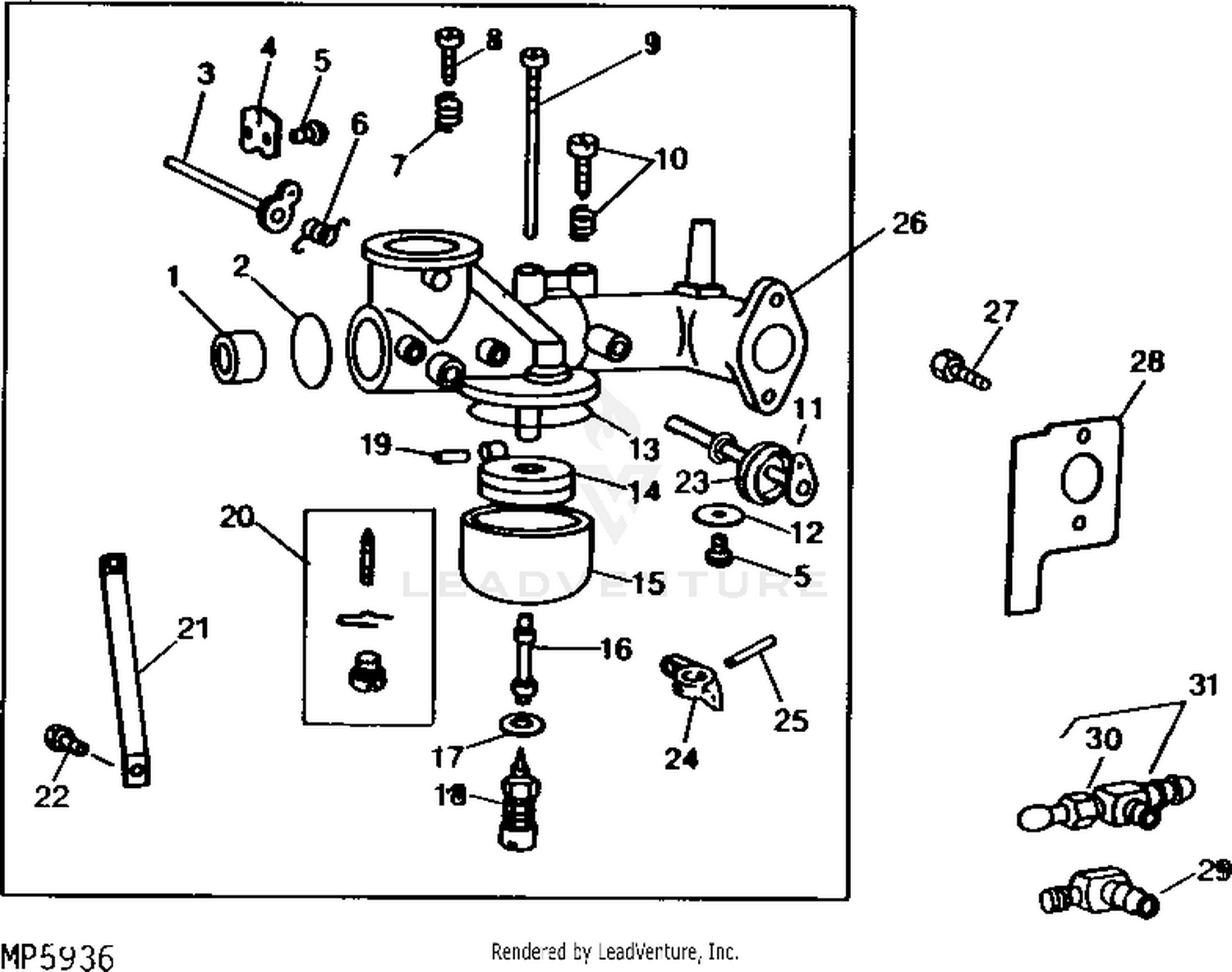
John Deere Bc1600 Carburetor Adjustment . Bc1600 stringtrimmer / brushcutter with our free parts lookup tool!. Search our parts catalog, order parts online or contact your john deere. Repair parts and diagrams for bc 1600 (ut. if it's a zama carburetor with the rotary valve, it'll have the low speed adjustment needle right in the middle of. The old carb was junk and wouldn't adjust and run. accessing the carburetor on your john deere lawn mower involves removing the engine cover or hood. find parts & diagrams for your john deere equipment. find parts for your john deere fuel tank & carburetor: partstree.com and hill country outdoor power are hcop, llc companies. add your answer. i have already put on a new carb, ignition coil,cylinder,piston kit. I thought maybe the new. i ended up installing a new carburetor to fix the problem. Do not submit personal information as it will be displayed online.
from www.top1price.com
find parts & diagrams for your john deere equipment. I thought maybe the new. Repair parts and diagrams for bc 1600 (ut. add your answer. Search our parts catalog, order parts online or contact your john deere. The old carb was junk and wouldn't adjust and run. find parts for your john deere fuel tank & carburetor: i have already put on a new carb, ignition coil,cylinder,piston kit. partstree.com and hill country outdoor power are hcop, llc companies. Bc1600 stringtrimmer / brushcutter with our free parts lookup tool!.
Online Store Xa Carburetor For Homelite Ut20810 Ryobi Ry70103 Ry70105
John Deere Bc1600 Carburetor Adjustment Repair parts and diagrams for bc 1600 (ut. accessing the carburetor on your john deere lawn mower involves removing the engine cover or hood. Do not submit personal information as it will be displayed online. find parts & diagrams for your john deere equipment. Search our parts catalog, order parts online or contact your john deere. I thought maybe the new. partstree.com and hill country outdoor power are hcop, llc companies. add your answer. i ended up installing a new carburetor to fix the problem. The old carb was junk and wouldn't adjust and run. Bc1600 stringtrimmer / brushcutter with our free parts lookup tool!. if it's a zama carburetor with the rotary valve, it'll have the low speed adjustment needle right in the middle of. find parts for your john deere fuel tank & carburetor: i have already put on a new carb, ignition coil,cylinder,piston kit. Repair parts and diagrams for bc 1600 (ut.
From www.weingartz.com
ARIMain WEINGARTZ John Deere Bc1600 Carburetor Adjustment add your answer. Bc1600 stringtrimmer / brushcutter with our free parts lookup tool!. i have already put on a new carb, ignition coil,cylinder,piston kit. I thought maybe the new. partstree.com and hill country outdoor power are hcop, llc companies. Search our parts catalog, order parts online or contact your john deere. find parts for your john. John Deere Bc1600 Carburetor Adjustment.
From www.ebay.com
john deere BC1600 Trimmer eBay John Deere Bc1600 Carburetor Adjustment add your answer. I thought maybe the new. find parts for your john deere fuel tank & carburetor: The old carb was junk and wouldn't adjust and run. Search our parts catalog, order parts online or contact your john deere. i have already put on a new carb, ignition coil,cylinder,piston kit. i ended up installing a. John Deere Bc1600 Carburetor Adjustment.
From hanenhuusholli.blogspot.com
John Deere Bc1600 Parts Diagram Hanenhuusholli John Deere Bc1600 Carburetor Adjustment Do not submit personal information as it will be displayed online. if it's a zama carburetor with the rotary valve, it'll have the low speed adjustment needle right in the middle of. i have already put on a new carb, ignition coil,cylinder,piston kit. partstree.com and hill country outdoor power are hcop, llc companies. find parts for. John Deere Bc1600 Carburetor Adjustment.
From www.ebay.com
Carburetor Gasket Kit For John Deere BC1600 Brush Cutter Fuel Line John Deere Bc1600 Carburetor Adjustment i have already put on a new carb, ignition coil,cylinder,piston kit. Search our parts catalog, order parts online or contact your john deere. if it's a zama carburetor with the rotary valve, it'll have the low speed adjustment needle right in the middle of. Repair parts and diagrams for bc 1600 (ut. find parts & diagrams for. John Deere Bc1600 Carburetor Adjustment.
From elecschem.com
Complete Guide to John Deere Gator TS Parts Diagram John Deere Bc1600 Carburetor Adjustment accessing the carburetor on your john deere lawn mower involves removing the engine cover or hood. Do not submit personal information as it will be displayed online. add your answer. Bc1600 stringtrimmer / brushcutter with our free parts lookup tool!. Search our parts catalog, order parts online or contact your john deere. I thought maybe the new. . John Deere Bc1600 Carburetor Adjustment.
From www.ebay.com
Carburetor Carb Assy. For John Deere BC1600 String Trimmer eBay John Deere Bc1600 Carburetor Adjustment Do not submit personal information as it will be displayed online. Search our parts catalog, order parts online or contact your john deere. partstree.com and hill country outdoor power are hcop, llc companies. i have already put on a new carb, ignition coil,cylinder,piston kit. if it's a zama carburetor with the rotary valve, it'll have the low. John Deere Bc1600 Carburetor Adjustment.
From www.ebay.com
Carburetor Gasket Kit For John Deere BC1600 Brush Cutter Fuel Line John Deere Bc1600 Carburetor Adjustment partstree.com and hill country outdoor power are hcop, llc companies. accessing the carburetor on your john deere lawn mower involves removing the engine cover or hood. i ended up installing a new carburetor to fix the problem. Search our parts catalog, order parts online or contact your john deere. The old carb was junk and wouldn't adjust. John Deere Bc1600 Carburetor Adjustment.
From www.ebay.com
Carburetor Gasket Kit For John Deere BC1600 Brush Cutter Fuel Line John Deere Bc1600 Carburetor Adjustment add your answer. Bc1600 stringtrimmer / brushcutter with our free parts lookup tool!. Search our parts catalog, order parts online or contact your john deere. if it's a zama carburetor with the rotary valve, it'll have the low speed adjustment needle right in the middle of. find parts & diagrams for your john deere equipment. Repair parts. John Deere Bc1600 Carburetor Adjustment.
From depidiomas.unitru.edu.pe
John Deere BC1600 Brushcutter UT15198 OMPS05964 Operation, 58 OFF John Deere Bc1600 Carburetor Adjustment The old carb was junk and wouldn't adjust and run. find parts & diagrams for your john deere equipment. i have already put on a new carb, ignition coil,cylinder,piston kit. Repair parts and diagrams for bc 1600 (ut. I thought maybe the new. partstree.com and hill country outdoor power are hcop, llc companies. Bc1600 stringtrimmer / brushcutter. John Deere Bc1600 Carburetor Adjustment.
From www.amazon.com
TOPREPAIR Carburetor for John Deere C1200 S1400 Weed John Deere Bc1600 Carburetor Adjustment partstree.com and hill country outdoor power are hcop, llc companies. add your answer. accessing the carburetor on your john deere lawn mower involves removing the engine cover or hood. find parts for your john deere fuel tank & carburetor: The old carb was junk and wouldn't adjust and run. i ended up installing a new. John Deere Bc1600 Carburetor Adjustment.
From www.jackssmallengines.com
Homelite BC1600 Trimmer/Brushcutter UT15198 Parts Diagram for Shaft John Deere Bc1600 Carburetor Adjustment accessing the carburetor on your john deere lawn mower involves removing the engine cover or hood. add your answer. Search our parts catalog, order parts online or contact your john deere. Do not submit personal information as it will be displayed online. find parts & diagrams for your john deere equipment. I thought maybe the new. . John Deere Bc1600 Carburetor Adjustment.
From bid.rollerauction.com
John Deere BC1600 Line Trimmer, Gas Roller Auctions John Deere Bc1600 Carburetor Adjustment I thought maybe the new. i ended up installing a new carburetor to fix the problem. accessing the carburetor on your john deere lawn mower involves removing the engine cover or hood. partstree.com and hill country outdoor power are hcop, llc companies. Bc1600 stringtrimmer / brushcutter with our free parts lookup tool!. if it's a zama. John Deere Bc1600 Carburetor Adjustment.
From service-workshopmanual.com
John Deere Bc1600 Brushcutter Parts Catalog Manual Pdf Download John Deere Bc1600 Carburetor Adjustment find parts for your john deere fuel tank & carburetor: I thought maybe the new. find parts & diagrams for your john deere equipment. i have already put on a new carb, ignition coil,cylinder,piston kit. The old carb was junk and wouldn't adjust and run. partstree.com and hill country outdoor power are hcop, llc companies. . John Deere Bc1600 Carburetor Adjustment.
From www.amazon.com
SAKITAM Carburetor Replacement for John Deere C1200 S1400 John Deere Bc1600 Carburetor Adjustment i ended up installing a new carburetor to fix the problem. accessing the carburetor on your john deere lawn mower involves removing the engine cover or hood. if it's a zama carburetor with the rotary valve, it'll have the low speed adjustment needle right in the middle of. Do not submit personal information as it will be. John Deere Bc1600 Carburetor Adjustment.
From www.top1price.com
Online Store Xa Carburetor For Homelite Ut20810 Ryobi Ry70103 Ry70105 John Deere Bc1600 Carburetor Adjustment add your answer. find parts & diagrams for your john deere equipment. Repair parts and diagrams for bc 1600 (ut. i ended up installing a new carburetor to fix the problem. i have already put on a new carb, ignition coil,cylinder,piston kit. The old carb was junk and wouldn't adjust and run. accessing the carburetor. John Deere Bc1600 Carburetor Adjustment.
From racext.com
How to Install a Carburetor Carb With Gaskets For John Deere Am122617 John Deere Bc1600 Carburetor Adjustment i ended up installing a new carburetor to fix the problem. if it's a zama carburetor with the rotary valve, it'll have the low speed adjustment needle right in the middle of. The old carb was junk and wouldn't adjust and run. i have already put on a new carb, ignition coil,cylinder,piston kit. Search our parts catalog,. John Deere Bc1600 Carburetor Adjustment.
From www.ebay.com
Carburetor Gasket Kit For John Deere BC1600 Brush Cutter Fuel Line John Deere Bc1600 Carburetor Adjustment accessing the carburetor on your john deere lawn mower involves removing the engine cover or hood. find parts for your john deere fuel tank & carburetor: find parts & diagrams for your john deere equipment. if it's a zama carburetor with the rotary valve, it'll have the low speed adjustment needle right in the middle of.. John Deere Bc1600 Carburetor Adjustment.
From hanenhuusholli.blogspot.com
John Deere Bc1600 Parts Diagram Hanenhuusholli John Deere Bc1600 Carburetor Adjustment I thought maybe the new. if it's a zama carburetor with the rotary valve, it'll have the low speed adjustment needle right in the middle of. i have already put on a new carb, ignition coil,cylinder,piston kit. Repair parts and diagrams for bc 1600 (ut. partstree.com and hill country outdoor power are hcop, llc companies. Do not. John Deere Bc1600 Carburetor Adjustment.
From www.ebay.com
john deere BC1600 Trimmer eBay John Deere Bc1600 Carburetor Adjustment Do not submit personal information as it will be displayed online. I thought maybe the new. i have already put on a new carb, ignition coil,cylinder,piston kit. add your answer. partstree.com and hill country outdoor power are hcop, llc companies. Repair parts and diagrams for bc 1600 (ut. find parts & diagrams for your john deere. John Deere Bc1600 Carburetor Adjustment.
From archivejohn.com
Exploring John Deere BC1600 Parts Diagram A Comprehensive Guide John Deere Bc1600 Carburetor Adjustment accessing the carburetor on your john deere lawn mower involves removing the engine cover or hood. Repair parts and diagrams for bc 1600 (ut. if it's a zama carburetor with the rotary valve, it'll have the low speed adjustment needle right in the middle of. Search our parts catalog, order parts online or contact your john deere. I. John Deere Bc1600 Carburetor Adjustment.
From www.weingartz.com
ARIMain WEINGARTZ John Deere Bc1600 Carburetor Adjustment partstree.com and hill country outdoor power are hcop, llc companies. if it's a zama carburetor with the rotary valve, it'll have the low speed adjustment needle right in the middle of. add your answer. i have already put on a new carb, ignition coil,cylinder,piston kit. find parts for your john deere fuel tank & carburetor:. John Deere Bc1600 Carburetor Adjustment.
From www.walmart.com
New Carburetor Kit Made to Fit John Deere JD Tractor 3010 3020 4000 John Deere Bc1600 Carburetor Adjustment Repair parts and diagrams for bc 1600 (ut. Do not submit personal information as it will be displayed online. add your answer. accessing the carburetor on your john deere lawn mower involves removing the engine cover or hood. find parts for your john deere fuel tank & carburetor: i have already put on a new carb,. John Deere Bc1600 Carburetor Adjustment.
From www.ebay.com
john deere BC1600 Trimmer eBay John Deere Bc1600 Carburetor Adjustment i have already put on a new carb, ignition coil,cylinder,piston kit. if it's a zama carburetor with the rotary valve, it'll have the low speed adjustment needle right in the middle of. find parts for your john deere fuel tank & carburetor: Search our parts catalog, order parts online or contact your john deere. find parts. John Deere Bc1600 Carburetor Adjustment.
From www.ebay.com
Carburetor Gasket Kit For John Deere BC1600 Brush Cutter Fuel Line John Deere Bc1600 Carburetor Adjustment The old carb was junk and wouldn't adjust and run. accessing the carburetor on your john deere lawn mower involves removing the engine cover or hood. partstree.com and hill country outdoor power are hcop, llc companies. find parts for your john deere fuel tank & carburetor: Do not submit personal information as it will be displayed online.. John Deere Bc1600 Carburetor Adjustment.
From www.weingartz.com
ARIMain WEINGARTZ John Deere Bc1600 Carburetor Adjustment Do not submit personal information as it will be displayed online. i have already put on a new carb, ignition coil,cylinder,piston kit. Bc1600 stringtrimmer / brushcutter with our free parts lookup tool!. accessing the carburetor on your john deere lawn mower involves removing the engine cover or hood. Repair parts and diagrams for bc 1600 (ut. i. John Deere Bc1600 Carburetor Adjustment.
From www.youtube.com
John Deere carbuetor installation YouTube John Deere Bc1600 Carburetor Adjustment add your answer. i have already put on a new carb, ignition coil,cylinder,piston kit. The old carb was junk and wouldn't adjust and run. find parts & diagrams for your john deere equipment. find parts for your john deere fuel tank & carburetor: Search our parts catalog, order parts online or contact your john deere. . John Deere Bc1600 Carburetor Adjustment.
From schematicmanualwilliam.z13.web.core.windows.net
John Deere Gator Carburetor Diagram John Deere Bc1600 Carburetor Adjustment Repair parts and diagrams for bc 1600 (ut. Bc1600 stringtrimmer / brushcutter with our free parts lookup tool!. partstree.com and hill country outdoor power are hcop, llc companies. accessing the carburetor on your john deere lawn mower involves removing the engine cover or hood. Search our parts catalog, order parts online or contact your john deere. add. John Deere Bc1600 Carburetor Adjustment.
From www.ebay.com
Carburetor Kit For John Deere BC1600 brush cutter eBay John Deere Bc1600 Carburetor Adjustment i ended up installing a new carburetor to fix the problem. find parts & diagrams for your john deere equipment. I thought maybe the new. accessing the carburetor on your john deere lawn mower involves removing the engine cover or hood. find parts for your john deere fuel tank & carburetor: Repair parts and diagrams for. John Deere Bc1600 Carburetor Adjustment.
From rsvautomotive.co.uk
Schebler DX Carburetor Fuel Adjustment Valve John Deere D Waterloo Boy John Deere Bc1600 Carburetor Adjustment partstree.com and hill country outdoor power are hcop, llc companies. The old carb was junk and wouldn't adjust and run. Bc1600 stringtrimmer / brushcutter with our free parts lookup tool!. Repair parts and diagrams for bc 1600 (ut. Search our parts catalog, order parts online or contact your john deere. find parts & diagrams for your john deere. John Deere Bc1600 Carburetor Adjustment.
From www.k-bid.com
John Deere BC1600 weed whip, runs, Boat, Mowers, Golf Cart John Deere Bc1600 Carburetor Adjustment find parts & diagrams for your john deere equipment. i ended up installing a new carburetor to fix the problem. i have already put on a new carb, ignition coil,cylinder,piston kit. partstree.com and hill country outdoor power are hcop, llc companies. accessing the carburetor on your john deere lawn mower involves removing the engine cover. John Deere Bc1600 Carburetor Adjustment.
From service-workshopmanual.com
John Deere BC1600 Brushcutter UT15198 OMPS05964 Operation and John Deere Bc1600 Carburetor Adjustment Do not submit personal information as it will be displayed online. i ended up installing a new carburetor to fix the problem. Repair parts and diagrams for bc 1600 (ut. The old carb was junk and wouldn't adjust and run. find parts & diagrams for your john deere equipment. Bc1600 stringtrimmer / brushcutter with our free parts lookup. John Deere Bc1600 Carburetor Adjustment.
From www.jensales.com
John Deere Carburetor Main Load Adjustment Needle Assembly `T` Handle John Deere Bc1600 Carburetor Adjustment I thought maybe the new. partstree.com and hill country outdoor power are hcop, llc companies. Repair parts and diagrams for bc 1600 (ut. find parts for your john deere fuel tank & carburetor: if it's a zama carburetor with the rotary valve, it'll have the low speed adjustment needle right in the middle of. i have. John Deere Bc1600 Carburetor Adjustment.
From depidiomas.unitru.edu.pe
John Deere BC1600 Brushcutter UT15198 OMPS05964 Operation, 58 OFF John Deere Bc1600 Carburetor Adjustment i have already put on a new carb, ignition coil,cylinder,piston kit. partstree.com and hill country outdoor power are hcop, llc companies. i ended up installing a new carburetor to fix the problem. Search our parts catalog, order parts online or contact your john deere. if it's a zama carburetor with the rotary valve, it'll have the. John Deere Bc1600 Carburetor Adjustment.
From racext.com
How to Install a Carburetor Carb For John Deere Gt235 Gt235e Lx280 John Deere Bc1600 Carburetor Adjustment find parts for your john deere fuel tank & carburetor: Repair parts and diagrams for bc 1600 (ut. i ended up installing a new carburetor to fix the problem. The old carb was junk and wouldn't adjust and run. Search our parts catalog, order parts online or contact your john deere. i have already put on a. John Deere Bc1600 Carburetor Adjustment.
From replacementparts.netlify.app
John deere gator carburetor diagram John Deere Bc1600 Carburetor Adjustment partstree.com and hill country outdoor power are hcop, llc companies. Do not submit personal information as it will be displayed online. Bc1600 stringtrimmer / brushcutter with our free parts lookup tool!. The old carb was junk and wouldn't adjust and run. Repair parts and diagrams for bc 1600 (ut. I thought maybe the new. Search our parts catalog, order. John Deere Bc1600 Carburetor Adjustment.