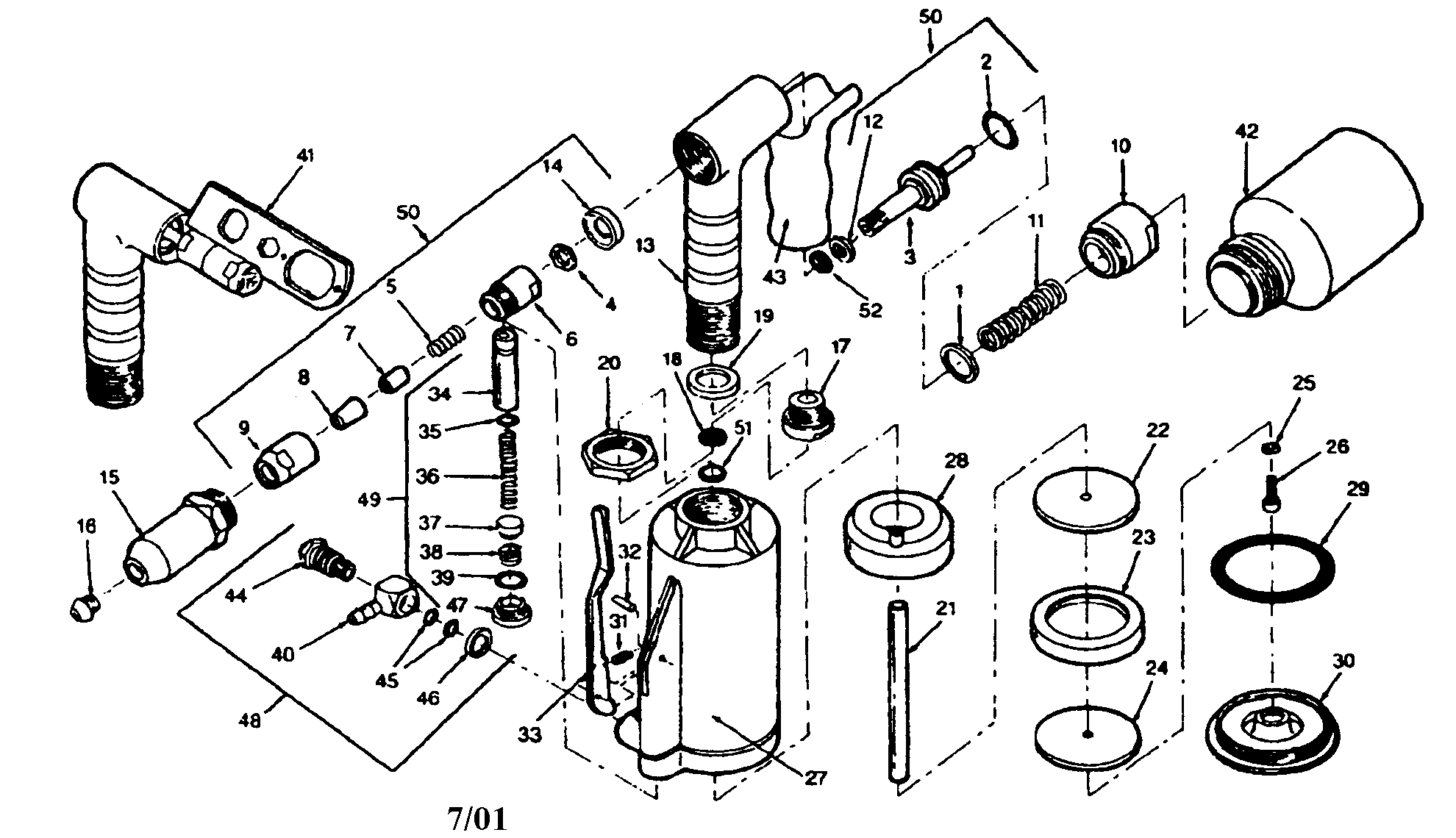
Rivet Gun Craftsman .  here are the diagrams and repair parts for official craftsman 7473 riveter, as well as links to manuals and error code tables, if. Detachable container of the riveter.   the pop rivet tool head rotates 360 degree for hard to reach spots and overhead use.  the craftsman® swivel head hand riveter offers both right angle and straight on riveting with a simple twist of the rivet head.  craftsman pneumatic rivet gun.  the craftsman® right angle riveter provides a quick, reliable way to install steel and aluminum rivets.  find many great new & used options and get the best deals for craftsman professional heavy duty riveter 974749 at the best.  find many great new & used options and get the best deals for sears craftsman heavy duty right angle riveter pop rivet gun. Allows you to fasten rivets in a wide variety of.
        
        from  
     
        
          the pop rivet tool head rotates 360 degree for hard to reach spots and overhead use. Detachable container of the riveter.  craftsman pneumatic rivet gun. Allows you to fasten rivets in a wide variety of.  the craftsman® right angle riveter provides a quick, reliable way to install steel and aluminum rivets.  here are the diagrams and repair parts for official craftsman 7473 riveter, as well as links to manuals and error code tables, if.  the craftsman® swivel head hand riveter offers both right angle and straight on riveting with a simple twist of the rivet head.  find many great new & used options and get the best deals for sears craftsman heavy duty right angle riveter pop rivet gun.  find many great new & used options and get the best deals for craftsman professional heavy duty riveter 974749 at the best.
    
    	
            
	
		 
         
    Rivet Gun Craftsman   find many great new & used options and get the best deals for craftsman professional heavy duty riveter 974749 at the best.  the craftsman® right angle riveter provides a quick, reliable way to install steel and aluminum rivets.  craftsman pneumatic rivet gun.  find many great new & used options and get the best deals for craftsman professional heavy duty riveter 974749 at the best. Allows you to fasten rivets in a wide variety of. Detachable container of the riveter.  the craftsman® swivel head hand riveter offers both right angle and straight on riveting with a simple twist of the rivet head.  find many great new & used options and get the best deals for sears craftsman heavy duty right angle riveter pop rivet gun.  here are the diagrams and repair parts for official craftsman 7473 riveter, as well as links to manuals and error code tables, if.   the pop rivet tool head rotates 360 degree for hard to reach spots and overhead use.
            
	
		 
         
 
    
        From  
                     Rivet Gun Craftsman    the pop rivet tool head rotates 360 degree for hard to reach spots and overhead use.  the craftsman® swivel head hand riveter offers both right angle and straight on riveting with a simple twist of the rivet head.  the craftsman® right angle riveter provides a quick, reliable way to install steel and aluminum rivets. Detachable container of. Rivet Gun Craftsman.
     
    
        From  
                     Rivet Gun Craftsman   find many great new & used options and get the best deals for craftsman professional heavy duty riveter 974749 at the best.   the pop rivet tool head rotates 360 degree for hard to reach spots and overhead use.  craftsman pneumatic rivet gun.  here are the diagrams and repair parts for official craftsman 7473 riveter, as well. Rivet Gun Craftsman.
     
    
        From  
                     Rivet Gun Craftsman   here are the diagrams and repair parts for official craftsman 7473 riveter, as well as links to manuals and error code tables, if.   the pop rivet tool head rotates 360 degree for hard to reach spots and overhead use.  find many great new & used options and get the best deals for craftsman professional heavy duty riveter. Rivet Gun Craftsman.
     
    
        From www.ebay.com 
                    Vintage Sears Craftsman Heavy Duty Riveter/ Pop Rivet Gun 97473 Made in Rivet Gun Craftsman    the pop rivet tool head rotates 360 degree for hard to reach spots and overhead use.  craftsman pneumatic rivet gun.  the craftsman® right angle riveter provides a quick, reliable way to install steel and aluminum rivets. Allows you to fasten rivets in a wide variety of.  the craftsman® swivel head hand riveter offers both right angle. Rivet Gun Craftsman.
     
    
        From www.bigiron.com 
                    Craftsman Pop Rivet Guns BigIron Auctions Rivet Gun Craftsman   find many great new & used options and get the best deals for sears craftsman heavy duty right angle riveter pop rivet gun. Allows you to fasten rivets in a wide variety of.  craftsman pneumatic rivet gun. Detachable container of the riveter.   the pop rivet tool head rotates 360 degree for hard to reach spots and overhead. Rivet Gun Craftsman.
     
    
        From  
                     Rivet Gun Craftsman   the craftsman® swivel head hand riveter offers both right angle and straight on riveting with a simple twist of the rivet head.  find many great new & used options and get the best deals for craftsman professional heavy duty riveter 974749 at the best.  here are the diagrams and repair parts for official craftsman 7473 riveter, as. Rivet Gun Craftsman.
     
    
        From  
                     Rivet Gun Craftsman   find many great new & used options and get the best deals for sears craftsman heavy duty right angle riveter pop rivet gun. Allows you to fasten rivets in a wide variety of.  the craftsman® swivel head hand riveter offers both right angle and straight on riveting with a simple twist of the rivet head.  the craftsman®. Rivet Gun Craftsman.
     
    
        From www.bigiron.com 
                    Craftsman Pop Rivet Guns BigIron Auctions Rivet Gun Craftsman   craftsman pneumatic rivet gun.  find many great new & used options and get the best deals for sears craftsman heavy duty right angle riveter pop rivet gun. Allows you to fasten rivets in a wide variety of.  the craftsman® right angle riveter provides a quick, reliable way to install steel and aluminum rivets.  find many great. Rivet Gun Craftsman.
     
    
        From  
                     Rivet Gun Craftsman    the pop rivet tool head rotates 360 degree for hard to reach spots and overhead use.  the craftsman® right angle riveter provides a quick, reliable way to install steel and aluminum rivets.  here are the diagrams and repair parts for official craftsman 7473 riveter, as well as links to manuals and error code tables, if.  craftsman. Rivet Gun Craftsman.
     
    
        From  
                     Rivet Gun Craftsman   the craftsman® swivel head hand riveter offers both right angle and straight on riveting with a simple twist of the rivet head.  the craftsman® right angle riveter provides a quick, reliable way to install steel and aluminum rivets.  find many great new & used options and get the best deals for sears craftsman heavy duty right angle. Rivet Gun Craftsman.
     
    
        From  
                     Rivet Gun Craftsman   find many great new & used options and get the best deals for sears craftsman heavy duty right angle riveter pop rivet gun.  the craftsman® right angle riveter provides a quick, reliable way to install steel and aluminum rivets.  here are the diagrams and repair parts for official craftsman 7473 riveter, as well as links to manuals. Rivet Gun Craftsman.
     
    
        From  
                     Rivet Gun Craftsman  Detachable container of the riveter. Allows you to fasten rivets in a wide variety of.   the pop rivet tool head rotates 360 degree for hard to reach spots and overhead use.  find many great new & used options and get the best deals for craftsman professional heavy duty riveter 974749 at the best.  the craftsman® swivel head. Rivet Gun Craftsman.
     
    
        From  
                     Rivet Gun Craftsman   the craftsman® right angle riveter provides a quick, reliable way to install steel and aluminum rivets.  find many great new & used options and get the best deals for sears craftsman heavy duty right angle riveter pop rivet gun. Detachable container of the riveter.   the pop rivet tool head rotates 360 degree for hard to reach spots. Rivet Gun Craftsman.
     
    
        From  
                     Rivet Gun Craftsman    the pop rivet tool head rotates 360 degree for hard to reach spots and overhead use. Allows you to fasten rivets in a wide variety of.  find many great new & used options and get the best deals for craftsman professional heavy duty riveter 974749 at the best. Detachable container of the riveter.  find many great new. Rivet Gun Craftsman.
     
    
        From  
                     Rivet Gun Craftsman   craftsman pneumatic rivet gun.  find many great new & used options and get the best deals for sears craftsman heavy duty right angle riveter pop rivet gun.  the craftsman® swivel head hand riveter offers both right angle and straight on riveting with a simple twist of the rivet head.  here are the diagrams and repair parts. Rivet Gun Craftsman.
     
    
        From www.worthpoint.com 
                    Sears Craftsman Heavy Duty Riveter/ Pop Rivet Gun 97473 Looks Never Rivet Gun Craftsman  Detachable container of the riveter.  here are the diagrams and repair parts for official craftsman 7473 riveter, as well as links to manuals and error code tables, if.  craftsman pneumatic rivet gun.  the craftsman® swivel head hand riveter offers both right angle and straight on riveting with a simple twist of the rivet head.   the pop. Rivet Gun Craftsman.
     
    
        From  
                     Rivet Gun Craftsman   find many great new & used options and get the best deals for sears craftsman heavy duty right angle riveter pop rivet gun.  find many great new & used options and get the best deals for craftsman professional heavy duty riveter 974749 at the best.   the pop rivet tool head rotates 360 degree for hard to reach. Rivet Gun Craftsman.
     
    
        From  
                     Rivet Gun Craftsman   the craftsman® right angle riveter provides a quick, reliable way to install steel and aluminum rivets.  find many great new & used options and get the best deals for sears craftsman heavy duty right angle riveter pop rivet gun.  here are the diagrams and repair parts for official craftsman 7473 riveter, as well as links to manuals. Rivet Gun Craftsman.
     
    
        From  
                     Rivet Gun Craftsman   craftsman pneumatic rivet gun.  find many great new & used options and get the best deals for sears craftsman heavy duty right angle riveter pop rivet gun.   the pop rivet tool head rotates 360 degree for hard to reach spots and overhead use. Detachable container of the riveter.  here are the diagrams and repair parts for. Rivet Gun Craftsman.
     
    
        From  
                     Rivet Gun Craftsman   craftsman pneumatic rivet gun. Allows you to fasten rivets in a wide variety of.  the craftsman® right angle riveter provides a quick, reliable way to install steel and aluminum rivets.  here are the diagrams and repair parts for official craftsman 7473 riveter, as well as links to manuals and error code tables, if.  the craftsman® swivel. Rivet Gun Craftsman.
     
    
        From  
                     Rivet Gun Craftsman   find many great new & used options and get the best deals for sears craftsman heavy duty right angle riveter pop rivet gun.   the pop rivet tool head rotates 360 degree for hard to reach spots and overhead use.  craftsman pneumatic rivet gun.  here are the diagrams and repair parts for official craftsman 7473 riveter, as. Rivet Gun Craftsman.
     
    
        From www.aircompressorsdirect.com 
                    Craftsman 19890 3/16Inch Heavy Duty Pneumatic Rivet Gun Rivet Gun Craftsman   find many great new & used options and get the best deals for sears craftsman heavy duty right angle riveter pop rivet gun.  the craftsman® right angle riveter provides a quick, reliable way to install steel and aluminum rivets.  find many great new & used options and get the best deals for craftsman professional heavy duty riveter. Rivet Gun Craftsman.
     
    
        From  
                     Rivet Gun Craftsman   craftsman pneumatic rivet gun. Detachable container of the riveter.  here are the diagrams and repair parts for official craftsman 7473 riveter, as well as links to manuals and error code tables, if.  the craftsman® right angle riveter provides a quick, reliable way to install steel and aluminum rivets.  the craftsman® swivel head hand riveter offers both. Rivet Gun Craftsman.
     
    
        From  
                     Rivet Gun Craftsman   here are the diagrams and repair parts for official craftsman 7473 riveter, as well as links to manuals and error code tables, if. Detachable container of the riveter.  find many great new & used options and get the best deals for craftsman professional heavy duty riveter 974749 at the best.   the pop rivet tool head rotates 360. Rivet Gun Craftsman.
     
    
        From  
                     Rivet Gun Craftsman   find many great new & used options and get the best deals for sears craftsman heavy duty right angle riveter pop rivet gun.  the craftsman® swivel head hand riveter offers both right angle and straight on riveting with a simple twist of the rivet head. Detachable container of the riveter.  the craftsman® right angle riveter provides a. Rivet Gun Craftsman.
     
    
        From www.bigiron.com 
                    Craftsman Pop Rivet Guns BigIron Auctions Rivet Gun Craftsman   here are the diagrams and repair parts for official craftsman 7473 riveter, as well as links to manuals and error code tables, if.  find many great new & used options and get the best deals for craftsman professional heavy duty riveter 974749 at the best.  the craftsman® right angle riveter provides a quick, reliable way to install. Rivet Gun Craftsman.
     
    
        From  
                     Rivet Gun Craftsman   the craftsman® swivel head hand riveter offers both right angle and straight on riveting with a simple twist of the rivet head. Detachable container of the riveter. Allows you to fasten rivets in a wide variety of.  here are the diagrams and repair parts for official craftsman 7473 riveter, as well as links to manuals and error code. Rivet Gun Craftsman.
     
    
        From www.amazon.ca 
                    Mellif Cordless Rivet Gun for Dewalt 20V Max Battery, Brushless Heavy Rivet Gun Craftsman    the pop rivet tool head rotates 360 degree for hard to reach spots and overhead use.  find many great new & used options and get the best deals for craftsman professional heavy duty riveter 974749 at the best.  here are the diagrams and repair parts for official craftsman 7473 riveter, as well as links to manuals and. Rivet Gun Craftsman.
     
    
        From www.walmart.com 
                    Hand Riveter Pop Rivet Gun 9.5inches Heavy Duty 4 Different Nozzles 1 Rivet Gun Craftsman   the craftsman® swivel head hand riveter offers both right angle and straight on riveting with a simple twist of the rivet head.  craftsman pneumatic rivet gun.   the pop rivet tool head rotates 360 degree for hard to reach spots and overhead use.  find many great new & used options and get the best deals for sears. Rivet Gun Craftsman.
     
    
        From  
                     Rivet Gun Craftsman   here are the diagrams and repair parts for official craftsman 7473 riveter, as well as links to manuals and error code tables, if.  craftsman pneumatic rivet gun.  find many great new & used options and get the best deals for craftsman professional heavy duty riveter 974749 at the best. Detachable container of the riveter.  the craftsman®. Rivet Gun Craftsman.
     
    
        From  
                     Rivet Gun Craftsman   find many great new & used options and get the best deals for craftsman professional heavy duty riveter 974749 at the best. Allows you to fasten rivets in a wide variety of.  here are the diagrams and repair parts for official craftsman 7473 riveter, as well as links to manuals and error code tables, if. Detachable container of. Rivet Gun Craftsman.
     
    
        From  
                     Rivet Gun Craftsman   here are the diagrams and repair parts for official craftsman 7473 riveter, as well as links to manuals and error code tables, if.  craftsman pneumatic rivet gun.  the craftsman® right angle riveter provides a quick, reliable way to install steel and aluminum rivets.  the craftsman® swivel head hand riveter offers both right angle and straight on. Rivet Gun Craftsman.
     
    
        From offerup.com 
                    Craftsman Rivet Gun for Sale in Los Angeles, CA OfferUp Rivet Gun Craftsman   find many great new & used options and get the best deals for sears craftsman heavy duty right angle riveter pop rivet gun. Allows you to fasten rivets in a wide variety of.  the craftsman® swivel head hand riveter offers both right angle and straight on riveting with a simple twist of the rivet head.  craftsman pneumatic. Rivet Gun Craftsman.
     
    
        From  
                     Rivet Gun Craftsman  Detachable container of the riveter.  find many great new & used options and get the best deals for craftsman professional heavy duty riveter 974749 at the best.  craftsman pneumatic rivet gun.  here are the diagrams and repair parts for official craftsman 7473 riveter, as well as links to manuals and error code tables, if.  find many. Rivet Gun Craftsman.
     
    
        From www.antiquesnavigator.com 
                    Two craftsman rivet guns 9182 Antique Price Guide Details Page Rivet Gun Craftsman    the pop rivet tool head rotates 360 degree for hard to reach spots and overhead use. Allows you to fasten rivets in a wide variety of.  find many great new & used options and get the best deals for craftsman professional heavy duty riveter 974749 at the best.  the craftsman® swivel head hand riveter offers both right. Rivet Gun Craftsman.