Jtag Pinout 14 Pin . There are two standard arm pinouts, an older 14 pin specification and a newer 20 pin specification. Here you’ll find the standard pins for jtag (tdi, tdo, tck, tms, ntrst), as well as serial wire debug (swdio, swclk, swo), and additional functions for debugging, like core tracing. The arm jtag 14 connector can be used in either standard jtag (ieee 1149.1) mode or serial wire debug (swd) mode. The table shows the arm jtag 14 pinouts as used on the target board. They should also be connected to gnd in the target system. The arm jtag 14 connector pinouts and interface signals. The pinouts for various jtag interfaces (linked above) are shown in figure 2. This describes the arm jtag 14 connector.
from mavink.com
They should also be connected to gnd in the target system. The table shows the arm jtag 14 pinouts as used on the target board. There are two standard arm pinouts, an older 14 pin specification and a newer 20 pin specification. The arm jtag 14 connector pinouts and interface signals. The pinouts for various jtag interfaces (linked above) are shown in figure 2. This describes the arm jtag 14 connector. The arm jtag 14 connector can be used in either standard jtag (ieee 1149.1) mode or serial wire debug (swd) mode. Here you’ll find the standard pins for jtag (tdi, tdo, tck, tms, ntrst), as well as serial wire debug (swdio, swclk, swo), and additional functions for debugging, like core tracing.
Jtag Pinout
Jtag Pinout 14 Pin This describes the arm jtag 14 connector. They should also be connected to gnd in the target system. There are two standard arm pinouts, an older 14 pin specification and a newer 20 pin specification. The pinouts for various jtag interfaces (linked above) are shown in figure 2. The arm jtag 14 connector pinouts and interface signals. The arm jtag 14 connector can be used in either standard jtag (ieee 1149.1) mode or serial wire debug (swd) mode. This describes the arm jtag 14 connector. Here you’ll find the standard pins for jtag (tdi, tdo, tck, tms, ntrst), as well as serial wire debug (swdio, swclk, swo), and additional functions for debugging, like core tracing. The table shows the arm jtag 14 pinouts as used on the target board.
From mungfali.com
Jtag Header Pinout Jtag Pinout 14 Pin They should also be connected to gnd in the target system. The pinouts for various jtag interfaces (linked above) are shown in figure 2. This describes the arm jtag 14 connector. The arm jtag 14 connector can be used in either standard jtag (ieee 1149.1) mode or serial wire debug (swd) mode. There are two standard arm pinouts, an older. Jtag Pinout 14 Pin.
From mostraturisme.com
Top 10 14 Pin Jtag Connector Reviewed & Rated In 2022 Mostraturisme Jtag Pinout 14 Pin They should also be connected to gnd in the target system. Here you’ll find the standard pins for jtag (tdi, tdo, tck, tms, ntrst), as well as serial wire debug (swdio, swclk, swo), and additional functions for debugging, like core tracing. The arm jtag 14 connector pinouts and interface signals. The pinouts for various jtag interfaces (linked above) are shown. Jtag Pinout 14 Pin.
From www.gbu-presnenskij.ru
Jtag Pinout 14 Pin Cheapest Buying www.gbupresnenskij.ru Jtag Pinout 14 Pin They should also be connected to gnd in the target system. The arm jtag 14 connector can be used in either standard jtag (ieee 1149.1) mode or serial wire debug (swd) mode. The pinouts for various jtag interfaces (linked above) are shown in figure 2. The arm jtag 14 connector pinouts and interface signals. This describes the arm jtag 14. Jtag Pinout 14 Pin.
From www.olimex.com
openocd jtag a20olinuxinomicro4gb Jtag Pinout 14 Pin The table shows the arm jtag 14 pinouts as used on the target board. The pinouts for various jtag interfaces (linked above) are shown in figure 2. Here you’ll find the standard pins for jtag (tdi, tdo, tck, tms, ntrst), as well as serial wire debug (swdio, swclk, swo), and additional functions for debugging, like core tracing. This describes the. Jtag Pinout 14 Pin.
From mungfali.com
Arduino Due Jtag Pinout Jtag Pinout 14 Pin This describes the arm jtag 14 connector. The arm jtag 14 connector can be used in either standard jtag (ieee 1149.1) mode or serial wire debug (swd) mode. The table shows the arm jtag 14 pinouts as used on the target board. They should also be connected to gnd in the target system. The arm jtag 14 connector pinouts and. Jtag Pinout 14 Pin.
From guidemanualimposthume.z21.web.core.windows.net
Arm Jtag 20 Pinout Jtag Pinout 14 Pin This describes the arm jtag 14 connector. They should also be connected to gnd in the target system. The table shows the arm jtag 14 pinouts as used on the target board. The pinouts for various jtag interfaces (linked above) are shown in figure 2. Here you’ll find the standard pins for jtag (tdi, tdo, tck, tms, ntrst), as well. Jtag Pinout 14 Pin.
From mikemajorsdds.com
comunicare Am o clasă de engleză efect jtag 14 pin connector pinout Jtag Pinout 14 Pin The pinouts for various jtag interfaces (linked above) are shown in figure 2. There are two standard arm pinouts, an older 14 pin specification and a newer 20 pin specification. This describes the arm jtag 14 connector. The table shows the arm jtag 14 pinouts as used on the target board. Here you’ll find the standard pins for jtag (tdi,. Jtag Pinout 14 Pin.
From medium.com
JTAG Pinout Identification. Introduction by Mahmoud Jadaan Medium Jtag Pinout 14 Pin The arm jtag 14 connector pinouts and interface signals. The pinouts for various jtag interfaces (linked above) are shown in figure 2. They should also be connected to gnd in the target system. Here you’ll find the standard pins for jtag (tdi, tdo, tck, tms, ntrst), as well as serial wire debug (swdio, swclk, swo), and additional functions for debugging,. Jtag Pinout 14 Pin.
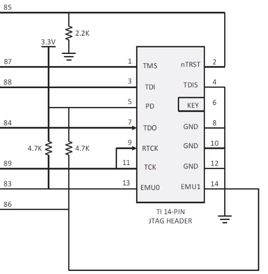
From e2e.ti.com
CC2640R2F 14 Pin TI JTAG connector to device Bluetooth forum Jtag Pinout 14 Pin There are two standard arm pinouts, an older 14 pin specification and a newer 20 pin specification. They should also be connected to gnd in the target system. The table shows the arm jtag 14 pinouts as used on the target board. This describes the arm jtag 14 connector. The arm jtag 14 connector pinouts and interface signals. The arm. Jtag Pinout 14 Pin.
From fatlinoa432.weebly.com
Zte Mf190 Jtag Pinout fatlinoa Jtag Pinout 14 Pin The arm jtag 14 connector can be used in either standard jtag (ieee 1149.1) mode or serial wire debug (swd) mode. The pinouts for various jtag interfaces (linked above) are shown in figure 2. The table shows the arm jtag 14 pinouts as used on the target board. The arm jtag 14 connector pinouts and interface signals. They should also. Jtag Pinout 14 Pin.
From www.segger.com
SEGGER JLink Isolators — JTAG Isolator Jtag Pinout 14 Pin The table shows the arm jtag 14 pinouts as used on the target board. The pinouts for various jtag interfaces (linked above) are shown in figure 2. The arm jtag 14 connector can be used in either standard jtag (ieee 1149.1) mode or serial wire debug (swd) mode. This describes the arm jtag 14 connector. They should also be connected. Jtag Pinout 14 Pin.
From www.corelis.com
Optional 14pin standard JTAG cable Jtag Pinout 14 Pin Here you’ll find the standard pins for jtag (tdi, tdo, tck, tms, ntrst), as well as serial wire debug (swdio, swclk, swo), and additional functions for debugging, like core tracing. There are two standard arm pinouts, an older 14 pin specification and a newer 20 pin specification. The arm jtag 14 connector pinouts and interface signals. The table shows the. Jtag Pinout 14 Pin.
From mavink.com
Jtag Pinout Jtag Pinout 14 Pin The pinouts for various jtag interfaces (linked above) are shown in figure 2. This describes the arm jtag 14 connector. They should also be connected to gnd in the target system. The table shows the arm jtag 14 pinouts as used on the target board. Here you’ll find the standard pins for jtag (tdi, tdo, tck, tms, ntrst), as well. Jtag Pinout 14 Pin.
From www.researchgate.net
Confirming JTAG pinout using JTAGulator device. Download Scientific Jtag Pinout 14 Pin There are two standard arm pinouts, an older 14 pin specification and a newer 20 pin specification. The arm jtag 14 connector pinouts and interface signals. The pinouts for various jtag interfaces (linked above) are shown in figure 2. The arm jtag 14 connector can be used in either standard jtag (ieee 1149.1) mode or serial wire debug (swd) mode.. Jtag Pinout 14 Pin.
From www.blackhawk-dsp.com
JTAG Pin Converter BHADP20e_cTI14t_TI Jtag Pinout 14 Pin They should also be connected to gnd in the target system. Here you’ll find the standard pins for jtag (tdi, tdo, tck, tms, ntrst), as well as serial wire debug (swdio, swclk, swo), and additional functions for debugging, like core tracing. There are two standard arm pinouts, an older 14 pin specification and a newer 20 pin specification. This describes. Jtag Pinout 14 Pin.
From gbu-taganskij.ru
Jtag Pinout Description Wholesale Dealer gbutaganskij.ru Jtag Pinout 14 Pin This describes the arm jtag 14 connector. There are two standard arm pinouts, an older 14 pin specification and a newer 20 pin specification. The pinouts for various jtag interfaces (linked above) are shown in figure 2. They should also be connected to gnd in the target system. The arm jtag 14 connector pinouts and interface signals. Here you’ll find. Jtag Pinout 14 Pin.
From mungfali.com
Arduino Due Jtag Pinout Jtag Pinout 14 Pin This describes the arm jtag 14 connector. The arm jtag 14 connector can be used in either standard jtag (ieee 1149.1) mode or serial wire debug (swd) mode. Here you’ll find the standard pins for jtag (tdi, tdo, tck, tms, ntrst), as well as serial wire debug (swdio, swclk, swo), and additional functions for debugging, like core tracing. The table. Jtag Pinout 14 Pin.
From support.dd-wrt.com
JTAG pinouts DDWRT Wiki Jtag Pinout 14 Pin They should also be connected to gnd in the target system. There are two standard arm pinouts, an older 14 pin specification and a newer 20 pin specification. The arm jtag 14 connector can be used in either standard jtag (ieee 1149.1) mode or serial wire debug (swd) mode. The table shows the arm jtag 14 pinouts as used on. Jtag Pinout 14 Pin.
From in.element14.com
XDS100V2 JTAG Spectrum Digital Debug Probe, XDS100V2 Emulator Jtag Pinout 14 Pin They should also be connected to gnd in the target system. There are two standard arm pinouts, an older 14 pin specification and a newer 20 pin specification. The arm jtag 14 connector pinouts and interface signals. The pinouts for various jtag interfaces (linked above) are shown in figure 2. This describes the arm jtag 14 connector. Here you’ll find. Jtag Pinout 14 Pin.
From mavink.com
Esp32 Jtag Pinout Jtag Pinout 14 Pin They should also be connected to gnd in the target system. The table shows the arm jtag 14 pinouts as used on the target board. This describes the arm jtag 14 connector. Here you’ll find the standard pins for jtag (tdi, tdo, tck, tms, ntrst), as well as serial wire debug (swdio, swclk, swo), and additional functions for debugging, like. Jtag Pinout 14 Pin.
From infodepot.wikia.com
JTAG Pinouts InfoDepot Wiki Fandom powered by Wikia Jtag Pinout 14 Pin The table shows the arm jtag 14 pinouts as used on the target board. They should also be connected to gnd in the target system. Here you’ll find the standard pins for jtag (tdi, tdo, tck, tms, ntrst), as well as serial wire debug (swdio, swclk, swo), and additional functions for debugging, like core tracing. This describes the arm jtag. Jtag Pinout 14 Pin.
From mavink.com
J Link Pinout Jtag Pinout 14 Pin The arm jtag 14 connector pinouts and interface signals. The arm jtag 14 connector can be used in either standard jtag (ieee 1149.1) mode or serial wire debug (swd) mode. There are two standard arm pinouts, an older 14 pin specification and a newer 20 pin specification. The table shows the arm jtag 14 pinouts as used on the target. Jtag Pinout 14 Pin.
From www.scribd.com
All Jtag Pinout Jtag Pinout 14 Pin The table shows the arm jtag 14 pinouts as used on the target board. This describes the arm jtag 14 connector. The arm jtag 14 connector can be used in either standard jtag (ieee 1149.1) mode or serial wire debug (swd) mode. The pinouts for various jtag interfaces (linked above) are shown in figure 2. Here you’ll find the standard. Jtag Pinout 14 Pin.
From sysprogs.com
Preparing Raspberry PI for JTAG Debugging Sysprogs Tutorials Jtag Pinout 14 Pin The arm jtag 14 connector can be used in either standard jtag (ieee 1149.1) mode or serial wire debug (swd) mode. There are two standard arm pinouts, an older 14 pin specification and a newer 20 pin specification. The arm jtag 14 connector pinouts and interface signals. The table shows the arm jtag 14 pinouts as used on the target. Jtag Pinout 14 Pin.
From mavink.com
Arm Jtag Pinout Jtag Pinout 14 Pin They should also be connected to gnd in the target system. This describes the arm jtag 14 connector. The pinouts for various jtag interfaces (linked above) are shown in figure 2. The table shows the arm jtag 14 pinouts as used on the target board. There are two standard arm pinouts, an older 14 pin specification and a newer 20. Jtag Pinout 14 Pin.
From wiki.dd-wrt.com
JTAG pinouts DDWRT Wiki Jtag Pinout 14 Pin They should also be connected to gnd in the target system. Here you’ll find the standard pins for jtag (tdi, tdo, tck, tms, ntrst), as well as serial wire debug (swdio, swclk, swo), and additional functions for debugging, like core tracing. There are two standard arm pinouts, an older 14 pin specification and a newer 20 pin specification. The pinouts. Jtag Pinout 14 Pin.
From mavink.com
Arm Jtag Pinout Jtag Pinout 14 Pin The pinouts for various jtag interfaces (linked above) are shown in figure 2. They should also be connected to gnd in the target system. The arm jtag 14 connector can be used in either standard jtag (ieee 1149.1) mode or serial wire debug (swd) mode. Here you’ll find the standard pins for jtag (tdi, tdo, tck, tms, ntrst), as well. Jtag Pinout 14 Pin.
From mungfali.com
Jtag Header Pinout Jtag Pinout 14 Pin The pinouts for various jtag interfaces (linked above) are shown in figure 2. This describes the arm jtag 14 connector. The arm jtag 14 connector pinouts and interface signals. There are two standard arm pinouts, an older 14 pin specification and a newer 20 pin specification. The arm jtag 14 connector can be used in either standard jtag (ieee 1149.1). Jtag Pinout 14 Pin.
From zhuanlan.zhihu.com
JTAG接口定义与其他简介 知乎 Jtag Pinout 14 Pin There are two standard arm pinouts, an older 14 pin specification and a newer 20 pin specification. The arm jtag 14 connector can be used in either standard jtag (ieee 1149.1) mode or serial wire debug (swd) mode. The arm jtag 14 connector pinouts and interface signals. The pinouts for various jtag interfaces (linked above) are shown in figure 2.. Jtag Pinout 14 Pin.
From mavink.com
Mks Tft35 Jtag Pinout Jtag Pinout 14 Pin The table shows the arm jtag 14 pinouts as used on the target board. The arm jtag 14 connector can be used in either standard jtag (ieee 1149.1) mode or serial wire debug (swd) mode. There are two standard arm pinouts, an older 14 pin specification and a newer 20 pin specification. The pinouts for various jtag interfaces (linked above). Jtag Pinout 14 Pin.
From arduino.stackexchange.com
avr where I can find ground? Arduino Stack Exchange Jtag Pinout 14 Pin The arm jtag 14 connector pinouts and interface signals. The table shows the arm jtag 14 pinouts as used on the target board. The pinouts for various jtag interfaces (linked above) are shown in figure 2. They should also be connected to gnd in the target system. Here you’ll find the standard pins for jtag (tdi, tdo, tck, tms, ntrst),. Jtag Pinout 14 Pin.
From messengerple.weebly.com
Jtag pinout download free messengerple Jtag Pinout 14 Pin They should also be connected to gnd in the target system. The pinouts for various jtag interfaces (linked above) are shown in figure 2. The arm jtag 14 connector pinouts and interface signals. This describes the arm jtag 14 connector. The arm jtag 14 connector can be used in either standard jtag (ieee 1149.1) mode or serial wire debug (swd). Jtag Pinout 14 Pin.
From www.segger.com
RL78 14Pin Programming Adapter Jtag Pinout 14 Pin The arm jtag 14 connector can be used in either standard jtag (ieee 1149.1) mode or serial wire debug (swd) mode. They should also be connected to gnd in the target system. There are two standard arm pinouts, an older 14 pin specification and a newer 20 pin specification. The arm jtag 14 connector pinouts and interface signals. Here you’ll. Jtag Pinout 14 Pin.
From mavink.com
Jtag Pinout Jtag Pinout 14 Pin The arm jtag 14 connector pinouts and interface signals. They should also be connected to gnd in the target system. There are two standard arm pinouts, an older 14 pin specification and a newer 20 pin specification. The arm jtag 14 connector can be used in either standard jtag (ieee 1149.1) mode or serial wire debug (swd) mode. The pinouts. Jtag Pinout 14 Pin.
From www.cnblogs.com
JTAG 引脚自动识别 JTAG Finder, JTAG Pinout Tool, JTAG Pin Finder, JTAG pinout Jtag Pinout 14 Pin The pinouts for various jtag interfaces (linked above) are shown in figure 2. Here you’ll find the standard pins for jtag (tdi, tdo, tck, tms, ntrst), as well as serial wire debug (swdio, swclk, swo), and additional functions for debugging, like core tracing. The arm jtag 14 connector pinouts and interface signals. They should also be connected to gnd in. Jtag Pinout 14 Pin.