Power Window Motor 1995 G20 Van . The #1 seller of genuine dorman parts on. 1995 chevrolet g20 5.0l v8 window motor | rockauto. Get the best deals on an aftermarket 1995 chevrolet g20 window motor. Buy a 1995 chevrolet g20 window motor at discount prices. Choose top quality brands a1 cardone, ac delco, aci, autopart premium,. Rockauto ships auto parts and body parts from over 300 manufacturers to. Rockauto ships auto parts and body parts from over 300 manufacturers to customers' doors worldwide, all at warehouse prices.
from www.reddit.com
1995 chevrolet g20 5.0l v8 window motor | rockauto. Get the best deals on an aftermarket 1995 chevrolet g20 window motor. Rockauto ships auto parts and body parts from over 300 manufacturers to customers' doors worldwide, all at warehouse prices. Choose top quality brands a1 cardone, ac delco, aci, autopart premium,. Rockauto ships auto parts and body parts from over 300 manufacturers to. The #1 seller of genuine dorman parts on. Buy a 1995 chevrolet g20 window motor at discount prices.
1995 Chevy G20, A beauty r/ConversionVans
Power Window Motor 1995 G20 Van Choose top quality brands a1 cardone, ac delco, aci, autopart premium,. 1995 chevrolet g20 5.0l v8 window motor | rockauto. Get the best deals on an aftermarket 1995 chevrolet g20 window motor. Choose top quality brands a1 cardone, ac delco, aci, autopart premium,. Buy a 1995 chevrolet g20 window motor at discount prices. Rockauto ships auto parts and body parts from over 300 manufacturers to customers' doors worldwide, all at warehouse prices. Rockauto ships auto parts and body parts from over 300 manufacturers to. The #1 seller of genuine dorman parts on.
From www.carid.com
Dorman® Power Window Motors Power Window Motor 1995 G20 Van 1995 chevrolet g20 5.0l v8 window motor | rockauto. Choose top quality brands a1 cardone, ac delco, aci, autopart premium,. The #1 seller of genuine dorman parts on. Rockauto ships auto parts and body parts from over 300 manufacturers to. Get the best deals on an aftermarket 1995 chevrolet g20 window motor. Rockauto ships auto parts and body parts from. Power Window Motor 1995 G20 Van.
From mossmiata.com
Power Window Motor, Passenger's Side Moss Miata Power Window Motor 1995 G20 Van Get the best deals on an aftermarket 1995 chevrolet g20 window motor. The #1 seller of genuine dorman parts on. Rockauto ships auto parts and body parts from over 300 manufacturers to customers' doors worldwide, all at warehouse prices. Buy a 1995 chevrolet g20 window motor at discount prices. Choose top quality brands a1 cardone, ac delco, aci, autopart premium,.. Power Window Motor 1995 G20 Van.
From www.reddit.com
1995 Chevy G20, A beauty r/ConversionVans Power Window Motor 1995 G20 Van Buy a 1995 chevrolet g20 window motor at discount prices. Rockauto ships auto parts and body parts from over 300 manufacturers to customers' doors worldwide, all at warehouse prices. 1995 chevrolet g20 5.0l v8 window motor | rockauto. Rockauto ships auto parts and body parts from over 300 manufacturers to. Choose top quality brands a1 cardone, ac delco, aci, autopart. Power Window Motor 1995 G20 Van.
From www.carparts.com
1994 Chevrolet G20 Window Regulator Front, Driver Side, Power, With Power Window Motor 1995 G20 Van Choose top quality brands a1 cardone, ac delco, aci, autopart premium,. Get the best deals on an aftermarket 1995 chevrolet g20 window motor. The #1 seller of genuine dorman parts on. Rockauto ships auto parts and body parts from over 300 manufacturers to. 1995 chevrolet g20 5.0l v8 window motor | rockauto. Buy a 1995 chevrolet g20 window motor at. Power Window Motor 1995 G20 Van.
From a-premium.com
Front Driver Power Window Motor & Regulator Assembly for Chevy GMC G10 Power Window Motor 1995 G20 Van Get the best deals on an aftermarket 1995 chevrolet g20 window motor. Choose top quality brands a1 cardone, ac delco, aci, autopart premium,. Buy a 1995 chevrolet g20 window motor at discount prices. Rockauto ships auto parts and body parts from over 300 manufacturers to. Rockauto ships auto parts and body parts from over 300 manufacturers to customers' doors worldwide,. Power Window Motor 1995 G20 Van.
From www.justanswer.com
1985 Chevy G20 Van Power Window Wiring Diagram Q&A JustAnswer Power Window Motor 1995 G20 Van Buy a 1995 chevrolet g20 window motor at discount prices. Choose top quality brands a1 cardone, ac delco, aci, autopart premium,. The #1 seller of genuine dorman parts on. 1995 chevrolet g20 5.0l v8 window motor | rockauto. Rockauto ships auto parts and body parts from over 300 manufacturers to. Get the best deals on an aftermarket 1995 chevrolet g20. Power Window Motor 1995 G20 Van.
From www.motorious.com
Road Trip Back In Time With This 1995 Chevrolet G20 Van Power Window Motor 1995 G20 Van Get the best deals on an aftermarket 1995 chevrolet g20 window motor. Choose top quality brands a1 cardone, ac delco, aci, autopart premium,. Buy a 1995 chevrolet g20 window motor at discount prices. 1995 chevrolet g20 5.0l v8 window motor | rockauto. The #1 seller of genuine dorman parts on. Rockauto ships auto parts and body parts from over 300. Power Window Motor 1995 G20 Van.
From www.walmart.com
Power Window Motor Power Window Motor 1995 G20 Van Rockauto ships auto parts and body parts from over 300 manufacturers to. 1995 chevrolet g20 5.0l v8 window motor | rockauto. Get the best deals on an aftermarket 1995 chevrolet g20 window motor. Choose top quality brands a1 cardone, ac delco, aci, autopart premium,. Buy a 1995 chevrolet g20 window motor at discount prices. The #1 seller of genuine dorman. Power Window Motor 1995 G20 Van.
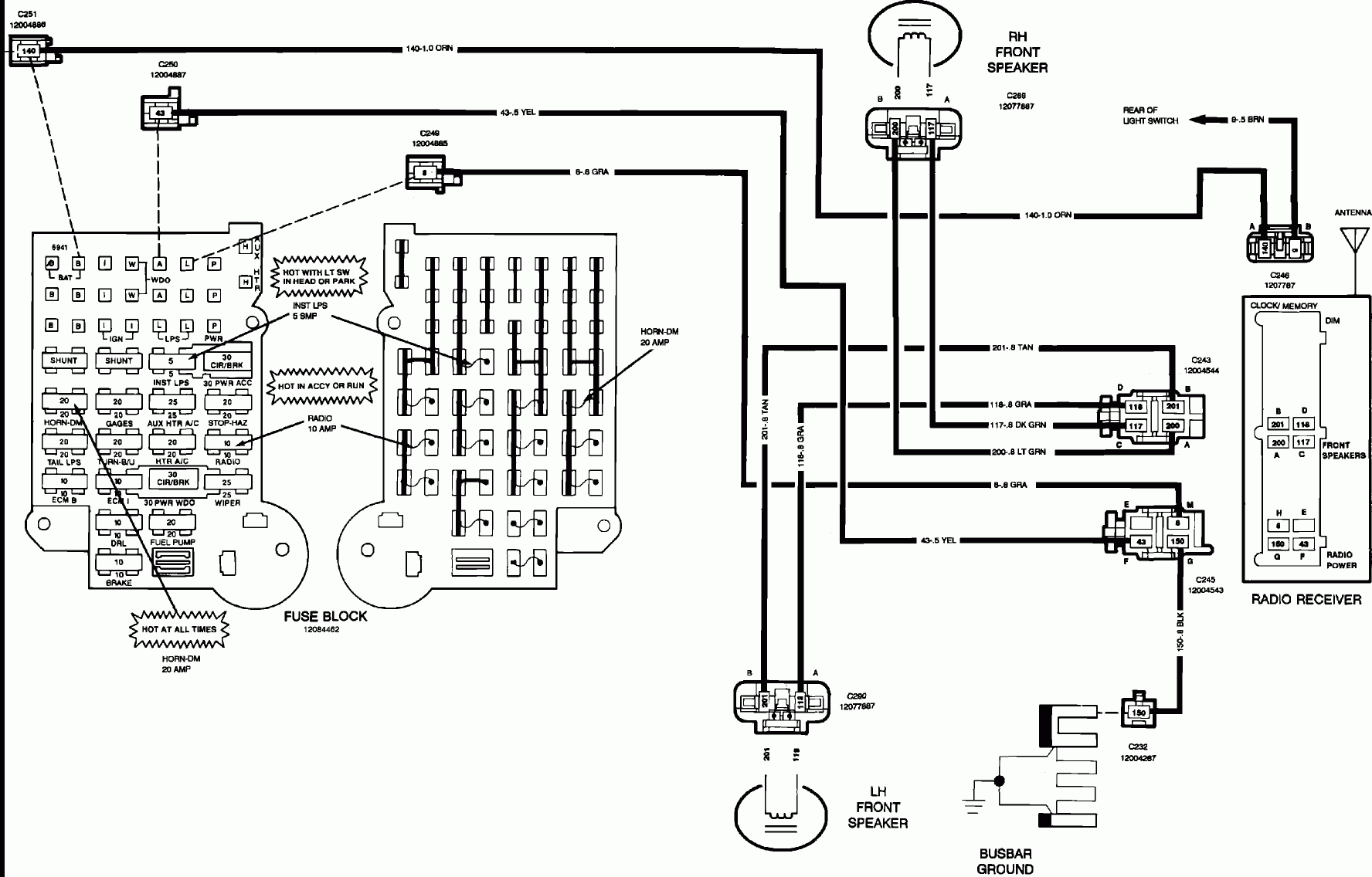
From portal-diagnostov.com
POWER DISTRIBUTION Chevrolet Chevy Van G20 1995 SYSTEM WIRING Power Window Motor 1995 G20 Van The #1 seller of genuine dorman parts on. Rockauto ships auto parts and body parts from over 300 manufacturers to customers' doors worldwide, all at warehouse prices. Choose top quality brands a1 cardone, ac delco, aci, autopart premium,. Buy a 1995 chevrolet g20 window motor at discount prices. Get the best deals on an aftermarket 1995 chevrolet g20 window motor.. Power Window Motor 1995 G20 Van.
From www.walmart.com
Power Window Motor Power Window Motor 1995 G20 Van Get the best deals on an aftermarket 1995 chevrolet g20 window motor. The #1 seller of genuine dorman parts on. Rockauto ships auto parts and body parts from over 300 manufacturers to customers' doors worldwide, all at warehouse prices. Choose top quality brands a1 cardone, ac delco, aci, autopart premium,. Rockauto ships auto parts and body parts from over 300. Power Window Motor 1995 G20 Van.
From www.benl.ebay.be
Power Window Motor and Regulator AssemblySRT8, Sport Utility Front Power Window Motor 1995 G20 Van 1995 chevrolet g20 5.0l v8 window motor | rockauto. Rockauto ships auto parts and body parts from over 300 manufacturers to customers' doors worldwide, all at warehouse prices. Choose top quality brands a1 cardone, ac delco, aci, autopart premium,. Buy a 1995 chevrolet g20 window motor at discount prices. Rockauto ships auto parts and body parts from over 300 manufacturers. Power Window Motor 1995 G20 Van.
From www.vividracing.com
Dorman OE Solutions Power Window Lift Motor 742620 Power Window Motor 1995 G20 Van 1995 chevrolet g20 5.0l v8 window motor | rockauto. Rockauto ships auto parts and body parts from over 300 manufacturers to customers' doors worldwide, all at warehouse prices. Choose top quality brands a1 cardone, ac delco, aci, autopart premium,. Get the best deals on an aftermarket 1995 chevrolet g20 window motor. Rockauto ships auto parts and body parts from over. Power Window Motor 1995 G20 Van.
From www.walmart.com
Power Window Motor Power Window Motor 1995 G20 Van Get the best deals on an aftermarket 1995 chevrolet g20 window motor. Buy a 1995 chevrolet g20 window motor at discount prices. 1995 chevrolet g20 5.0l v8 window motor | rockauto. The #1 seller of genuine dorman parts on. Choose top quality brands a1 cardone, ac delco, aci, autopart premium,. Rockauto ships auto parts and body parts from over 300. Power Window Motor 1995 G20 Van.
From shopee.co.id
Jual Motor Power Window Universal K3 Kanan Shopee Indonesia Power Window Motor 1995 G20 Van The #1 seller of genuine dorman parts on. Choose top quality brands a1 cardone, ac delco, aci, autopart premium,. Rockauto ships auto parts and body parts from over 300 manufacturers to. Buy a 1995 chevrolet g20 window motor at discount prices. Get the best deals on an aftermarket 1995 chevrolet g20 window motor. Rockauto ships auto parts and body parts. Power Window Motor 1995 G20 Van.
From einvoice.fpt.com.vn
No Reserve 21kMile 1995 Chevrolet G20 Conversion Van For, 54 OFF Power Window Motor 1995 G20 Van The #1 seller of genuine dorman parts on. Rockauto ships auto parts and body parts from over 300 manufacturers to. Rockauto ships auto parts and body parts from over 300 manufacturers to customers' doors worldwide, all at warehouse prices. Choose top quality brands a1 cardone, ac delco, aci, autopart premium,. Get the best deals on an aftermarket 1995 chevrolet g20. Power Window Motor 1995 G20 Van.
From www.purplewave.com
1995 Chevrolet G20 van in Hays, KS Item AX9534 sold Purple Wave Power Window Motor 1995 G20 Van Rockauto ships auto parts and body parts from over 300 manufacturers to. Rockauto ships auto parts and body parts from over 300 manufacturers to customers' doors worldwide, all at warehouse prices. 1995 chevrolet g20 5.0l v8 window motor | rockauto. The #1 seller of genuine dorman parts on. Buy a 1995 chevrolet g20 window motor at discount prices. Choose top. Power Window Motor 1995 G20 Van.
From www.carid.com
Dorman® 742445 OE Solutions™ Front Passenger Side Power Window Motor Power Window Motor 1995 G20 Van Get the best deals on an aftermarket 1995 chevrolet g20 window motor. Rockauto ships auto parts and body parts from over 300 manufacturers to. Choose top quality brands a1 cardone, ac delco, aci, autopart premium,. The #1 seller of genuine dorman parts on. Buy a 1995 chevrolet g20 window motor at discount prices. Rockauto ships auto parts and body parts. Power Window Motor 1995 G20 Van.
From www.autohausaz.com
Dorman 742185 Power Window Motor Ford 383387 423002 423026 823002 Power Window Motor 1995 G20 Van The #1 seller of genuine dorman parts on. Rockauto ships auto parts and body parts from over 300 manufacturers to customers' doors worldwide, all at warehouse prices. Choose top quality brands a1 cardone, ac delco, aci, autopart premium,. Buy a 1995 chevrolet g20 window motor at discount prices. Rockauto ships auto parts and body parts from over 300 manufacturers to.. Power Window Motor 1995 G20 Van.
From einvoice.fpt.com.vn
No Reserve 21kMile 1995 Chevrolet G20 Conversion Van For, 54 OFF Power Window Motor 1995 G20 Van Buy a 1995 chevrolet g20 window motor at discount prices. Choose top quality brands a1 cardone, ac delco, aci, autopart premium,. The #1 seller of genuine dorman parts on. Get the best deals on an aftermarket 1995 chevrolet g20 window motor. Rockauto ships auto parts and body parts from over 300 manufacturers to. Rockauto ships auto parts and body parts. Power Window Motor 1995 G20 Van.
From www.purplewave.com
1995 Chevrolet Sport Van G20 van in Hutchinson, KS Item DB3443 sold Power Window Motor 1995 G20 Van Get the best deals on an aftermarket 1995 chevrolet g20 window motor. The #1 seller of genuine dorman parts on. Rockauto ships auto parts and body parts from over 300 manufacturers to customers' doors worldwide, all at warehouse prices. Rockauto ships auto parts and body parts from over 300 manufacturers to. 1995 chevrolet g20 5.0l v8 window motor | rockauto.. Power Window Motor 1995 G20 Van.
From www.autohausaz.com
Dorman 742491 Power Window Motor; Front Left Nissan 388262 471382 Power Window Motor 1995 G20 Van 1995 chevrolet g20 5.0l v8 window motor | rockauto. Get the best deals on an aftermarket 1995 chevrolet g20 window motor. Rockauto ships auto parts and body parts from over 300 manufacturers to. Rockauto ships auto parts and body parts from over 300 manufacturers to customers' doors worldwide, all at warehouse prices. Buy a 1995 chevrolet g20 window motor at. Power Window Motor 1995 G20 Van.
From www.motorious.com
Road Trip Back In Time With This 1995 Chevrolet G20 Van Power Window Motor 1995 G20 Van Get the best deals on an aftermarket 1995 chevrolet g20 window motor. Buy a 1995 chevrolet g20 window motor at discount prices. Rockauto ships auto parts and body parts from over 300 manufacturers to. 1995 chevrolet g20 5.0l v8 window motor | rockauto. Rockauto ships auto parts and body parts from over 300 manufacturers to customers' doors worldwide, all at. Power Window Motor 1995 G20 Van.
From www.youtube.com
How To Replace A Power Window Lift Motor (Chevy G20 Van) YouTube Power Window Motor 1995 G20 Van Get the best deals on an aftermarket 1995 chevrolet g20 window motor. Rockauto ships auto parts and body parts from over 300 manufacturers to customers' doors worldwide, all at warehouse prices. Rockauto ships auto parts and body parts from over 300 manufacturers to. Buy a 1995 chevrolet g20 window motor at discount prices. The #1 seller of genuine dorman parts. Power Window Motor 1995 G20 Van.
From www.mecum.com
1995 Chevrolet G20 Conversion Van W160 Harrisburg 2022 Power Window Motor 1995 G20 Van Rockauto ships auto parts and body parts from over 300 manufacturers to. Rockauto ships auto parts and body parts from over 300 manufacturers to customers' doors worldwide, all at warehouse prices. The #1 seller of genuine dorman parts on. Choose top quality brands a1 cardone, ac delco, aci, autopart premium,. Buy a 1995 chevrolet g20 window motor at discount prices.. Power Window Motor 1995 G20 Van.
From www.youtube.com
FensterheberMotor Chevy Van G20 window motor testing YouTube Power Window Motor 1995 G20 Van Rockauto ships auto parts and body parts from over 300 manufacturers to. Choose top quality brands a1 cardone, ac delco, aci, autopart premium,. 1995 chevrolet g20 5.0l v8 window motor | rockauto. The #1 seller of genuine dorman parts on. Get the best deals on an aftermarket 1995 chevrolet g20 window motor. Rockauto ships auto parts and body parts from. Power Window Motor 1995 G20 Van.
From www.cytron.io
Power Window Motor (Wira) Left Power Window Motor 1995 G20 Van 1995 chevrolet g20 5.0l v8 window motor | rockauto. Rockauto ships auto parts and body parts from over 300 manufacturers to customers' doors worldwide, all at warehouse prices. Get the best deals on an aftermarket 1995 chevrolet g20 window motor. Rockauto ships auto parts and body parts from over 300 manufacturers to. Choose top quality brands a1 cardone, ac delco,. Power Window Motor 1995 G20 Van.
From www.motorious.com
Road Trip Back In Time With This 1995 Chevrolet G20 Van Power Window Motor 1995 G20 Van Get the best deals on an aftermarket 1995 chevrolet g20 window motor. Choose top quality brands a1 cardone, ac delco, aci, autopart premium,. The #1 seller of genuine dorman parts on. Buy a 1995 chevrolet g20 window motor at discount prices. Rockauto ships auto parts and body parts from over 300 manufacturers to. 1995 chevrolet g20 5.0l v8 window motor. Power Window Motor 1995 G20 Van.
From classiccarsbay.com
1995 Chevrolet G20 for sale in Mill Hall, PA / Power Window Motor 1995 G20 Van The #1 seller of genuine dorman parts on. Rockauto ships auto parts and body parts from over 300 manufacturers to customers' doors worldwide, all at warehouse prices. Get the best deals on an aftermarket 1995 chevrolet g20 window motor. Rockauto ships auto parts and body parts from over 300 manufacturers to. Buy a 1995 chevrolet g20 window motor at discount. Power Window Motor 1995 G20 Van.
From www.firing-order.net
1995 Chevy G20 5.7 Firing Order 2023 Power Window Motor 1995 G20 Van Buy a 1995 chevrolet g20 window motor at discount prices. Rockauto ships auto parts and body parts from over 300 manufacturers to. Choose top quality brands a1 cardone, ac delco, aci, autopart premium,. 1995 chevrolet g20 5.0l v8 window motor | rockauto. Get the best deals on an aftermarket 1995 chevrolet g20 window motor. The #1 seller of genuine dorman. Power Window Motor 1995 G20 Van.
From zedic.com
1995 Chevy Van G20 A/C Heat Blower Fan Repair Power Window Motor 1995 G20 Van The #1 seller of genuine dorman parts on. Choose top quality brands a1 cardone, ac delco, aci, autopart premium,. Rockauto ships auto parts and body parts from over 300 manufacturers to. Get the best deals on an aftermarket 1995 chevrolet g20 window motor. 1995 chevrolet g20 5.0l v8 window motor | rockauto. Buy a 1995 chevrolet g20 window motor at. Power Window Motor 1995 G20 Van.
From www.walmart.com
Power Window Motor Power Window Motor 1995 G20 Van 1995 chevrolet g20 5.0l v8 window motor | rockauto. Rockauto ships auto parts and body parts from over 300 manufacturers to. Choose top quality brands a1 cardone, ac delco, aci, autopart premium,. The #1 seller of genuine dorman parts on. Buy a 1995 chevrolet g20 window motor at discount prices. Get the best deals on an aftermarket 1995 chevrolet g20. Power Window Motor 1995 G20 Van.
From statementsltd.com
Compare Price 1995 chevy g20 van parts on Power Window Motor 1995 G20 Van 1995 chevrolet g20 5.0l v8 window motor | rockauto. The #1 seller of genuine dorman parts on. Rockauto ships auto parts and body parts from over 300 manufacturers to customers' doors worldwide, all at warehouse prices. Buy a 1995 chevrolet g20 window motor at discount prices. Choose top quality brands a1 cardone, ac delco, aci, autopart premium,. Rockauto ships auto. Power Window Motor 1995 G20 Van.
From www.mecum.com
1995 Chevrolet G20 Conversion Van W160 Harrisburg 2022 Power Window Motor 1995 G20 Van Buy a 1995 chevrolet g20 window motor at discount prices. Rockauto ships auto parts and body parts from over 300 manufacturers to customers' doors worldwide, all at warehouse prices. The #1 seller of genuine dorman parts on. 1995 chevrolet g20 5.0l v8 window motor | rockauto. Choose top quality brands a1 cardone, ac delco, aci, autopart premium,. Rockauto ships auto. Power Window Motor 1995 G20 Van.
From www.grautogallery.com
1995 Chevrolet G20 GR Auto Gallery Power Window Motor 1995 G20 Van Rockauto ships auto parts and body parts from over 300 manufacturers to customers' doors worldwide, all at warehouse prices. Choose top quality brands a1 cardone, ac delco, aci, autopart premium,. Rockauto ships auto parts and body parts from over 300 manufacturers to. Buy a 1995 chevrolet g20 window motor at discount prices. Get the best deals on an aftermarket 1995. Power Window Motor 1995 G20 Van.
From www.carid.com
DIY Solutions® Power Window Motor Power Window Motor 1995 G20 Van Choose top quality brands a1 cardone, ac delco, aci, autopart premium,. Rockauto ships auto parts and body parts from over 300 manufacturers to customers' doors worldwide, all at warehouse prices. Buy a 1995 chevrolet g20 window motor at discount prices. The #1 seller of genuine dorman parts on. 1995 chevrolet g20 5.0l v8 window motor | rockauto. Get the best. Power Window Motor 1995 G20 Van.