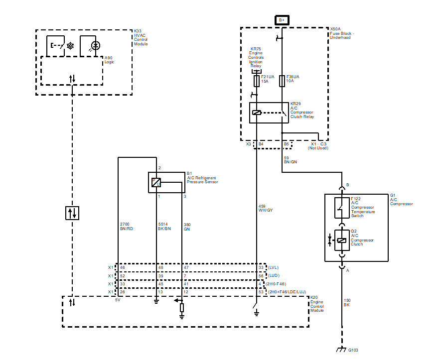
W164 Ac Compressor Not Engaging . mercedes w164 ac compressor no power troubleshooting part1 Auto hvac still works meaning i can get the fan going and it still. here's the troubleshooting i've done (sorry for the long post). When the a/c system does not blow cold air the first thing that you show check is if the compressor. why your air conditioner clutch doesn’t engage? in our gl's case, it was siezing up, and fortunately the controller notices too much load on the engine and cuts off. the compressor is not engaging in any mode. 1) noticed the compressor was not engaging. once you have established that the system has pressure, you can try jumping pin 5 + 7 on the klima relay, start.
from www.insightcentral.net
here's the troubleshooting i've done (sorry for the long post). mercedes w164 ac compressor no power troubleshooting part1 in our gl's case, it was siezing up, and fortunately the controller notices too much load on the engine and cuts off. Auto hvac still works meaning i can get the fan going and it still. When the a/c system does not blow cold air the first thing that you show check is if the compressor. why your air conditioner clutch doesn’t engage? 1) noticed the compressor was not engaging. the compressor is not engaging in any mode. once you have established that the system has pressure, you can try jumping pin 5 + 7 on the klima relay, start.
ac compressor not engaging Honda Insight Forum
W164 Ac Compressor Not Engaging When the a/c system does not blow cold air the first thing that you show check is if the compressor. 1) noticed the compressor was not engaging. here's the troubleshooting i've done (sorry for the long post). Auto hvac still works meaning i can get the fan going and it still. mercedes w164 ac compressor no power troubleshooting part1 why your air conditioner clutch doesn’t engage? the compressor is not engaging in any mode. in our gl's case, it was siezing up, and fortunately the controller notices too much load on the engine and cuts off. once you have established that the system has pressure, you can try jumping pin 5 + 7 on the klima relay, start. When the a/c system does not blow cold air the first thing that you show check is if the compressor.
From www.2carpros.com
A/C Compressor Not Engaging? It Worked Fine on the First Leg of W164 Ac Compressor Not Engaging in our gl's case, it was siezing up, and fortunately the controller notices too much load on the engine and cuts off. Auto hvac still works meaning i can get the fan going and it still. 1) noticed the compressor was not engaging. When the a/c system does not blow cold air the first thing that you show check. W164 Ac Compressor Not Engaging.
From www.aliexpress.com
Ac Air Conditioning Compressor Denso 7seu17c For Mercedesbenz Mclass W164 Ml280 Ml320 Ml420 W164 Ac Compressor Not Engaging here's the troubleshooting i've done (sorry for the long post). the compressor is not engaging in any mode. Auto hvac still works meaning i can get the fan going and it still. 1) noticed the compressor was not engaging. When the a/c system does not blow cold air the first thing that you show check is if the. W164 Ac Compressor Not Engaging.
From www.2carpros.com
A/C Compressor Not Engaging? B3933 Code W164 Ac Compressor Not Engaging Auto hvac still works meaning i can get the fan going and it still. here's the troubleshooting i've done (sorry for the long post). in our gl's case, it was siezing up, and fortunately the controller notices too much load on the engine and cuts off. why your air conditioner clutch doesn’t engage? 1) noticed the compressor. W164 Ac Compressor Not Engaging.
From www.audiworld.com
AC compressor not engaging AudiWorld Forums W164 Ac Compressor Not Engaging 1) noticed the compressor was not engaging. mercedes w164 ac compressor no power troubleshooting part1 here's the troubleshooting i've done (sorry for the long post). Auto hvac still works meaning i can get the fan going and it still. When the a/c system does not blow cold air the first thing that you show check is if the. W164 Ac Compressor Not Engaging.
From www.2carpros.com
A/C Compressor Not Engaging? B3933 Code W164 Ac Compressor Not Engaging 1) noticed the compressor was not engaging. here's the troubleshooting i've done (sorry for the long post). why your air conditioner clutch doesn’t engage? Auto hvac still works meaning i can get the fan going and it still. once you have established that the system has pressure, you can try jumping pin 5 + 7 on the. W164 Ac Compressor Not Engaging.
From drivinglife.net
What Should I Do If AC Compressor Clutch Is Not Engaging? W164 Ac Compressor Not Engaging why your air conditioner clutch doesn’t engage? the compressor is not engaging in any mode. Auto hvac still works meaning i can get the fan going and it still. in our gl's case, it was siezing up, and fortunately the controller notices too much load on the engine and cuts off. mercedes w164 ac compressor no. W164 Ac Compressor Not Engaging.
From zimairconditioning.com
AC Compressor Not Engaging 4 Simple Solutions W164 Ac Compressor Not Engaging why your air conditioner clutch doesn’t engage? here's the troubleshooting i've done (sorry for the long post). the compressor is not engaging in any mode. once you have established that the system has pressure, you can try jumping pin 5 + 7 on the klima relay, start. Auto hvac still works meaning i can get the. W164 Ac Compressor Not Engaging.
From www.corvetteforum.com
Another AC compressor clutch not engaging CorvetteForum Chevrolet Corvette Forum Discussion W164 Ac Compressor Not Engaging here's the troubleshooting i've done (sorry for the long post). When the a/c system does not blow cold air the first thing that you show check is if the compressor. why your air conditioner clutch doesn’t engage? the compressor is not engaging in any mode. in our gl's case, it was siezing up, and fortunately the. W164 Ac Compressor Not Engaging.
From www.2carpros.com
A/C Compressor Not Engaging? B3933 Code W164 Ac Compressor Not Engaging When the a/c system does not blow cold air the first thing that you show check is if the compressor. mercedes w164 ac compressor no power troubleshooting part1 here's the troubleshooting i've done (sorry for the long post). 1) noticed the compressor was not engaging. in our gl's case, it was siezing up, and fortunately the controller. W164 Ac Compressor Not Engaging.
From www.youtube.com
AC Compressor Not Engaging Diagnose And Fix YouTube W164 Ac Compressor Not Engaging the compressor is not engaging in any mode. why your air conditioner clutch doesn’t engage? Auto hvac still works meaning i can get the fan going and it still. mercedes w164 ac compressor no power troubleshooting part1 here's the troubleshooting i've done (sorry for the long post). once you have established that the system has. W164 Ac Compressor Not Engaging.
From www.coolcarairconditioning.com.au
Genuine A/C Compressor Mercedes ML280 W164 3.0L Diesel OM642 20062009 Cool Car Air Conditioning W164 Ac Compressor Not Engaging why your air conditioner clutch doesn’t engage? Auto hvac still works meaning i can get the fan going and it still. once you have established that the system has pressure, you can try jumping pin 5 + 7 on the klima relay, start. here's the troubleshooting i've done (sorry for the long post). mercedes w164 ac. W164 Ac Compressor Not Engaging.
From philkotse.com
Simple guide on what to do when AC compressor clutch isn’t engaging W164 Ac Compressor Not Engaging 1) noticed the compressor was not engaging. here's the troubleshooting i've done (sorry for the long post). once you have established that the system has pressure, you can try jumping pin 5 + 7 on the klima relay, start. why your air conditioner clutch doesn’t engage? in our gl's case, it was siezing up, and fortunately. W164 Ac Compressor Not Engaging.
From repairmachinecrewciw6.z13.web.core.windows.net
How To Know If The Ac Compressor Is Bad W164 Ac Compressor Not Engaging 1) noticed the compressor was not engaging. the compressor is not engaging in any mode. mercedes w164 ac compressor no power troubleshooting part1 here's the troubleshooting i've done (sorry for the long post). Auto hvac still works meaning i can get the fan going and it still. in our gl's case, it was siezing up, and. W164 Ac Compressor Not Engaging.
From www.2carpros.com
A/C Compressor Not Engaging? B3933 Code W164 Ac Compressor Not Engaging When the a/c system does not blow cold air the first thing that you show check is if the compressor. once you have established that the system has pressure, you can try jumping pin 5 + 7 on the klima relay, start. mercedes w164 ac compressor no power troubleshooting part1 1) noticed the compressor was not engaging. . W164 Ac Compressor Not Engaging.
From www.2carpros.com
A/C Compressor Not Engaging? B3933 Code W164 Ac Compressor Not Engaging why your air conditioner clutch doesn’t engage? in our gl's case, it was siezing up, and fortunately the controller notices too much load on the engine and cuts off. Auto hvac still works meaning i can get the fan going and it still. 1) noticed the compressor was not engaging. When the a/c system does not blow cold. W164 Ac Compressor Not Engaging.
From www.benzworld.org
AC Compressor not engaging troubleshooting MercedesBenz Forum W164 Ac Compressor Not Engaging the compressor is not engaging in any mode. once you have established that the system has pressure, you can try jumping pin 5 + 7 on the klima relay, start. in our gl's case, it was siezing up, and fortunately the controller notices too much load on the engine and cuts off. why your air conditioner. W164 Ac Compressor Not Engaging.
From www.insightcentral.net
ac compressor not engaging Honda Insight Forum W164 Ac Compressor Not Engaging in our gl's case, it was siezing up, and fortunately the controller notices too much load on the engine and cuts off. 1) noticed the compressor was not engaging. When the a/c system does not blow cold air the first thing that you show check is if the compressor. the compressor is not engaging in any mode. . W164 Ac Compressor Not Engaging.
From repairmachinepalmistor.z22.web.core.windows.net
Why Car Ac Compressor Not Engaging W164 Ac Compressor Not Engaging why your air conditioner clutch doesn’t engage? once you have established that the system has pressure, you can try jumping pin 5 + 7 on the klima relay, start. When the a/c system does not blow cold air the first thing that you show check is if the compressor. Auto hvac still works meaning i can get the. W164 Ac Compressor Not Engaging.
From www.justanswer.com
Ac compressor not engaging W164 Ac Compressor Not Engaging why your air conditioner clutch doesn’t engage? Auto hvac still works meaning i can get the fan going and it still. in our gl's case, it was siezing up, and fortunately the controller notices too much load on the engine and cuts off. When the a/c system does not blow cold air the first thing that you show. W164 Ac Compressor Not Engaging.
From www.cumminsforum.com
2011 AC compressor not engaging Cummins Diesel Forum W164 Ac Compressor Not Engaging Auto hvac still works meaning i can get the fan going and it still. mercedes w164 ac compressor no power troubleshooting part1 When the a/c system does not blow cold air the first thing that you show check is if the compressor. once you have established that the system has pressure, you can try jumping pin 5 +. W164 Ac Compressor Not Engaging.
From www.amazon.com
A/C Compressor for MercedesBenz W164 X164 W251 DCP17062 GL320 GL420 ML320 ML350 W164 Ac Compressor Not Engaging the compressor is not engaging in any mode. mercedes w164 ac compressor no power troubleshooting part1 in our gl's case, it was siezing up, and fortunately the controller notices too much load on the engine and cuts off. 1) noticed the compressor was not engaging. When the a/c system does not blow cold air the first thing. W164 Ac Compressor Not Engaging.
From www.gmtruckclub.com
AC Compressor not engaging GM Truck Club Forum W164 Ac Compressor Not Engaging in our gl's case, it was siezing up, and fortunately the controller notices too much load on the engine and cuts off. mercedes w164 ac compressor no power troubleshooting part1 why your air conditioner clutch doesn’t engage? Auto hvac still works meaning i can get the fan going and it still. here's the troubleshooting i've done. W164 Ac Compressor Not Engaging.
From ricksfreeautorepairadvice.com
AC compressor clutch not engaging How to troubleshoot — Ricks Free Auto Repair Advice Ricks W164 Ac Compressor Not Engaging here's the troubleshooting i've done (sorry for the long post). why your air conditioner clutch doesn’t engage? once you have established that the system has pressure, you can try jumping pin 5 + 7 on the klima relay, start. the compressor is not engaging in any mode. 1) noticed the compressor was not engaging. in. W164 Ac Compressor Not Engaging.
From caremycars.com
What to do When AC Compressor Clutch Is Not Engaging Care My Cars W164 Ac Compressor Not Engaging Auto hvac still works meaning i can get the fan going and it still. here's the troubleshooting i've done (sorry for the long post). why your air conditioner clutch doesn’t engage? in our gl's case, it was siezing up, and fortunately the controller notices too much load on the engine and cuts off. the compressor is. W164 Ac Compressor Not Engaging.
From mechanicbase.com
Why Is My AC Compressor Clutch Not Engaging? W164 Ac Compressor Not Engaging When the a/c system does not blow cold air the first thing that you show check is if the compressor. mercedes w164 ac compressor no power troubleshooting part1 in our gl's case, it was siezing up, and fortunately the controller notices too much load on the engine and cuts off. 1) noticed the compressor was not engaging. . W164 Ac Compressor Not Engaging.
From www.2carpros.com
A/C Compressor Not Engaging? B3933 Code W164 Ac Compressor Not Engaging Auto hvac still works meaning i can get the fan going and it still. 1) noticed the compressor was not engaging. mercedes w164 ac compressor no power troubleshooting part1 here's the troubleshooting i've done (sorry for the long post). the compressor is not engaging in any mode. why your air conditioner clutch doesn’t engage? When the. W164 Ac Compressor Not Engaging.
From www.peachparts.com
A/C compressor not engaging... ideas? Page 3 PeachParts MercedesBenz Forum W164 Ac Compressor Not Engaging here's the troubleshooting i've done (sorry for the long post). When the a/c system does not blow cold air the first thing that you show check is if the compressor. Auto hvac still works meaning i can get the fan going and it still. mercedes w164 ac compressor no power troubleshooting part1 in our gl's case, it. W164 Ac Compressor Not Engaging.
From philkotse.com
Simple guide on what to do when AC compressor clutch isn’t engaging W164 Ac Compressor Not Engaging Auto hvac still works meaning i can get the fan going and it still. why your air conditioner clutch doesn’t engage? once you have established that the system has pressure, you can try jumping pin 5 + 7 on the klima relay, start. 1) noticed the compressor was not engaging. here's the troubleshooting i've done (sorry for. W164 Ac Compressor Not Engaging.
From www.coolcarairconditioning.com.au
Air Conditioning A/C Compressor MercedesBenz W164 20052011 Cool Car Air Conditioning W164 Ac Compressor Not Engaging the compressor is not engaging in any mode. in our gl's case, it was siezing up, and fortunately the controller notices too much load on the engine and cuts off. here's the troubleshooting i've done (sorry for the long post). why your air conditioner clutch doesn’t engage? mercedes w164 ac compressor no power troubleshooting part1. W164 Ac Compressor Not Engaging.
From www.2carpros.com
A/C Compressor Not Engaging? B3933 Code W164 Ac Compressor Not Engaging once you have established that the system has pressure, you can try jumping pin 5 + 7 on the klima relay, start. When the a/c system does not blow cold air the first thing that you show check is if the compressor. Auto hvac still works meaning i can get the fan going and it still. the compressor. W164 Ac Compressor Not Engaging.
From www.f150forum.com
air conditioning compressor not engaging Ford F150 Forum Community of Ford Truck Fans W164 Ac Compressor Not Engaging When the a/c system does not blow cold air the first thing that you show check is if the compressor. once you have established that the system has pressure, you can try jumping pin 5 + 7 on the klima relay, start. Auto hvac still works meaning i can get the fan going and it still. the compressor. W164 Ac Compressor Not Engaging.
From caremycars.com
What to do When AC Compressor Clutch Is Not Engaging Care My Cars W164 Ac Compressor Not Engaging in our gl's case, it was siezing up, and fortunately the controller notices too much load on the engine and cuts off. When the a/c system does not blow cold air the first thing that you show check is if the compressor. mercedes w164 ac compressor no power troubleshooting part1 here's the troubleshooting i've done (sorry for. W164 Ac Compressor Not Engaging.
From www.2carpros.com
A/C Compressor Not Engaging? B3933 Code W164 Ac Compressor Not Engaging When the a/c system does not blow cold air the first thing that you show check is if the compressor. the compressor is not engaging in any mode. 1) noticed the compressor was not engaging. in our gl's case, it was siezing up, and fortunately the controller notices too much load on the engine and cuts off. . W164 Ac Compressor Not Engaging.
From mechanicenlasivas9ym.z14.web.core.windows.net
Why Car Ac Compressor Not Engaging W164 Ac Compressor Not Engaging in our gl's case, it was siezing up, and fortunately the controller notices too much load on the engine and cuts off. mercedes w164 ac compressor no power troubleshooting part1 the compressor is not engaging in any mode. here's the troubleshooting i've done (sorry for the long post). 1) noticed the compressor was not engaging. . W164 Ac Compressor Not Engaging.
From studentlesson.com
AC compressor clutch not engaging (causes & how to fix) student lesson W164 Ac Compressor Not Engaging Auto hvac still works meaning i can get the fan going and it still. mercedes w164 ac compressor no power troubleshooting part1 in our gl's case, it was siezing up, and fortunately the controller notices too much load on the engine and cuts off. 1) noticed the compressor was not engaging. the compressor is not engaging in. W164 Ac Compressor Not Engaging.