Fuel Gauge Arduino . The sensing unit usually uses a float connected to a potentiometer, typically printed ink design in a modern. Connect it to your lipoly or liion battery and. In this project, we’ll delve into the creation of a digital fuel gauge system using arduino and a flow sensor. Measure fuel level with arduino: The adafruit lc709203f lipoly / liion fuel gauge and battery monitor lets you know when it's time to charge your battery. This system enables the accurate monitoring and display of fuel flow during. Fuel gauge with oled display. This project enables the measurement of fuel levels in a tank using a resistive float sensor.
        	
		 
    
        from how2electronics.com 
     
        
        Connect it to your lipoly or liion battery and. The adafruit lc709203f lipoly / liion fuel gauge and battery monitor lets you know when it's time to charge your battery. Fuel gauge with oled display. In this project, we’ll delve into the creation of a digital fuel gauge system using arduino and a flow sensor. This project enables the measurement of fuel levels in a tank using a resistive float sensor. This system enables the accurate monitoring and display of fuel flow during. Measure fuel level with arduino: The sensing unit usually uses a float connected to a potentiometer, typically printed ink design in a modern.
    
    	
		 
    Interfacing MAX17043 LiPo Fuel Gauge IC with Arduino 
    Fuel Gauge Arduino  This project enables the measurement of fuel levels in a tank using a resistive float sensor. Connect it to your lipoly or liion battery and. Fuel gauge with oled display. In this project, we’ll delve into the creation of a digital fuel gauge system using arduino and a flow sensor. This system enables the accurate monitoring and display of fuel flow during. The sensing unit usually uses a float connected to a potentiometer, typically printed ink design in a modern. Measure fuel level with arduino: The adafruit lc709203f lipoly / liion fuel gauge and battery monitor lets you know when it's time to charge your battery. This project enables the measurement of fuel levels in a tank using a resistive float sensor.
 
    
        From zentronic.com.my 
                    FUEL GAUGE SENSOR USING ARDUINO Zentronic Studio Fuel Gauge Arduino  Fuel gauge with oled display. Measure fuel level with arduino: In this project, we’ll delve into the creation of a digital fuel gauge system using arduino and a flow sensor. The adafruit lc709203f lipoly / liion fuel gauge and battery monitor lets you know when it's time to charge your battery. Connect it to your lipoly or liion battery and.. Fuel Gauge Arduino.
     
    
        From makezine.com 
                    Arduino LED Fuel Gauge Make Fuel Gauge Arduino  Measure fuel level with arduino: Connect it to your lipoly or liion battery and. The adafruit lc709203f lipoly / liion fuel gauge and battery monitor lets you know when it's time to charge your battery. This system enables the accurate monitoring and display of fuel flow during. This project enables the measurement of fuel levels in a tank using a. Fuel Gauge Arduino.
     
    
        From www.youtube.com 
                    Arduino e36 dual fuel gauge YouTube Fuel Gauge Arduino  Measure fuel level with arduino: In this project, we’ll delve into the creation of a digital fuel gauge system using arduino and a flow sensor. This system enables the accurate monitoring and display of fuel flow during. The adafruit lc709203f lipoly / liion fuel gauge and battery monitor lets you know when it's time to charge your battery. This project. Fuel Gauge Arduino.
     
    
        From learn.sparkfun.com 
                    LiPo Fuel Gauge (MAX1704X) Hookup Guide SparkFun Learn Fuel Gauge Arduino  Fuel gauge with oled display. Measure fuel level with arduino: The adafruit lc709203f lipoly / liion fuel gauge and battery monitor lets you know when it's time to charge your battery. Connect it to your lipoly or liion battery and. In this project, we’ll delve into the creation of a digital fuel gauge system using arduino and a flow sensor.. Fuel Gauge Arduino.
     
    
        From how2electronics.com 
                    Interfacing MAX17043 LiPo Fuel Gauge IC with Arduino Fuel Gauge Arduino  The adafruit lc709203f lipoly / liion fuel gauge and battery monitor lets you know when it's time to charge your battery. The sensing unit usually uses a float connected to a potentiometer, typically printed ink design in a modern. Measure fuel level with arduino: This system enables the accurate monitoring and display of fuel flow during. This project enables the. Fuel Gauge Arduino.
     
    
        From www.avdweb.nl 
                    MAX17263 fuel gauge Fuel Gauge Arduino  In this project, we’ll delve into the creation of a digital fuel gauge system using arduino and a flow sensor. This project enables the measurement of fuel levels in a tank using a resistive float sensor. This system enables the accurate monitoring and display of fuel flow during. The adafruit lc709203f lipoly / liion fuel gauge and battery monitor lets. Fuel Gauge Arduino.
     
    
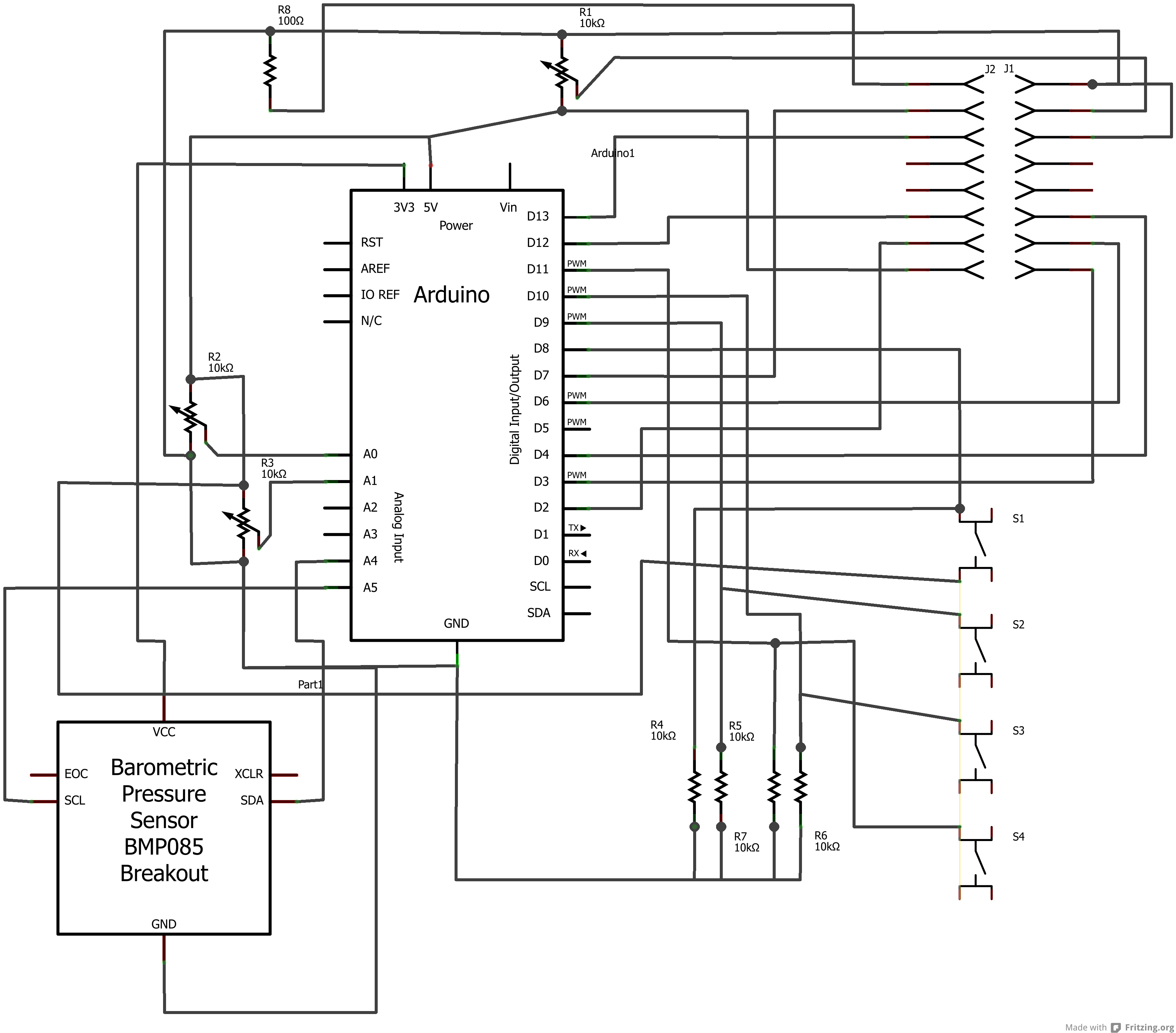
        From forum.arduino.cc 
                    reading car's fuel gauge signal with arduino uno Sensors Arduino Forum Fuel Gauge Arduino  In this project, we’ll delve into the creation of a digital fuel gauge system using arduino and a flow sensor. The sensing unit usually uses a float connected to a potentiometer, typically printed ink design in a modern. Fuel gauge with oled display. This system enables the accurate monitoring and display of fuel flow during. Connect it to your lipoly. Fuel Gauge Arduino.
     
    
        From www.youtube.com 
                    Arduino Driven Fuel Gauge YouTube Fuel Gauge Arduino  In this project, we’ll delve into the creation of a digital fuel gauge system using arduino and a flow sensor. The sensing unit usually uses a float connected to a potentiometer, typically printed ink design in a modern. This system enables the accurate monitoring and display of fuel flow during. Connect it to your lipoly or liion battery and. This. Fuel Gauge Arduino.
     
    
        From www.youtube.com 
                    Arduino ESP32 Fuel Gauge with ST7789 Display YouTube Fuel Gauge Arduino  The sensing unit usually uses a float connected to a potentiometer, typically printed ink design in a modern. Fuel gauge with oled display. This project enables the measurement of fuel levels in a tank using a resistive float sensor. The adafruit lc709203f lipoly / liion fuel gauge and battery monitor lets you know when it's time to charge your battery.. Fuel Gauge Arduino.
     
    
        From www.tindie.com 
                    Battery Fuel gauge meter Coulomb Counter arduino from Power_Modules on Fuel Gauge Arduino  Fuel gauge with oled display. In this project, we’ll delve into the creation of a digital fuel gauge system using arduino and a flow sensor. This system enables the accurate monitoring and display of fuel flow during. This project enables the measurement of fuel levels in a tank using a resistive float sensor. Connect it to your lipoly or liion. Fuel Gauge Arduino.
     
    
        From zentronic.com.my 
                    FUEL GAUGE SENSOR USING ARDUINO Zentronic Studio Fuel Gauge Arduino  In this project, we’ll delve into the creation of a digital fuel gauge system using arduino and a flow sensor. Measure fuel level with arduino: This project enables the measurement of fuel levels in a tank using a resistive float sensor. Connect it to your lipoly or liion battery and. This system enables the accurate monitoring and display of fuel. Fuel Gauge Arduino.
     
    
        From www.youtube.com 
                    AM Fuel Gauge Arduino Driven YouTube Fuel Gauge Arduino  This system enables the accurate monitoring and display of fuel flow during. The sensing unit usually uses a float connected to a potentiometer, typically printed ink design in a modern. In this project, we’ll delve into the creation of a digital fuel gauge system using arduino and a flow sensor. This project enables the measurement of fuel levels in a. Fuel Gauge Arduino.
     
    
        From www.youtube.com 
                    Arduino Fuel Level Sensor YouTube Fuel Gauge Arduino  In this project, we’ll delve into the creation of a digital fuel gauge system using arduino and a flow sensor. The sensing unit usually uses a float connected to a potentiometer, typically printed ink design in a modern. Connect it to your lipoly or liion battery and. This system enables the accurate monitoring and display of fuel flow during. Measure. Fuel Gauge Arduino.
     
    
        From www.youtube.com 
                    Boost and air fuel ratio gauge LCD Arduino YouTube Fuel Gauge Arduino  The adafruit lc709203f lipoly / liion fuel gauge and battery monitor lets you know when it's time to charge your battery. Fuel gauge with oled display. This system enables the accurate monitoring and display of fuel flow during. Connect it to your lipoly or liion battery and. Measure fuel level with arduino: This project enables the measurement of fuel levels. Fuel Gauge Arduino.
     
    
        From github.com 
                    GitHub sparkfun/SparkFun_MAX1704x_Fuel_Gauge_Arduino_Library An Fuel Gauge Arduino  This system enables the accurate monitoring and display of fuel flow during. Fuel gauge with oled display. Measure fuel level with arduino: This project enables the measurement of fuel levels in a tank using a resistive float sensor. In this project, we’ll delve into the creation of a digital fuel gauge system using arduino and a flow sensor. The sensing. Fuel Gauge Arduino.
     
    
        From www.youtube.com 
                    WIKISPEED Demo 2014 March 6th part 1 of 4 Arduino Fuel Gauge YouTube Fuel Gauge Arduino  This system enables the accurate monitoring and display of fuel flow during. This project enables the measurement of fuel levels in a tank using a resistive float sensor. In this project, we’ll delve into the creation of a digital fuel gauge system using arduino and a flow sensor. The sensing unit usually uses a float connected to a potentiometer, typically. Fuel Gauge Arduino.
     
    
        From www.youtube.com 
                    Arduino fuel gauge for a piaggio YouTube Fuel Gauge Arduino  This project enables the measurement of fuel levels in a tank using a resistive float sensor. In this project, we’ll delve into the creation of a digital fuel gauge system using arduino and a flow sensor. Measure fuel level with arduino: The adafruit lc709203f lipoly / liion fuel gauge and battery monitor lets you know when it's time to charge. Fuel Gauge Arduino.
     
    
        From savjee.be 
                    MAX17043 Battery Monitoring Done Right (Arduino & ESP32) Savjee.be Fuel Gauge Arduino  Connect it to your lipoly or liion battery and. This project enables the measurement of fuel levels in a tank using a resistive float sensor. Measure fuel level with arduino: Fuel gauge with oled display. The sensing unit usually uses a float connected to a potentiometer, typically printed ink design in a modern. This system enables the accurate monitoring and. Fuel Gauge Arduino.
     
    
        From www.pinterest.com 
                    Arduino LED Fuel Gauge Make Arduino led, Arduino, Gauges Fuel Gauge Arduino  This project enables the measurement of fuel levels in a tank using a resistive float sensor. Measure fuel level with arduino: The adafruit lc709203f lipoly / liion fuel gauge and battery monitor lets you know when it's time to charge your battery. Connect it to your lipoly or liion battery and. This system enables the accurate monitoring and display of. Fuel Gauge Arduino.
     
    
        From www.youtube.com 
                    Arduino Driven Fuel Gauge YouTube Fuel Gauge Arduino  This project enables the measurement of fuel levels in a tank using a resistive float sensor. The sensing unit usually uses a float connected to a potentiometer, typically printed ink design in a modern. In this project, we’ll delve into the creation of a digital fuel gauge system using arduino and a flow sensor. Connect it to your lipoly or. Fuel Gauge Arduino.
     
    
        From how2electronics.com 
                    Interfacing MAX17043 LiPo Fuel Gauge IC with Arduino Fuel Gauge Arduino  The adafruit lc709203f lipoly / liion fuel gauge and battery monitor lets you know when it's time to charge your battery. In this project, we’ll delve into the creation of a digital fuel gauge system using arduino and a flow sensor. Fuel gauge with oled display. This project enables the measurement of fuel levels in a tank using a resistive. Fuel Gauge Arduino.
     
    
        From www.tindie.com 
                    Battery Fuel gauge meter Coulomb Counter arduino from Power_Modules on Fuel Gauge Arduino  This project enables the measurement of fuel levels in a tank using a resistive float sensor. Connect it to your lipoly or liion battery and. Fuel gauge with oled display. This system enables the accurate monitoring and display of fuel flow during. Measure fuel level with arduino: The sensing unit usually uses a float connected to a potentiometer, typically printed. Fuel Gauge Arduino.
     
    
        From www.youtube.com 
                    Making an Arduinobased fuel gauge YouTube Fuel Gauge Arduino  This project enables the measurement of fuel levels in a tank using a resistive float sensor. The adafruit lc709203f lipoly / liion fuel gauge and battery monitor lets you know when it's time to charge your battery. Measure fuel level with arduino: In this project, we’ll delve into the creation of a digital fuel gauge system using arduino and a. Fuel Gauge Arduino.
     
    
        From learn.sparkfun.com 
                    LiPo Fuel Gauge (MAX1704X) Hookup Guide SparkFun Learn Fuel Gauge Arduino  This project enables the measurement of fuel levels in a tank using a resistive float sensor. This system enables the accurate monitoring and display of fuel flow during. Fuel gauge with oled display. Measure fuel level with arduino: The sensing unit usually uses a float connected to a potentiometer, typically printed ink design in a modern. In this project, we’ll. Fuel Gauge Arduino.
     
    
        From makezine.com 
                    Arduino LED Fuel Gauge Make Fuel Gauge Arduino  Measure fuel level with arduino: Connect it to your lipoly or liion battery and. In this project, we’ll delve into the creation of a digital fuel gauge system using arduino and a flow sensor. The sensing unit usually uses a float connected to a potentiometer, typically printed ink design in a modern. This project enables the measurement of fuel levels. Fuel Gauge Arduino.
     
    
        From www.instructables.com 
                    Measure Fuel Level With Arduino 4 Steps (with Pictures) Instructables Fuel Gauge Arduino  The adafruit lc709203f lipoly / liion fuel gauge and battery monitor lets you know when it's time to charge your battery. Measure fuel level with arduino: The sensing unit usually uses a float connected to a potentiometer, typically printed ink design in a modern. In this project, we’ll delve into the creation of a digital fuel gauge system using arduino. Fuel Gauge Arduino.
     
    
        From awesomeopensource.com 
                    Sparkfun_max1704x_fuel_gauge_arduino_library Fuel Gauge Arduino  Measure fuel level with arduino: Connect it to your lipoly or liion battery and. This project enables the measurement of fuel levels in a tank using a resistive float sensor. In this project, we’ll delve into the creation of a digital fuel gauge system using arduino and a flow sensor. Fuel gauge with oled display. This system enables the accurate. Fuel Gauge Arduino.
     
    
        From www.youtube.com 
                    Led fuel level gauge arduino YouTube Fuel Gauge Arduino  In this project, we’ll delve into the creation of a digital fuel gauge system using arduino and a flow sensor. Connect it to your lipoly or liion battery and. This system enables the accurate monitoring and display of fuel flow during. Fuel gauge with oled display. This project enables the measurement of fuel levels in a tank using a resistive. Fuel Gauge Arduino.
     
    
        From paulsvang.com 
                    How to build a Boost and Air Fuel Ratio LCD Gauge MyLife Fuel Gauge Arduino  Connect it to your lipoly or liion battery and. Measure fuel level with arduino: The sensing unit usually uses a float connected to a potentiometer, typically printed ink design in a modern. In this project, we’ll delve into the creation of a digital fuel gauge system using arduino and a flow sensor. Fuel gauge with oled display. The adafruit lc709203f. Fuel Gauge Arduino.
     
    
        From www.avdweb.nl 
                    MAX17263 fuel gauge Fuel Gauge Arduino  Fuel gauge with oled display. Measure fuel level with arduino: In this project, we’ll delve into the creation of a digital fuel gauge system using arduino and a flow sensor. Connect it to your lipoly or liion battery and. This system enables the accurate monitoring and display of fuel flow during. The sensing unit usually uses a float connected to. Fuel Gauge Arduino.
     
    
        From how2electronics.com 
                    Interfacing MAX17043 LiPo Fuel Gauge IC with Arduino Fuel Gauge Arduino  The sensing unit usually uses a float connected to a potentiometer, typically printed ink design in a modern. Connect it to your lipoly or liion battery and. This project enables the measurement of fuel levels in a tank using a resistive float sensor. This system enables the accurate monitoring and display of fuel flow during. Measure fuel level with arduino:. Fuel Gauge Arduino.
     
    
        From www.tindie.com 
                    Battery Fuel gauge meter Coulomb Counter arduino from Power_Modules on Fuel Gauge Arduino  This system enables the accurate monitoring and display of fuel flow during. Fuel gauge with oled display. Connect it to your lipoly or liion battery and. The sensing unit usually uses a float connected to a potentiometer, typically printed ink design in a modern. This project enables the measurement of fuel levels in a tank using a resistive float sensor.. Fuel Gauge Arduino.
     
    
        From www.youtube.com 
                    Smiths Fuel Gauge powered by Arduino YouTube Fuel Gauge Arduino  This system enables the accurate monitoring and display of fuel flow during. Measure fuel level with arduino: Connect it to your lipoly or liion battery and. The sensing unit usually uses a float connected to a potentiometer, typically printed ink design in a modern. This project enables the measurement of fuel levels in a tank using a resistive float sensor.. Fuel Gauge Arduino.
     
    
        From how2electronics.com 
                    Interfacing MAX17043 LiPo Fuel Gauge IC with Arduino Fuel Gauge Arduino  Connect it to your lipoly or liion battery and. This project enables the measurement of fuel levels in a tank using a resistive float sensor. Measure fuel level with arduino: The adafruit lc709203f lipoly / liion fuel gauge and battery monitor lets you know when it's time to charge your battery. Fuel gauge with oled display. The sensing unit usually. Fuel Gauge Arduino.
     
    
        From forum.arduino.cc 
                    Fuel Level for a car Project Guidance Arduino Forum Fuel Gauge Arduino  This project enables the measurement of fuel levels in a tank using a resistive float sensor. Fuel gauge with oled display. Connect it to your lipoly or liion battery and. The adafruit lc709203f lipoly / liion fuel gauge and battery monitor lets you know when it's time to charge your battery. In this project, we’ll delve into the creation of. Fuel Gauge Arduino.