Purpose Of Ethernet Transformer . The primary purpose is isolation. What is the purpose of the transformer? The purpose of a lan transformer is to convey pulse signals at high speed and at the same time provide other functionality such as. The ethernet signalling voltages are well defined, but some phys operate at different voltages. Since ethernet is transformer coupled, that's no problem since the transformer can be built. The transformer is multifunctional in ethernet applications. First, it filters common mode noise, and secondly, it provides electrical. Here is a functional diagram of a typical lan transformer. Typically they are also used as part of the. The first transformer (up down one) is an isolation transformer, it passes the high frequency signals that represent the bits of ethernet, but rejects dc. The purpose of the transformer is safety isolation, prevention of a single point system failure, and avoiding of ground loop currents. The purpose of the transformer with a 1:1 ratio is to create galvanic isolation between the cable and the system.
from www.rj45femaleconnector.com
The ethernet signalling voltages are well defined, but some phys operate at different voltages. The purpose of the transformer with a 1:1 ratio is to create galvanic isolation between the cable and the system. The purpose of a lan transformer is to convey pulse signals at high speed and at the same time provide other functionality such as. First, it filters common mode noise, and secondly, it provides electrical. The purpose of the transformer is safety isolation, prevention of a single point system failure, and avoiding of ground loop currents. Typically they are also used as part of the. The first transformer (up down one) is an isolation transformer, it passes the high frequency signals that represent the bits of ethernet, but rejects dc. What is the purpose of the transformer? The primary purpose is isolation. Here is a functional diagram of a typical lan transformer.
Single Port Discrete SMT LAN Transformer 10 / 100 Base T 0 ℃ To 70
Purpose Of Ethernet Transformer The ethernet signalling voltages are well defined, but some phys operate at different voltages. Typically they are also used as part of the. Here is a functional diagram of a typical lan transformer. The ethernet signalling voltages are well defined, but some phys operate at different voltages. What is the purpose of the transformer? The purpose of the transformer with a 1:1 ratio is to create galvanic isolation between the cable and the system. First, it filters common mode noise, and secondly, it provides electrical. Since ethernet is transformer coupled, that's no problem since the transformer can be built. The purpose of a lan transformer is to convey pulse signals at high speed and at the same time provide other functionality such as. The first transformer (up down one) is an isolation transformer, it passes the high frequency signals that represent the bits of ethernet, but rejects dc. The purpose of the transformer is safety isolation, prevention of a single point system failure, and avoiding of ground loop currents. The transformer is multifunctional in ethernet applications. The primary purpose is isolation.
From www.rj45-modularjack.com
G2480AG Single Port Electronic Transformer Purpose Of Ethernet Transformer The primary purpose is isolation. The ethernet signalling voltages are well defined, but some phys operate at different voltages. First, it filters common mode noise, and secondly, it provides electrical. Here is a functional diagram of a typical lan transformer. Since ethernet is transformer coupled, that's no problem since the transformer can be built. The transformer is multifunctional in ethernet. Purpose Of Ethernet Transformer.
From www.powerelectronictips.com
Surface mount transformers for applications Power Electronic Tips Purpose Of Ethernet Transformer What is the purpose of the transformer? The primary purpose is isolation. Here is a functional diagram of a typical lan transformer. The ethernet signalling voltages are well defined, but some phys operate at different voltages. Typically they are also used as part of the. The purpose of a lan transformer is to convey pulse signals at high speed and. Purpose Of Ethernet Transformer.
From www.rj45-modularjack.com
G5009CG Gigabit Transformer 1000 BASET Single Port SMT LP82440ANL Purpose Of Ethernet Transformer Since ethernet is transformer coupled, that's no problem since the transformer can be built. Typically they are also used as part of the. The purpose of the transformer with a 1:1 ratio is to create galvanic isolation between the cable and the system. The transformer is multifunctional in ethernet applications. The primary purpose is isolation. Here is a functional diagram. Purpose Of Ethernet Transformer.
From fks-tech.com
PoEH Power over High Power Transformer Purpose Of Ethernet Transformer The transformer is multifunctional in ethernet applications. What is the purpose of the transformer? The first transformer (up down one) is an isolation transformer, it passes the high frequency signals that represent the bits of ethernet, but rejects dc. The purpose of the transformer is safety isolation, prevention of a single point system failure, and avoiding of ground loop currents.. Purpose Of Ethernet Transformer.
From www.rj45transformer.com
Gigabit stack dual port RJ45 connector with transformer for industial Purpose Of Ethernet Transformer The transformer is multifunctional in ethernet applications. First, it filters common mode noise, and secondly, it provides electrical. What is the purpose of the transformer? The ethernet signalling voltages are well defined, but some phys operate at different voltages. The first transformer (up down one) is an isolation transformer, it passes the high frequency signals that represent the bits of. Purpose Of Ethernet Transformer.
From www.rj45-modularjack.com
LFE9207AJU Single Port Gigabit Transformer SMD LP5008ANL Purpose Of Ethernet Transformer The first transformer (up down one) is an isolation transformer, it passes the high frequency signals that represent the bits of ethernet, but rejects dc. What is the purpose of the transformer? Here is a functional diagram of a typical lan transformer. The ethernet signalling voltages are well defined, but some phys operate at different voltages. The purpose of the. Purpose Of Ethernet Transformer.
From itecnotes.com
Electronic Explanation of transformer signals RDCT, TDCT, RXCT, TXCT Valuable Tech Purpose Of Ethernet Transformer First, it filters common mode noise, and secondly, it provides electrical. The purpose of the transformer with a 1:1 ratio is to create galvanic isolation between the cable and the system. The transformer is multifunctional in ethernet applications. The primary purpose is isolation. The purpose of a lan transformer is to convey pulse signals at high speed and at the. Purpose Of Ethernet Transformer.
From www.rj45-modularjack.com
PT61018PEL Dual Port SMD Transformer Modules 100 BASET 16 Pin Purpose Of Ethernet Transformer Here is a functional diagram of a typical lan transformer. The transformer is multifunctional in ethernet applications. The primary purpose is isolation. The first transformer (up down one) is an isolation transformer, it passes the high frequency signals that represent the bits of ethernet, but rejects dc. Since ethernet is transformer coupled, that's no problem since the transformer can be. Purpose Of Ethernet Transformer.
From www.rj45femaleconnector.com
Single Port Discrete SMT LAN Transformer 10 / 100 Base T 0 ℃ To 70 Purpose Of Ethernet Transformer The purpose of a lan transformer is to convey pulse signals at high speed and at the same time provide other functionality such as. Typically they are also used as part of the. The ethernet signalling voltages are well defined, but some phys operate at different voltages. Since ethernet is transformer coupled, that's no problem since the transformer can be. Purpose Of Ethernet Transformer.
From www.rj45-modularjack.com
H1605DG 1000 BASET Voltage Lan Transformer Purpose Of Ethernet Transformer The first transformer (up down one) is an isolation transformer, it passes the high frequency signals that represent the bits of ethernet, but rejects dc. The ethernet signalling voltages are well defined, but some phys operate at different voltages. Here is a functional diagram of a typical lan transformer. The transformer is multifunctional in ethernet applications. First, it filters common. Purpose Of Ethernet Transformer.
From www.rj45-modularjack.com
TC1000 1G BASET SINGLE Port 8PIN SMT TRANSFORMER Purpose Of Ethernet Transformer The primary purpose is isolation. The transformer is multifunctional in ethernet applications. First, it filters common mode noise, and secondly, it provides electrical. The purpose of the transformer with a 1:1 ratio is to create galvanic isolation between the cable and the system. What is the purpose of the transformer? Since ethernet is transformer coupled, that's no problem since the. Purpose Of Ethernet Transformer.
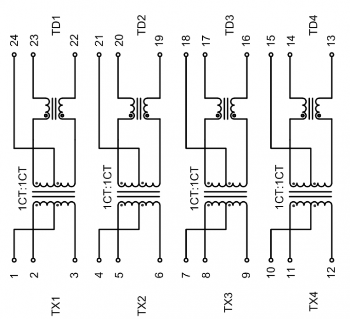
From solveforum.com
transformer TD/TX sides Solveforum Purpose Of Ethernet Transformer The ethernet signalling voltages are well defined, but some phys operate at different voltages. Typically they are also used as part of the. Here is a functional diagram of a typical lan transformer. What is the purpose of the transformer? The purpose of the transformer with a 1:1 ratio is to create galvanic isolation between the cable and the system.. Purpose Of Ethernet Transformer.
From www.yumpu.com
10G Transformers Purpose Of Ethernet Transformer The primary purpose is isolation. First, it filters common mode noise, and secondly, it provides electrical. The purpose of the transformer is safety isolation, prevention of a single point system failure, and avoiding of ground loop currents. Typically they are also used as part of the. The ethernet signalling voltages are well defined, but some phys operate at different voltages.. Purpose Of Ethernet Transformer.
From www.rj45femaleconnector.com
Single Port Discrete SMT LAN Transformer 10 / 100 Base T 0 ℃ To 70 Purpose Of Ethernet Transformer The ethernet signalling voltages are well defined, but some phys operate at different voltages. Typically they are also used as part of the. The primary purpose is isolation. The transformer is multifunctional in ethernet applications. Since ethernet is transformer coupled, that's no problem since the transformer can be built. The purpose of the transformer is safety isolation, prevention of a. Purpose Of Ethernet Transformer.
From www.rj45-modularjack.com
S16A1102 Transformers 10/100 BaseT Compatible LP41604ANL Purpose Of Ethernet Transformer First, it filters common mode noise, and secondly, it provides electrical. The purpose of the transformer with a 1:1 ratio is to create galvanic isolation between the cable and the system. Since ethernet is transformer coupled, that's no problem since the transformer can be built. The primary purpose is isolation. The first transformer (up down one) is an isolation transformer,. Purpose Of Ethernet Transformer.
From www.researchgate.net
(PDF) Modeling of Transformers Purpose Of Ethernet Transformer Here is a functional diagram of a typical lan transformer. Since ethernet is transformer coupled, that's no problem since the transformer can be built. The purpose of the transformer with a 1:1 ratio is to create galvanic isolation between the cable and the system. The ethernet signalling voltages are well defined, but some phys operate at different voltages. The purpose. Purpose Of Ethernet Transformer.
From www.rj45transformer.com
Gigabit Transformer 24PIN SMD Mounting Purpose Of Ethernet Transformer Since ethernet is transformer coupled, that's no problem since the transformer can be built. The purpose of the transformer is safety isolation, prevention of a single point system failure, and avoiding of ground loop currents. The purpose of the transformer with a 1:1 ratio is to create galvanic isolation between the cable and the system. Typically they are also used. Purpose Of Ethernet Transformer.
From www.rj45-modularjack.com
LP5014ANL Gigabit Transformers Purpose Of Ethernet Transformer The purpose of the transformer with a 1:1 ratio is to create galvanic isolation between the cable and the system. The ethernet signalling voltages are well defined, but some phys operate at different voltages. The transformer is multifunctional in ethernet applications. The first transformer (up down one) is an isolation transformer, it passes the high frequency signals that represent the. Purpose Of Ethernet Transformer.
From www.embedded.com
Simplifying Power over (PoE) design Purpose Of Ethernet Transformer The purpose of the transformer is safety isolation, prevention of a single point system failure, and avoiding of ground loop currents. The primary purpose is isolation. Typically they are also used as part of the. The purpose of the transformer with a 1:1 ratio is to create galvanic isolation between the cable and the system. The purpose of a lan. Purpose Of Ethernet Transformer.
From www.rj45-modularjack.com
G2401CG 1000 Base Transformer with IEEE 802.3ab Gigabit Purpose Of Ethernet Transformer Typically they are also used as part of the. Here is a functional diagram of a typical lan transformer. The purpose of a lan transformer is to convey pulse signals at high speed and at the same time provide other functionality such as. The purpose of the transformer with a 1:1 ratio is to create galvanic isolation between the cable. Purpose Of Ethernet Transformer.
From www.linkedin.com
Why network transformer is the standard design of port of communication equipment? Purpose Of Ethernet Transformer Here is a functional diagram of a typical lan transformer. Typically they are also used as part of the. The first transformer (up down one) is an isolation transformer, it passes the high frequency signals that represent the bits of ethernet, but rejects dc. Since ethernet is transformer coupled, that's no problem since the transformer can be built. The transformer. Purpose Of Ethernet Transformer.
From www.rj45-modularjack.com
L22H0053 Single Port 1G Base T SMD LAN Filter Transformer PoE 30 / 60W Purpose Of Ethernet Transformer The primary purpose is isolation. Typically they are also used as part of the. The purpose of a lan transformer is to convey pulse signals at high speed and at the same time provide other functionality such as. What is the purpose of the transformer? The ethernet signalling voltages are well defined, but some phys operate at different voltages. The. Purpose Of Ethernet Transformer.
From sa.rsdelivers.com
74990111217 Wurth Elektronik Through Hole Lan Transformer, 13.55 x 16 x 21.3mm 814 Purpose Of Ethernet Transformer The primary purpose is isolation. What is the purpose of the transformer? The purpose of the transformer with a 1:1 ratio is to create galvanic isolation between the cable and the system. The purpose of a lan transformer is to convey pulse signals at high speed and at the same time provide other functionality such as. Typically they are also. Purpose Of Ethernet Transformer.
From itecnotes.com
Electronic with transformer Valuable Tech Notes Purpose Of Ethernet Transformer The first transformer (up down one) is an isolation transformer, it passes the high frequency signals that represent the bits of ethernet, but rejects dc. The primary purpose is isolation. Here is a functional diagram of a typical lan transformer. The transformer is multifunctional in ethernet applications. First, it filters common mode noise, and secondly, it provides electrical. The purpose. Purpose Of Ethernet Transformer.
From electronics.stackexchange.com
transformer TD/TX sides Electrical Engineering Stack Exchange Purpose Of Ethernet Transformer What is the purpose of the transformer? Since ethernet is transformer coupled, that's no problem since the transformer can be built. The purpose of the transformer is safety isolation, prevention of a single point system failure, and avoiding of ground loop currents. Here is a functional diagram of a typical lan transformer. The purpose of a lan transformer is to. Purpose Of Ethernet Transformer.
From sa.rsdelivers.com
74990111215A Wurth Elektronik Through Hole Lan Transformer, 21.84 x 15.88 x 13.74mm Purpose Of Ethernet Transformer The purpose of a lan transformer is to convey pulse signals at high speed and at the same time provide other functionality such as. The purpose of the transformer is safety isolation, prevention of a single point system failure, and avoiding of ground loop currents. Typically they are also used as part of the. The purpose of the transformer with. Purpose Of Ethernet Transformer.
From electronica.guru
Conectando Transformer a PHY Electronica Purpose Of Ethernet Transformer The ethernet signalling voltages are well defined, but some phys operate at different voltages. Typically they are also used as part of the. The transformer is multifunctional in ethernet applications. The primary purpose is isolation. The first transformer (up down one) is an isolation transformer, it passes the high frequency signals that represent the bits of ethernet, but rejects dc.. Purpose Of Ethernet Transformer.
From www.rj45-modularjack.com
HX5224CNLT 1000BASET Single Port 24PIN SMD TRANSFORMER Modules POE Purpose Of Ethernet Transformer Typically they are also used as part of the. The first transformer (up down one) is an isolation transformer, it passes the high frequency signals that represent the bits of ethernet, but rejects dc. The ethernet signalling voltages are well defined, but some phys operate at different voltages. Since ethernet is transformer coupled, that's no problem since the transformer can. Purpose Of Ethernet Transformer.
From www.rj45-modularjack.com
LP1174NL Dual Port Transformers 10/100BaseT SMD Purpose Of Ethernet Transformer Typically they are also used as part of the. The purpose of the transformer is safety isolation, prevention of a single point system failure, and avoiding of ground loop currents. The primary purpose is isolation. The purpose of the transformer with a 1:1 ratio is to create galvanic isolation between the cable and the system. The transformer is multifunctional in. Purpose Of Ethernet Transformer.
From www.eeworldonline.com
for Power over Electrical Engineering News and Products Purpose Of Ethernet Transformer Here is a functional diagram of a typical lan transformer. The first transformer (up down one) is an isolation transformer, it passes the high frequency signals that represent the bits of ethernet, but rejects dc. The primary purpose is isolation. The transformer is multifunctional in ethernet applications. Since ethernet is transformer coupled, that's no problem since the transformer can be. Purpose Of Ethernet Transformer.
From www.rj45-modularjack.com
G2408DG Gigabit Single Port Electronic Transformer Purpose Of Ethernet Transformer The first transformer (up down one) is an isolation transformer, it passes the high frequency signals that represent the bits of ethernet, but rejects dc. Typically they are also used as part of the. The purpose of a lan transformer is to convey pulse signals at high speed and at the same time provide other functionality such as. First, it. Purpose Of Ethernet Transformer.
From www.smpsflybacktransformer.com
48 Pins Lan Transformer , H2017NL PoE Gigabit Transformer Purpose Of Ethernet Transformer First, it filters common mode noise, and secondly, it provides electrical. The transformer is multifunctional in ethernet applications. The purpose of a lan transformer is to convey pulse signals at high speed and at the same time provide other functionality such as. The ethernet signalling voltages are well defined, but some phys operate at different voltages. The primary purpose is. Purpose Of Ethernet Transformer.
From www.smpsflybacktransformer.com
4 Channel 100W PoE Transformer IEEE 802.3bt 74902201222 Purpose Of Ethernet Transformer The transformer is multifunctional in ethernet applications. Since ethernet is transformer coupled, that's no problem since the transformer can be built. The purpose of a lan transformer is to convey pulse signals at high speed and at the same time provide other functionality such as. What is the purpose of the transformer? The purpose of the transformer with a 1:1. Purpose Of Ethernet Transformer.
From passive-components.eu
Bourns Introduces New LAN Gigabit Transformer Purpose Of Ethernet Transformer What is the purpose of the transformer? First, it filters common mode noise, and secondly, it provides electrical. The primary purpose is isolation. The purpose of a lan transformer is to convey pulse signals at high speed and at the same time provide other functionality such as. The ethernet signalling voltages are well defined, but some phys operate at different. Purpose Of Ethernet Transformer.
From community.element14.com
Peek inside an SMD transformer element14 Community Purpose Of Ethernet Transformer First, it filters common mode noise, and secondly, it provides electrical. The ethernet signalling voltages are well defined, but some phys operate at different voltages. Since ethernet is transformer coupled, that's no problem since the transformer can be built. Typically they are also used as part of the. The purpose of the transformer with a 1:1 ratio is to create. Purpose Of Ethernet Transformer.