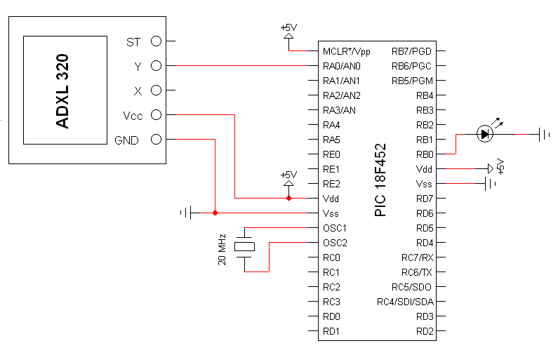
Accelerometer Sensor Pin Diagram . Adxl320, adxl321, adxl322, adxl330) accelerometer and receive the values in the serial monitor of. Arduino and adxl335 accelerometer example. This tutorial shows you how to read from the adxl3xx series (e.g. Circuit diagram for adxl345 accelerometer interface with arduino is given below: It can measure the static acceleration of gravity in tilt. It is used to measure the angle of tilt or inclination in application. Accelerometer adxl335 sensor measures acceleration of gravity.
from www.circuitbasics.com
It is used to measure the angle of tilt or inclination in application. Arduino and adxl335 accelerometer example. Circuit diagram for adxl345 accelerometer interface with arduino is given below: This tutorial shows you how to read from the adxl3xx series (e.g. Accelerometer adxl335 sensor measures acceleration of gravity. It can measure the static acceleration of gravity in tilt. Adxl320, adxl321, adxl322, adxl330) accelerometer and receive the values in the serial monitor of.
How to Setup an Accelerometer on the Arduino Circuit Basics
Accelerometer Sensor Pin Diagram It can measure the static acceleration of gravity in tilt. Circuit diagram for adxl345 accelerometer interface with arduino is given below: Arduino and adxl335 accelerometer example. It can measure the static acceleration of gravity in tilt. It is used to measure the angle of tilt or inclination in application. Adxl320, adxl321, adxl322, adxl330) accelerometer and receive the values in the serial monitor of. Accelerometer adxl335 sensor measures acceleration of gravity. This tutorial shows you how to read from the adxl3xx series (e.g.
From techatronic.com
Arduino with Accelerometer Tutorial Arduino ADXL335 Detail Accelerometer Sensor Pin Diagram Accelerometer adxl335 sensor measures acceleration of gravity. Adxl320, adxl321, adxl322, adxl330) accelerometer and receive the values in the serial monitor of. It can measure the static acceleration of gravity in tilt. It is used to measure the angle of tilt or inclination in application. This tutorial shows you how to read from the adxl3xx series (e.g. Circuit diagram for adxl345. Accelerometer Sensor Pin Diagram.
From fab.academany.org
Week 11. Input Devices · Joey van der Bie Accelerometer Sensor Pin Diagram Circuit diagram for adxl345 accelerometer interface with arduino is given below: It can measure the static acceleration of gravity in tilt. Accelerometer adxl335 sensor measures acceleration of gravity. Arduino and adxl335 accelerometer example. This tutorial shows you how to read from the adxl3xx series (e.g. Adxl320, adxl321, adxl322, adxl330) accelerometer and receive the values in the serial monitor of. It. Accelerometer Sensor Pin Diagram.
From www.circuits-diy.com
How ADXL335 Accelerometer Interface with Arduino UNO Accelerometer Sensor Pin Diagram Adxl320, adxl321, adxl322, adxl330) accelerometer and receive the values in the serial monitor of. Arduino and adxl335 accelerometer example. Circuit diagram for adxl345 accelerometer interface with arduino is given below: Accelerometer adxl335 sensor measures acceleration of gravity. It can measure the static acceleration of gravity in tilt. This tutorial shows you how to read from the adxl3xx series (e.g. It. Accelerometer Sensor Pin Diagram.
From exofpyslq.blob.core.windows.net
Accelerometer Output at Jennifer Negron blog Accelerometer Sensor Pin Diagram It can measure the static acceleration of gravity in tilt. This tutorial shows you how to read from the adxl3xx series (e.g. Arduino and adxl335 accelerometer example. It is used to measure the angle of tilt or inclination in application. Accelerometer adxl335 sensor measures acceleration of gravity. Adxl320, adxl321, adxl322, adxl330) accelerometer and receive the values in the serial monitor. Accelerometer Sensor Pin Diagram.
From www.researchgate.net
Gyroscope sensor and accelerometer MPU6050. Download Scientific Diagram Accelerometer Sensor Pin Diagram Adxl320, adxl321, adxl322, adxl330) accelerometer and receive the values in the serial monitor of. Arduino and adxl335 accelerometer example. It can measure the static acceleration of gravity in tilt. Circuit diagram for adxl345 accelerometer interface with arduino is given below: Accelerometer adxl335 sensor measures acceleration of gravity. It is used to measure the angle of tilt or inclination in application.. Accelerometer Sensor Pin Diagram.
From microcontrollerslab.com
MPU6050 Gyroscope Accelerometer Sensor interfacing TM4C123G Tiva C Accelerometer Sensor Pin Diagram Arduino and adxl335 accelerometer example. Accelerometer adxl335 sensor measures acceleration of gravity. Circuit diagram for adxl345 accelerometer interface with arduino is given below: Adxl320, adxl321, adxl322, adxl330) accelerometer and receive the values in the serial monitor of. It can measure the static acceleration of gravity in tilt. This tutorial shows you how to read from the adxl3xx series (e.g. It. Accelerometer Sensor Pin Diagram.
From theorycircuit.com
Accelerometer sensor arduino schematics theoryCIRCUIT Do It Accelerometer Sensor Pin Diagram Adxl320, adxl321, adxl322, adxl330) accelerometer and receive the values in the serial monitor of. Accelerometer adxl335 sensor measures acceleration of gravity. It can measure the static acceleration of gravity in tilt. Arduino and adxl335 accelerometer example. Circuit diagram for adxl345 accelerometer interface with arduino is given below: This tutorial shows you how to read from the adxl3xx series (e.g. It. Accelerometer Sensor Pin Diagram.
From duino4projects.com
Interfacing Accelerometer to Arduino Accelerometer Sensor Pin Diagram Circuit diagram for adxl345 accelerometer interface with arduino is given below: Adxl320, adxl321, adxl322, adxl330) accelerometer and receive the values in the serial monitor of. Arduino and adxl335 accelerometer example. Accelerometer adxl335 sensor measures acceleration of gravity. This tutorial shows you how to read from the adxl3xx series (e.g. It is used to measure the angle of tilt or inclination. Accelerometer Sensor Pin Diagram.
From www.circuitdiagram.co
Accelerometer Sensor Circuit Diagram Circuit Diagram Accelerometer Sensor Pin Diagram Circuit diagram for adxl345 accelerometer interface with arduino is given below: This tutorial shows you how to read from the adxl3xx series (e.g. Accelerometer adxl335 sensor measures acceleration of gravity. It is used to measure the angle of tilt or inclination in application. Adxl320, adxl321, adxl322, adxl330) accelerometer and receive the values in the serial monitor of. It can measure. Accelerometer Sensor Pin Diagram.
From duino4projects.com
Memsic 2125 Accelerometer using Arduino duino Accelerometer Sensor Pin Diagram Accelerometer adxl335 sensor measures acceleration of gravity. Adxl320, adxl321, adxl322, adxl330) accelerometer and receive the values in the serial monitor of. This tutorial shows you how to read from the adxl3xx series (e.g. It can measure the static acceleration of gravity in tilt. Arduino and adxl335 accelerometer example. It is used to measure the angle of tilt or inclination in. Accelerometer Sensor Pin Diagram.
From adiy.in
How To Use The ADXL345 Accelerometer Sensor Accelerometer Sensor Pin Diagram It is used to measure the angle of tilt or inclination in application. It can measure the static acceleration of gravity in tilt. Accelerometer adxl335 sensor measures acceleration of gravity. This tutorial shows you how to read from the adxl3xx series (e.g. Circuit diagram for adxl345 accelerometer interface with arduino is given below: Arduino and adxl335 accelerometer example. Adxl320, adxl321,. Accelerometer Sensor Pin Diagram.
From www.circuitbasics.com
How to Setup an Accelerometer on the Arduino Circuit Basics Accelerometer Sensor Pin Diagram Adxl320, adxl321, adxl322, adxl330) accelerometer and receive the values in the serial monitor of. This tutorial shows you how to read from the adxl3xx series (e.g. It is used to measure the angle of tilt or inclination in application. It can measure the static acceleration of gravity in tilt. Circuit diagram for adxl345 accelerometer interface with arduino is given below:. Accelerometer Sensor Pin Diagram.
From www.learningaboutelectronics.com
How to Build an Accelerometer Circuit Accelerometer Sensor Pin Diagram Circuit diagram for adxl345 accelerometer interface with arduino is given below: Accelerometer adxl335 sensor measures acceleration of gravity. Arduino and adxl335 accelerometer example. Adxl320, adxl321, adxl322, adxl330) accelerometer and receive the values in the serial monitor of. It can measure the static acceleration of gravity in tilt. This tutorial shows you how to read from the adxl3xx series (e.g. It. Accelerometer Sensor Pin Diagram.
From www.circuits-diy.com
How to Interface MPU6050 Accelerometer Gyroscope Sensor with Arduino Accelerometer Sensor Pin Diagram It is used to measure the angle of tilt or inclination in application. This tutorial shows you how to read from the adxl3xx series (e.g. Circuit diagram for adxl345 accelerometer interface with arduino is given below: Accelerometer adxl335 sensor measures acceleration of gravity. It can measure the static acceleration of gravity in tilt. Arduino and adxl335 accelerometer example. Adxl320, adxl321,. Accelerometer Sensor Pin Diagram.
From www.pinterest.com
3axisAccelerometerSensorADXL335InterfacingwithAVR ATmega16 Accelerometer Sensor Pin Diagram It is used to measure the angle of tilt or inclination in application. Arduino and adxl335 accelerometer example. This tutorial shows you how to read from the adxl3xx series (e.g. It can measure the static acceleration of gravity in tilt. Accelerometer adxl335 sensor measures acceleration of gravity. Circuit diagram for adxl345 accelerometer interface with arduino is given below: Adxl320, adxl321,. Accelerometer Sensor Pin Diagram.
From www.researchgate.net
Schematic diagram of the working principle of accelerometer. (a Accelerometer Sensor Pin Diagram Adxl320, adxl321, adxl322, adxl330) accelerometer and receive the values in the serial monitor of. Accelerometer adxl335 sensor measures acceleration of gravity. It is used to measure the angle of tilt or inclination in application. This tutorial shows you how to read from the adxl3xx series (e.g. Circuit diagram for adxl345 accelerometer interface with arduino is given below: Arduino and adxl335. Accelerometer Sensor Pin Diagram.
From www.arduinoprojects.net
Arduino ADXL345 accelerometer example Arduino Projects Accelerometer Sensor Pin Diagram It is used to measure the angle of tilt or inclination in application. Adxl320, adxl321, adxl322, adxl330) accelerometer and receive the values in the serial monitor of. This tutorial shows you how to read from the adxl3xx series (e.g. Arduino and adxl335 accelerometer example. Accelerometer adxl335 sensor measures acceleration of gravity. Circuit diagram for adxl345 accelerometer interface with arduino is. Accelerometer Sensor Pin Diagram.
From learn.sparkfun.com
ADXL337 and ADXL377 Accelerometer Hookup Guide SparkFun Learn Accelerometer Sensor Pin Diagram It is used to measure the angle of tilt or inclination in application. It can measure the static acceleration of gravity in tilt. Accelerometer adxl335 sensor measures acceleration of gravity. This tutorial shows you how to read from the adxl3xx series (e.g. Circuit diagram for adxl345 accelerometer interface with arduino is given below: Arduino and adxl335 accelerometer example. Adxl320, adxl321,. Accelerometer Sensor Pin Diagram.
From www.circuitbasics.com
How to Setup an Accelerometer on the Arduino Circuit Basics Accelerometer Sensor Pin Diagram This tutorial shows you how to read from the adxl3xx series (e.g. Accelerometer adxl335 sensor measures acceleration of gravity. Circuit diagram for adxl345 accelerometer interface with arduino is given below: Arduino and adxl335 accelerometer example. It is used to measure the angle of tilt or inclination in application. It can measure the static acceleration of gravity in tilt. Adxl320, adxl321,. Accelerometer Sensor Pin Diagram.
From www.majju.pk
GY61 ADXL335 3Axis Accelerometer Module Majju PK Accelerometer Sensor Pin Diagram Adxl320, adxl321, adxl322, adxl330) accelerometer and receive the values in the serial monitor of. Accelerometer adxl335 sensor measures acceleration of gravity. This tutorial shows you how to read from the adxl3xx series (e.g. It can measure the static acceleration of gravity in tilt. Circuit diagram for adxl345 accelerometer interface with arduino is given below: It is used to measure the. Accelerometer Sensor Pin Diagram.
From randomnerdtutorials.com
ESP8266 NodeMCU MPU6050 Accelerometer and Gyroscope (Arduino) Random Accelerometer Sensor Pin Diagram Circuit diagram for adxl345 accelerometer interface with arduino is given below: This tutorial shows you how to read from the adxl3xx series (e.g. Adxl320, adxl321, adxl322, adxl330) accelerometer and receive the values in the serial monitor of. It is used to measure the angle of tilt or inclination in application. Arduino and adxl335 accelerometer example. Accelerometer adxl335 sensor measures acceleration. Accelerometer Sensor Pin Diagram.
From www.researchgate.net
2 Accelerometer Sensor [8] Download Scientific Diagram Accelerometer Sensor Pin Diagram It can measure the static acceleration of gravity in tilt. This tutorial shows you how to read from the adxl3xx series (e.g. Circuit diagram for adxl345 accelerometer interface with arduino is given below: Arduino and adxl335 accelerometer example. Accelerometer adxl335 sensor measures acceleration of gravity. Adxl320, adxl321, adxl322, adxl330) accelerometer and receive the values in the serial monitor of. It. Accelerometer Sensor Pin Diagram.
From mavink.com
Accelerometer Sensor Pinout Accelerometer Sensor Pin Diagram Adxl320, adxl321, adxl322, adxl330) accelerometer and receive the values in the serial monitor of. Accelerometer adxl335 sensor measures acceleration of gravity. This tutorial shows you how to read from the adxl3xx series (e.g. It is used to measure the angle of tilt or inclination in application. Arduino and adxl335 accelerometer example. It can measure the static acceleration of gravity in. Accelerometer Sensor Pin Diagram.
From pimylifeup.com
Arduino Accelerometer using the ADXL345 Pi My Life Up Accelerometer Sensor Pin Diagram It is used to measure the angle of tilt or inclination in application. It can measure the static acceleration of gravity in tilt. Arduino and adxl335 accelerometer example. Accelerometer adxl335 sensor measures acceleration of gravity. Circuit diagram for adxl345 accelerometer interface with arduino is given below: This tutorial shows you how to read from the adxl3xx series (e.g. Adxl320, adxl321,. Accelerometer Sensor Pin Diagram.
From www.electrorules.com
ESP32 with MPU6050 Accelerometer, Gyroscope, and Temperature Sensor Accelerometer Sensor Pin Diagram It can measure the static acceleration of gravity in tilt. Adxl320, adxl321, adxl322, adxl330) accelerometer and receive the values in the serial monitor of. It is used to measure the angle of tilt or inclination in application. This tutorial shows you how to read from the adxl3xx series (e.g. Circuit diagram for adxl345 accelerometer interface with arduino is given below:. Accelerometer Sensor Pin Diagram.
From circuitdigest.com
How to Interface ADXL345 Accelerometer with Arduino UNO Accelerometer Sensor Pin Diagram It can measure the static acceleration of gravity in tilt. Circuit diagram for adxl345 accelerometer interface with arduino is given below: Adxl320, adxl321, adxl322, adxl330) accelerometer and receive the values in the serial monitor of. It is used to measure the angle of tilt or inclination in application. Arduino and adxl335 accelerometer example. Accelerometer adxl335 sensor measures acceleration of gravity.. Accelerometer Sensor Pin Diagram.
From www.researchgate.net
The orientation of an accelerometer The accelerator is only activated Accelerometer Sensor Pin Diagram This tutorial shows you how to read from the adxl3xx series (e.g. Adxl320, adxl321, adxl322, adxl330) accelerometer and receive the values in the serial monitor of. Arduino and adxl335 accelerometer example. It is used to measure the angle of tilt or inclination in application. Circuit diagram for adxl345 accelerometer interface with arduino is given below: Accelerometer adxl335 sensor measures acceleration. Accelerometer Sensor Pin Diagram.
From mavink.com
Accelerometer Circuit Diagram Accelerometer Sensor Pin Diagram Arduino and adxl335 accelerometer example. Circuit diagram for adxl345 accelerometer interface with arduino is given below: Accelerometer adxl335 sensor measures acceleration of gravity. This tutorial shows you how to read from the adxl3xx series (e.g. It is used to measure the angle of tilt or inclination in application. Adxl320, adxl321, adxl322, adxl330) accelerometer and receive the values in the serial. Accelerometer Sensor Pin Diagram.
From electronicsprojects.in
ADXL345 Accelerometer Sensor Pinout and Projects Electronics Projects Accelerometer Sensor Pin Diagram Accelerometer adxl335 sensor measures acceleration of gravity. This tutorial shows you how to read from the adxl3xx series (e.g. Circuit diagram for adxl345 accelerometer interface with arduino is given below: It is used to measure the angle of tilt or inclination in application. It can measure the static acceleration of gravity in tilt. Arduino and adxl335 accelerometer example. Adxl320, adxl321,. Accelerometer Sensor Pin Diagram.
From docs.arduino.cc
ADXL3xx Accelerometer Arduino Documentation Accelerometer Sensor Pin Diagram Arduino and adxl335 accelerometer example. It can measure the static acceleration of gravity in tilt. This tutorial shows you how to read from the adxl3xx series (e.g. Adxl320, adxl321, adxl322, adxl330) accelerometer and receive the values in the serial monitor of. It is used to measure the angle of tilt or inclination in application. Circuit diagram for adxl345 accelerometer interface. Accelerometer Sensor Pin Diagram.
From microcontrollerslab.com
LSM303 TripleAxis Module Pinout and Arduino Accelerometer Sensor Pin Diagram Accelerometer adxl335 sensor measures acceleration of gravity. It can measure the static acceleration of gravity in tilt. Circuit diagram for adxl345 accelerometer interface with arduino is given below: This tutorial shows you how to read from the adxl3xx series (e.g. It is used to measure the angle of tilt or inclination in application. Arduino and adxl335 accelerometer example. Adxl320, adxl321,. Accelerometer Sensor Pin Diagram.
From www.esp32learning.com
ESP32 and ADXL335 accelerometer example ESP32 Learning Accelerometer Sensor Pin Diagram Adxl320, adxl321, adxl322, adxl330) accelerometer and receive the values in the serial monitor of. It can measure the static acceleration of gravity in tilt. Circuit diagram for adxl345 accelerometer interface with arduino is given below: Accelerometer adxl335 sensor measures acceleration of gravity. It is used to measure the angle of tilt or inclination in application. This tutorial shows you how. Accelerometer Sensor Pin Diagram.
From electronicsprojects.in
Pedometer(Steps Counter) using Arduino, ADXL345 Accelerometer Sensor Accelerometer Sensor Pin Diagram Adxl320, adxl321, adxl322, adxl330) accelerometer and receive the values in the serial monitor of. Accelerometer adxl335 sensor measures acceleration of gravity. Arduino and adxl335 accelerometer example. It can measure the static acceleration of gravity in tilt. It is used to measure the angle of tilt or inclination in application. Circuit diagram for adxl345 accelerometer interface with arduino is given below:. Accelerometer Sensor Pin Diagram.
From www.electricalelibrary.com
Accelerometer how does it work and how to use it? Electrical e Accelerometer Sensor Pin Diagram Adxl320, adxl321, adxl322, adxl330) accelerometer and receive the values in the serial monitor of. It is used to measure the angle of tilt or inclination in application. Accelerometer adxl335 sensor measures acceleration of gravity. Circuit diagram for adxl345 accelerometer interface with arduino is given below: It can measure the static acceleration of gravity in tilt. Arduino and adxl335 accelerometer example.. Accelerometer Sensor Pin Diagram.
From electronicsprojects.in
ADXL335 Accelerometer Sensor Pinout and Projects Electronics Projects Accelerometer Sensor Pin Diagram Arduino and adxl335 accelerometer example. It is used to measure the angle of tilt or inclination in application. Accelerometer adxl335 sensor measures acceleration of gravity. This tutorial shows you how to read from the adxl3xx series (e.g. Adxl320, adxl321, adxl322, adxl330) accelerometer and receive the values in the serial monitor of. Circuit diagram for adxl345 accelerometer interface with arduino is. Accelerometer Sensor Pin Diagram.