How Does A Gas Union Fitting Work . The various documents (manuals, installation guides, etc) available for gas water heaters refer to the use of what's called a ground joint union between the shutoff. The pipe union fitting is two separate parts that can be connected or disconnected as needed as needed to both the outer and inner ends of each. They typically consist of three. Gas pipe unions are specialized fittings designed to connect two pieces of gas piping together. To make an effectively working pipe fitting,. Three parts of pipe union: The union consists of three pieces—a nut, a male fitting, and a female fitting. Make gas line connections from steel or copper pipes to. Q) how does a pipe union fitting work? The pipes can easily be separated without causing any piping. A gas pipe union is used to join two pipes together without having to solder or weld them.
from www.steelsupplylp.com
The various documents (manuals, installation guides, etc) available for gas water heaters refer to the use of what's called a ground joint union between the shutoff. The pipes can easily be separated without causing any piping. To make an effectively working pipe fitting,. They typically consist of three. Make gas line connections from steel or copper pipes to. Gas pipe unions are specialized fittings designed to connect two pieces of gas piping together. Three parts of pipe union: The pipe union fitting is two separate parts that can be connected or disconnected as needed as needed to both the outer and inner ends of each. Q) how does a pipe union fitting work? The union consists of three pieces—a nut, a male fitting, and a female fitting.
Pipe Fittings Unions in Texas Steel Supply LP
How Does A Gas Union Fitting Work The various documents (manuals, installation guides, etc) available for gas water heaters refer to the use of what's called a ground joint union between the shutoff. To make an effectively working pipe fitting,. Three parts of pipe union: The pipe union fitting is two separate parts that can be connected or disconnected as needed as needed to both the outer and inner ends of each. They typically consist of three. Gas pipe unions are specialized fittings designed to connect two pieces of gas piping together. Q) how does a pipe union fitting work? A gas pipe union is used to join two pipes together without having to solder or weld them. Make gas line connections from steel or copper pipes to. The pipes can easily be separated without causing any piping. The various documents (manuals, installation guides, etc) available for gas water heaters refer to the use of what's called a ground joint union between the shutoff. The union consists of three pieces—a nut, a male fitting, and a female fitting.
From www.ebay.com
12 Pcs 1/4 (7/1624 Inverted) Stainless Steel Brake Line Fittings How Does A Gas Union Fitting Work The pipes can easily be separated without causing any piping. The union consists of three pieces—a nut, a male fitting, and a female fitting. Make gas line connections from steel or copper pipes to. The various documents (manuals, installation guides, etc) available for gas water heaters refer to the use of what's called a ground joint union between the shutoff.. How Does A Gas Union Fitting Work.
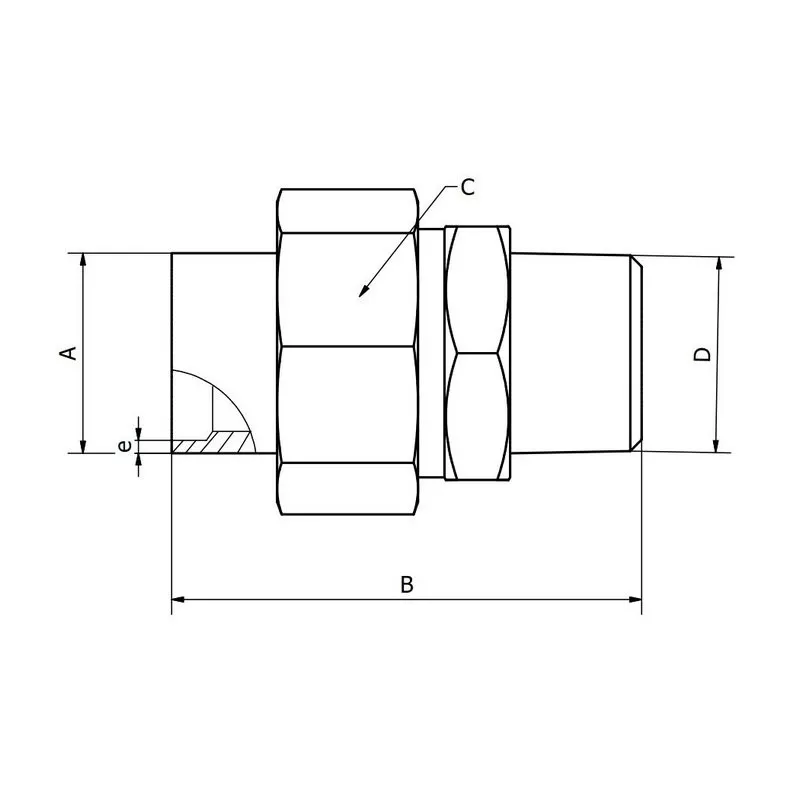
From steelfittings-flange.com
Threaded Unions ESTAN PIPE FITTINGS CO., LTD How Does A Gas Union Fitting Work The pipes can easily be separated without causing any piping. Three parts of pipe union: Gas pipe unions are specialized fittings designed to connect two pieces of gas piping together. The various documents (manuals, installation guides, etc) available for gas water heaters refer to the use of what's called a ground joint union between the shutoff. A gas pipe union. How Does A Gas Union Fitting Work.
From mungfali.com
Swagelok Weld Fittings How Does A Gas Union Fitting Work To make an effectively working pipe fitting,. Three parts of pipe union: The union consists of three pieces—a nut, a male fitting, and a female fitting. They typically consist of three. The various documents (manuals, installation guides, etc) available for gas water heaters refer to the use of what's called a ground joint union between the shutoff. A gas pipe. How Does A Gas Union Fitting Work.
From www.reddit.com
Black pipe unions (natural gas) r/Plumbing How Does A Gas Union Fitting Work Gas pipe unions are specialized fittings designed to connect two pieces of gas piping together. Three parts of pipe union: The union consists of three pieces—a nut, a male fitting, and a female fitting. The pipe union fitting is two separate parts that can be connected or disconnected as needed as needed to both the outer and inner ends of. How Does A Gas Union Fitting Work.
From jillian-has-olson.blogspot.com
Which Are the Highest Rated Best Brake Line Union Fittings Jillian How Does A Gas Union Fitting Work The pipes can easily be separated without causing any piping. Make gas line connections from steel or copper pipes to. A gas pipe union is used to join two pipes together without having to solder or weld them. Q) how does a pipe union fitting work? Gas pipe unions are specialized fittings designed to connect two pieces of gas piping. How Does A Gas Union Fitting Work.
From plumbingger.com
What Is Plumbing Pipe Fitting? Plumbingger How Does A Gas Union Fitting Work They typically consist of three. A gas pipe union is used to join two pipes together without having to solder or weld them. The various documents (manuals, installation guides, etc) available for gas water heaters refer to the use of what's called a ground joint union between the shutoff. Q) how does a pipe union fitting work? To make an. How Does A Gas Union Fitting Work.
From xj.cdevco.net
Plumbing and running natural gas & propane gas lines How Does A Gas Union Fitting Work To make an effectively working pipe fitting,. The pipes can easily be separated without causing any piping. A gas pipe union is used to join two pipes together without having to solder or weld them. Three parts of pipe union: Make gas line connections from steel or copper pipes to. Q) how does a pipe union fitting work? They typically. How Does A Gas Union Fitting Work.
From dengarden.com
A Complete Guide to Using Plumbing Fittings for Joining PEX Pipe, PVC How Does A Gas Union Fitting Work Three parts of pipe union: To make an effectively working pipe fitting,. A gas pipe union is used to join two pipes together without having to solder or weld them. Q) how does a pipe union fitting work? The pipes can easily be separated without causing any piping. The various documents (manuals, installation guides, etc) available for gas water heaters. How Does A Gas Union Fitting Work.
From www.autozone.com
Dorman OE Solutions 3/8in Nylon To 3/8 Nylon Fuel Line Compression How Does A Gas Union Fitting Work A gas pipe union is used to join two pipes together without having to solder or weld them. Three parts of pipe union: The pipes can easily be separated without causing any piping. Gas pipe unions are specialized fittings designed to connect two pieces of gas piping together. They typically consist of three. Q) how does a pipe union fitting. How Does A Gas Union Fitting Work.
From www.steelsupplylp.com
Pipe Fittings Unions in Texas Steel Supply LP How Does A Gas Union Fitting Work The union consists of three pieces—a nut, a male fitting, and a female fitting. They typically consist of three. The pipes can easily be separated without causing any piping. A gas pipe union is used to join two pipes together without having to solder or weld them. To make an effectively working pipe fitting,. Three parts of pipe union: The. How Does A Gas Union Fitting Work.
From www.buyinsulationproductstore.com
How to Install PVC Union Fittings for Pipes and Insulation How Does A Gas Union Fitting Work The union consists of three pieces—a nut, a male fitting, and a female fitting. They typically consist of three. The pipes can easily be separated without causing any piping. Q) how does a pipe union fitting work? Three parts of pipe union: The various documents (manuals, installation guides, etc) available for gas water heaters refer to the use of what's. How Does A Gas Union Fitting Work.
From howtowiki91.blogspot.com
Plumbing Union Fitting Howto Howto Techno How Does A Gas Union Fitting Work To make an effectively working pipe fitting,. Q) how does a pipe union fitting work? Gas pipe unions are specialized fittings designed to connect two pieces of gas piping together. The pipe union fitting is two separate parts that can be connected or disconnected as needed as needed to both the outer and inner ends of each. The pipes can. How Does A Gas Union Fitting Work.
From howtowiki91.blogspot.com
Plumbing Union Fitting Howto Howto Techno How Does A Gas Union Fitting Work Gas pipe unions are specialized fittings designed to connect two pieces of gas piping together. Q) how does a pipe union fitting work? They typically consist of three. The various documents (manuals, installation guides, etc) available for gas water heaters refer to the use of what's called a ground joint union between the shutoff. The pipes can easily be separated. How Does A Gas Union Fitting Work.
From www.indiamart.com
Mild Steel Fittings Union for Gas Pipe, Size 2 inch, Rs 75/piece ID How Does A Gas Union Fitting Work A gas pipe union is used to join two pipes together without having to solder or weld them. Gas pipe unions are specialized fittings designed to connect two pieces of gas piping together. The pipes can easily be separated without causing any piping. To make an effectively working pipe fitting,. Make gas line connections from steel or copper pipes to.. How Does A Gas Union Fitting Work.
From www.youtube.com
HART Socket Weld Pipe Unions YouTube How Does A Gas Union Fitting Work The various documents (manuals, installation guides, etc) available for gas water heaters refer to the use of what's called a ground joint union between the shutoff. Three parts of pipe union: The pipe union fitting is two separate parts that can be connected or disconnected as needed as needed to both the outer and inner ends of each. A gas. How Does A Gas Union Fitting Work.
From www.lowes.com
B&K 3/8in x 3/8in Threaded Coupling Union Fitting at How Does A Gas Union Fitting Work The pipes can easily be separated without causing any piping. The pipe union fitting is two separate parts that can be connected or disconnected as needed as needed to both the outer and inner ends of each. To make an effectively working pipe fitting,. Three parts of pipe union: Gas pipe unions are specialized fittings designed to connect two pieces. How Does A Gas Union Fitting Work.
From www.ebay.com
4LIFETIMELINES 12 Piece 1/4 (7/1624 Inverted) Brake Line Fittings How Does A Gas Union Fitting Work They typically consist of three. The pipe union fitting is two separate parts that can be connected or disconnected as needed as needed to both the outer and inner ends of each. The various documents (manuals, installation guides, etc) available for gas water heaters refer to the use of what's called a ground joint union between the shutoff. Make gas. How Does A Gas Union Fitting Work.
From www.masterplumber.ca
Compression fitting Unions Master Plumber® How Does A Gas Union Fitting Work The pipe union fitting is two separate parts that can be connected or disconnected as needed as needed to both the outer and inner ends of each. Make gas line connections from steel or copper pipes to. A gas pipe union is used to join two pipes together without having to solder or weld them. The union consists of three. How Does A Gas Union Fitting Work.
From exoswucwc.blob.core.windows.net
Galvanized Steel Pipe At Lowes at Christopher Draper blog How Does A Gas Union Fitting Work They typically consist of three. The pipe union fitting is two separate parts that can be connected or disconnected as needed as needed to both the outer and inner ends of each. The union consists of three pieces—a nut, a male fitting, and a female fitting. Gas pipe unions are specialized fittings designed to connect two pieces of gas piping. How Does A Gas Union Fitting Work.
From www.youtube.com
How compression fittings work Plumbing Tips YouTube How Does A Gas Union Fitting Work The various documents (manuals, installation guides, etc) available for gas water heaters refer to the use of what's called a ground joint union between the shutoff. The pipes can easily be separated without causing any piping. Q) how does a pipe union fitting work? Three parts of pipe union: A gas pipe union is used to join two pipes together. How Does A Gas Union Fitting Work.
From www.jianzhipipefitting.com
GI အလျှော့ပေးသည့် ပိုက်ပေါက်၊ ပလတ်ပိုက် Jianzhi ပိုက် ဆက်စပ်ပစ္စည်းများ How Does A Gas Union Fitting Work Three parts of pipe union: The union consists of three pieces—a nut, a male fitting, and a female fitting. Gas pipe unions are specialized fittings designed to connect two pieces of gas piping together. To make an effectively working pipe fitting,. The various documents (manuals, installation guides, etc) available for gas water heaters refer to the use of what's called. How Does A Gas Union Fitting Work.
From www.fastenersweb.com
Male Stainless Steel Gas Pipe Union Fitting Suppliers, Manufacturers How Does A Gas Union Fitting Work The pipe union fitting is two separate parts that can be connected or disconnected as needed as needed to both the outer and inner ends of each. They typically consist of three. A gas pipe union is used to join two pipes together without having to solder or weld them. Gas pipe unions are specialized fittings designed to connect two. How Does A Gas Union Fitting Work.
From www.sofra-inox.fr
Thin Union Fitting Male BW with conical seat Gas Thread 316L How Does A Gas Union Fitting Work Three parts of pipe union: Gas pipe unions are specialized fittings designed to connect two pieces of gas piping together. The union consists of three pieces—a nut, a male fitting, and a female fitting. Q) how does a pipe union fitting work? The various documents (manuals, installation guides, etc) available for gas water heaters refer to the use of what's. How Does A Gas Union Fitting Work.
From exotulqfy.blob.core.windows.net
Gas Range Fitting Size at William Dunklin blog How Does A Gas Union Fitting Work Three parts of pipe union: The pipes can easily be separated without causing any piping. Make gas line connections from steel or copper pipes to. To make an effectively working pipe fitting,. Gas pipe unions are specialized fittings designed to connect two pieces of gas piping together. The various documents (manuals, installation guides, etc) available for gas water heaters refer. How Does A Gas Union Fitting Work.
From www.linquip.com
Types of Pipe Fittings A Practical Guide in 2022 Linquip How Does A Gas Union Fitting Work The union consists of three pieces—a nut, a male fitting, and a female fitting. Three parts of pipe union: Gas pipe unions are specialized fittings designed to connect two pieces of gas piping together. They typically consist of three. The pipe union fitting is two separate parts that can be connected or disconnected as needed as needed to both the. How Does A Gas Union Fitting Work.
From dengarden.com
A Complete Guide to Using Plumbing Fittings for Joining PEX Pipe, PVC How Does A Gas Union Fitting Work The various documents (manuals, installation guides, etc) available for gas water heaters refer to the use of what's called a ground joint union between the shutoff. Make gas line connections from steel or copper pipes to. The union consists of three pieces—a nut, a male fitting, and a female fitting. A gas pipe union is used to join two pipes. How Does A Gas Union Fitting Work.
From www.youtube.com
How to mate brake or fuel lines with a double flare union YouTube How Does A Gas Union Fitting Work The pipes can easily be separated without causing any piping. Three parts of pipe union: Q) how does a pipe union fitting work? The union consists of three pieces—a nut, a male fitting, and a female fitting. A gas pipe union is used to join two pipes together without having to solder or weld them. Make gas line connections from. How Does A Gas Union Fitting Work.
From www.directmaterial.com
Conical Union Fitting, available in SS316 and SS304. How Does A Gas Union Fitting Work A gas pipe union is used to join two pipes together without having to solder or weld them. To make an effectively working pipe fitting,. Gas pipe unions are specialized fittings designed to connect two pieces of gas piping together. The various documents (manuals, installation guides, etc) available for gas water heaters refer to the use of what's called a. How Does A Gas Union Fitting Work.
From www.onthejobplumbing.com.au
Gas Fittings On The Job Plumbing How Does A Gas Union Fitting Work The pipes can easily be separated without causing any piping. To make an effectively working pipe fitting,. Three parts of pipe union: The various documents (manuals, installation guides, etc) available for gas water heaters refer to the use of what's called a ground joint union between the shutoff. A gas pipe union is used to join two pipes together without. How Does A Gas Union Fitting Work.
From www.amazon.com
Union 1/2" Female NPT Stainless Steel Pipe Fitting 0.5" Industrial How Does A Gas Union Fitting Work A gas pipe union is used to join two pipes together without having to solder or weld them. They typically consist of three. To make an effectively working pipe fitting,. Make gas line connections from steel or copper pipes to. The union consists of three pieces—a nut, a male fitting, and a female fitting. Gas pipe unions are specialized fittings. How Does A Gas Union Fitting Work.
From fyoohiily.blob.core.windows.net
Gas Fittings Union at Carlos Gebhart blog How Does A Gas Union Fitting Work Make gas line connections from steel or copper pipes to. The various documents (manuals, installation guides, etc) available for gas water heaters refer to the use of what's called a ground joint union between the shutoff. Three parts of pipe union: The pipe union fitting is two separate parts that can be connected or disconnected as needed as needed to. How Does A Gas Union Fitting Work.
From www.lowes.com
Mueller Proline 3/4in dia Black Iron Union Fitting at How Does A Gas Union Fitting Work To make an effectively working pipe fitting,. The pipes can easily be separated without causing any piping. Q) how does a pipe union fitting work? The pipe union fitting is two separate parts that can be connected or disconnected as needed as needed to both the outer and inner ends of each. They typically consist of three. The various documents. How Does A Gas Union Fitting Work.
From www.coastrv.com.au
Gas Unions, Nuts & Valves Coast to Coast RV How Does A Gas Union Fitting Work The various documents (manuals, installation guides, etc) available for gas water heaters refer to the use of what's called a ground joint union between the shutoff. Make gas line connections from steel or copper pipes to. The pipe union fitting is two separate parts that can be connected or disconnected as needed as needed to both the outer and inner. How Does A Gas Union Fitting Work.
From xj.cdevco.net
Plumbing and running natural gas & propane gas lines How Does A Gas Union Fitting Work The union consists of three pieces—a nut, a male fitting, and a female fitting. The pipe union fitting is two separate parts that can be connected or disconnected as needed as needed to both the outer and inner ends of each. To make an effectively working pipe fitting,. They typically consist of three. Q) how does a pipe union fitting. How Does A Gas Union Fitting Work.
From tzlvke.en.made-in-china.com
China Plastic UPVC PVC Pipe Union/Pipe Fitting/Union Connector/Coupling How Does A Gas Union Fitting Work The pipes can easily be separated without causing any piping. Three parts of pipe union: They typically consist of three. The various documents (manuals, installation guides, etc) available for gas water heaters refer to the use of what's called a ground joint union between the shutoff. To make an effectively working pipe fitting,. A gas pipe union is used to. How Does A Gas Union Fitting Work.