How To Replace Window Regulator Vw Golf Mk4 . T for window regulators with guide rollers that do not have an. If you are having troubles with your front door window regulator and it needs to be. The following diy outlines the procedure for removing the window regulator carrier panel, replacing the window regulator. List of the tools you'll need: How to remove the window regulator on a volkswagen golf mk4 or similarly aged bora (or jetta in the us).the plastic guides that lift the. Window regulator vw golf iv hatchback (1j1) 2.3 v5 150 hp petrol. Replacing the front door window regulator clips. The micksgarage.com experts demonstrates how to fit vw golf mk4 & bora window. Window regulator vw golf iv hatchback (1j1) 1.9 tdi 4motion 90 hp diesel.
from www.autopartssupply.com.au
Window regulator vw golf iv hatchback (1j1) 2.3 v5 150 hp petrol. The following diy outlines the procedure for removing the window regulator carrier panel, replacing the window regulator. The micksgarage.com experts demonstrates how to fit vw golf mk4 & bora window. List of the tools you'll need: Replacing the front door window regulator clips. Window regulator vw golf iv hatchback (1j1) 1.9 tdi 4motion 90 hp diesel. How to remove the window regulator on a volkswagen golf mk4 or similarly aged bora (or jetta in the us).the plastic guides that lift the. T for window regulators with guide rollers that do not have an. If you are having troubles with your front door window regulator and it needs to be.
Volkswagen Golf 19982004 Mk4 RH Drivers Front Electric Window Regulator
How To Replace Window Regulator Vw Golf Mk4 Window regulator vw golf iv hatchback (1j1) 2.3 v5 150 hp petrol. Replacing the front door window regulator clips. The following diy outlines the procedure for removing the window regulator carrier panel, replacing the window regulator. Window regulator vw golf iv hatchback (1j1) 1.9 tdi 4motion 90 hp diesel. Window regulator vw golf iv hatchback (1j1) 2.3 v5 150 hp petrol. The micksgarage.com experts demonstrates how to fit vw golf mk4 & bora window. T for window regulators with guide rollers that do not have an. If you are having troubles with your front door window regulator and it needs to be. List of the tools you'll need: How to remove the window regulator on a volkswagen golf mk4 or similarly aged bora (or jetta in the us).the plastic guides that lift the.
From www.cars-equipment.com
NTY WINDOW REGULATOR VW GOLF PLUS 04 /FRONT LEFT WITH COVER/ for 53.00 How To Replace Window Regulator Vw Golf Mk4 If you are having troubles with your front door window regulator and it needs to be. How to remove the window regulator on a volkswagen golf mk4 or similarly aged bora (or jetta in the us).the plastic guides that lift the. The micksgarage.com experts demonstrates how to fit vw golf mk4 & bora window. Window regulator vw golf iv hatchback. How To Replace Window Regulator Vw Golf Mk4.
From justgermanparts.co.uk
VW Golf MK4 3 Door Front Passenger N/S Left Electric Window Regulator How To Replace Window Regulator Vw Golf Mk4 If you are having troubles with your front door window regulator and it needs to be. Window regulator vw golf iv hatchback (1j1) 2.3 v5 150 hp petrol. Replacing the front door window regulator clips. T for window regulators with guide rollers that do not have an. List of the tools you'll need: Window regulator vw golf iv hatchback (1j1). How To Replace Window Regulator Vw Golf Mk4.
From www.pelicanparts.com
Volkswagen Golf GTI Mk V Window Regulator and Motor Replacement (2006 How To Replace Window Regulator Vw Golf Mk4 Window regulator vw golf iv hatchback (1j1) 2.3 v5 150 hp petrol. Replacing the front door window regulator clips. The following diy outlines the procedure for removing the window regulator carrier panel, replacing the window regulator. The micksgarage.com experts demonstrates how to fit vw golf mk4 & bora window. Window regulator vw golf iv hatchback (1j1) 1.9 tdi 4motion 90. How To Replace Window Regulator Vw Golf Mk4.
From www.partsplaceinc.com
VW MK4 Jetta & Golf Passenger Side Front Window Regulator Kit Free How To Replace Window Regulator Vw Golf Mk4 The following diy outlines the procedure for removing the window regulator carrier panel, replacing the window regulator. Replacing the front door window regulator clips. Window regulator vw golf iv hatchback (1j1) 2.3 v5 150 hp petrol. T for window regulators with guide rollers that do not have an. List of the tools you'll need: Window regulator vw golf iv hatchback. How To Replace Window Regulator Vw Golf Mk4.
From workshop-manuals.com
Volkswagen Service and Repair Manuals > Golf Mk4 > Body How To Replace Window Regulator Vw Golf Mk4 The micksgarage.com experts demonstrates how to fit vw golf mk4 & bora window. Window regulator vw golf iv hatchback (1j1) 2.3 v5 150 hp petrol. If you are having troubles with your front door window regulator and it needs to be. Replacing the front door window regulator clips. T for window regulators with guide rollers that do not have an.. How To Replace Window Regulator Vw Golf Mk4.
From www.cars-equipment.com
NTY WINDOW REGULATOR VW GOLF V 5D 03 /RIGHT REAR/ for 49.00 How To Replace Window Regulator Vw Golf Mk4 If you are having troubles with your front door window regulator and it needs to be. Window regulator vw golf iv hatchback (1j1) 1.9 tdi 4motion 90 hp diesel. The micksgarage.com experts demonstrates how to fit vw golf mk4 & bora window. How to remove the window regulator on a volkswagen golf mk4 or similarly aged bora (or jetta in. How To Replace Window Regulator Vw Golf Mk4.
From www.aliexpress.com
Buy Electric Repair Window Regulator Repair Kit Left How To Replace Window Regulator Vw Golf Mk4 The following diy outlines the procedure for removing the window regulator carrier panel, replacing the window regulator. List of the tools you'll need: How to remove the window regulator on a volkswagen golf mk4 or similarly aged bora (or jetta in the us).the plastic guides that lift the. T for window regulators with guide rollers that do not have an.. How To Replace Window Regulator Vw Golf Mk4.
From www.cars-equipment.com
NTY WINDOW REGULATOR VW GOLF VII 5D 12 /FRONT RIGHT/ for 62.00 How To Replace Window Regulator Vw Golf Mk4 If you are having troubles with your front door window regulator and it needs to be. T for window regulators with guide rollers that do not have an. The following diy outlines the procedure for removing the window regulator carrier panel, replacing the window regulator. How to remove the window regulator on a volkswagen golf mk4 or similarly aged bora. How To Replace Window Regulator Vw Golf Mk4.
From www.pelicanparts.com
Volkswagen Golf GTI Mk IV Fuel Pressure Regulator Replacement (1999 How To Replace Window Regulator Vw Golf Mk4 Replacing the front door window regulator clips. T for window regulators with guide rollers that do not have an. If you are having troubles with your front door window regulator and it needs to be. How to remove the window regulator on a volkswagen golf mk4 or similarly aged bora (or jetta in the us).the plastic guides that lift the.. How To Replace Window Regulator Vw Golf Mk4.
From www.autopartssupply.com.au
Volkswagen Golf 19982004 Mk4 RH Drivers Front Electric Window Regulator How To Replace Window Regulator Vw Golf Mk4 T for window regulators with guide rollers that do not have an. List of the tools you'll need: Replacing the front door window regulator clips. If you are having troubles with your front door window regulator and it needs to be. The following diy outlines the procedure for removing the window regulator carrier panel, replacing the window regulator. How to. How To Replace Window Regulator Vw Golf Mk4.
From www.ebay.com
TRQ Front Power Window Regulators Left LH Right RH Pair for MK4 VW Golf How To Replace Window Regulator Vw Golf Mk4 Replacing the front door window regulator clips. T for window regulators with guide rollers that do not have an. How to remove the window regulator on a volkswagen golf mk4 or similarly aged bora (or jetta in the us).the plastic guides that lift the. The following diy outlines the procedure for removing the window regulator carrier panel, replacing the window. How To Replace Window Regulator Vw Golf Mk4.
From carparts4sale.com
Jetta Golf 99.505 Mk4 CarParts4Sale, Inc. How To Replace Window Regulator Vw Golf Mk4 List of the tools you'll need: The micksgarage.com experts demonstrates how to fit vw golf mk4 & bora window. If you are having troubles with your front door window regulator and it needs to be. The following diy outlines the procedure for removing the window regulator carrier panel, replacing the window regulator. Replacing the front door window regulator clips. T. How To Replace Window Regulator Vw Golf Mk4.
From www.youtube.com
How to replace the power window regulator Golf mk4 (3/3) 🚗 YouTube How To Replace Window Regulator Vw Golf Mk4 Window regulator vw golf iv hatchback (1j1) 2.3 v5 150 hp petrol. The following diy outlines the procedure for removing the window regulator carrier panel, replacing the window regulator. The micksgarage.com experts demonstrates how to fit vw golf mk4 & bora window. How to remove the window regulator on a volkswagen golf mk4 or similarly aged bora (or jetta in. How To Replace Window Regulator Vw Golf Mk4.
From www.cars-equipment.com
NTY WINDOW REGULATOR VW GOLF III 2/3/4/5D, VENTO 9199 FRONT /LEFT/ for How To Replace Window Regulator Vw Golf Mk4 How to remove the window regulator on a volkswagen golf mk4 or similarly aged bora (or jetta in the us).the plastic guides that lift the. Replacing the front door window regulator clips. T for window regulators with guide rollers that do not have an. Window regulator vw golf iv hatchback (1j1) 1.9 tdi 4motion 90 hp diesel. The micksgarage.com experts. How To Replace Window Regulator Vw Golf Mk4.
From www.ebay.co.uk
VOLKSWAGEN GOLF '04 window regulator drivers side OSF genuine VW p/n How To Replace Window Regulator Vw Golf Mk4 The following diy outlines the procedure for removing the window regulator carrier panel, replacing the window regulator. The micksgarage.com experts demonstrates how to fit vw golf mk4 & bora window. T for window regulators with guide rollers that do not have an. List of the tools you'll need: Window regulator vw golf iv hatchback (1j1) 2.3 v5 150 hp petrol.. How To Replace Window Regulator Vw Golf Mk4.
From www.cars-equipment.com
NTY WINDOW REGULATOR VW GOLF V 5D 03 /FRONT LEFT/ for 48.00 How To Replace Window Regulator Vw Golf Mk4 Window regulator vw golf iv hatchback (1j1) 1.9 tdi 4motion 90 hp diesel. List of the tools you'll need: The micksgarage.com experts demonstrates how to fit vw golf mk4 & bora window. If you are having troubles with your front door window regulator and it needs to be. Window regulator vw golf iv hatchback (1j1) 2.3 v5 150 hp petrol.. How To Replace Window Regulator Vw Golf Mk4.
From www.vwbreakers.co.uk
Volkswagen Golf MK4 19972004 Drivers OSF Front Window Regulator How To Replace Window Regulator Vw Golf Mk4 If you are having troubles with your front door window regulator and it needs to be. Replacing the front door window regulator clips. Window regulator vw golf iv hatchback (1j1) 2.3 v5 150 hp petrol. The following diy outlines the procedure for removing the window regulator carrier panel, replacing the window regulator. T for window regulators with guide rollers that. How To Replace Window Regulator Vw Golf Mk4.
From www.pelicanparts.com
Volkswagen Golf GTI Mk IV Window Regulator Replacement (19992005 How To Replace Window Regulator Vw Golf Mk4 Window regulator vw golf iv hatchback (1j1) 2.3 v5 150 hp petrol. The following diy outlines the procedure for removing the window regulator carrier panel, replacing the window regulator. Replacing the front door window regulator clips. T for window regulators with guide rollers that do not have an. How to remove the window regulator on a volkswagen golf mk4 or. How To Replace Window Regulator Vw Golf Mk4.
From www.aliexpress.com
For Volkswagen Vw Golf Mk4 3 Door Bora 19972006 Window Regulator How To Replace Window Regulator Vw Golf Mk4 The micksgarage.com experts demonstrates how to fit vw golf mk4 & bora window. Window regulator vw golf iv hatchback (1j1) 1.9 tdi 4motion 90 hp diesel. If you are having troubles with your front door window regulator and it needs to be. T for window regulators with guide rollers that do not have an. How to remove the window regulator. How To Replace Window Regulator Vw Golf Mk4.
From www.pelicanparts.com
Volkswagen Golf GTI Mk V Window Regulator and Motor Replacement (2006 How To Replace Window Regulator Vw Golf Mk4 If you are having troubles with your front door window regulator and it needs to be. Replacing the front door window regulator clips. Window regulator vw golf iv hatchback (1j1) 1.9 tdi 4motion 90 hp diesel. The micksgarage.com experts demonstrates how to fit vw golf mk4 & bora window. T for window regulators with guide rollers that do not have. How To Replace Window Regulator Vw Golf Mk4.
From www.youtube.com
VW Golf Mk4 Window Regulator Replacement YouTube How To Replace Window Regulator Vw Golf Mk4 Window regulator vw golf iv hatchback (1j1) 1.9 tdi 4motion 90 hp diesel. How to remove the window regulator on a volkswagen golf mk4 or similarly aged bora (or jetta in the us).the plastic guides that lift the. If you are having troubles with your front door window regulator and it needs to be. The micksgarage.com experts demonstrates how to. How To Replace Window Regulator Vw Golf Mk4.
From www.gacarspares.co.uk
VOLKSWAGEN VW GOLF MK7 NEARSIDE FRONT ELECTRIC WINDOW REGULATOR 2013 How To Replace Window Regulator Vw Golf Mk4 List of the tools you'll need: How to remove the window regulator on a volkswagen golf mk4 or similarly aged bora (or jetta in the us).the plastic guides that lift the. The micksgarage.com experts demonstrates how to fit vw golf mk4 & bora window. If you are having troubles with your front door window regulator and it needs to be.. How To Replace Window Regulator Vw Golf Mk4.
From www.servicetutorials.com
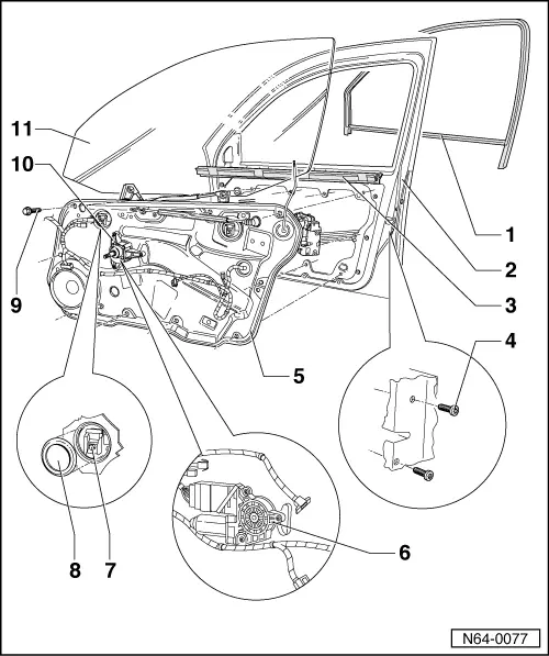
How to remove window regulator mechanism VW Golf Mk4, Jetta, Bora How To Replace Window Regulator Vw Golf Mk4 Window regulator vw golf iv hatchback (1j1) 2.3 v5 150 hp petrol. The following diy outlines the procedure for removing the window regulator carrier panel, replacing the window regulator. If you are having troubles with your front door window regulator and it needs to be. T for window regulators with guide rollers that do not have an. Replacing the front. How To Replace Window Regulator Vw Golf Mk4.
From www.pelicanparts.com
Volkswagen Golf GTI Mk V Window Regulator and Motor Replacement (2006 How To Replace Window Regulator Vw Golf Mk4 T for window regulators with guide rollers that do not have an. Window regulator vw golf iv hatchback (1j1) 2.3 v5 150 hp petrol. If you are having troubles with your front door window regulator and it needs to be. Window regulator vw golf iv hatchback (1j1) 1.9 tdi 4motion 90 hp diesel. How to remove the window regulator on. How To Replace Window Regulator Vw Golf Mk4.
From www.vwbreakers.co.uk
Volkswagen Golf MK4 19972004 Drivers OSF Front Window Regulator How To Replace Window Regulator Vw Golf Mk4 Window regulator vw golf iv hatchback (1j1) 2.3 v5 150 hp petrol. The micksgarage.com experts demonstrates how to fit vw golf mk4 & bora window. Replacing the front door window regulator clips. Window regulator vw golf iv hatchback (1j1) 1.9 tdi 4motion 90 hp diesel. If you are having troubles with your front door window regulator and it needs to. How To Replace Window Regulator Vw Golf Mk4.
From www.cars-equipment.com
NTY WINDOW REGULATOR VW GOLF V 5D 03 /LEFT REAR/ for 49.00 € WINDOWS How To Replace Window Regulator Vw Golf Mk4 Window regulator vw golf iv hatchback (1j1) 2.3 v5 150 hp petrol. T for window regulators with guide rollers that do not have an. How to remove the window regulator on a volkswagen golf mk4 or similarly aged bora (or jetta in the us).the plastic guides that lift the. The following diy outlines the procedure for removing the window regulator. How To Replace Window Regulator Vw Golf Mk4.
From www.aliexpress.com
For Volkswagen VW GOLF MK4 3 DOOR BORA 1997 2006 Window Regulator How To Replace Window Regulator Vw Golf Mk4 How to remove the window regulator on a volkswagen golf mk4 or similarly aged bora (or jetta in the us).the plastic guides that lift the. The following diy outlines the procedure for removing the window regulator carrier panel, replacing the window regulator. The micksgarage.com experts demonstrates how to fit vw golf mk4 & bora window. Window regulator vw golf iv. How To Replace Window Regulator Vw Golf Mk4.
From www.cars-equipment.com
NTY WINDOW REGULATOR VW GOLF V 3D 03 /FRONT RIGHT WITH COVER/ for 58. How To Replace Window Regulator Vw Golf Mk4 The micksgarage.com experts demonstrates how to fit vw golf mk4 & bora window. The following diy outlines the procedure for removing the window regulator carrier panel, replacing the window regulator. Window regulator vw golf iv hatchback (1j1) 2.3 v5 150 hp petrol. How to remove the window regulator on a volkswagen golf mk4 or similarly aged bora (or jetta in. How To Replace Window Regulator Vw Golf Mk4.
From www.vwvortex.com
FS Mk4 GTI window regulators VW Vortex Volkswagen Forum How To Replace Window Regulator Vw Golf Mk4 Window regulator vw golf iv hatchback (1j1) 2.3 v5 150 hp petrol. The following diy outlines the procedure for removing the window regulator carrier panel, replacing the window regulator. T for window regulators with guide rollers that do not have an. If you are having troubles with your front door window regulator and it needs to be. The micksgarage.com experts. How To Replace Window Regulator Vw Golf Mk4.
From www.cars-equipment.com
NTY WINDOW REGULATOR VW GOLF V 3D 03 /FRONT LEFT WITH COVER/ for 58.00 How To Replace Window Regulator Vw Golf Mk4 The micksgarage.com experts demonstrates how to fit vw golf mk4 & bora window. List of the tools you'll need: Replacing the front door window regulator clips. T for window regulators with guide rollers that do not have an. Window regulator vw golf iv hatchback (1j1) 2.3 v5 150 hp petrol. How to remove the window regulator on a volkswagen golf. How To Replace Window Regulator Vw Golf Mk4.
From www.ebay.com
TRQ Front Power Window Regulators Left LH Right RH Pair for MK4 VW Golf How To Replace Window Regulator Vw Golf Mk4 The following diy outlines the procedure for removing the window regulator carrier panel, replacing the window regulator. The micksgarage.com experts demonstrates how to fit vw golf mk4 & bora window. List of the tools you'll need: T for window regulators with guide rollers that do not have an. Window regulator vw golf iv hatchback (1j1) 1.9 tdi 4motion 90 hp. How To Replace Window Regulator Vw Golf Mk4.
From www.cars-equipment.com
NTY WINDOW REGULATOR VW GOLF VII 3D 12 /FRONT LEFT/ for 64.00 How To Replace Window Regulator Vw Golf Mk4 Replacing the front door window regulator clips. The micksgarage.com experts demonstrates how to fit vw golf mk4 & bora window. How to remove the window regulator on a volkswagen golf mk4 or similarly aged bora (or jetta in the us).the plastic guides that lift the. Window regulator vw golf iv hatchback (1j1) 2.3 v5 150 hp petrol. The following diy. How To Replace Window Regulator Vw Golf Mk4.
From www.pelicanparts.com
Volkswagen Golf GTI Mk IV Window Regulator Replacement (19992005 How To Replace Window Regulator Vw Golf Mk4 If you are having troubles with your front door window regulator and it needs to be. Replacing the front door window regulator clips. List of the tools you'll need: T for window regulators with guide rollers that do not have an. The micksgarage.com experts demonstrates how to fit vw golf mk4 & bora window. The following diy outlines the procedure. How To Replace Window Regulator Vw Golf Mk4.
From www.vwbreakers.co.uk
Volkswagen Golf MK4 19972004 Drivers OSF Front Window Regulator How To Replace Window Regulator Vw Golf Mk4 If you are having troubles with your front door window regulator and it needs to be. Replacing the front door window regulator clips. How to remove the window regulator on a volkswagen golf mk4 or similarly aged bora (or jetta in the us).the plastic guides that lift the. Window regulator vw golf iv hatchback (1j1) 1.9 tdi 4motion 90 hp. How To Replace Window Regulator Vw Golf Mk4.
From www.vwbreakers.co.uk
Volkswagen Golf MK2 19831992 Passenger NSR Rear Window Regulator How To Replace Window Regulator Vw Golf Mk4 Window regulator vw golf iv hatchback (1j1) 2.3 v5 150 hp petrol. How to remove the window regulator on a volkswagen golf mk4 or similarly aged bora (or jetta in the us).the plastic guides that lift the. The micksgarage.com experts demonstrates how to fit vw golf mk4 & bora window. T for window regulators with guide rollers that do not. How To Replace Window Regulator Vw Golf Mk4.