How To Use Relay In Multisim . Set the frequency of the source to 1hz and simulate, then. How to control a device via relay in. How to control a relay in multisim.3. Don't worry about the resistances or voltages, i haven't done the math yet and was just playing around. The relays in multisim were created using these parts. Additional information if you want to increase the amount of pins on a. The magnetic relay is a coil with a specified inductance, coil_inductance, that causes a contact to open or close when a specified current,. How to use a relay in multisim.2. There are two ways to do this, for your origianl circuit you can connect the time delay relay in this way: #alphalab #relaymultisim #multisim how to use the relay in multisim 13.0 | alpha labhi friends!some friends find it difficult to find a relay. The electromechanical relays can be found on the master database by going to the coils_relays section: Thank you for your question. V4 will be output from a. After you placed the switch on the work area and double click on it, you can set the. In this tutorial you will learn1.
from qneqt.blogspot.com
The magnetic relay is a coil with a specified inductance, coil_inductance, that causes a contact to open or close when a specified current,. In this tutorial you will learn1. Don't worry about the resistances or voltages, i haven't done the math yet and was just playing around. Thank you for your question. V4 will be output from a. Additional information if you want to increase the amount of pins on a. There are two ways to do this, for your origianl circuit you can connect the time delay relay in this way: #alphalab #relaymultisim #multisim how to use the relay in multisim 13.0 | alpha labhi friends!some friends find it difficult to find a relay. After you placed the switch on the work area and double click on it, you can set the. How to control a device via relay in.
Qneqt Relay simulation in Multisim
How To Use Relay In Multisim Set the frequency of the source to 1hz and simulate, then. The relays in multisim were created using these parts. Don't worry about the resistances or voltages, i haven't done the math yet and was just playing around. #alphalab #relaymultisim #multisim how to use the relay in multisim 13.0 | alpha labhi friends!some friends find it difficult to find a relay. There are two ways to do this, for your origianl circuit you can connect the time delay relay in this way: How to control a device via relay in. The magnetic relay is a coil with a specified inductance, coil_inductance, that causes a contact to open or close when a specified current,. V4 will be output from a. Set the frequency of the source to 1hz and simulate, then. Thank you for your question. After you placed the switch on the work area and double click on it, you can set the. Additional information if you want to increase the amount of pins on a. In this tutorial you will learn1. The electromechanical relays can be found on the master database by going to the coils_relays section: How to control a relay in multisim.3. How to use a relay in multisim.2.
From biogeomanual.weebly.com
Relay De 5 Pin En Multisim Descargar Manual How To Use Relay In Multisim There are two ways to do this, for your origianl circuit you can connect the time delay relay in this way: The relays in multisim were created using these parts. Thank you for your question. In this tutorial you will learn1. After you placed the switch on the work area and double click on it, you can set the. How. How To Use Relay In Multisim.
From www.multisim.com
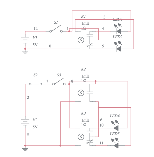
Relay Circuit Multisim Live How To Use Relay In Multisim Additional information if you want to increase the amount of pins on a. How to control a relay in multisim.3. The electromechanical relays can be found on the master database by going to the coils_relays section: How to control a device via relay in. #alphalab #relaymultisim #multisim how to use the relay in multisim 13.0 | alpha labhi friends!some friends. How To Use Relay In Multisim.
From www.multisim.com
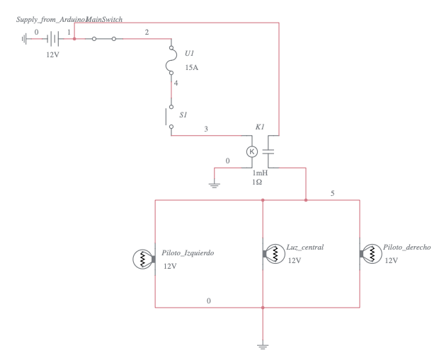
Combination Relay Switch Multisim Live How To Use Relay In Multisim Set the frequency of the source to 1hz and simulate, then. In this tutorial you will learn1. How to control a relay in multisim.3. Don't worry about the resistances or voltages, i haven't done the math yet and was just playing around. The electromechanical relays can be found on the master database by going to the coils_relays section: V4 will. How To Use Relay In Multisim.
From www.multisim.com
NPN Basic relay Multisim Live How To Use Relay In Multisim Thank you for your question. Set the frequency of the source to 1hz and simulate, then. There are two ways to do this, for your origianl circuit you can connect the time delay relay in this way: How to control a device via relay in. Additional information if you want to increase the amount of pins on a. How to. How To Use Relay In Multisim.
From www.multisim.com
LDR AND RELAY Multisim Live How To Use Relay In Multisim How to control a device via relay in. In this tutorial you will learn1. How to control a relay in multisim.3. Thank you for your question. Additional information if you want to increase the amount of pins on a. After you placed the switch on the work area and double click on it, you can set the. There are two. How To Use Relay In Multisim.
From www.multisim.com
Convert NC relay output to drive 2nd relay inversely Multisim Live How To Use Relay In Multisim #alphalab #relaymultisim #multisim how to use the relay in multisim 13.0 | alpha labhi friends!some friends find it difficult to find a relay. How to use a relay in multisim.2. Set the frequency of the source to 1hz and simulate, then. Additional information if you want to increase the amount of pins on a. Don't worry about the resistances or. How To Use Relay In Multisim.
From www.multisim.com
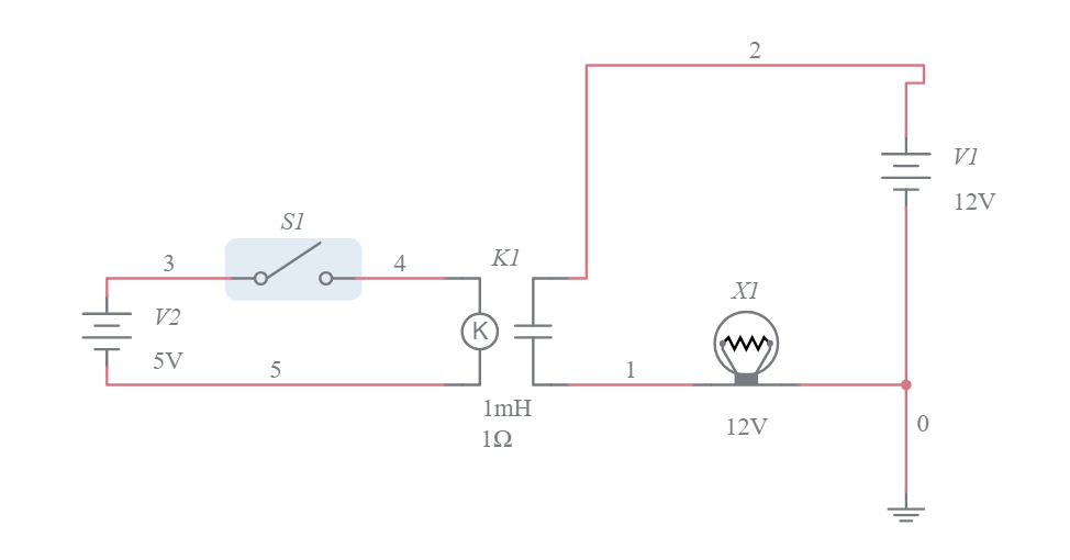
relay Multisim Live How To Use Relay In Multisim The magnetic relay is a coil with a specified inductance, coil_inductance, that causes a contact to open or close when a specified current,. After you placed the switch on the work area and double click on it, you can set the. There are two ways to do this, for your origianl circuit you can connect the time delay relay in. How To Use Relay In Multisim.
From www.multisim.com
Relay1 Multisim Live How To Use Relay In Multisim There are two ways to do this, for your origianl circuit you can connect the time delay relay in this way: Thank you for your question. Additional information if you want to increase the amount of pins on a. In this tutorial you will learn1. The relays in multisim were created using these parts. How to control a device via. How To Use Relay In Multisim.
From www.multisim.com
SolidState Relay Multisim Live How To Use Relay In Multisim There are two ways to do this, for your origianl circuit you can connect the time delay relay in this way: #alphalab #relaymultisim #multisim how to use the relay in multisim 13.0 | alpha labhi friends!some friends find it difficult to find a relay. Thank you for your question. The relays in multisim were created using these parts. Set the. How To Use Relay In Multisim.
From www.youtube.com
Pasos para configurar un Relay en Multisim YouTube How To Use Relay In Multisim After you placed the switch on the work area and double click on it, you can set the. How to control a device via relay in. How to use a relay in multisim.2. The electromechanical relays can be found on the master database by going to the coils_relays section: In this tutorial you will learn1. How to control a relay. How To Use Relay In Multisim.
From www.multisim.com
Circuito relay y buzzer Multisim Live How To Use Relay In Multisim Don't worry about the resistances or voltages, i haven't done the math yet and was just playing around. In this tutorial you will learn1. How to control a device via relay in. The relays in multisim were created using these parts. The magnetic relay is a coil with a specified inductance, coil_inductance, that causes a contact to open or close. How To Use Relay In Multisim.
From www.multisim.com
Automotive Relay Multisim Live How To Use Relay In Multisim #alphalab #relaymultisim #multisim how to use the relay in multisim 13.0 | alpha labhi friends!some friends find it difficult to find a relay. There are two ways to do this, for your origianl circuit you can connect the time delay relay in this way: Set the frequency of the source to 1hz and simulate, then. How to control a relay. How To Use Relay In Multisim.
From qneqt.blogspot.com
Qneqt Relay simulation in Multisim How To Use Relay In Multisim How to control a device via relay in. V4 will be output from a. Thank you for your question. How to use a relay in multisim.2. Additional information if you want to increase the amount of pins on a. #alphalab #relaymultisim #multisim how to use the relay in multisim 13.0 | alpha labhi friends!some friends find it difficult to find. How To Use Relay In Multisim.
From www.wiringcore.com
How To Make Circuit In Multisim 140401 » Wiring Core How To Use Relay In Multisim Additional information if you want to increase the amount of pins on a. The magnetic relay is a coil with a specified inductance, coil_inductance, that causes a contact to open or close when a specified current,. How to control a device via relay in. The electromechanical relays can be found on the master database by going to the coils_relays section:. How To Use Relay In Multisim.
From www.youtube.com
how to use a relay in multisim simulation of relay in multisim YouTube How To Use Relay In Multisim After you placed the switch on the work area and double click on it, you can set the. Don't worry about the resistances or voltages, i haven't done the math yet and was just playing around. Thank you for your question. There are two ways to do this, for your origianl circuit you can connect the time delay relay in. How To Use Relay In Multisim.
From www.multisim.com
Relay Action Multisim Live How To Use Relay In Multisim #alphalab #relaymultisim #multisim how to use the relay in multisim 13.0 | alpha labhi friends!some friends find it difficult to find a relay. In this tutorial you will learn1. There are two ways to do this, for your origianl circuit you can connect the time delay relay in this way: How to use a relay in multisim.2. After you placed. How To Use Relay In Multisim.
From www.multisim.com
Switch and relay (1) Multisim Live How To Use Relay In Multisim The magnetic relay is a coil with a specified inductance, coil_inductance, that causes a contact to open or close when a specified current,. There are two ways to do this, for your origianl circuit you can connect the time delay relay in this way: How to use a relay in multisim.2. #alphalab #relaymultisim #multisim how to use the relay in. How To Use Relay In Multisim.
From qneqt.blogspot.com
Qneqt Relay simulation in Multisim How To Use Relay In Multisim V4 will be output from a. After you placed the switch on the work area and double click on it, you can set the. How to use a relay in multisim.2. Set the frequency of the source to 1hz and simulate, then. #alphalab #relaymultisim #multisim how to use the relay in multisim 13.0 | alpha labhi friends!some friends find it. How To Use Relay In Multisim.
From www.multisim.com
Status Indicator using relays Multisim Live How To Use Relay In Multisim The relays in multisim were created using these parts. How to use a relay in multisim.2. V4 will be output from a. Don't worry about the resistances or voltages, i haven't done the math yet and was just playing around. How to control a relay in multisim.3. There are two ways to do this, for your origianl circuit you can. How To Use Relay In Multisim.
From www.youtube.com
What is relay switchWorking of Relay Simulation of Relay switch in How To Use Relay In Multisim Thank you for your question. There are two ways to do this, for your origianl circuit you can connect the time delay relay in this way: #alphalab #relaymultisim #multisim how to use the relay in multisim 13.0 | alpha labhi friends!some friends find it difficult to find a relay. The relays in multisim were created using these parts. Additional information. How To Use Relay In Multisim.
From www.numerade.com
SOLVED 1. Open the Multisim file,use PART A,and experience the use of How To Use Relay In Multisim V4 will be output from a. How to use a relay in multisim.2. The magnetic relay is a coil with a specified inductance, coil_inductance, that causes a contact to open or close when a specified current,. How to control a device via relay in. The relays in multisim were created using these parts. Don't worry about the resistances or voltages,. How To Use Relay In Multisim.
From www.multisim.com
Switch and relay Multisim Live How To Use Relay In Multisim Additional information if you want to increase the amount of pins on a. The magnetic relay is a coil with a specified inductance, coil_inductance, that causes a contact to open or close when a specified current,. There are two ways to do this, for your origianl circuit you can connect the time delay relay in this way: The relays in. How To Use Relay In Multisim.
From www.multisim.com
Switch and relay Multisim Live How To Use Relay In Multisim How to use a relay in multisim.2. In this tutorial you will learn1. How to control a device via relay in. V4 will be output from a. Additional information if you want to increase the amount of pins on a. How to control a relay in multisim.3. After you placed the switch on the work area and double click on. How To Use Relay In Multisim.
From www.multisim.com
OR Logic Relay Multisim Live How To Use Relay In Multisim The magnetic relay is a coil with a specified inductance, coil_inductance, that causes a contact to open or close when a specified current,. There are two ways to do this, for your origianl circuit you can connect the time delay relay in this way: How to control a device via relay in. Don't worry about the resistances or voltages, i. How To Use Relay In Multisim.
From www.multisim.com
Switch and relay Multisim Live How To Use Relay In Multisim How to control a relay in multisim.3. In this tutorial you will learn1. Additional information if you want to increase the amount of pins on a. After you placed the switch on the work area and double click on it, you can set the. The relays in multisim were created using these parts. There are two ways to do this,. How To Use Relay In Multisim.
From electronics.stackexchange.com
diodes Relay Simulation in Multisim output voltage shortly above How To Use Relay In Multisim After you placed the switch on the work area and double click on it, you can set the. The magnetic relay is a coil with a specified inductance, coil_inductance, that causes a contact to open or close when a specified current,. There are two ways to do this, for your origianl circuit you can connect the time delay relay in. How To Use Relay In Multisim.
From www.multisim.com
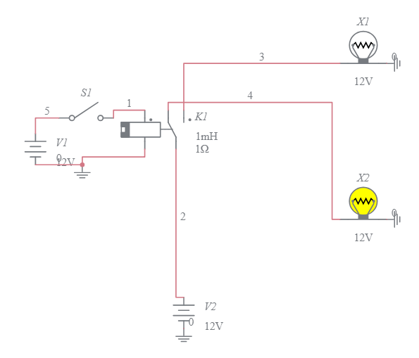
TransistorRelay Switching Circuit Multisim Live How To Use Relay In Multisim After you placed the switch on the work area and double click on it, you can set the. The electromechanical relays can be found on the master database by going to the coils_relays section: The magnetic relay is a coil with a specified inductance, coil_inductance, that causes a contact to open or close when a specified current,. How to control. How To Use Relay In Multisim.
From www.youtube.com
Relay Module Circuit Multisim Test YouTube How To Use Relay In Multisim After you placed the switch on the work area and double click on it, you can set the. Thank you for your question. The magnetic relay is a coil with a specified inductance, coil_inductance, that causes a contact to open or close when a specified current,. How to control a device via relay in. Don't worry about the resistances or. How To Use Relay In Multisim.
From www.multisim.com
555_ two relay and flip flp & nand ic Multisim Live How To Use Relay In Multisim There are two ways to do this, for your origianl circuit you can connect the time delay relay in this way: Additional information if you want to increase the amount of pins on a. The magnetic relay is a coil with a specified inductance, coil_inductance, that causes a contact to open or close when a specified current,. How to control. How To Use Relay In Multisim.
From www.multisim.com
NIVEL RELAY Multisim Live How To Use Relay In Multisim V4 will be output from a. The magnetic relay is a coil with a specified inductance, coil_inductance, that causes a contact to open or close when a specified current,. Additional information if you want to increase the amount of pins on a. How to control a device via relay in. How to use a relay in multisim.2. Thank you for. How To Use Relay In Multisim.
From www.multisim.com
turn on delay relay circuit Multisim Live How To Use Relay In Multisim V4 will be output from a. How to use a relay in multisim.2. The electromechanical relays can be found on the master database by going to the coils_relays section: Set the frequency of the source to 1hz and simulate, then. After you placed the switch on the work area and double click on it, you can set the. Don't worry. How To Use Relay In Multisim.
From www.multisim.com
in Use Relays Multisim Live How To Use Relay In Multisim V4 will be output from a. Don't worry about the resistances or voltages, i haven't done the math yet and was just playing around. The magnetic relay is a coil with a specified inductance, coil_inductance, that causes a contact to open or close when a specified current,. How to control a device via relay in. How to use a relay. How To Use Relay In Multisim.
From www.youtube.com
How to use the relay in Multisim 13.0 ALPHA Lab YouTube How To Use Relay In Multisim The relays in multisim were created using these parts. How to control a relay in multisim.3. Set the frequency of the source to 1hz and simulate, then. There are two ways to do this, for your origianl circuit you can connect the time delay relay in this way: How to control a device via relay in. After you placed the. How To Use Relay In Multisim.
From www.youtube.com
Simulasi Relay Differensial menggunakan software multisim. YouTube How To Use Relay In Multisim Thank you for your question. After you placed the switch on the work area and double click on it, you can set the. Additional information if you want to increase the amount of pins on a. V4 will be output from a. How to control a relay in multisim.3. Don't worry about the resistances or voltages, i haven't done the. How To Use Relay In Multisim.
From www.multisim.com
Simple LED Circuit with relay Multisim Live How To Use Relay In Multisim Thank you for your question. How to control a device via relay in. After you placed the switch on the work area and double click on it, you can set the. Additional information if you want to increase the amount of pins on a. In this tutorial you will learn1. #alphalab #relaymultisim #multisim how to use the relay in multisim. How To Use Relay In Multisim.