How To Wire High Bay Led Lights With Dimmer . how to dim led high bay lights is not as difficult as imagined, it is equivalent to installing an additional switch. wire led high bay lights with a dimmer by connecting the dimmer switch between the power source and the lights. if you're wondering how to hang high bay led lights, you've come to the right place. you will need to run a separate low voltage wire pair from the appropriate wires in your dimmer, usually gray/violet,. whether you’re changing out old lighting fixtures for new led lighting, or setting up a completely new system from. Connect the high bay led lights with the dimming switch by joining the wires. Some popular questions on dimming led high bay lights. properly wiring high bay led lights is crucial to ensure their smooth operation and safety. When wiring, the lamps to be dimmed must be connected in series to achieve simultaneous dimming.
from schematicpartdoris.z1.web.core.windows.net
Connect the high bay led lights with the dimming switch by joining the wires. Some popular questions on dimming led high bay lights. properly wiring high bay led lights is crucial to ensure their smooth operation and safety. how to dim led high bay lights is not as difficult as imagined, it is equivalent to installing an additional switch. you will need to run a separate low voltage wire pair from the appropriate wires in your dimmer, usually gray/violet,. wire led high bay lights with a dimmer by connecting the dimmer switch between the power source and the lights. if you're wondering how to hang high bay led lights, you've come to the right place. whether you’re changing out old lighting fixtures for new led lighting, or setting up a completely new system from. When wiring, the lamps to be dimmed must be connected in series to achieve simultaneous dimming.
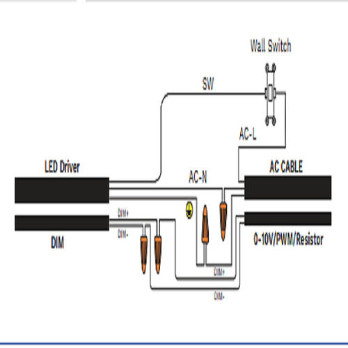
0 10v Led Dimming Wiring Diagram
How To Wire High Bay Led Lights With Dimmer wire led high bay lights with a dimmer by connecting the dimmer switch between the power source and the lights. Some popular questions on dimming led high bay lights. properly wiring high bay led lights is crucial to ensure their smooth operation and safety. Connect the high bay led lights with the dimming switch by joining the wires. whether you’re changing out old lighting fixtures for new led lighting, or setting up a completely new system from. you will need to run a separate low voltage wire pair from the appropriate wires in your dimmer, usually gray/violet,. When wiring, the lamps to be dimmed must be connected in series to achieve simultaneous dimming. wire led high bay lights with a dimmer by connecting the dimmer switch between the power source and the lights. if you're wondering how to hang high bay led lights, you've come to the right place. how to dim led high bay lights is not as difficult as imagined, it is equivalent to installing an additional switch.
From www.youtube.com
How to Install Linear LED High Bay Lights YouTube How To Wire High Bay Led Lights With Dimmer Connect the high bay led lights with the dimming switch by joining the wires. you will need to run a separate low voltage wire pair from the appropriate wires in your dimmer, usually gray/violet,. wire led high bay lights with a dimmer by connecting the dimmer switch between the power source and the lights. When wiring, the lamps. How To Wire High Bay Led Lights With Dimmer.
From enginediagrameric.z19.web.core.windows.net
High Power Led Dimmer Circuit Diagram How To Wire High Bay Led Lights With Dimmer you will need to run a separate low voltage wire pair from the appropriate wires in your dimmer, usually gray/violet,. how to dim led high bay lights is not as difficult as imagined, it is equivalent to installing an additional switch. if you're wondering how to hang high bay led lights, you've come to the right place.. How To Wire High Bay Led Lights With Dimmer.
From www.benweilight.com
How to dim led high bay lights? Knowledge Shenzhen Benwei Lighting How To Wire High Bay Led Lights With Dimmer how to dim led high bay lights is not as difficult as imagined, it is equivalent to installing an additional switch. wire led high bay lights with a dimmer by connecting the dimmer switch between the power source and the lights. Some popular questions on dimming led high bay lights. Connect the high bay led lights with the. How To Wire High Bay Led Lights With Dimmer.
From www.youtube.com
How to Wire 12V Dimmer Switches Interior Van Lighting Made Easy How To Wire High Bay Led Lights With Dimmer how to dim led high bay lights is not as difficult as imagined, it is equivalent to installing an additional switch. When wiring, the lamps to be dimmed must be connected in series to achieve simultaneous dimming. whether you’re changing out old lighting fixtures for new led lighting, or setting up a completely new system from. if. How To Wire High Bay Led Lights With Dimmer.
From usermanualglistens.z13.web.core.windows.net
Light Dimmer Switch Wiring How To Wire High Bay Led Lights With Dimmer whether you’re changing out old lighting fixtures for new led lighting, or setting up a completely new system from. properly wiring high bay led lights is crucial to ensure their smooth operation and safety. Connect the high bay led lights with the dimming switch by joining the wires. wire led high bay lights with a dimmer by. How To Wire High Bay Led Lights With Dimmer.
From wiringlistbranden.z21.web.core.windows.net
Led Light Dimmer Switch Wiring Diagram How To Wire High Bay Led Lights With Dimmer if you're wondering how to hang high bay led lights, you've come to the right place. When wiring, the lamps to be dimmed must be connected in series to achieve simultaneous dimming. wire led high bay lights with a dimmer by connecting the dimmer switch between the power source and the lights. Connect the high bay led lights. How To Wire High Bay Led Lights With Dimmer.
From www.kili-led.com
LED high bay light installation instructions How To Wire High Bay Led Lights With Dimmer how to dim led high bay lights is not as difficult as imagined, it is equivalent to installing an additional switch. When wiring, the lamps to be dimmed must be connected in series to achieve simultaneous dimming. Connect the high bay led lights with the dimming switch by joining the wires. properly wiring high bay led lights is. How To Wire High Bay Led Lights With Dimmer.
From www.goldenluxled.com
Quality LED High Bay Light & Linear High Bay factory from China How To Wire High Bay Led Lights With Dimmer if you're wondering how to hang high bay led lights, you've come to the right place. whether you’re changing out old lighting fixtures for new led lighting, or setting up a completely new system from. properly wiring high bay led lights is crucial to ensure their smooth operation and safety. you will need to run a. How To Wire High Bay Led Lights With Dimmer.
From www.lepro.co.uk
How to Install UFO High Bay LED Lights? Lepro Blog How To Wire High Bay Led Lights With Dimmer if you're wondering how to hang high bay led lights, you've come to the right place. properly wiring high bay led lights is crucial to ensure their smooth operation and safety. Connect the high bay led lights with the dimming switch by joining the wires. wire led high bay lights with a dimmer by connecting the dimmer. How To Wire High Bay Led Lights With Dimmer.
From device.report
Innovate Lighting 300W LED High Bay Light Instruction Manual How To Wire High Bay Led Lights With Dimmer When wiring, the lamps to be dimmed must be connected in series to achieve simultaneous dimming. whether you’re changing out old lighting fixtures for new led lighting, or setting up a completely new system from. Some popular questions on dimming led high bay lights. how to dim led high bay lights is not as difficult as imagined, it. How To Wire High Bay Led Lights With Dimmer.
From wiringguides.com
Master the Art of Led Dimmer Switch Wiring A Comprehensive Guide How To Wire High Bay Led Lights With Dimmer if you're wondering how to hang high bay led lights, you've come to the right place. how to dim led high bay lights is not as difficult as imagined, it is equivalent to installing an additional switch. When wiring, the lamps to be dimmed must be connected in series to achieve simultaneous dimming. whether you’re changing out. How To Wire High Bay Led Lights With Dimmer.
From www.chanish.org
Led Dimmer Wiring Diagram How To Wire High Bay Led Lights With Dimmer Connect the high bay led lights with the dimming switch by joining the wires. if you're wondering how to hang high bay led lights, you've come to the right place. you will need to run a separate low voltage wire pair from the appropriate wires in your dimmer, usually gray/violet,. properly wiring high bay led lights is. How To Wire High Bay Led Lights With Dimmer.
From circuitlibupcoiled.z1.web.core.windows.net
Dimmer Switch Wiring Guide How To Wire High Bay Led Lights With Dimmer When wiring, the lamps to be dimmed must be connected in series to achieve simultaneous dimming. Connect the high bay led lights with the dimming switch by joining the wires. how to dim led high bay lights is not as difficult as imagined, it is equivalent to installing an additional switch. whether you’re changing out old lighting fixtures. How To Wire High Bay Led Lights With Dimmer.
From www.ledmyplace.com
How to Properly Install High Bay LED Lights A StepbyStep Guide How To Wire High Bay Led Lights With Dimmer whether you’re changing out old lighting fixtures for new led lighting, or setting up a completely new system from. Connect the high bay led lights with the dimming switch by joining the wires. Some popular questions on dimming led high bay lights. wire led high bay lights with a dimmer by connecting the dimmer switch between the power. How To Wire High Bay Led Lights With Dimmer.
From www.walmart.com
LED High Bay Light 150W 110V Dimmable 5000K 19,500lm UFO LED High Bay How To Wire High Bay Led Lights With Dimmer Some popular questions on dimming led high bay lights. how to dim led high bay lights is not as difficult as imagined, it is equivalent to installing an additional switch. Connect the high bay led lights with the dimming switch by joining the wires. you will need to run a separate low voltage wire pair from the appropriate. How To Wire High Bay Led Lights With Dimmer.
From www.monyled.com
240W UFO High Bay LED Warehouse Light 100277v 480v How To Wire High Bay Led Lights With Dimmer properly wiring high bay led lights is crucial to ensure their smooth operation and safety. how to dim led high bay lights is not as difficult as imagined, it is equivalent to installing an additional switch. Some popular questions on dimming led high bay lights. wire led high bay lights with a dimmer by connecting the dimmer. How To Wire High Bay Led Lights With Dimmer.
From giosqridq.blob.core.windows.net
How To Connect Led Light Strip Remote at Gabriel Drumheller blog How To Wire High Bay Led Lights With Dimmer properly wiring high bay led lights is crucial to ensure their smooth operation and safety. whether you’re changing out old lighting fixtures for new led lighting, or setting up a completely new system from. Some popular questions on dimming led high bay lights. if you're wondering how to hang high bay led lights, you've come to the. How To Wire High Bay Led Lights With Dimmer.
From www.familyhandyman.com
How to Install a Dimmer Light Switch Wiring and Replacement How To Wire High Bay Led Lights With Dimmer wire led high bay lights with a dimmer by connecting the dimmer switch between the power source and the lights. if you're wondering how to hang high bay led lights, you've come to the right place. Connect the high bay led lights with the dimming switch by joining the wires. properly wiring high bay led lights is. How To Wire High Bay Led Lights With Dimmer.
From www.lepro.co.uk
How to Retrofit High Bay Light to LED Lepro Blog How To Wire High Bay Led Lights With Dimmer properly wiring high bay led lights is crucial to ensure their smooth operation and safety. you will need to run a separate low voltage wire pair from the appropriate wires in your dimmer, usually gray/violet,. Connect the high bay led lights with the dimming switch by joining the wires. Some popular questions on dimming led high bay lights.. How To Wire High Bay Led Lights With Dimmer.
From schematicpartdoris.z1.web.core.windows.net
0 10v Led Dimming Wiring Diagram How To Wire High Bay Led Lights With Dimmer Some popular questions on dimming led high bay lights. whether you’re changing out old lighting fixtures for new led lighting, or setting up a completely new system from. Connect the high bay led lights with the dimming switch by joining the wires. When wiring, the lamps to be dimmed must be connected in series to achieve simultaneous dimming. . How To Wire High Bay Led Lights With Dimmer.
From www.enduralight.com.au
LED High Bay Lights Endura Light How To Wire High Bay Led Lights With Dimmer wire led high bay lights with a dimmer by connecting the dimmer switch between the power source and the lights. Some popular questions on dimming led high bay lights. Connect the high bay led lights with the dimming switch by joining the wires. you will need to run a separate low voltage wire pair from the appropriate wires. How To Wire High Bay Led Lights With Dimmer.
From www.yahualighting.com
How to wire high bay led lights with dimmer Knowledge Shaanxi Yahua How To Wire High Bay Led Lights With Dimmer When wiring, the lamps to be dimmed must be connected in series to achieve simultaneous dimming. properly wiring high bay led lights is crucial to ensure their smooth operation and safety. Some popular questions on dimming led high bay lights. whether you’re changing out old lighting fixtures for new led lighting, or setting up a completely new system. How To Wire High Bay Led Lights With Dimmer.
From www.ledmyplace.com
How to Properly Install High Bay LED Lights A StepbyStep Guide How To Wire High Bay Led Lights With Dimmer wire led high bay lights with a dimmer by connecting the dimmer switch between the power source and the lights. Connect the high bay led lights with the dimming switch by joining the wires. Some popular questions on dimming led high bay lights. you will need to run a separate low voltage wire pair from the appropriate wires. How To Wire High Bay Led Lights With Dimmer.
From www.finepixeled.com
LED High Bay Lights Spacing and Layout Calculator FINEPIXEL How To Wire High Bay Led Lights With Dimmer properly wiring high bay led lights is crucial to ensure their smooth operation and safety. if you're wondering how to hang high bay led lights, you've come to the right place. whether you’re changing out old lighting fixtures for new led lighting, or setting up a completely new system from. you will need to run a. How To Wire High Bay Led Lights With Dimmer.
From www.stouchlighting.com
What is High Bay Lighting? Everything You Need to Know How To Wire High Bay Led Lights With Dimmer wire led high bay lights with a dimmer by connecting the dimmer switch between the power source and the lights. Connect the high bay led lights with the dimming switch by joining the wires. properly wiring high bay led lights is crucial to ensure their smooth operation and safety. When wiring, the lamps to be dimmed must be. How To Wire High Bay Led Lights With Dimmer.
From guidepartlogician.z13.web.core.windows.net
Dimmer Switch Wiring For Led Lights How To Wire High Bay Led Lights With Dimmer wire led high bay lights with a dimmer by connecting the dimmer switch between the power source and the lights. When wiring, the lamps to be dimmed must be connected in series to achieve simultaneous dimming. Some popular questions on dimming led high bay lights. Connect the high bay led lights with the dimming switch by joining the wires.. How To Wire High Bay Led Lights With Dimmer.
From schematiclistsepia123.z13.web.core.windows.net
Lutron Smart Dimmer 3 Way Installation How To Wire High Bay Led Lights With Dimmer if you're wondering how to hang high bay led lights, you've come to the right place. Connect the high bay led lights with the dimming switch by joining the wires. how to dim led high bay lights is not as difficult as imagined, it is equivalent to installing an additional switch. Some popular questions on dimming led high. How To Wire High Bay Led Lights With Dimmer.
From manualfixmonionization.z21.web.core.windows.net
How To Install High Bay Led Lighting How To Wire High Bay Led Lights With Dimmer how to dim led high bay lights is not as difficult as imagined, it is equivalent to installing an additional switch. whether you’re changing out old lighting fixtures for new led lighting, or setting up a completely new system from. Connect the high bay led lights with the dimming switch by joining the wires. properly wiring high. How To Wire High Bay Led Lights With Dimmer.
From www.zgsm-china.com
How to Buy LED High Bay Lights A Complete Buyer's Guide How To Wire High Bay Led Lights With Dimmer Some popular questions on dimming led high bay lights. Connect the high bay led lights with the dimming switch by joining the wires. whether you’re changing out old lighting fixtures for new led lighting, or setting up a completely new system from. When wiring, the lamps to be dimmed must be connected in series to achieve simultaneous dimming. . How To Wire High Bay Led Lights With Dimmer.
From commercialledlights.com
Linear LED High Bay Lights Industrial & Commercial Lights How To Wire High Bay Led Lights With Dimmer When wiring, the lamps to be dimmed must be connected in series to achieve simultaneous dimming. Some popular questions on dimming led high bay lights. Connect the high bay led lights with the dimming switch by joining the wires. how to dim led high bay lights is not as difficult as imagined, it is equivalent to installing an additional. How To Wire High Bay Led Lights With Dimmer.
From manualfixthanedom77.z22.web.core.windows.net
How To Add Dimmer To Light Switch How To Wire High Bay Led Lights With Dimmer wire led high bay lights with a dimmer by connecting the dimmer switch between the power source and the lights. whether you’re changing out old lighting fixtures for new led lighting, or setting up a completely new system from. how to dim led high bay lights is not as difficult as imagined, it is equivalent to installing. How To Wire High Bay Led Lights With Dimmer.
From usermanualgrunwald.z19.web.core.windows.net
How To Wire For Led Lights How To Wire High Bay Led Lights With Dimmer how to dim led high bay lights is not as difficult as imagined, it is equivalent to installing an additional switch. whether you’re changing out old lighting fixtures for new led lighting, or setting up a completely new system from. Connect the high bay led lights with the dimming switch by joining the wires. you will need. How To Wire High Bay Led Lights With Dimmer.
From lightenify.com
How to Wire High Bay Led Lights 10 Easy Methods (2024) How To Wire High Bay Led Lights With Dimmer Some popular questions on dimming led high bay lights. properly wiring high bay led lights is crucial to ensure their smooth operation and safety. whether you’re changing out old lighting fixtures for new led lighting, or setting up a completely new system from. wire led high bay lights with a dimmer by connecting the dimmer switch between. How To Wire High Bay Led Lights With Dimmer.
From maxi-signal.com
300W LED High Bay Light 3/4″ Conduit Mount MaxiSignal How To Wire High Bay Led Lights With Dimmer wire led high bay lights with a dimmer by connecting the dimmer switch between the power source and the lights. properly wiring high bay led lights is crucial to ensure their smooth operation and safety. if you're wondering how to hang high bay led lights, you've come to the right place. how to dim led high. How To Wire High Bay Led Lights With Dimmer.
From www.pinterest.com
How to Install a Dimmer Switch for Your Recessed Lighting Dimmer How To Wire High Bay Led Lights With Dimmer Connect the high bay led lights with the dimming switch by joining the wires. wire led high bay lights with a dimmer by connecting the dimmer switch between the power source and the lights. Some popular questions on dimming led high bay lights. if you're wondering how to hang high bay led lights, you've come to the right. How To Wire High Bay Led Lights With Dimmer.