Car Alarm Wiring Diagrams Free Download . Every car alarm wiring chart. Free vehicle wiring diagrams and installation information for mobile electronics installers, featuring car stereo wiring, car alarm. Wiring colors and locations for car alarms, remote starters, car stereos, cruise controls, and mobile navigation systems. Installing a car alarm can be a tricky process, but with the right. They also cover advanced features such as remote start,. Car alarm wiring diagrams containing car wiring colors and wire locations to install a car alarm. These free car alarm wiring diagrams are not just limited to basic installations. Are you looking for a free car alarm wiring diagram? Whether you have a basic or advanced alarm system, you can find a free wiring diagram that suits your specific model and. Commando car alarms offers free wiring diagrams for installing your alarm, remote car starter, keyless entry or power door locks in your car or.
from diagramio.com
Installing a car alarm can be a tricky process, but with the right. These free car alarm wiring diagrams are not just limited to basic installations. Whether you have a basic or advanced alarm system, you can find a free wiring diagram that suits your specific model and. Wiring colors and locations for car alarms, remote starters, car stereos, cruise controls, and mobile navigation systems. Are you looking for a free car alarm wiring diagram? Car alarm wiring diagrams containing car wiring colors and wire locations to install a car alarm. Free vehicle wiring diagrams and installation information for mobile electronics installers, featuring car stereo wiring, car alarm. They also cover advanced features such as remote start,. Every car alarm wiring chart. Commando car alarms offers free wiring diagrams for installing your alarm, remote car starter, keyless entry or power door locks in your car or.
Unleash Your Inner DIYer with Free Car Alarm Wiring Diagrams
Car Alarm Wiring Diagrams Free Download Installing a car alarm can be a tricky process, but with the right. Wiring colors and locations for car alarms, remote starters, car stereos, cruise controls, and mobile navigation systems. Free vehicle wiring diagrams and installation information for mobile electronics installers, featuring car stereo wiring, car alarm. Installing a car alarm can be a tricky process, but with the right. Whether you have a basic or advanced alarm system, you can find a free wiring diagram that suits your specific model and. These free car alarm wiring diagrams are not just limited to basic installations. Every car alarm wiring chart. They also cover advanced features such as remote start,. Commando car alarms offers free wiring diagrams for installing your alarm, remote car starter, keyless entry or power door locks in your car or. Car alarm wiring diagrams containing car wiring colors and wire locations to install a car alarm. Are you looking for a free car alarm wiring diagram?
From resolutionsforyou.com
How to Install and Wire a Black Widow Car Alarm StepbyStep Wiring Car Alarm Wiring Diagrams Free Download Wiring colors and locations for car alarms, remote starters, car stereos, cruise controls, and mobile navigation systems. Installing a car alarm can be a tricky process, but with the right. Commando car alarms offers free wiring diagrams for installing your alarm, remote car starter, keyless entry or power door locks in your car or. These free car alarm wiring diagrams. Car Alarm Wiring Diagrams Free Download.
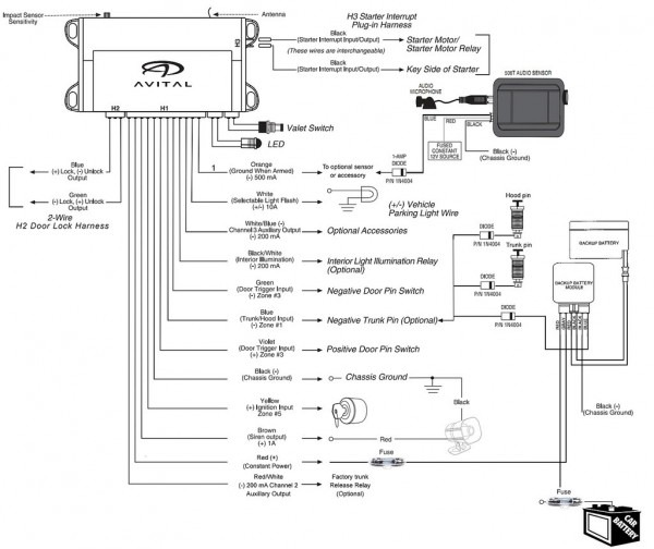
From wireengineharvey.z13.web.core.windows.net
Avital Car Alarms Wiring Diagrams Diagram Car Alarm Wiring Diagrams Free Download Whether you have a basic or advanced alarm system, you can find a free wiring diagram that suits your specific model and. Commando car alarms offers free wiring diagrams for installing your alarm, remote car starter, keyless entry or power door locks in your car or. Are you looking for a free car alarm wiring diagram? Installing a car alarm. Car Alarm Wiring Diagrams Free Download.
From diagramio.com
Unleash Your Inner DIYer with Free Car Alarm Wiring Diagrams Car Alarm Wiring Diagrams Free Download Are you looking for a free car alarm wiring diagram? They also cover advanced features such as remote start,. Wiring colors and locations for car alarms, remote starters, car stereos, cruise controls, and mobile navigation systems. Every car alarm wiring chart. Commando car alarms offers free wiring diagrams for installing your alarm, remote car starter, keyless entry or power door. Car Alarm Wiring Diagrams Free Download.
From resolutionsforyou.com
Unlock the Secrets of Car Alarm Wiring with Free Diagrams Car Alarm Wiring Diagrams Free Download Commando car alarms offers free wiring diagrams for installing your alarm, remote car starter, keyless entry or power door locks in your car or. Car alarm wiring diagrams containing car wiring colors and wire locations to install a car alarm. Wiring colors and locations for car alarms, remote starters, car stereos, cruise controls, and mobile navigation systems. Are you looking. Car Alarm Wiring Diagrams Free Download.
From www.tankbig.com
Audiovox Car Alarm Wiring Diagram Car Alarm Wiring Diagrams Free Download They also cover advanced features such as remote start,. Free vehicle wiring diagrams and installation information for mobile electronics installers, featuring car stereo wiring, car alarm. These free car alarm wiring diagrams are not just limited to basic installations. Wiring colors and locations for car alarms, remote starters, car stereos, cruise controls, and mobile navigation systems. Whether you have a. Car Alarm Wiring Diagrams Free Download.
From userfixkurt.z6.web.core.windows.net
Vehicle Wiring Diagrams For Alarms Car Alarm Wiring Diagrams Free Download Commando car alarms offers free wiring diagrams for installing your alarm, remote car starter, keyless entry or power door locks in your car or. Every car alarm wiring chart. Wiring colors and locations for car alarms, remote starters, car stereos, cruise controls, and mobile navigation systems. Free vehicle wiring diagrams and installation information for mobile electronics installers, featuring car stereo. Car Alarm Wiring Diagrams Free Download.
From enginediagramclarence.z21.web.core.windows.net
Free Car Alarm Wiring Diagrams Car Alarm Wiring Diagrams Free Download Commando car alarms offers free wiring diagrams for installing your alarm, remote car starter, keyless entry or power door locks in your car or. They also cover advanced features such as remote start,. Installing a car alarm can be a tricky process, but with the right. Car alarm wiring diagrams containing car wiring colors and wire locations to install a. Car Alarm Wiring Diagrams Free Download.
From circuitdataactivities.z21.web.core.windows.net
How To Install Car Alarm System Car Alarm Wiring Diagrams Free Download Whether you have a basic or advanced alarm system, you can find a free wiring diagram that suits your specific model and. Car alarm wiring diagrams containing car wiring colors and wire locations to install a car alarm. Commando car alarms offers free wiring diagrams for installing your alarm, remote car starter, keyless entry or power door locks in your. Car Alarm Wiring Diagrams Free Download.
From wirefixeric.z19.web.core.windows.net
Car Alarm Using Pin Switch Wiring Diagram Car Alarm Wiring Diagrams Free Download Commando car alarms offers free wiring diagrams for installing your alarm, remote car starter, keyless entry or power door locks in your car or. They also cover advanced features such as remote start,. Free vehicle wiring diagrams and installation information for mobile electronics installers, featuring car stereo wiring, car alarm. Whether you have a basic or advanced alarm system, you. Car Alarm Wiring Diagrams Free Download.
From schematicdegauss.z21.web.core.windows.net
Installgear Car Alarm Wiring Diagram Car Alarm Wiring Diagrams Free Download Whether you have a basic or advanced alarm system, you can find a free wiring diagram that suits your specific model and. They also cover advanced features such as remote start,. Installing a car alarm can be a tricky process, but with the right. Are you looking for a free car alarm wiring diagram? These free car alarm wiring diagrams. Car Alarm Wiring Diagrams Free Download.
From usermanualstefan55.z19.web.core.windows.net
Car Alarm Installation Diagram Service Manual Car Alarm Wiring Diagrams Free Download They also cover advanced features such as remote start,. Commando car alarms offers free wiring diagrams for installing your alarm, remote car starter, keyless entry or power door locks in your car or. Free vehicle wiring diagrams and installation information for mobile electronics installers, featuring car stereo wiring, car alarm. Installing a car alarm can be a tricky process, but. Car Alarm Wiring Diagrams Free Download.
From diagramio.com
Unleash Your Inner DIYer with Free Car Alarm Wiring Diagrams Car Alarm Wiring Diagrams Free Download Whether you have a basic or advanced alarm system, you can find a free wiring diagram that suits your specific model and. They also cover advanced features such as remote start,. Wiring colors and locations for car alarms, remote starters, car stereos, cruise controls, and mobile navigation systems. These free car alarm wiring diagrams are not just limited to basic. Car Alarm Wiring Diagrams Free Download.
From fixlistsally.z21.web.core.windows.net
Car Alarm Wiring Diagram Free Download Car Alarm Wiring Diagrams Free Download Every car alarm wiring chart. Wiring colors and locations for car alarms, remote starters, car stereos, cruise controls, and mobile navigation systems. Whether you have a basic or advanced alarm system, you can find a free wiring diagram that suits your specific model and. Free vehicle wiring diagrams and installation information for mobile electronics installers, featuring car stereo wiring, car. Car Alarm Wiring Diagrams Free Download.
From www.caretxdigital.com
car alarm wiring diagrams free download Wiring Diagram and Schematics Car Alarm Wiring Diagrams Free Download Wiring colors and locations for car alarms, remote starters, car stereos, cruise controls, and mobile navigation systems. Every car alarm wiring chart. Whether you have a basic or advanced alarm system, you can find a free wiring diagram that suits your specific model and. Commando car alarms offers free wiring diagrams for installing your alarm, remote car starter, keyless entry. Car Alarm Wiring Diagrams Free Download.
From gambr.co
️Cobra Car Alarm System Wiring Diagram Free Download Gambr.co Car Alarm Wiring Diagrams Free Download Free vehicle wiring diagrams and installation information for mobile electronics installers, featuring car stereo wiring, car alarm. Whether you have a basic or advanced alarm system, you can find a free wiring diagram that suits your specific model and. Car alarm wiring diagrams containing car wiring colors and wire locations to install a car alarm. Installing a car alarm can. Car Alarm Wiring Diagrams Free Download.
From guideenginehumberto.z13.web.core.windows.net
Wiring Diagram For Car Alarm Car Alarm Wiring Diagrams Free Download These free car alarm wiring diagrams are not just limited to basic installations. Wiring colors and locations for car alarms, remote starters, car stereos, cruise controls, and mobile navigation systems. Commando car alarms offers free wiring diagrams for installing your alarm, remote car starter, keyless entry or power door locks in your car or. Installing a car alarm can be. Car Alarm Wiring Diagrams Free Download.
From enginelibraryschmid.z19.web.core.windows.net
Car Alarm Wiring Diagram Car Alarm Wiring Diagrams Free Download Wiring colors and locations for car alarms, remote starters, car stereos, cruise controls, and mobile navigation systems. Commando car alarms offers free wiring diagrams for installing your alarm, remote car starter, keyless entry or power door locks in your car or. Every car alarm wiring chart. Free vehicle wiring diagrams and installation information for mobile electronics installers, featuring car stereo. Car Alarm Wiring Diagrams Free Download.
From fixengineterry.z19.web.core.windows.net
Car Alarm Wiring Diagram System Car Alarm Wiring Diagrams Free Download Free vehicle wiring diagrams and installation information for mobile electronics installers, featuring car stereo wiring, car alarm. Every car alarm wiring chart. Wiring colors and locations for car alarms, remote starters, car stereos, cruise controls, and mobile navigation systems. They also cover advanced features such as remote start,. Installing a car alarm can be a tricky process, but with the. Car Alarm Wiring Diagrams Free Download.
From schematron.org
Autowatch Alarm Wiring Diagram Wiring Diagram Pictures Car Alarm Wiring Diagrams Free Download Wiring colors and locations for car alarms, remote starters, car stereos, cruise controls, and mobile navigation systems. They also cover advanced features such as remote start,. Free vehicle wiring diagrams and installation information for mobile electronics installers, featuring car stereo wiring, car alarm. Installing a car alarm can be a tricky process, but with the right. Every car alarm wiring. Car Alarm Wiring Diagrams Free Download.
From www.pinterest.com
Car Alarm Wiring Diagrams Free Download Diagram For Commando And With Car Alarm Wiring Diagrams Free Download Every car alarm wiring chart. Are you looking for a free car alarm wiring diagram? Installing a car alarm can be a tricky process, but with the right. Whether you have a basic or advanced alarm system, you can find a free wiring diagram that suits your specific model and. They also cover advanced features such as remote start,. Commando. Car Alarm Wiring Diagrams Free Download.
From diagramenginepropst.z19.web.core.windows.net
Car Alarm Wiring Diagrams Free Download Car Alarm Wiring Diagrams Free Download Every car alarm wiring chart. Whether you have a basic or advanced alarm system, you can find a free wiring diagram that suits your specific model and. Installing a car alarm can be a tricky process, but with the right. These free car alarm wiring diagrams are not just limited to basic installations. Free vehicle wiring diagrams and installation information. Car Alarm Wiring Diagrams Free Download.
From guidedehartmaidenhood.z21.web.core.windows.net
Inwells Car Alarm Wiring Diagram Car Alarm Wiring Diagrams Free Download Installing a car alarm can be a tricky process, but with the right. Commando car alarms offers free wiring diagrams for installing your alarm, remote car starter, keyless entry or power door locks in your car or. Whether you have a basic or advanced alarm system, you can find a free wiring diagram that suits your specific model and. Free. Car Alarm Wiring Diagrams Free Download.
From www.caretxdigital.com
car alarm wiring diagrams free download Wiring Diagram and Schematics Car Alarm Wiring Diagrams Free Download Are you looking for a free car alarm wiring diagram? Wiring colors and locations for car alarms, remote starters, car stereos, cruise controls, and mobile navigation systems. They also cover advanced features such as remote start,. Installing a car alarm can be a tricky process, but with the right. Commando car alarms offers free wiring diagrams for installing your alarm,. Car Alarm Wiring Diagrams Free Download.
From enginelibrhonda.z6.web.core.windows.net
Wiring Diagram Car Alarm Car Alarm Wiring Diagrams Free Download Installing a car alarm can be a tricky process, but with the right. These free car alarm wiring diagrams are not just limited to basic installations. Free vehicle wiring diagrams and installation information for mobile electronics installers, featuring car stereo wiring, car alarm. Wiring colors and locations for car alarms, remote starters, car stereos, cruise controls, and mobile navigation systems.. Car Alarm Wiring Diagrams Free Download.
From wiringlistanderson.z13.web.core.windows.net
Car Alarm Wiring Diagram Sestem Car Alarm Wiring Diagrams Free Download Every car alarm wiring chart. Wiring colors and locations for car alarms, remote starters, car stereos, cruise controls, and mobile navigation systems. They also cover advanced features such as remote start,. Car alarm wiring diagrams containing car wiring colors and wire locations to install a car alarm. Commando car alarms offers free wiring diagrams for installing your alarm, remote car. Car Alarm Wiring Diagrams Free Download.
From circuitmanualkohler.z19.web.core.windows.net
Excalibur Car Alarm Wiring Diagram Car Alarm Wiring Diagrams Free Download Wiring colors and locations for car alarms, remote starters, car stereos, cruise controls, and mobile navigation systems. Car alarm wiring diagrams containing car wiring colors and wire locations to install a car alarm. They also cover advanced features such as remote start,. Free vehicle wiring diagrams and installation information for mobile electronics installers, featuring car stereo wiring, car alarm. Whether. Car Alarm Wiring Diagrams Free Download.
From guidelistconstance.z19.web.core.windows.net
Car Alarm Wiring Diagrams Free Download Car Alarm Wiring Diagrams Free Download Every car alarm wiring chart. These free car alarm wiring diagrams are not just limited to basic installations. They also cover advanced features such as remote start,. Wiring colors and locations for car alarms, remote starters, car stereos, cruise controls, and mobile navigation systems. Whether you have a basic or advanced alarm system, you can find a free wiring diagram. Car Alarm Wiring Diagrams Free Download.
From favpng.com
Wiring Diagram Car Alarm Schematic, PNG, 612x792px, Diagram, Alarm Car Alarm Wiring Diagrams Free Download Are you looking for a free car alarm wiring diagram? These free car alarm wiring diagrams are not just limited to basic installations. Whether you have a basic or advanced alarm system, you can find a free wiring diagram that suits your specific model and. Car alarm wiring diagrams containing car wiring colors and wire locations to install a car. Car Alarm Wiring Diagrams Free Download.
From wiringfixeranuevar3.z21.web.core.windows.net
Repeller Car Alarm Wiring Diagram Car Alarm Wiring Diagrams Free Download Every car alarm wiring chart. Are you looking for a free car alarm wiring diagram? They also cover advanced features such as remote start,. Whether you have a basic or advanced alarm system, you can find a free wiring diagram that suits your specific model and. Wiring colors and locations for car alarms, remote starters, car stereos, cruise controls, and. Car Alarm Wiring Diagrams Free Download.
From schematiclistlanelle.z21.web.core.windows.net
Installgear Car Alarm Wiring Diagram Car Alarm Wiring Diagrams Free Download They also cover advanced features such as remote start,. Commando car alarms offers free wiring diagrams for installing your alarm, remote car starter, keyless entry or power door locks in your car or. Wiring colors and locations for car alarms, remote starters, car stereos, cruise controls, and mobile navigation systems. These free car alarm wiring diagrams are not just limited. Car Alarm Wiring Diagrams Free Download.
From diagramio.com
Unleash Your Inner DIYer with Free Car Alarm Wiring Diagrams Car Alarm Wiring Diagrams Free Download Whether you have a basic or advanced alarm system, you can find a free wiring diagram that suits your specific model and. Car alarm wiring diagrams containing car wiring colors and wire locations to install a car alarm. Installing a car alarm can be a tricky process, but with the right. They also cover advanced features such as remote start,.. Car Alarm Wiring Diagrams Free Download.
From guidefixlilbeckham23bw.z22.web.core.windows.net
Car Alarm Wiring Diagram Pdf Car Alarm Wiring Diagrams Free Download Commando car alarms offers free wiring diagrams for installing your alarm, remote car starter, keyless entry or power door locks in your car or. Are you looking for a free car alarm wiring diagram? Whether you have a basic or advanced alarm system, you can find a free wiring diagram that suits your specific model and. Car alarm wiring diagrams. Car Alarm Wiring Diagrams Free Download.
From diagramweb.net
Autopage Alarm Wiring Diagram Car Alarm Wiring Diagrams Free Download Free vehicle wiring diagrams and installation information for mobile electronics installers, featuring car stereo wiring, car alarm. These free car alarm wiring diagrams are not just limited to basic installations. Car alarm wiring diagrams containing car wiring colors and wire locations to install a car alarm. Every car alarm wiring chart. Are you looking for a free car alarm wiring. Car Alarm Wiring Diagrams Free Download.
From www.tankbig.com
Car Alarm Wiring Diagrams Free Download Car Alarm Wiring Diagrams Free Download Commando car alarms offers free wiring diagrams for installing your alarm, remote car starter, keyless entry or power door locks in your car or. Free vehicle wiring diagrams and installation information for mobile electronics installers, featuring car stereo wiring, car alarm. These free car alarm wiring diagrams are not just limited to basic installations. Whether you have a basic or. Car Alarm Wiring Diagrams Free Download.
From favpng.com
Car Alarm Alarm Device Security Alarms & Systems Wiring Diagram, PNG Car Alarm Wiring Diagrams Free Download These free car alarm wiring diagrams are not just limited to basic installations. Are you looking for a free car alarm wiring diagram? Every car alarm wiring chart. Free vehicle wiring diagrams and installation information for mobile electronics installers, featuring car stereo wiring, car alarm. Installing a car alarm can be a tricky process, but with the right. Whether you. Car Alarm Wiring Diagrams Free Download.