Toyota 2E Carburetor Parts And Function . The 2e engine was manufactured from 1985 to 1998. Toyota 2e engine carburetor is available in our book collection an online access to it is set as public so you can get it instantly. A quick video on what's happening on the inside a toyota asain 2e carburettor and how to. Toyota 2e carburetor manual copy in this post i am providing the repair manual pages actual photos and a few warnings if you intend to. I am not sure if the. I have some questions regarding my corolla 93 model (2e engine) 1300cc 12valve using aisan carburetor.
from www.cnlantech.com
Toyota 2e carburetor manual copy in this post i am providing the repair manual pages actual photos and a few warnings if you intend to. I am not sure if the. Toyota 2e engine carburetor is available in our book collection an online access to it is set as public so you can get it instantly. The 2e engine was manufactured from 1985 to 1998. I have some questions regarding my corolla 93 model (2e engine) 1300cc 12valve using aisan carburetor. A quick video on what's happening on the inside a toyota asain 2e carburettor and how to.
LDH206A CARBURETOR TOYOTA 2E COROLLA 2110011492 Lantech Machinery Co
Toyota 2E Carburetor Parts And Function I am not sure if the. Toyota 2e engine carburetor is available in our book collection an online access to it is set as public so you can get it instantly. I have some questions regarding my corolla 93 model (2e engine) 1300cc 12valve using aisan carburetor. Toyota 2e carburetor manual copy in this post i am providing the repair manual pages actual photos and a few warnings if you intend to. The 2e engine was manufactured from 1985 to 1998. I am not sure if the. A quick video on what's happening on the inside a toyota asain 2e carburettor and how to.
From www.cnlantech.com
LDH237 CARBURETOR TOYOTA 2E 2110011850 AUTOCHOKE COROLLA Lantech Toyota 2E Carburetor Parts And Function The 2e engine was manufactured from 1985 to 1998. I am not sure if the. I have some questions regarding my corolla 93 model (2e engine) 1300cc 12valve using aisan carburetor. Toyota 2e carburetor manual copy in this post i am providing the repair manual pages actual photos and a few warnings if you intend to. A quick video on. Toyota 2E Carburetor Parts And Function.
From www.cnlantech.com
LDH206A CARBURETOR TOYOTA 2E COROLLA 2110011492 Lantech Machinery Co Toyota 2E Carburetor Parts And Function The 2e engine was manufactured from 1985 to 1998. I am not sure if the. A quick video on what's happening on the inside a toyota asain 2e carburettor and how to. Toyota 2e engine carburetor is available in our book collection an online access to it is set as public so you can get it instantly. I have some. Toyota 2E Carburetor Parts And Function.
From shopee.ph
Fuel Efficient Original Toyota 4k Carburetor Assembly for Owner Jeep Toyota 2E Carburetor Parts And Function The 2e engine was manufactured from 1985 to 1998. A quick video on what's happening on the inside a toyota asain 2e carburettor and how to. I have some questions regarding my corolla 93 model (2e engine) 1300cc 12valve using aisan carburetor. I am not sure if the. Toyota 2e engine carburetor is available in our book collection an online. Toyota 2E Carburetor Parts And Function.
From www.loreada.cn
2110011850 OEM Carburetor For TOYOTA 2E Toyota 2E Carburetor Parts And Function Toyota 2e carburetor manual copy in this post i am providing the repair manual pages actual photos and a few warnings if you intend to. I am not sure if the. Toyota 2e engine carburetor is available in our book collection an online access to it is set as public so you can get it instantly. I have some questions. Toyota 2E Carburetor Parts And Function.
From hnsmark.en.made-in-china.com
Car Parts Carb Carburetor Assembly 2110011492 2110011492 for Toyota 2e Toyota 2E Carburetor Parts And Function Toyota 2e carburetor manual copy in this post i am providing the repair manual pages actual photos and a few warnings if you intend to. I have some questions regarding my corolla 93 model (2e engine) 1300cc 12valve using aisan carburetor. Toyota 2e engine carburetor is available in our book collection an online access to it is set as public. Toyota 2E Carburetor Parts And Function.
From www.toyotanation.com
2e/3E carburetor adjustment Toyota Nation Forum Toyota 2E Carburetor Parts And Function I have some questions regarding my corolla 93 model (2e engine) 1300cc 12valve using aisan carburetor. A quick video on what's happening on the inside a toyota asain 2e carburettor and how to. I am not sure if the. Toyota 2e engine carburetor is available in our book collection an online access to it is set as public so you. Toyota 2E Carburetor Parts And Function.
From mungfali.com
Toyota Tazz Oil Seals Toyota 2E Carburetor Parts And Function I have some questions regarding my corolla 93 model (2e engine) 1300cc 12valve using aisan carburetor. A quick video on what's happening on the inside a toyota asain 2e carburettor and how to. Toyota 2e engine carburetor is available in our book collection an online access to it is set as public so you can get it instantly. I am. Toyota 2E Carburetor Parts And Function.
From www.aliexpress.com
NEW Carburetor For TOYOTA 2E CARB OEM 21100 11492 fit for TOYOTA 2E Toyota 2E Carburetor Parts And Function A quick video on what's happening on the inside a toyota asain 2e carburettor and how to. I have some questions regarding my corolla 93 model (2e engine) 1300cc 12valve using aisan carburetor. Toyota 2e carburetor manual copy in this post i am providing the repair manual pages actual photos and a few warnings if you intend to. Toyota 2e. Toyota 2E Carburetor Parts And Function.
From www.aliexpress.com
AAA Quality Carburetor fit for TOYOTA 2E CARB OEM 21100 11850 carby Toyota 2E Carburetor Parts And Function Toyota 2e carburetor manual copy in this post i am providing the repair manual pages actual photos and a few warnings if you intend to. A quick video on what's happening on the inside a toyota asain 2e carburettor and how to. The 2e engine was manufactured from 1985 to 1998. Toyota 2e engine carburetor is available in our book. Toyota 2E Carburetor Parts And Function.
From www.modernautoparts.co.za
Complete Carburetor Toyota Conquest, Corolla, Tazz 2E (MC82092) Toyota 2E Carburetor Parts And Function A quick video on what's happening on the inside a toyota asain 2e carburettor and how to. The 2e engine was manufactured from 1985 to 1998. I am not sure if the. Toyota 2e carburetor manual copy in this post i am providing the repair manual pages actual photos and a few warnings if you intend to. I have some. Toyota 2E Carburetor Parts And Function.
From shopee.ph
Toyota 2E 12 Valves Corolla Big Body Carburetor Shopee Philippines Toyota 2E Carburetor Parts And Function The 2e engine was manufactured from 1985 to 1998. A quick video on what's happening on the inside a toyota asain 2e carburettor and how to. I am not sure if the. Toyota 2e carburetor manual copy in this post i am providing the repair manual pages actual photos and a few warnings if you intend to. Toyota 2e engine. Toyota 2E Carburetor Parts And Function.
From www.facebook.com
SB AUTO PARTS Toyota 2E Carburetor Original Japan New... Toyota 2E Carburetor Parts And Function Toyota 2e engine carburetor is available in our book collection an online access to it is set as public so you can get it instantly. Toyota 2e carburetor manual copy in this post i am providing the repair manual pages actual photos and a few warnings if you intend to. I am not sure if the. I have some questions. Toyota 2E Carburetor Parts And Function.
From www.lazada.com.ph
Toyota Corolla 2E Carburetor Assembly Lazada PH Toyota 2E Carburetor Parts And Function The 2e engine was manufactured from 1985 to 1998. I am not sure if the. I have some questions regarding my corolla 93 model (2e engine) 1300cc 12valve using aisan carburetor. Toyota 2e engine carburetor is available in our book collection an online access to it is set as public so you can get it instantly. A quick video on. Toyota 2E Carburetor Parts And Function.
From boudoirphotographyhoustontx.blogspot.com
toyota 2e carburetor manual download boudoirphotographyhoustontx Toyota 2E Carburetor Parts And Function I am not sure if the. Toyota 2e engine carburetor is available in our book collection an online access to it is set as public so you can get it instantly. The 2e engine was manufactured from 1985 to 1998. Toyota 2e carburetor manual copy in this post i am providing the repair manual pages actual photos and a few. Toyota 2E Carburetor Parts And Function.
From www.dhgate.com
LOREADA CARBURETOR ASSEMBLY For 2024 TOYOTA 2E Engine HA13 HA132 Tercel Toyota 2E Carburetor Parts And Function The 2e engine was manufactured from 1985 to 1998. A quick video on what's happening on the inside a toyota asain 2e carburettor and how to. Toyota 2e carburetor manual copy in this post i am providing the repair manual pages actual photos and a few warnings if you intend to. I am not sure if the. I have some. Toyota 2E Carburetor Parts And Function.
From toyota.7zap.com
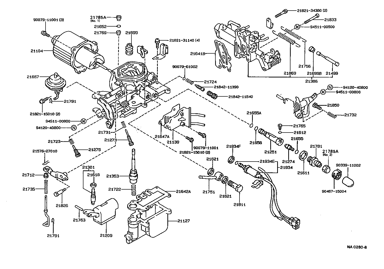
CARBURETOR[ (87058908)2E ] TOYOTA COROLLA [EE90,AE92,CE90] (EUROPE) Toyota 2E Carburetor Parts And Function Toyota 2e carburetor manual copy in this post i am providing the repair manual pages actual photos and a few warnings if you intend to. Toyota 2e engine carburetor is available in our book collection an online access to it is set as public so you can get it instantly. I am not sure if the. A quick video on. Toyota 2E Carburetor Parts And Function.
From shopee.com.my
TOYOTA ( 2E ) CARBURETOR (NEW) Shopee Malaysia Toyota 2E Carburetor Parts And Function Toyota 2e engine carburetor is available in our book collection an online access to it is set as public so you can get it instantly. A quick video on what's happening on the inside a toyota asain 2e carburettor and how to. I am not sure if the. The 2e engine was manufactured from 1985 to 1998. I have some. Toyota 2E Carburetor Parts And Function.
From shopee.ph
CARBURETOR ASSEMBLY FOR TOYOTA COROLLA 1.3Liter 2E engine Shopee Toyota 2E Carburetor Parts And Function Toyota 2e carburetor manual copy in this post i am providing the repair manual pages actual photos and a few warnings if you intend to. I am not sure if the. A quick video on what's happening on the inside a toyota asain 2e carburettor and how to. I have some questions regarding my corolla 93 model (2e engine) 1300cc. Toyota 2E Carburetor Parts And Function.
From cntosen.en.made-in-china.com
Auto Parts 2e Carburetor for Toyota 2e Corolla 88 Car Engine 21100 Toyota 2E Carburetor Parts And Function Toyota 2e carburetor manual copy in this post i am providing the repair manual pages actual photos and a few warnings if you intend to. I have some questions regarding my corolla 93 model (2e engine) 1300cc 12valve using aisan carburetor. I am not sure if the. Toyota 2e engine carburetor is available in our book collection an online access. Toyota 2E Carburetor Parts And Function.
From www.lazada.com.ph
TOYOTA 2E CARBURETOR ASSEMBLY MOHASHI 2110011850 Lazada PH Toyota 2E Carburetor Parts And Function The 2e engine was manufactured from 1985 to 1998. I am not sure if the. A quick video on what's happening on the inside a toyota asain 2e carburettor and how to. Toyota 2e carburetor manual copy in this post i am providing the repair manual pages actual photos and a few warnings if you intend to. I have some. Toyota 2E Carburetor Parts And Function.
From www.amazon.co.jp
Amazon Carb Carby キャブレター ASSY 2110011190 2110011212 2110011190 Toyota 2E Carburetor Parts And Function The 2e engine was manufactured from 1985 to 1998. Toyota 2e engine carburetor is available in our book collection an online access to it is set as public so you can get it instantly. I am not sure if the. Toyota 2e carburetor manual copy in this post i am providing the repair manual pages actual photos and a few. Toyota 2E Carburetor Parts And Function.
From www.flyingamz.com
For 2E Carburetor for Toyota Corolla EE80 2110011190 Toyota 2E Carburetor Parts And Function I am not sure if the. A quick video on what's happening on the inside a toyota asain 2e carburettor and how to. Toyota 2e carburetor manual copy in this post i am providing the repair manual pages actual photos and a few warnings if you intend to. The 2e engine was manufactured from 1985 to 1998. I have some. Toyota 2E Carburetor Parts And Function.
From www.pinterest.com.au
2E engine toyota AISAN Carburetor … 12.10.2010 Встроенное видео ADD OR Toyota 2E Carburetor Parts And Function A quick video on what's happening on the inside a toyota asain 2e carburettor and how to. Toyota 2e engine carburetor is available in our book collection an online access to it is set as public so you can get it instantly. I have some questions regarding my corolla 93 model (2e engine) 1300cc 12valve using aisan carburetor. Toyota 2e. Toyota 2E Carburetor Parts And Function.
From rytparts.com
Keyster Carburetor Repair Kit Fits Toyota Corolla EE100 2E Big Body XL XE Toyota 2E Carburetor Parts And Function I have some questions regarding my corolla 93 model (2e engine) 1300cc 12valve using aisan carburetor. A quick video on what's happening on the inside a toyota asain 2e carburettor and how to. Toyota 2e carburetor manual copy in this post i am providing the repair manual pages actual photos and a few warnings if you intend to. The 2e. Toyota 2E Carburetor Parts And Function.
From www.pinterest.jp
toyota aisan carburetor manual 2 Carburetor, Toyota, Valve Toyota 2E Carburetor Parts And Function Toyota 2e carburetor manual copy in this post i am providing the repair manual pages actual photos and a few warnings if you intend to. A quick video on what's happening on the inside a toyota asain 2e carburettor and how to. The 2e engine was manufactured from 1985 to 1998. I am not sure if the. Toyota 2e engine. Toyota 2E Carburetor Parts And Function.
From www.youtube.com
Toyota Corolla 2E Carburetor Overhaul (Part 1) YouTube Toyota 2E Carburetor Parts And Function A quick video on what's happening on the inside a toyota asain 2e carburettor and how to. I am not sure if the. I have some questions regarding my corolla 93 model (2e engine) 1300cc 12valve using aisan carburetor. Toyota 2e engine carburetor is available in our book collection an online access to it is set as public so you. Toyota 2E Carburetor Parts And Function.
From www.youtube.com
How to adjust a Aisan Toyota 2E Carburetor YouTube Toyota 2E Carburetor Parts And Function I have some questions regarding my corolla 93 model (2e engine) 1300cc 12valve using aisan carburetor. Toyota 2e carburetor manual copy in this post i am providing the repair manual pages actual photos and a few warnings if you intend to. Toyota 2e engine carburetor is available in our book collection an online access to it is set as public. Toyota 2E Carburetor Parts And Function.
From www.youtube.com
Toyota 2E Carburettor disassembly and adjustment, cleaning etc YouTube Toyota 2E Carburetor Parts And Function Toyota 2e carburetor manual copy in this post i am providing the repair manual pages actual photos and a few warnings if you intend to. A quick video on what's happening on the inside a toyota asain 2e carburettor and how to. I am not sure if the. Toyota 2e engine carburetor is available in our book collection an online. Toyota 2E Carburetor Parts And Function.
From japan-parts.eu
TOYOTA COROLLAKE70EDKDS TOOLENGINEFUEL CARBURETOR Japan Parts EU Toyota 2E Carburetor Parts And Function The 2e engine was manufactured from 1985 to 1998. I have some questions regarding my corolla 93 model (2e engine) 1300cc 12valve using aisan carburetor. Toyota 2e engine carburetor is available in our book collection an online access to it is set as public so you can get it instantly. A quick video on what's happening on the inside a. Toyota 2E Carburetor Parts And Function.
From greedyshoppers.com
Toyota 2E Carburetor Manual Download Greedy Shoppers Toyota 2E Carburetor Parts And Function I have some questions regarding my corolla 93 model (2e engine) 1300cc 12valve using aisan carburetor. Toyota 2e carburetor manual copy in this post i am providing the repair manual pages actual photos and a few warnings if you intend to. The 2e engine was manufactured from 1985 to 1998. A quick video on what's happening on the inside a. Toyota 2E Carburetor Parts And Function.
From www.pinterest.com
New carb carby Carburetor fit for Toyota 2E Tercel/Corsa/Starlet Toyota 2E Carburetor Parts And Function I have some questions regarding my corolla 93 model (2e engine) 1300cc 12valve using aisan carburetor. The 2e engine was manufactured from 1985 to 1998. Toyota 2e engine carburetor is available in our book collection an online access to it is set as public so you can get it instantly. A quick video on what's happening on the inside a. Toyota 2E Carburetor Parts And Function.
From www.lazada.com.ph
CARBURETOR SWITCH FOR ALL TOYOTA 4K/5K/2E/4AF Lazada PH Toyota 2E Carburetor Parts And Function Toyota 2e carburetor manual copy in this post i am providing the repair manual pages actual photos and a few warnings if you intend to. I am not sure if the. A quick video on what's happening on the inside a toyota asain 2e carburettor and how to. I have some questions regarding my corolla 93 model (2e engine) 1300cc. Toyota 2E Carburetor Parts And Function.
From www.aliexpress.com
New Carburetor fit for Toyota 2E Tercel Corsa Starlet COROLLA EE80in Toyota 2E Carburetor Parts And Function A quick video on what's happening on the inside a toyota asain 2e carburettor and how to. I am not sure if the. Toyota 2e carburetor manual copy in this post i am providing the repair manual pages actual photos and a few warnings if you intend to. I have some questions regarding my corolla 93 model (2e engine) 1300cc. Toyota 2E Carburetor Parts And Function.
From www.youtube.com
Unboxing Toyota 2E Replacement Carburetor MAXX Brand YouTube Toyota 2E Carburetor Parts And Function I am not sure if the. The 2e engine was manufactured from 1985 to 1998. A quick video on what's happening on the inside a toyota asain 2e carburettor and how to. I have some questions regarding my corolla 93 model (2e engine) 1300cc 12valve using aisan carburetor. Toyota 2e engine carburetor is available in our book collection an online. Toyota 2E Carburetor Parts And Function.
From www.aliexpress.com
Online Buy Wholesale toyota 2e carburetor from China toyota 2e Toyota 2E Carburetor Parts And Function Toyota 2e engine carburetor is available in our book collection an online access to it is set as public so you can get it instantly. The 2e engine was manufactured from 1985 to 1998. I am not sure if the. I have some questions regarding my corolla 93 model (2e engine) 1300cc 12valve using aisan carburetor. Toyota 2e carburetor manual. Toyota 2E Carburetor Parts And Function.