Yamaha Gp1300R Parts Diagram . View and download yamaha waverunner gp1300r service manual online. Shop our large selection of 2004 yamaha gp1300r (gp1300c) oem parts, original equipment manufacturer parts and more online. E how to use this manual 1 to help identify parts and clarify procedure steps, there are exploded diagrams at the start of each removal. Waverunner gp1300r boat pdf manual download. View parts diagrams and shop online for gp1300r (f1g4) [030] : View and download yamaha waverunner gp1300r service manual online. This document is a service manual. It includes exploded diagrams, job instructions, specifications, lubrication points, sealant/locking agent application points, and safety information. Waverunner gp1300r boat pdf manual download. Shop our large selection of 2006 yamaha waverunner gp1300r (gp1300e) oem parts, original equipment manufacturer parts and. Offering discount prices on oem parts for over. 1 to help identify parts and clarify procedure steps, there are exploded diagrams at the start of each removal and disassembly section.
from www.boats.net
View and download yamaha waverunner gp1300r service manual online. View parts diagrams and shop online for gp1300r (f1g4) [030] : Offering discount prices on oem parts for over. Waverunner gp1300r boat pdf manual download. E how to use this manual 1 to help identify parts and clarify procedure steps, there are exploded diagrams at the start of each removal. Shop our large selection of 2006 yamaha waverunner gp1300r (gp1300e) oem parts, original equipment manufacturer parts and. Shop our large selection of 2004 yamaha gp1300r (gp1300c) oem parts, original equipment manufacturer parts and more online. Waverunner gp1300r boat pdf manual download. View and download yamaha waverunner gp1300r service manual online. This document is a service manual.
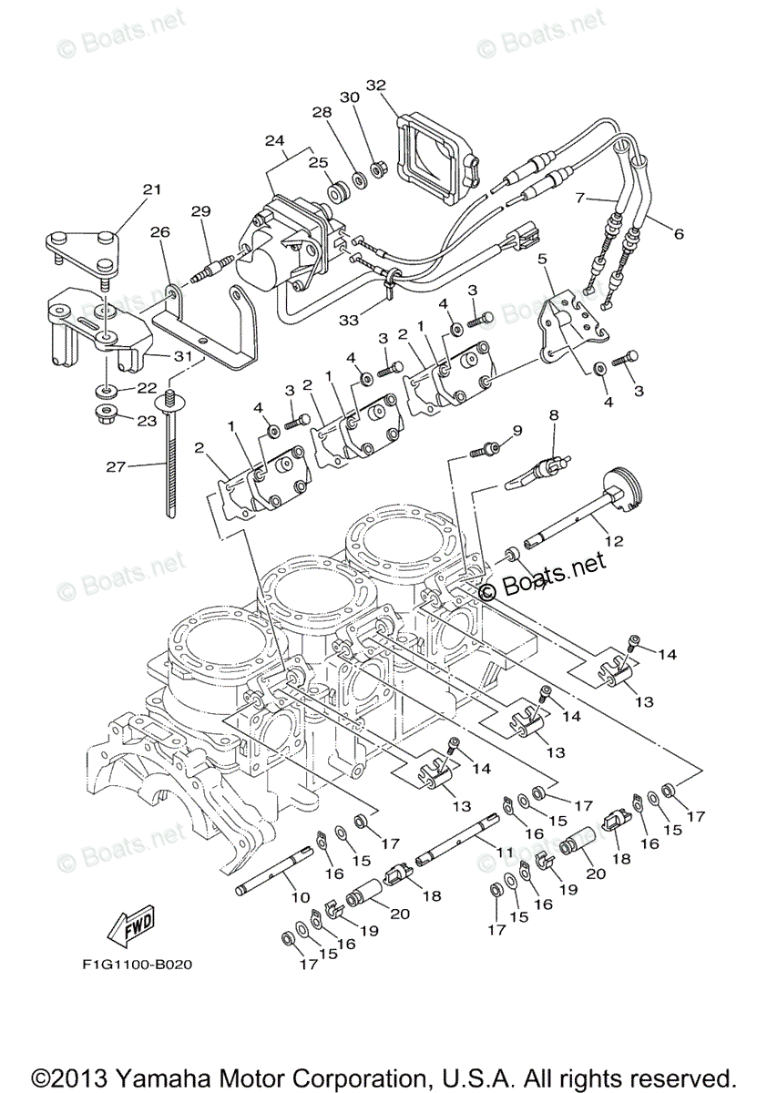
Yamaha Waverunner 2003 OEM Parts Diagram for Cylinder Crankcase 2
Yamaha Gp1300R Parts Diagram E how to use this manual 1 to help identify parts and clarify procedure steps, there are exploded diagrams at the start of each removal. Shop our large selection of 2006 yamaha waverunner gp1300r (gp1300e) oem parts, original equipment manufacturer parts and. 1 to help identify parts and clarify procedure steps, there are exploded diagrams at the start of each removal and disassembly section. E how to use this manual 1 to help identify parts and clarify procedure steps, there are exploded diagrams at the start of each removal. View and download yamaha waverunner gp1300r service manual online. Shop our large selection of 2004 yamaha gp1300r (gp1300c) oem parts, original equipment manufacturer parts and more online. Waverunner gp1300r boat pdf manual download. Offering discount prices on oem parts for over. It includes exploded diagrams, job instructions, specifications, lubrication points, sealant/locking agent application points, and safety information. View and download yamaha waverunner gp1300r service manual online. Waverunner gp1300r boat pdf manual download. View parts diagrams and shop online for gp1300r (f1g4) [030] : This document is a service manual.
From www.pieces-yam.com
JET UNIT 1 pour Yamaha GP1300R de 2004 YAMAHA Catalogue de Pièces Yamaha Gp1300R Parts Diagram View parts diagrams and shop online for gp1300r (f1g4) [030] : Shop our large selection of 2006 yamaha waverunner gp1300r (gp1300e) oem parts, original equipment manufacturer parts and. E how to use this manual 1 to help identify parts and clarify procedure steps, there are exploded diagrams at the start of each removal. It includes exploded diagrams, job instructions, specifications,. Yamaha Gp1300R Parts Diagram.
From www.partzilla.com
Yamaha Waverunner 2005 OEM Parts Diagram for Jet Unit 2 Yamaha Gp1300R Parts Diagram View parts diagrams and shop online for gp1300r (f1g4) [030] : E how to use this manual 1 to help identify parts and clarify procedure steps, there are exploded diagrams at the start of each removal. It includes exploded diagrams, job instructions, specifications, lubrication points, sealant/locking agent application points, and safety information. View and download yamaha waverunner gp1300r service manual. Yamaha Gp1300R Parts Diagram.
From www.2040-parts.com
Sell Yamaha Waverunner GP1300R Cylinder and piston kit 2 non power Yamaha Gp1300R Parts Diagram Waverunner gp1300r boat pdf manual download. Shop our large selection of 2006 yamaha waverunner gp1300r (gp1300e) oem parts, original equipment manufacturer parts and. View and download yamaha waverunner gp1300r service manual online. This document is a service manual. View parts diagrams and shop online for gp1300r (f1g4) [030] : Waverunner gp1300r boat pdf manual download. 1 to help identify parts. Yamaha Gp1300R Parts Diagram.
From www.promo-jetski.com
EXHAUST 1 for Yamaha GP1300R GP1300F 2007 2007 WaveRunner Promo Yamaha Gp1300R Parts Diagram E how to use this manual 1 to help identify parts and clarify procedure steps, there are exploded diagrams at the start of each removal. Shop our large selection of 2006 yamaha waverunner gp1300r (gp1300e) oem parts, original equipment manufacturer parts and. Offering discount prices on oem parts for over. View and download yamaha waverunner gp1300r service manual online. It. Yamaha Gp1300R Parts Diagram.
From www.promo-jetski.com
EXHAUST 2 for Yamaha GP1300R GP1300B 2003 2003 WaveRunner Promo Yamaha Gp1300R Parts Diagram View and download yamaha waverunner gp1300r service manual online. 1 to help identify parts and clarify procedure steps, there are exploded diagrams at the start of each removal and disassembly section. Waverunner gp1300r boat pdf manual download. Waverunner gp1300r boat pdf manual download. Shop our large selection of 2006 yamaha waverunner gp1300r (gp1300e) oem parts, original equipment manufacturer parts and.. Yamaha Gp1300R Parts Diagram.
From www.crowleymarine.com
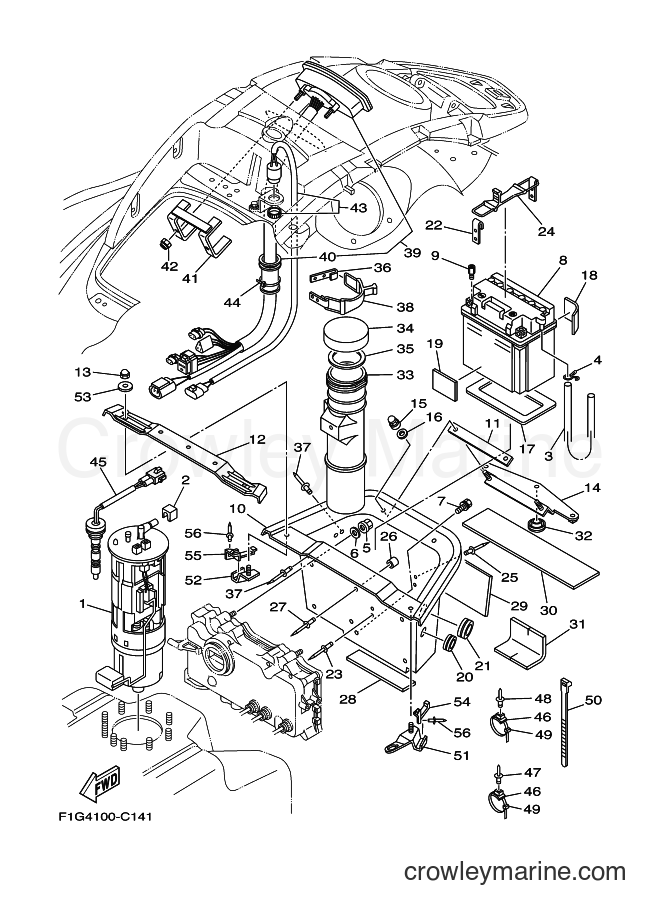
ELECTRICAL 2 2004 WaveRunner GP1300R GP1300R (F1G4) [030] Crowley Yamaha Gp1300R Parts Diagram View and download yamaha waverunner gp1300r service manual online. Waverunner gp1300r boat pdf manual download. 1 to help identify parts and clarify procedure steps, there are exploded diagrams at the start of each removal and disassembly section. View parts diagrams and shop online for gp1300r (f1g4) [030] : This document is a service manual. Offering discount prices on oem parts. Yamaha Gp1300R Parts Diagram.
From www.promo-jetski.com
CONTROL CABLE for Yamaha GP1300R GP1300B 2003 2003 WaveRunner Yamaha Gp1300R Parts Diagram This document is a service manual. Waverunner gp1300r boat pdf manual download. Shop our large selection of 2006 yamaha waverunner gp1300r (gp1300e) oem parts, original equipment manufacturer parts and. Offering discount prices on oem parts for over. View and download yamaha waverunner gp1300r service manual online. It includes exploded diagrams, job instructions, specifications, lubrication points, sealant/locking agent application points, and. Yamaha Gp1300R Parts Diagram.
From www.boats.net
Yamaha Waverunner 2005 OEM Parts Diagram for Jet Unit 1 Yamaha Gp1300R Parts Diagram View parts diagrams and shop online for gp1300r (f1g4) [030] : This document is a service manual. Waverunner gp1300r boat pdf manual download. Waverunner gp1300r boat pdf manual download. It includes exploded diagrams, job instructions, specifications, lubrication points, sealant/locking agent application points, and safety information. Offering discount prices on oem parts for over. Shop our large selection of 2006 yamaha. Yamaha Gp1300R Parts Diagram.
From www.partzilla.com
Yamaha Waverunner 2003 OEM Parts Diagram for OIL PUMP Yamaha Gp1300R Parts Diagram 1 to help identify parts and clarify procedure steps, there are exploded diagrams at the start of each removal and disassembly section. Shop our large selection of 2004 yamaha gp1300r (gp1300c) oem parts, original equipment manufacturer parts and more online. Offering discount prices on oem parts for over. Waverunner gp1300r boat pdf manual download. This document is a service manual.. Yamaha Gp1300R Parts Diagram.
From www.boats.net
Yamaha Waverunner 2005 OEM Parts Diagram for FUEL TANK Yamaha Gp1300R Parts Diagram View parts diagrams and shop online for gp1300r (f1g4) [030] : Waverunner gp1300r boat pdf manual download. It includes exploded diagrams, job instructions, specifications, lubrication points, sealant/locking agent application points, and safety information. 1 to help identify parts and clarify procedure steps, there are exploded diagrams at the start of each removal and disassembly section. Shop our large selection of. Yamaha Gp1300R Parts Diagram.
From www.ebay.co.uk
YAMAHA GP1300R WAVERUNNER JETSKI SPARES OR REPAIR eBay Yamaha Gp1300R Parts Diagram Shop our large selection of 2006 yamaha waverunner gp1300r (gp1300e) oem parts, original equipment manufacturer parts and. This document is a service manual. View and download yamaha waverunner gp1300r service manual online. 1 to help identify parts and clarify procedure steps, there are exploded diagrams at the start of each removal and disassembly section. Waverunner gp1300r boat pdf manual download.. Yamaha Gp1300R Parts Diagram.
From www.boats.net
Yamaha Waverunner Parts 2003 OEM Parts Diagram for Intake Yamaha Gp1300R Parts Diagram Offering discount prices on oem parts for over. Waverunner gp1300r boat pdf manual download. Waverunner gp1300r boat pdf manual download. Shop our large selection of 2006 yamaha waverunner gp1300r (gp1300e) oem parts, original equipment manufacturer parts and. Shop our large selection of 2004 yamaha gp1300r (gp1300c) oem parts, original equipment manufacturer parts and more online. E how to use this. Yamaha Gp1300R Parts Diagram.
From www.boats.net
Yamaha Waverunner 2005 OEM Parts Diagram for Oil Tank Yamaha Gp1300R Parts Diagram Waverunner gp1300r boat pdf manual download. View and download yamaha waverunner gp1300r service manual online. View and download yamaha waverunner gp1300r service manual online. 1 to help identify parts and clarify procedure steps, there are exploded diagrams at the start of each removal and disassembly section. Shop our large selection of 2006 yamaha waverunner gp1300r (gp1300e) oem parts, original equipment. Yamaha Gp1300R Parts Diagram.
From ar.inspiredpencil.com
Yamaha Motorcycle Engine Diagram Yamaha Gp1300R Parts Diagram Waverunner gp1300r boat pdf manual download. Waverunner gp1300r boat pdf manual download. Shop our large selection of 2004 yamaha gp1300r (gp1300c) oem parts, original equipment manufacturer parts and more online. This document is a service manual. It includes exploded diagrams, job instructions, specifications, lubrication points, sealant/locking agent application points, and safety information. View and download yamaha waverunner gp1300r service manual. Yamaha Gp1300R Parts Diagram.
From www.promo-jetski.com
ENGINE HATCH 1 for Yamaha GP1300R GP1300C 2004 2004 WaveRunner Yamaha Gp1300R Parts Diagram Waverunner gp1300r boat pdf manual download. E how to use this manual 1 to help identify parts and clarify procedure steps, there are exploded diagrams at the start of each removal. Shop our large selection of 2004 yamaha gp1300r (gp1300c) oem parts, original equipment manufacturer parts and more online. Offering discount prices on oem parts for over. This document is. Yamaha Gp1300R Parts Diagram.
From www.partzilla.com
Yamaha Waverunner 2008 OEM Parts Diagram for Exhaust 3 Yamaha Gp1300R Parts Diagram Waverunner gp1300r boat pdf manual download. Shop our large selection of 2004 yamaha gp1300r (gp1300c) oem parts, original equipment manufacturer parts and more online. This document is a service manual. View and download yamaha waverunner gp1300r service manual online. Waverunner gp1300r boat pdf manual download. View and download yamaha waverunner gp1300r service manual online. E how to use this manual. Yamaha Gp1300R Parts Diagram.
From www.boats.net
Yamaha Waverunner 2003 OEM Parts Diagram for Steering 1 Yamaha Gp1300R Parts Diagram Shop our large selection of 2004 yamaha gp1300r (gp1300c) oem parts, original equipment manufacturer parts and more online. View and download yamaha waverunner gp1300r service manual online. View parts diagrams and shop online for gp1300r (f1g4) [030] : Waverunner gp1300r boat pdf manual download. It includes exploded diagrams, job instructions, specifications, lubrication points, sealant/locking agent application points, and safety information.. Yamaha Gp1300R Parts Diagram.
From www.boats.net
Yamaha Waverunner 2005 OEM Parts Diagram for Ventilation Yamaha Gp1300R Parts Diagram View and download yamaha waverunner gp1300r service manual online. Waverunner gp1300r boat pdf manual download. Offering discount prices on oem parts for over. Waverunner gp1300r boat pdf manual download. Shop our large selection of 2006 yamaha waverunner gp1300r (gp1300e) oem parts, original equipment manufacturer parts and. It includes exploded diagrams, job instructions, specifications, lubrication points, sealant/locking agent application points, and. Yamaha Gp1300R Parts Diagram.
From www.ebay.com
Yamaha GP1300R GP 1300 R LCD info gauge display multifunction meter FOR Yamaha Gp1300R Parts Diagram Offering discount prices on oem parts for over. Waverunner gp1300r boat pdf manual download. Shop our large selection of 2004 yamaha gp1300r (gp1300c) oem parts, original equipment manufacturer parts and more online. Waverunner gp1300r boat pdf manual download. This document is a service manual. 1 to help identify parts and clarify procedure steps, there are exploded diagrams at the start. Yamaha Gp1300R Parts Diagram.
From ad-discountperformance.com
Hydro Turf Mat Kit For Yamaha Gp1300R (All Years) Gp1200R (0002 Yamaha Gp1300R Parts Diagram E how to use this manual 1 to help identify parts and clarify procedure steps, there are exploded diagrams at the start of each removal. Waverunner gp1300r boat pdf manual download. View and download yamaha waverunner gp1300r service manual online. Waverunner gp1300r boat pdf manual download. 1 to help identify parts and clarify procedure steps, there are exploded diagrams at. Yamaha Gp1300R Parts Diagram.
From www.youtube.com
Yamaha GP1300R parts are back from Erickson's machine and performance Yamaha Gp1300R Parts Diagram Waverunner gp1300r boat pdf manual download. It includes exploded diagrams, job instructions, specifications, lubrication points, sealant/locking agent application points, and safety information. Shop our large selection of 2006 yamaha waverunner gp1300r (gp1300e) oem parts, original equipment manufacturer parts and. View parts diagrams and shop online for gp1300r (f1g4) [030] : Shop our large selection of 2004 yamaha gp1300r (gp1300c) oem. Yamaha Gp1300R Parts Diagram.
From www.jet-tecperformance.com
Yamaha GP1300R Intake Manifold JetTec Performance Yamaha Gp1300R Parts Diagram Shop our large selection of 2004 yamaha gp1300r (gp1300c) oem parts, original equipment manufacturer parts and more online. View and download yamaha waverunner gp1300r service manual online. Waverunner gp1300r boat pdf manual download. This document is a service manual. E how to use this manual 1 to help identify parts and clarify procedure steps, there are exploded diagrams at the. Yamaha Gp1300R Parts Diagram.
From flavored.ph
Personal Watercraft Parts 2005 YAMAHA WAVERUNNER GP1300R GP1300 ENGINE Yamaha Gp1300R Parts Diagram View and download yamaha waverunner gp1300r service manual online. Shop our large selection of 2006 yamaha waverunner gp1300r (gp1300e) oem parts, original equipment manufacturer parts and. 1 to help identify parts and clarify procedure steps, there are exploded diagrams at the start of each removal and disassembly section. Waverunner gp1300r boat pdf manual download. This document is a service manual.. Yamaha Gp1300R Parts Diagram.
From www.2040-parts.com
Sell Yamaha Waverunner GP1300R Cylinder and piston kit 2 non power Yamaha Gp1300R Parts Diagram View and download yamaha waverunner gp1300r service manual online. Offering discount prices on oem parts for over. Waverunner gp1300r boat pdf manual download. E how to use this manual 1 to help identify parts and clarify procedure steps, there are exploded diagrams at the start of each removal. Waverunner gp1300r boat pdf manual download. It includes exploded diagrams, job instructions,. Yamaha Gp1300R Parts Diagram.
From www.partzilla.com
Yamaha Waverunner 2007 OEM Parts Diagram for Graphics Yamaha Gp1300R Parts Diagram Shop our large selection of 2006 yamaha waverunner gp1300r (gp1300e) oem parts, original equipment manufacturer parts and. 1 to help identify parts and clarify procedure steps, there are exploded diagrams at the start of each removal and disassembly section. View parts diagrams and shop online for gp1300r (f1g4) [030] : It includes exploded diagrams, job instructions, specifications, lubrication points, sealant/locking. Yamaha Gp1300R Parts Diagram.
From www.boats.net
Yamaha Waverunner 2005 OEM Parts Diagram for Hull. Deck Yamaha Gp1300R Parts Diagram This document is a service manual. Waverunner gp1300r boat pdf manual download. View and download yamaha waverunner gp1300r service manual online. Offering discount prices on oem parts for over. 1 to help identify parts and clarify procedure steps, there are exploded diagrams at the start of each removal and disassembly section. Shop our large selection of 2004 yamaha gp1300r (gp1300c). Yamaha Gp1300R Parts Diagram.
From www.jet-tecperformance.com
Yamaha GP1300R Breaking For Parts JetTec Performance Yamaha Gp1300R Parts Diagram This document is a service manual. E how to use this manual 1 to help identify parts and clarify procedure steps, there are exploded diagrams at the start of each removal. View and download yamaha waverunner gp1300r service manual online. View and download yamaha waverunner gp1300r service manual online. Waverunner gp1300r boat pdf manual download. View parts diagrams and shop. Yamaha Gp1300R Parts Diagram.
From manualmachine.com
YAMAHA GP1300R, GP1300B/CB, GP1300B, MJGP1300 ’03 PARTS CATALOGUE Yamaha Gp1300R Parts Diagram 1 to help identify parts and clarify procedure steps, there are exploded diagrams at the start of each removal and disassembly section. Shop our large selection of 2004 yamaha gp1300r (gp1300c) oem parts, original equipment manufacturer parts and more online. View and download yamaha waverunner gp1300r service manual online. View parts diagrams and shop online for gp1300r (f1g4) [030] :. Yamaha Gp1300R Parts Diagram.
From www.promo-jetski.com
INJECTION PUMP for Yamaha GP1300R GP1300B 2003 2003 WaveRunner Yamaha Gp1300R Parts Diagram Shop our large selection of 2006 yamaha waverunner gp1300r (gp1300e) oem parts, original equipment manufacturer parts and. View parts diagrams and shop online for gp1300r (f1g4) [030] : It includes exploded diagrams, job instructions, specifications, lubrication points, sealant/locking agent application points, and safety information. View and download yamaha waverunner gp1300r service manual online. Waverunner gp1300r boat pdf manual download. Waverunner. Yamaha Gp1300R Parts Diagram.
From www.ebay.com
Yamaha GP1300R GP 1300 R LCD info gauge display multifunction meter FOR Yamaha Gp1300R Parts Diagram Waverunner gp1300r boat pdf manual download. It includes exploded diagrams, job instructions, specifications, lubrication points, sealant/locking agent application points, and safety information. This document is a service manual. Waverunner gp1300r boat pdf manual download. Shop our large selection of 2006 yamaha waverunner gp1300r (gp1300e) oem parts, original equipment manufacturer parts and. Shop our large selection of 2004 yamaha gp1300r (gp1300c). Yamaha Gp1300R Parts Diagram.
From www.boats.net
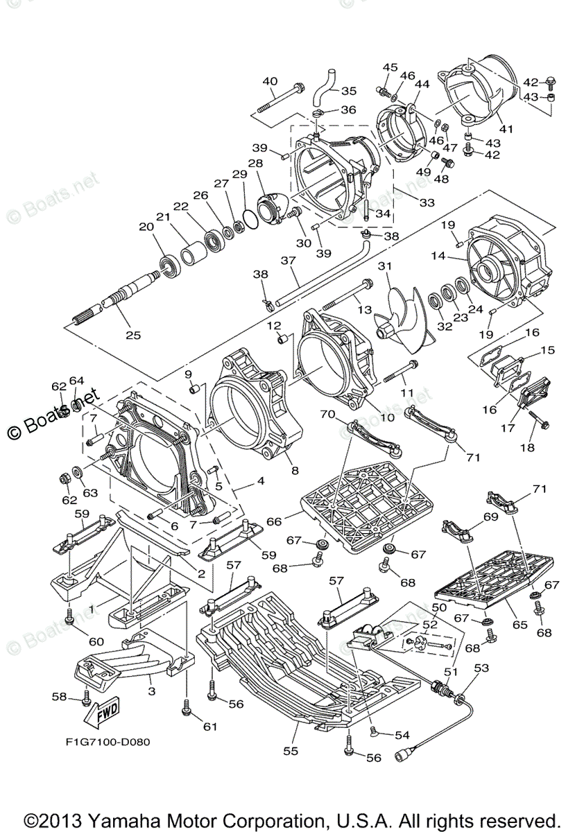
Yamaha Waverunner 2003 OEM Parts Diagram for Cylinder Crankcase 2 Yamaha Gp1300R Parts Diagram View and download yamaha waverunner gp1300r service manual online. Shop our large selection of 2006 yamaha waverunner gp1300r (gp1300e) oem parts, original equipment manufacturer parts and. Offering discount prices on oem parts for over. This document is a service manual. Waverunner gp1300r boat pdf manual download. View and download yamaha waverunner gp1300r service manual online. Waverunner gp1300r boat pdf manual. Yamaha Gp1300R Parts Diagram.
From www.topspeed.com
2007 Yamaha GP1300R Top Speed Yamaha Gp1300R Parts Diagram Waverunner gp1300r boat pdf manual download. View and download yamaha waverunner gp1300r service manual online. View and download yamaha waverunner gp1300r service manual online. View parts diagrams and shop online for gp1300r (f1g4) [030] : E how to use this manual 1 to help identify parts and clarify procedure steps, there are exploded diagrams at the start of each removal.. Yamaha Gp1300R Parts Diagram.
From www.promo-jetski.com
STARTING MOTOR for Yamaha WaveRunner GP1300R GP1300D 2005 2005 Yamaha Gp1300R Parts Diagram Shop our large selection of 2006 yamaha waverunner gp1300r (gp1300e) oem parts, original equipment manufacturer parts and. Waverunner gp1300r boat pdf manual download. E how to use this manual 1 to help identify parts and clarify procedure steps, there are exploded diagrams at the start of each removal. View and download yamaha waverunner gp1300r service manual online. 1 to help. Yamaha Gp1300R Parts Diagram.
From www.crowleymarine.com
ELECTRICAL 1 2004 WaveRunner GP1300R GP1300R (F1G4) [030] Crowley Yamaha Gp1300R Parts Diagram E how to use this manual 1 to help identify parts and clarify procedure steps, there are exploded diagrams at the start of each removal. View parts diagrams and shop online for gp1300r (f1g4) [030] : Shop our large selection of 2004 yamaha gp1300r (gp1300c) oem parts, original equipment manufacturer parts and more online. This document is a service manual.. Yamaha Gp1300R Parts Diagram.
From www.promo-jetski.com
REPAIR KIT 1 pour JetSki Yamaha GP1300R GP1300B 2003 2003 Yamaha Gp1300R Parts Diagram Shop our large selection of 2006 yamaha waverunner gp1300r (gp1300e) oem parts, original equipment manufacturer parts and. This document is a service manual. Shop our large selection of 2004 yamaha gp1300r (gp1300c) oem parts, original equipment manufacturer parts and more online. View parts diagrams and shop online for gp1300r (f1g4) [030] : Waverunner gp1300r boat pdf manual download. View and. Yamaha Gp1300R Parts Diagram.