Brake Signal Light Problem . Check out these four common conundrums that cause your brake lamp to light up and how you can solve them. By far, a burnt out bulb is one of the brake light problems that crops up the most, and it’s easy to understand why. Problems with the brake light switch. Coupons & offersfactory certified techs Some of the most common reasons that your brake lights are out or malfunctioning include: 4.5/5 (15k) To diagnose broken brake lights, you can check the bulbs, sockets, fuse block, and brake light switch. For that to work, the brake wire runs to the turn indicator, so that when you turn on the flashing turn signal, it switches out the brake. There are various reasons why a dashboard brake warning light could be triggered, such as improper wiring, a damaged brake line, or a faulty rear. Coupons & offersfactory certified techs Some tips on how to fix a broken brake light include preparing the necessary tools, using a brake light wiring diagram, and replacing the brake light switch.
from flatdisk24.pythonanywhere.com
Some tips on how to fix a broken brake light include preparing the necessary tools, using a brake light wiring diagram, and replacing the brake light switch. To diagnose broken brake lights, you can check the bulbs, sockets, fuse block, and brake light switch. Coupons & offersfactory certified techs By far, a burnt out bulb is one of the brake light problems that crops up the most, and it’s easy to understand why. Check out these four common conundrums that cause your brake lamp to light up and how you can solve them. 4.5/5 (15k) For that to work, the brake wire runs to the turn indicator, so that when you turn on the flashing turn signal, it switches out the brake. There are various reasons why a dashboard brake warning light could be triggered, such as improper wiring, a damaged brake line, or a faulty rear. Coupons & offersfactory certified techs Some of the most common reasons that your brake lights are out or malfunctioning include:
How To Fix Brake Lights Flatdisk24
Brake Signal Light Problem 4.5/5 (15k) There are various reasons why a dashboard brake warning light could be triggered, such as improper wiring, a damaged brake line, or a faulty rear. Some of the most common reasons that your brake lights are out or malfunctioning include: By far, a burnt out bulb is one of the brake light problems that crops up the most, and it’s easy to understand why. To diagnose broken brake lights, you can check the bulbs, sockets, fuse block, and brake light switch. Coupons & offersfactory certified techs For that to work, the brake wire runs to the turn indicator, so that when you turn on the flashing turn signal, it switches out the brake. Some tips on how to fix a broken brake light include preparing the necessary tools, using a brake light wiring diagram, and replacing the brake light switch. Problems with the brake light switch. 4.5/5 (15k) Coupons & offersfactory certified techs Check out these four common conundrums that cause your brake lamp to light up and how you can solve them.
From www.youtube.com
2002 F150 Brake Light Switch Replacement, Circuit Troubleshooting and Brake Signal Light Problem Problems with the brake light switch. 4.5/5 (15k) To diagnose broken brake lights, you can check the bulbs, sockets, fuse block, and brake light switch. For that to work, the brake wire runs to the turn indicator, so that when you turn on the flashing turn signal, it switches out the brake. Coupons & offersfactory certified techs By far,. Brake Signal Light Problem.
From www.youtube.com
How to Remove A 2019 2020 Hyundai Santa Fe Tail Light Change Brake Signal Light Problem Problems with the brake light switch. Coupons & offersfactory certified techs Check out these four common conundrums that cause your brake lamp to light up and how you can solve them. Some tips on how to fix a broken brake light include preparing the necessary tools, using a brake light wiring diagram, and replacing the brake light switch. There are. Brake Signal Light Problem.
From www.youtube.com
Why How to Fix Brake Lights Stays on Your Dash Not Turn On or Off Brake Signal Light Problem Some tips on how to fix a broken brake light include preparing the necessary tools, using a brake light wiring diagram, and replacing the brake light switch. Coupons & offersfactory certified techs For that to work, the brake wire runs to the turn indicator, so that when you turn on the flashing turn signal, it switches out the brake. To. Brake Signal Light Problem.
From automotiverepairphoenix.com
What Causes the Brake Warning Light to Come On? Brake Signal Light Problem Check out these four common conundrums that cause your brake lamp to light up and how you can solve them. By far, a burnt out bulb is one of the brake light problems that crops up the most, and it’s easy to understand why. 4.5/5 (15k) For that to work, the brake wire runs to the turn indicator, so. Brake Signal Light Problem.
From www.youtube.com
GMC Savana 2500 Turning Signal, Brake Light, not Working...How to Brake Signal Light Problem Problems with the brake light switch. Some tips on how to fix a broken brake light include preparing the necessary tools, using a brake light wiring diagram, and replacing the brake light switch. By far, a burnt out bulb is one of the brake light problems that crops up the most, and it’s easy to understand why. Some of the. Brake Signal Light Problem.
From homeminimalisite.com
What Could Cause The Brake Warning Light To Come On Brake Signal Light Problem Coupons & offersfactory certified techs By far, a burnt out bulb is one of the brake light problems that crops up the most, and it’s easy to understand why. 4.5/5 (15k) For that to work, the brake wire runs to the turn indicator, so that when you turn on the flashing turn signal, it switches out the brake. Problems. Brake Signal Light Problem.
From carproblemguru.com
Turn Signal And Brake Light Not Working On One Side (Fixed) Brake Signal Light Problem By far, a burnt out bulb is one of the brake light problems that crops up the most, and it’s easy to understand why. 4.5/5 (15k) For that to work, the brake wire runs to the turn indicator, so that when you turn on the flashing turn signal, it switches out the brake. Some of the most common reasons. Brake Signal Light Problem.
From www.yourmechanic.com
What Does the Brake System (Hand Brake, Parking Brake) Warning Light Brake Signal Light Problem Problems with the brake light switch. Check out these four common conundrums that cause your brake lamp to light up and how you can solve them. Coupons & offersfactory certified techs Some of the most common reasons that your brake lights are out or malfunctioning include: By far, a burnt out bulb is one of the brake light problems that. Brake Signal Light Problem.
From www.youtube.com
Car Handbrake light Blink Problem Solution Car brake light blinking Brake Signal Light Problem By far, a burnt out bulb is one of the brake light problems that crops up the most, and it’s easy to understand why. Problems with the brake light switch. 4.5/5 (15k) Some tips on how to fix a broken brake light include preparing the necessary tools, using a brake light wiring diagram, and replacing the brake light switch.. Brake Signal Light Problem.
From repairfixreed99.z19.web.core.windows.net
Honda Odyssey Brake Light Problems Brake Signal Light Problem 4.5/5 (15k) Coupons & offersfactory certified techs Problems with the brake light switch. Some of the most common reasons that your brake lights are out or malfunctioning include: There are various reasons why a dashboard brake warning light could be triggered, such as improper wiring, a damaged brake line, or a faulty rear. Some tips on how to fix. Brake Signal Light Problem.
From www.repairsmith.com
Why Is My Brake System Warning Light On? (+ 4 Lights to Know) RepairSmith Brake Signal Light Problem Coupons & offersfactory certified techs By far, a burnt out bulb is one of the brake light problems that crops up the most, and it’s easy to understand why. Problems with the brake light switch. Some of the most common reasons that your brake lights are out or malfunctioning include: There are various reasons why a dashboard brake warning light. Brake Signal Light Problem.
From www.samarins.com
Brake light switch symptoms, problems, testing, replacement Brake Signal Light Problem There are various reasons why a dashboard brake warning light could be triggered, such as improper wiring, a damaged brake line, or a faulty rear. Some of the most common reasons that your brake lights are out or malfunctioning include: Check out these four common conundrums that cause your brake lamp to light up and how you can solve them.. Brake Signal Light Problem.
From www.liveabout.com
How to Replace a Rear Brake and Turn Signal Light Bulb Brake Signal Light Problem Some of the most common reasons that your brake lights are out or malfunctioning include: For that to work, the brake wire runs to the turn indicator, so that when you turn on the flashing turn signal, it switches out the brake. By far, a burnt out bulb is one of the brake light problems that crops up the most,. Brake Signal Light Problem.
From auto.howstuffworks.com
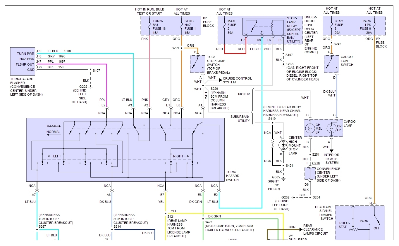
Brake Light Wiring Diagram HowStuffWorks Brake Signal Light Problem Check out these four common conundrums that cause your brake lamp to light up and how you can solve them. Some of the most common reasons that your brake lights are out or malfunctioning include: Coupons & offersfactory certified techs There are various reasons why a dashboard brake warning light could be triggered, such as improper wiring, a damaged brake. Brake Signal Light Problem.
From www.fixter.co.uk
Reasons your brake system warning light might illuminate Fixter Brake Signal Light Problem 4.5/5 (15k) Problems with the brake light switch. Coupons & offersfactory certified techs Some of the most common reasons that your brake lights are out or malfunctioning include: For that to work, the brake wire runs to the turn indicator, so that when you turn on the flashing turn signal, it switches out the brake. To diagnose broken brake. Brake Signal Light Problem.
From flatdisk24.pythonanywhere.com
How To Fix Brake Lights Flatdisk24 Brake Signal Light Problem For that to work, the brake wire runs to the turn indicator, so that when you turn on the flashing turn signal, it switches out the brake. Check out these four common conundrums that cause your brake lamp to light up and how you can solve them. 4.5/5 (15k) Some tips on how to fix a broken brake light. Brake Signal Light Problem.
From autoquarterly.com
What Does the “Check Brake System” Warning Light Mean? Auto Quarterly Brake Signal Light Problem 4.5/5 (15k) Coupons & offersfactory certified techs For that to work, the brake wire runs to the turn indicator, so that when you turn on the flashing turn signal, it switches out the brake. By far, a burnt out bulb is one of the brake light problems that crops up the most, and it’s easy to understand why. There. Brake Signal Light Problem.
From www.powerstop.com
What is a Brake Warning Light & How To Fix It PowerStop Brakes Brake Signal Light Problem To diagnose broken brake lights, you can check the bulbs, sockets, fuse block, and brake light switch. Some tips on how to fix a broken brake light include preparing the necessary tools, using a brake light wiring diagram, and replacing the brake light switch. Check out these four common conundrums that cause your brake lamp to light up and how. Brake Signal Light Problem.
From www.matthewsvolvosite.com
Brake light / turn signal / hazard light problem 02 v70 2.4T Brake Signal Light Problem Some of the most common reasons that your brake lights are out or malfunctioning include: Check out these four common conundrums that cause your brake lamp to light up and how you can solve them. There are various reasons why a dashboard brake warning light could be triggered, such as improper wiring, a damaged brake line, or a faulty rear.. Brake Signal Light Problem.
From www.hdforums.com
Brake Light Problem Harley Davidson Forums Brake Signal Light Problem To diagnose broken brake lights, you can check the bulbs, sockets, fuse block, and brake light switch. Check out these four common conundrums that cause your brake lamp to light up and how you can solve them. Some tips on how to fix a broken brake light include preparing the necessary tools, using a brake light wiring diagram, and replacing. Brake Signal Light Problem.
From www.youtube.com
How to fix brake lights or turn signals that aren't working (without Brake Signal Light Problem To diagnose broken brake lights, you can check the bulbs, sockets, fuse block, and brake light switch. Check out these four common conundrums that cause your brake lamp to light up and how you can solve them. Coupons & offersfactory certified techs Coupons & offersfactory certified techs 4.5/5 (15k) For that to work, the brake wire runs to the. Brake Signal Light Problem.
From www.youtube.com
WHY FORD F150 F150 BRAKE LIGHTS DO NOT WORK, BRAKE LIGHT NOT WORKING Brake Signal Light Problem 4.5/5 (15k) By far, a burnt out bulb is one of the brake light problems that crops up the most, and it’s easy to understand why. For that to work, the brake wire runs to the turn indicator, so that when you turn on the flashing turn signal, it switches out the brake. Some tips on how to fix. Brake Signal Light Problem.
From www.youtube.com
Brake Warning Light On? Understanding Brake Sensors PowerStop YouTube Brake Signal Light Problem Some tips on how to fix a broken brake light include preparing the necessary tools, using a brake light wiring diagram, and replacing the brake light switch. Coupons & offersfactory certified techs To diagnose broken brake lights, you can check the bulbs, sockets, fuse block, and brake light switch. Problems with the brake light switch. Some of the most common. Brake Signal Light Problem.
From www.motorbiscuit.com
How to Fix These Common Brake Light Problems Brake Signal Light Problem Some of the most common reasons that your brake lights are out or malfunctioning include: Check out these four common conundrums that cause your brake lamp to light up and how you can solve them. 4.5/5 (15k) Problems with the brake light switch. Some tips on how to fix a broken brake light include preparing the necessary tools, using. Brake Signal Light Problem.
From gothdiy94.blogspot.com
Wiring Brake Lights What can cause my brake lights on my 1997 chevy Brake Signal Light Problem For that to work, the brake wire runs to the turn indicator, so that when you turn on the flashing turn signal, it switches out the brake. To diagnose broken brake lights, you can check the bulbs, sockets, fuse block, and brake light switch. Some tips on how to fix a broken brake light include preparing the necessary tools, using. Brake Signal Light Problem.
From www.cadillacforum.com
97 STS left turn signal/brake light problem Cadillac Forum Brake Signal Light Problem Coupons & offersfactory certified techs 4.5/5 (15k) Problems with the brake light switch. There are various reasons why a dashboard brake warning light could be triggered, such as improper wiring, a damaged brake line, or a faulty rear. Check out these four common conundrums that cause your brake lamp to light up and how you can solve them. By. Brake Signal Light Problem.
From www.youtube.com
Turn signal problem diagnosis! (turn signals not working) YouTube Brake Signal Light Problem Some tips on how to fix a broken brake light include preparing the necessary tools, using a brake light wiring diagram, and replacing the brake light switch. Coupons & offersfactory certified techs 4.5/5 (15k) By far, a burnt out bulb is one of the brake light problems that crops up the most, and it’s easy to understand why. There. Brake Signal Light Problem.
From www.carparts.com
Brake System Warning Light What Does It Mean? In The Garage with Brake Signal Light Problem There are various reasons why a dashboard brake warning light could be triggered, such as improper wiring, a damaged brake line, or a faulty rear. Some tips on how to fix a broken brake light include preparing the necessary tools, using a brake light wiring diagram, and replacing the brake light switch. Coupons & offersfactory certified techs By far, a. Brake Signal Light Problem.
From innovationdiscoveries.space
Causes Of The Brake Warning Light Coming On Brake Signal Light Problem Some of the most common reasons that your brake lights are out or malfunctioning include: Coupons & offersfactory certified techs To diagnose broken brake lights, you can check the bulbs, sockets, fuse block, and brake light switch. By far, a burnt out bulb is one of the brake light problems that crops up the most, and it’s easy to understand. Brake Signal Light Problem.
From www.ford-trucks.com
Right turn signal/brake light not working, MFS? Ford Truck Brake Signal Light Problem By far, a burnt out bulb is one of the brake light problems that crops up the most, and it’s easy to understand why. Some of the most common reasons that your brake lights are out or malfunctioning include: Some tips on how to fix a broken brake light include preparing the necessary tools, using a brake light wiring diagram,. Brake Signal Light Problem.
From www.allfordmustangs.com
1968 Problems w/ signals, lights, brake lights Ford Mustang Forum Brake Signal Light Problem Coupons & offersfactory certified techs By far, a burnt out bulb is one of the brake light problems that crops up the most, and it’s easy to understand why. Some tips on how to fix a broken brake light include preparing the necessary tools, using a brake light wiring diagram, and replacing the brake light switch. Some of the most. Brake Signal Light Problem.
From www.1aauto.com
Why is My Brake Light On Diagnosing Common Brake Failures 1A Auto Brake Signal Light Problem For that to work, the brake wire runs to the turn indicator, so that when you turn on the flashing turn signal, it switches out the brake. To diagnose broken brake lights, you can check the bulbs, sockets, fuse block, and brake light switch. By far, a burnt out bulb is one of the brake light problems that crops up. Brake Signal Light Problem.
From rustyautos.com
Stuck In Park No Brake Lights Secret fix Brake Signal Light Problem By far, a burnt out bulb is one of the brake light problems that crops up the most, and it’s easy to understand why. Some of the most common reasons that your brake lights are out or malfunctioning include: Coupons & offersfactory certified techs 4.5/5 (15k) Check out these four common conundrums that cause your brake lamp to light. Brake Signal Light Problem.
From www.youtube.com
Trailer Brake Lights or Turn Signals NOT Working TRY THIS YouTube Brake Signal Light Problem There are various reasons why a dashboard brake warning light could be triggered, such as improper wiring, a damaged brake line, or a faulty rear. Coupons & offersfactory certified techs Check out these four common conundrums that cause your brake lamp to light up and how you can solve them. 4.5/5 (15k) Coupons & offersfactory certified techs By far,. Brake Signal Light Problem.
From www.2carpros.com
Brake Light Problem There Are Three Brake Lights, the One on Top Brake Signal Light Problem Coupons & offersfactory certified techs Problems with the brake light switch. Some tips on how to fix a broken brake light include preparing the necessary tools, using a brake light wiring diagram, and replacing the brake light switch. Some of the most common reasons that your brake lights are out or malfunctioning include: By far, a burnt out bulb is. Brake Signal Light Problem.