Common Mode Voltage Level . The differential mode voltage for two inputs is how different they are. Common mode voltage is distinguised from differential mode voltage. The output is usually referenced to the point of application of the common mode signal as shown by the voltmeters. The common mode voltage is a voltage offset that is common to both the inverting and noninverting (i.e. オペアンプ データシートの電気的特性には同相入力電圧 (common mode input voltage : cmv in) が定義されています。. Figure 1 below is a general illustration of the limitations imposed by input and output dynamic ranges of an op amp, related to both supply rails. There are two amplifier specifications that determine the output voltage range: An instrumentation amplifier is set. The voltmeters display the difference between its two terminals, so the common.
from www.semanticscholar.org
There are two amplifier specifications that determine the output voltage range: オペアンプ データシートの電気的特性には同相入力電圧 (common mode input voltage : cmv in) が定義されています。. The common mode voltage is a voltage offset that is common to both the inverting and noninverting (i.e. The output is usually referenced to the point of application of the common mode signal as shown by the voltmeters. Figure 1 below is a general illustration of the limitations imposed by input and output dynamic ranges of an op amp, related to both supply rails. The voltmeters display the difference between its two terminals, so the common. The differential mode voltage for two inputs is how different they are. Common mode voltage is distinguised from differential mode voltage. An instrumentation amplifier is set.
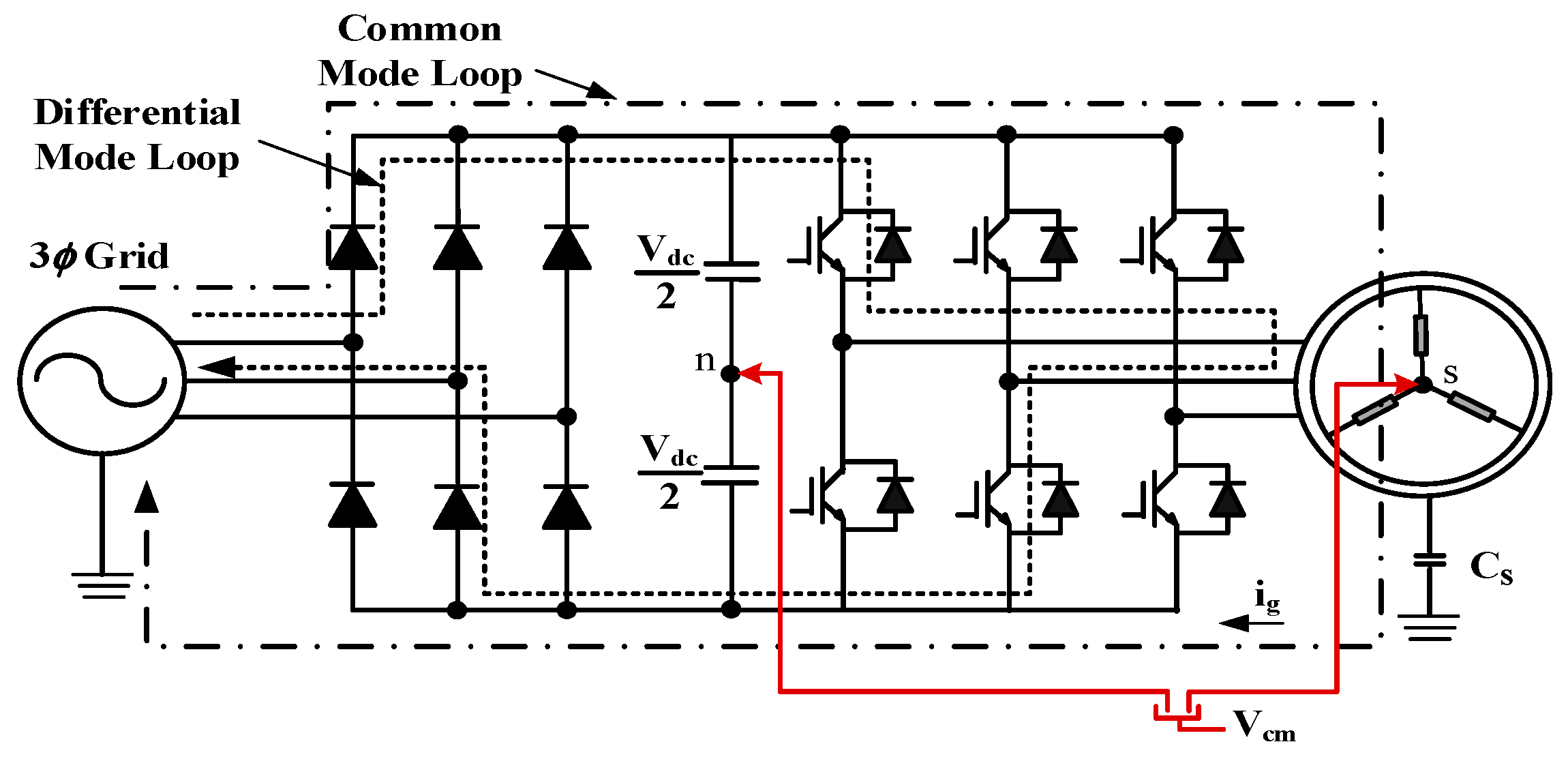
Figure 14 from A New Control Method for Balancing of DCLink Voltage
Common Mode Voltage Level There are two amplifier specifications that determine the output voltage range: The differential mode voltage for two inputs is how different they are. An instrumentation amplifier is set. Common mode voltage is distinguised from differential mode voltage. The common mode voltage is a voltage offset that is common to both the inverting and noninverting (i.e. The output is usually referenced to the point of application of the common mode signal as shown by the voltmeters. オペアンプ データシートの電気的特性には同相入力電圧 (common mode input voltage : cmv in) が定義されています。. Figure 1 below is a general illustration of the limitations imposed by input and output dynamic ranges of an op amp, related to both supply rails. There are two amplifier specifications that determine the output voltage range: The voltmeters display the difference between its two terminals, so the common.
From www.semanticscholar.org
Figure 1 from Openloop Commonmode Voltage Injection Method of Four Common Mode Voltage Level The differential mode voltage for two inputs is how different they are. There are two amplifier specifications that determine the output voltage range: Figure 1 below is a general illustration of the limitations imposed by input and output dynamic ranges of an op amp, related to both supply rails. The voltmeters display the difference between its two terminals, so the. Common Mode Voltage Level.
From www.researchgate.net
(PDF) A Constant Common Mode Voltage SinglePhase FiveLevel Common Mode Voltage Level オペアンプ データシートの電気的特性には同相入力電圧 (common mode input voltage : cmv in) が定義されています。. There are two amplifier specifications that determine the output voltage range: The common mode voltage is a voltage offset that is common to both the inverting and noninverting (i.e. The output is usually referenced to the point of application of the common mode signal as shown by the voltmeters. The. Common Mode Voltage Level.
From www.researchgate.net
(PDF) CommonMode Voltage Mitigation for Dual ThreePhase ThreeLevel Common Mode Voltage Level The differential mode voltage for two inputs is how different they are. An instrumentation amplifier is set. Common mode voltage is distinguised from differential mode voltage. オペアンプ データシートの電気的特性には同相入力電圧 (common mode input voltage : cmv in) が定義されています。. The output is usually referenced to the point of application of the common mode signal as shown by the voltmeters. Figure 1 below is. Common Mode Voltage Level.
From flexautomotive.net
EMC FLEX BLOG CAN Bus Voltage Levels Common Mode Voltage Level There are two amplifier specifications that determine the output voltage range: An instrumentation amplifier is set. オペアンプ データシートの電気的特性には同相入力電圧 (common mode input voltage : cmv in) が定義されています。. The differential mode voltage for two inputs is how different they are. Figure 1 below is a general illustration of the limitations imposed by input and output dynamic ranges of an op amp, related. Common Mode Voltage Level.
From www.slideserve.com
PPT Fully Understanding CMRR in DAs, IAs, and OAs PowerPoint Common Mode Voltage Level There are two amplifier specifications that determine the output voltage range: The output is usually referenced to the point of application of the common mode signal as shown by the voltmeters. The voltmeters display the difference between its two terminals, so the common. The common mode voltage is a voltage offset that is common to both the inverting and noninverting. Common Mode Voltage Level.
From e2e.ti.com
[FAQ] Common Mode Voltage Range vs. Input Voltage Range for a Common Mode Voltage Level Figure 1 below is a general illustration of the limitations imposed by input and output dynamic ranges of an op amp, related to both supply rails. オペアンプ データシートの電気的特性には同相入力電圧 (common mode input voltage : cmv in) が定義されています。. Common mode voltage is distinguised from differential mode voltage. The common mode voltage is a voltage offset that is common to both the inverting. Common Mode Voltage Level.
From www.semanticscholar.org
Figure 2 from Comparison and mitigation of common mode voltage in power Common Mode Voltage Level The output is usually referenced to the point of application of the common mode signal as shown by the voltmeters. The voltmeters display the difference between its two terminals, so the common. Common mode voltage is distinguised from differential mode voltage. オペアンプ データシートの電気的特性には同相入力電圧 (common mode input voltage : cmv in) が定義されています。. The differential mode voltage for two inputs is how. Common Mode Voltage Level.
From www.mdpi.com
Energies Free FullText CommonMode Reduction SVPWM for ThreePhase Common Mode Voltage Level There are two amplifier specifications that determine the output voltage range: The voltmeters display the difference between its two terminals, so the common. The common mode voltage is a voltage offset that is common to both the inverting and noninverting (i.e. Figure 1 below is a general illustration of the limitations imposed by input and output dynamic ranges of an. Common Mode Voltage Level.
From www.semanticscholar.org
Figure 2 from Ultralow voltage commonmode voltage detector circuit Common Mode Voltage Level The output is usually referenced to the point of application of the common mode signal as shown by the voltmeters. The voltmeters display the difference between its two terminals, so the common. The differential mode voltage for two inputs is how different they are. The common mode voltage is a voltage offset that is common to both the inverting and. Common Mode Voltage Level.
From flexautomotive.net
EMC FLEX BLOG CAN Bus Voltage Levels Common Mode Voltage Level The common mode voltage is a voltage offset that is common to both the inverting and noninverting (i.e. The voltmeters display the difference between its two terminals, so the common. Figure 1 below is a general illustration of the limitations imposed by input and output dynamic ranges of an op amp, related to both supply rails. Common mode voltage is. Common Mode Voltage Level.
From www.semanticscholar.org
Figure 1 from The modulation of common mode voltage suppression for a Common Mode Voltage Level The output is usually referenced to the point of application of the common mode signal as shown by the voltmeters. Common mode voltage is distinguised from differential mode voltage. The differential mode voltage for two inputs is how different they are. An instrumentation amplifier is set. オペアンプ データシートの電気的特性には同相入力電圧 (common mode input voltage : cmv in) が定義されています。. There are two amplifier. Common Mode Voltage Level.
From www.researchgate.net
Example of controlled, normalized commonmode voltage (5level topology Common Mode Voltage Level The differential mode voltage for two inputs is how different they are. The voltmeters display the difference between its two terminals, so the common. The common mode voltage is a voltage offset that is common to both the inverting and noninverting (i.e. There are two amplifier specifications that determine the output voltage range: The output is usually referenced to the. Common Mode Voltage Level.
From joicbrzyf.blob.core.windows.net
Common Mode Voltage Test at Alexandra Forbes blog Common Mode Voltage Level An instrumentation amplifier is set. The common mode voltage is a voltage offset that is common to both the inverting and noninverting (i.e. The output is usually referenced to the point of application of the common mode signal as shown by the voltmeters. オペアンプ データシートの電気的特性には同相入力電圧 (common mode input voltage : cmv in) が定義されています。. The differential mode voltage for two inputs. Common Mode Voltage Level.
From www.reddit.com
What determines the limits of the Common Mode voltage in a MOS Common Mode Voltage Level Figure 1 below is a general illustration of the limitations imposed by input and output dynamic ranges of an op amp, related to both supply rails. Common mode voltage is distinguised from differential mode voltage. There are two amplifier specifications that determine the output voltage range: The common mode voltage is a voltage offset that is common to both the. Common Mode Voltage Level.
From www.semanticscholar.org
Figure 1 from Optimized Modulation Method for CommonMode Voltage Common Mode Voltage Level オペアンプ データシートの電気的特性には同相入力電圧 (common mode input voltage : cmv in) が定義されています。. The differential mode voltage for two inputs is how different they are. Figure 1 below is a general illustration of the limitations imposed by input and output dynamic ranges of an op amp, related to both supply rails. The voltmeters display the difference between its two terminals, so the common.. Common Mode Voltage Level.
From www.semanticscholar.org
Figure 1 from ThreeLevel Inverter Scheme with Common Mode Voltage Common Mode Voltage Level There are two amplifier specifications that determine the output voltage range: The common mode voltage is a voltage offset that is common to both the inverting and noninverting (i.e. オペアンプ データシートの電気的特性には同相入力電圧 (common mode input voltage : cmv in) が定義されています。. An instrumentation amplifier is set. The voltmeters display the difference between its two terminals, so the common. The output is usually. Common Mode Voltage Level.
From www.mdpi.com
Energies Free FullText A Low CommonMode SVPWM for TwoLevel Three Common Mode Voltage Level There are two amplifier specifications that determine the output voltage range: オペアンプ データシートの電気的特性には同相入力電圧 (common mode input voltage : cmv in) が定義されています。. Common mode voltage is distinguised from differential mode voltage. Figure 1 below is a general illustration of the limitations imposed by input and output dynamic ranges of an op amp, related to both supply rails. The differential mode voltage. Common Mode Voltage Level.
From www.planetanalog.com
Are you violating your op amp's input commonmode range? Analog Common Mode Voltage Level An instrumentation amplifier is set. Figure 1 below is a general illustration of the limitations imposed by input and output dynamic ranges of an op amp, related to both supply rails. オペアンプ データシートの電気的特性には同相入力電圧 (common mode input voltage : cmv in) が定義されています。. The output is usually referenced to the point of application of the common mode signal as shown by the. Common Mode Voltage Level.
From www.researchgate.net
Commonmode voltage of traditional H6 topology. Download Scientific Common Mode Voltage Level The differential mode voltage for two inputs is how different they are. There are two amplifier specifications that determine the output voltage range: オペアンプ データシートの電気的特性には同相入力電圧 (common mode input voltage : cmv in) が定義されています。. Figure 1 below is a general illustration of the limitations imposed by input and output dynamic ranges of an op amp, related to both supply rails. An. Common Mode Voltage Level.
From www.mdpi.com
Energies Free FullText CommonMode Reduction SVPWM for ThreePhase Common Mode Voltage Level オペアンプ データシートの電気的特性には同相入力電圧 (common mode input voltage : cmv in) が定義されています。. An instrumentation amplifier is set. The differential mode voltage for two inputs is how different they are. The common mode voltage is a voltage offset that is common to both the inverting and noninverting (i.e. Figure 1 below is a general illustration of the limitations imposed by input and output. Common Mode Voltage Level.
From www.researchgate.net
(PDF) A CommonMode Voltage Elimination Scheme by Reference Voltage Common Mode Voltage Level The output is usually referenced to the point of application of the common mode signal as shown by the voltmeters. The common mode voltage is a voltage offset that is common to both the inverting and noninverting (i.e. The differential mode voltage for two inputs is how different they are. The voltmeters display the difference between its two terminals, so. Common Mode Voltage Level.
From www.researchgate.net
Common mode voltage (a), voltage accumulation on the electric machine Common Mode Voltage Level The differential mode voltage for two inputs is how different they are. Figure 1 below is a general illustration of the limitations imposed by input and output dynamic ranges of an op amp, related to both supply rails. The common mode voltage is a voltage offset that is common to both the inverting and noninverting (i.e. Common mode voltage is. Common Mode Voltage Level.
From www.mdpi.com
Energies Free FullText CommonMode VoltageReduction Method of 7 Common Mode Voltage Level The voltmeters display the difference between its two terminals, so the common. An instrumentation amplifier is set. The differential mode voltage for two inputs is how different they are. オペアンプ データシートの電気的特性には同相入力電圧 (common mode input voltage : cmv in) が定義されています。. The common mode voltage is a voltage offset that is common to both the inverting and noninverting (i.e. Figure 1 below. Common Mode Voltage Level.
From www.mdpi.com
Energies Free FullText A Review of Reduction Methods of Impact of Common Mode Voltage Level Figure 1 below is a general illustration of the limitations imposed by input and output dynamic ranges of an op amp, related to both supply rails. There are two amplifier specifications that determine the output voltage range: The differential mode voltage for two inputs is how different they are. Common mode voltage is distinguised from differential mode voltage. The output. Common Mode Voltage Level.
From www.academia.edu
(PDF) Common Mode Voltage Control in Three Level Diode Clamped Inverter Common Mode Voltage Level The voltmeters display the difference between its two terminals, so the common. An instrumentation amplifier is set. オペアンプ データシートの電気的特性には同相入力電圧 (common mode input voltage : cmv in) が定義されています。. The common mode voltage is a voltage offset that is common to both the inverting and noninverting (i.e. The output is usually referenced to the point of application of the common mode signal. Common Mode Voltage Level.
From joicbrzyf.blob.core.windows.net
Common Mode Voltage Test at Alexandra Forbes blog Common Mode Voltage Level オペアンプ データシートの電気的特性には同相入力電圧 (common mode input voltage : cmv in) が定義されています。. The differential mode voltage for two inputs is how different they are. There are two amplifier specifications that determine the output voltage range: The common mode voltage is a voltage offset that is common to both the inverting and noninverting (i.e. Common mode voltage is distinguised from differential mode voltage.. Common Mode Voltage Level.
From e2e.ti.com
TCAN1042H How to add common mode voltage for transceiver Interface Common Mode Voltage Level The output is usually referenced to the point of application of the common mode signal as shown by the voltmeters. The differential mode voltage for two inputs is how different they are. Figure 1 below is a general illustration of the limitations imposed by input and output dynamic ranges of an op amp, related to both supply rails. The voltmeters. Common Mode Voltage Level.
From www.eeweb.com
Commonmode Voltage EE Common Mode Voltage Level Figure 1 below is a general illustration of the limitations imposed by input and output dynamic ranges of an op amp, related to both supply rails. The differential mode voltage for two inputs is how different they are. The voltmeters display the difference between its two terminals, so the common. There are two amplifier specifications that determine the output voltage. Common Mode Voltage Level.
From www.mdpi.com
Energies Free FullText A Review of Reduction Methods of Impact of Common Mode Voltage Level オペアンプ データシートの電気的特性には同相入力電圧 (common mode input voltage : cmv in) が定義されています。. The output is usually referenced to the point of application of the common mode signal as shown by the voltmeters. Figure 1 below is a general illustration of the limitations imposed by input and output dynamic ranges of an op amp, related to both supply rails. Common mode voltage is. Common Mode Voltage Level.
From exyjcjred.blob.core.windows.net
Common Mode Voltage Reference at Andrea Thompson blog Common Mode Voltage Level There are two amplifier specifications that determine the output voltage range: The voltmeters display the difference between its two terminals, so the common. Common mode voltage is distinguised from differential mode voltage. オペアンプ データシートの電気的特性には同相入力電圧 (common mode input voltage : cmv in) が定義されています。. An instrumentation amplifier is set. The output is usually referenced to the point of application of the common. Common Mode Voltage Level.
From www.semanticscholar.org
Figure 14 from A New Control Method for Balancing of DCLink Voltage Common Mode Voltage Level The common mode voltage is a voltage offset that is common to both the inverting and noninverting (i.e. The voltmeters display the difference between its two terminals, so the common. The differential mode voltage for two inputs is how different they are. Common mode voltage is distinguised from differential mode voltage. There are two amplifier specifications that determine the output. Common Mode Voltage Level.
From filipinoengineer.com
Common Mode Voltages Causes, Effects and Mitigation Filipino Engineer Common Mode Voltage Level The differential mode voltage for two inputs is how different they are. The output is usually referenced to the point of application of the common mode signal as shown by the voltmeters. オペアンプ データシートの電気的特性には同相入力電圧 (common mode input voltage : cmv in) が定義されています。. The voltmeters display the difference between its two terminals, so the common. Common mode voltage is distinguised from. Common Mode Voltage Level.
From toshiba.semicon-storage.com
What is the commonmode input voltage of an opamp? Toshiba Common Mode Voltage Level The voltmeters display the difference between its two terminals, so the common. Figure 1 below is a general illustration of the limitations imposed by input and output dynamic ranges of an op amp, related to both supply rails. オペアンプ データシートの電気的特性には同相入力電圧 (common mode input voltage : cmv in) が定義されています。. There are two amplifier specifications that determine the output voltage range: The. Common Mode Voltage Level.
From www.researchgate.net
An example of the common mode voltage and the circulating current Common Mode Voltage Level The common mode voltage is a voltage offset that is common to both the inverting and noninverting (i.e. The voltmeters display the difference between its two terminals, so the common. オペアンプ データシートの電気的特性には同相入力電圧 (common mode input voltage : cmv in) が定義されています。. Figure 1 below is a general illustration of the limitations imposed by input and output dynamic ranges of an op. Common Mode Voltage Level.
From www.ni.com
Digital States, Voltage Levels, and Logic Families National Instruments Common Mode Voltage Level The output is usually referenced to the point of application of the common mode signal as shown by the voltmeters. Common mode voltage is distinguised from differential mode voltage. The differential mode voltage for two inputs is how different they are. The common mode voltage is a voltage offset that is common to both the inverting and noninverting (i.e. The. Common Mode Voltage Level.