Steering Column Nut Size . The only thing i can think of is that the length of the hub itself is different between the years. A nut has been provided with your steering column. Gm steering column interchange requires that you know the space between the steering column and the gearbox itself. Turn signal arm with phillips screw, tilt. Does anyone know what the size of the nut is that holds steering wheel down? Don't know the size, but it is a thin nut, about 1/2 the size of a standard nut. Nut size looks to be the same, as well. I lost mine and need to get one. Top of the column with those in the adaptor and slide it onto the column. You might ask around to see if someone has an. Having recently had all my (1986 ninety) dashboard apart i've come to reassemble things, and can't find the steering wheel nut.
        
         
         
        from jcaparts.com 
     
        
        I lost mine and need to get one. Turn signal arm with phillips screw, tilt. The only thing i can think of is that the length of the hub itself is different between the years. A nut has been provided with your steering column. Does anyone know what the size of the nut is that holds steering wheel down? You might ask around to see if someone has an. Having recently had all my (1986 ninety) dashboard apart i've come to reassemble things, and can't find the steering wheel nut. Don't know the size, but it is a thin nut, about 1/2 the size of a standard nut. Top of the column with those in the adaptor and slide it onto the column. Nut size looks to be the same, as well.
    
    	
            
	
		 
	 
         
    GM Steering Column Mounting Nut Jurassic Classic Auto Parts 
    Steering Column Nut Size  Gm steering column interchange requires that you know the space between the steering column and the gearbox itself. A nut has been provided with your steering column. You might ask around to see if someone has an. Having recently had all my (1986 ninety) dashboard apart i've come to reassemble things, and can't find the steering wheel nut. Gm steering column interchange requires that you know the space between the steering column and the gearbox itself. Top of the column with those in the adaptor and slide it onto the column. Turn signal arm with phillips screw, tilt. Does anyone know what the size of the nut is that holds steering wheel down? Nut size looks to be the same, as well. Don't know the size, but it is a thin nut, about 1/2 the size of a standard nut. I lost mine and need to get one. The only thing i can think of is that the length of the hub itself is different between the years.
            
	
		 
	 
         
 
    
         
        From www.steeringcolumnservices.com 
                    gm, buick, cadillac, chevrolet, oldsmobile, & pontiac steering column Steering Column Nut Size  Top of the column with those in the adaptor and slide it onto the column. Does anyone know what the size of the nut is that holds steering wheel down? The only thing i can think of is that the length of the hub itself is different between the years. Turn signal arm with phillips screw, tilt. Nut size looks. Steering Column Nut Size.
     
    
         
        From www.cmsnl.com 
                    NUT, U (737 STEERING COLUMN) for G1A G1A1 GOLF CAR 19791980 order Steering Column Nut Size  Gm steering column interchange requires that you know the space between the steering column and the gearbox itself. You might ask around to see if someone has an. Having recently had all my (1986 ninety) dashboard apart i've come to reassemble things, and can't find the steering wheel nut. A nut has been provided with your steering column. The only. Steering Column Nut Size.
     
    
         
        From e9coupe.com 
                    Steering Column attach Bolt Size BMW E9 Coupe Discussion Forum Steering Column Nut Size  The only thing i can think of is that the length of the hub itself is different between the years. Does anyone know what the size of the nut is that holds steering wheel down? A nut has been provided with your steering column. Don't know the size, but it is a thin nut, about 1/2 the size of a. Steering Column Nut Size.
     
    
         
        From schematiccantadizqp9.z22.web.core.windows.net 
                    1992 Chevy Steering Column Wiring Diagrams Steering Column Nut Size  You might ask around to see if someone has an. Top of the column with those in the adaptor and slide it onto the column. A nut has been provided with your steering column. Don't know the size, but it is a thin nut, about 1/2 the size of a standard nut. The only thing i can think of is. Steering Column Nut Size.
     
    
         
        From www.etypeparts.com 
                    C20160 ORIGINAL ETYPE INNER STEERING COLUMN & COLUMN LOCK NUT C15419 Steering Column Nut Size  Having recently had all my (1986 ninety) dashboard apart i've come to reassemble things, and can't find the steering wheel nut. Top of the column with those in the adaptor and slide it onto the column. I lost mine and need to get one. Does anyone know what the size of the nut is that holds steering wheel down? Nut. Steering Column Nut Size.
     
    
         
        From www.opgi.com 
                    Nut, Steering Wheel Retainer, 196983 GM Cars Steering Column Nut Size  Nut size looks to be the same, as well. Top of the column with those in the adaptor and slide it onto the column. Turn signal arm with phillips screw, tilt. Having recently had all my (1986 ninety) dashboard apart i've come to reassemble things, and can't find the steering wheel nut. Gm steering column interchange requires that you know. Steering Column Nut Size.
     
    
         
        From stainlessclassics.co.uk 
                    Triumph T140 Steering Column Nut Stainless Classics Steering Column Nut Size  The only thing i can think of is that the length of the hub itself is different between the years. Gm steering column interchange requires that you know the space between the steering column and the gearbox itself. Does anyone know what the size of the nut is that holds steering wheel down? Nut size looks to be the same,. Steering Column Nut Size.
     
    
         
        From www.hydraulic-supply.com 
                    DANFOSS POWER SOLUTIONS II LLC (CHARLYNN) Series 3612 Steering Steering Column Nut Size  Does anyone know what the size of the nut is that holds steering wheel down? The only thing i can think of is that the length of the hub itself is different between the years. Nut size looks to be the same, as well. Having recently had all my (1986 ninety) dashboard apart i've come to reassemble things, and can't. Steering Column Nut Size.
     
    
         
        From www.surpluscenter.com 
                    CHARLYNN STEERING COLUMN NUT 21084 NUT Steering Wheels and Columns Steering Column Nut Size  Nut size looks to be the same, as well. Does anyone know what the size of the nut is that holds steering wheel down? A nut has been provided with your steering column. Top of the column with those in the adaptor and slide it onto the column. The only thing i can think of is that the length of. Steering Column Nut Size.
     
    
         
        From www.carid.com 
                    QRP® CH30520 Steering Shaft To Column Nut and Bolt Steering Column Nut Size  Having recently had all my (1986 ninety) dashboard apart i've come to reassemble things, and can't find the steering wheel nut. Nut size looks to be the same, as well. A nut has been provided with your steering column. The only thing i can think of is that the length of the hub itself is different between the years. Top. Steering Column Nut Size.
     
    
         
        From www.ukmgparts.com 
                    NUT STEERING COLUMN MGB MID A Brown and Gammons Steering Column Nut Size  I lost mine and need to get one. A nut has been provided with your steering column. You might ask around to see if someone has an. Gm steering column interchange requires that you know the space between the steering column and the gearbox itself. Nut size looks to be the same, as well. Don't know the size, but it. Steering Column Nut Size.
     
    
         
        From shop.docrebuild.com 
                    19691979 Corvette Steering Column Nut Retainer Genuine GM 419454 NOS Steering Column Nut Size  Turn signal arm with phillips screw, tilt. Top of the column with those in the adaptor and slide it onto the column. A nut has been provided with your steering column. You might ask around to see if someone has an. Don't know the size, but it is a thin nut, about 1/2 the size of a standard nut. Nut. Steering Column Nut Size.
     
    
         
        From www.mgbits.com 
                    Lock WasherSteering Column Nut S793B Required Qty 1 Steering Column Nut Size  Top of the column with those in the adaptor and slide it onto the column. Nut size looks to be the same, as well. Turn signal arm with phillips screw, tilt. Gm steering column interchange requires that you know the space between the steering column and the gearbox itself. A nut has been provided with your steering column. You might. Steering Column Nut Size.
     
    
         
        From board.moparts.org 
                    need thread size for 68 BBody steering wheel nut Moparts Forums Steering Column Nut Size  Does anyone know what the size of the nut is that holds steering wheel down? I lost mine and need to get one. The only thing i can think of is that the length of the hub itself is different between the years. A nut has been provided with your steering column. Don't know the size, but it is a. Steering Column Nut Size.
     
    
         
        From www.chevelles.com 
                    Tilt Steering column identification question Team Chevelle Steering Column Nut Size  Gm steering column interchange requires that you know the space between the steering column and the gearbox itself. I lost mine and need to get one. Turn signal arm with phillips screw, tilt. A nut has been provided with your steering column. The only thing i can think of is that the length of the hub itself is different between. Steering Column Nut Size.
     
    
         
        From www.jbugs.com 
                    VW Steering Shafts Steering Column Nut Size  Don't know the size, but it is a thin nut, about 1/2 the size of a standard nut. You might ask around to see if someone has an. Gm steering column interchange requires that you know the space between the steering column and the gearbox itself. Does anyone know what the size of the nut is that holds steering wheel. Steering Column Nut Size.
     
    
         
        From www.buggiesunlimited.com 
                    Club Car DS Steering Wheel Nut from Buggies Unlimited Steering Column Nut Size  Top of the column with those in the adaptor and slide it onto the column. Don't know the size, but it is a thin nut, about 1/2 the size of a standard nut. I lost mine and need to get one. Turn signal arm with phillips screw, tilt. The only thing i can think of is that the length of. Steering Column Nut Size.
     
    
         
        From agropals.com 
                    Steering Column Nut AgroPals Steering Column Nut Size  Top of the column with those in the adaptor and slide it onto the column. You might ask around to see if someone has an. Turn signal arm with phillips screw, tilt. Does anyone know what the size of the nut is that holds steering wheel down? Nut size looks to be the same, as well. I lost mine and. Steering Column Nut Size.
     
    
         
        From lexuspartsdirect.co.uk 
                    Lexus CT Phase 1 Steering Column Set Nut — 9017808006 CTP1 Steering Column Nut Size  A nut has been provided with your steering column. Don't know the size, but it is a thin nut, about 1/2 the size of a standard nut. The only thing i can think of is that the length of the hub itself is different between the years. Turn signal arm with phillips screw, tilt. Having recently had all my (1986. Steering Column Nut Size.
     
    
         
        From www.parktool.com 
                    Fork Steering Column Length and Sizing Park Tool Steering Column Nut Size  You might ask around to see if someone has an. A nut has been provided with your steering column. Gm steering column interchange requires that you know the space between the steering column and the gearbox itself. I lost mine and need to get one. Don't know the size, but it is a thin nut, about 1/2 the size of. Steering Column Nut Size.
     
    
         
        From diagraminfo.com 
                    Diagram of Steering Wheel DiagramInfo Steering Column Nut Size  The only thing i can think of is that the length of the hub itself is different between the years. Top of the column with those in the adaptor and slide it onto the column. Gm steering column interchange requires that you know the space between the steering column and the gearbox itself. Does anyone know what the size of. Steering Column Nut Size.
     
    
         
        From jcaparts.com 
                    GM Steering Column Mounting Nut Jurassic Classic Auto Parts Steering Column Nut Size  Don't know the size, but it is a thin nut, about 1/2 the size of a standard nut. The only thing i can think of is that the length of the hub itself is different between the years. Nut size looks to be the same, as well. Does anyone know what the size of the nut is that holds steering. Steering Column Nut Size.
     
    
         
        From metpitstop.com 
                    Nut steering wheel to column Metropolitan Pit Stop Steering Column Nut Size  I lost mine and need to get one. Having recently had all my (1986 ninety) dashboard apart i've come to reassemble things, and can't find the steering wheel nut. Nut size looks to be the same, as well. Don't know the size, but it is a thin nut, about 1/2 the size of a standard nut. Turn signal arm with. Steering Column Nut Size.
     
    
         
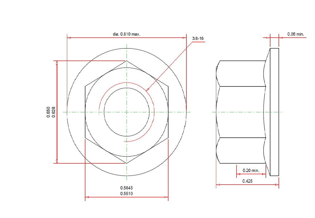
        From www.badensteel.com 
                    Nut Dimensions — Baden Steelbar & Bolt Corp. Steering Column Nut Size  Turn signal arm with phillips screw, tilt. A nut has been provided with your steering column. Top of the column with those in the adaptor and slide it onto the column. Gm steering column interchange requires that you know the space between the steering column and the gearbox itself. You might ask around to see if someone has an. I. Steering Column Nut Size.
     
    
         
        From carparts4sale.com 
                    Steering Wheel Column Nut 7592 VW Jetta Rabbit GTI Golf Pickup MK1 MK2 Steering Column Nut Size  Having recently had all my (1986 ninety) dashboard apart i've come to reassemble things, and can't find the steering wheel nut. A nut has been provided with your steering column. I lost mine and need to get one. The only thing i can think of is that the length of the hub itself is different between the years. Top of. Steering Column Nut Size.
     
    
         
        From orangeimports.co.uk 
                    NU075 TOP STEERING COLUMN NUT FOR 110CC 140CC DIRT / PIT BIKE Orange Steering Column Nut Size  Turn signal arm with phillips screw, tilt. Having recently had all my (1986 ninety) dashboard apart i've come to reassemble things, and can't find the steering wheel nut. Gm steering column interchange requires that you know the space between the steering column and the gearbox itself. Does anyone know what the size of the nut is that holds steering wheel. Steering Column Nut Size.
     
    
         
        From en.50factory.com 
                    Upper steering column nut MBK 51, Motobécane... Steering Column Nut Size  Nut size looks to be the same, as well. The only thing i can think of is that the length of the hub itself is different between the years. Don't know the size, but it is a thin nut, about 1/2 the size of a standard nut. Having recently had all my (1986 ninety) dashboard apart i've come to reassemble. Steering Column Nut Size.
     
    
         
        From www.hdforums.com 
                    Top of the fork steering column nut size??? Harley Davidson Forums Steering Column Nut Size  You might ask around to see if someone has an. Does anyone know what the size of the nut is that holds steering wheel down? Nut size looks to be the same, as well. Top of the column with those in the adaptor and slide it onto the column. I lost mine and need to get one. The only thing. Steering Column Nut Size.
     
    
         
        From restomods.com 
                    FORD STEERING COLUMN WHEEL FIXING LOCK NUT ESCORT MK1 RS2000 MEXICO GHIA RS Steering Column Nut Size  Nut size looks to be the same, as well. Does anyone know what the size of the nut is that holds steering wheel down? I lost mine and need to get one. The only thing i can think of is that the length of the hub itself is different between the years. Don't know the size, but it is a. Steering Column Nut Size.
     
    
         
        From www.2carpros.com 
                    Steering Column Replacement Currently Stock OEM Steering. Want to... Steering Column Nut Size  Nut size looks to be the same, as well. Having recently had all my (1986 ninety) dashboard apart i've come to reassemble things, and can't find the steering wheel nut. A nut has been provided with your steering column. The only thing i can think of is that the length of the hub itself is different between the years. I. Steering Column Nut Size.
     
    
         
        From www.aliexpress.com 
                    ForSYMMAXSYM400iMAXSYM400iSteeringNutSteeringColumnNut.jpg Steering Column Nut Size  Top of the column with those in the adaptor and slide it onto the column. Nut size looks to be the same, as well. Turn signal arm with phillips screw, tilt. Don't know the size, but it is a thin nut, about 1/2 the size of a standard nut. I lost mine and need to get one. Does anyone know. Steering Column Nut Size.
     
    
         
        From www.thevintagespoke.com 
                    Yamaha Steering Nut For SR500 SR400 TT500 XT500 99055 28497 Steering Column Nut Size  You might ask around to see if someone has an. Having recently had all my (1986 ninety) dashboard apart i've come to reassemble things, and can't find the steering wheel nut. I lost mine and need to get one. Gm steering column interchange requires that you know the space between the steering column and the gearbox itself. Does anyone know. Steering Column Nut Size.
     
    
         
        From www.golfcarjunkies.com 
                    Steering Column Nut Steering Column Nut Size  The only thing i can think of is that the length of the hub itself is different between the years. Nut size looks to be the same, as well. You might ask around to see if someone has an. Don't know the size, but it is a thin nut, about 1/2 the size of a standard nut. Turn signal arm. Steering Column Nut Size.
     
    
         
        From hillmanspares.co.uk 
                    Steering column nut Steering Column Nut Size  I lost mine and need to get one. Nut size looks to be the same, as well. Top of the column with those in the adaptor and slide it onto the column. A nut has been provided with your steering column. You might ask around to see if someone has an. Don't know the size, but it is a thin. Steering Column Nut Size.
     
    
         
        From pointkarting.com 
                    Steering Shaft Nut Point Karting Steering Column Nut Size  Having recently had all my (1986 ninety) dashboard apart i've come to reassemble things, and can't find the steering wheel nut. A nut has been provided with your steering column. Top of the column with those in the adaptor and slide it onto the column. Gm steering column interchange requires that you know the space between the steering column and. Steering Column Nut Size.