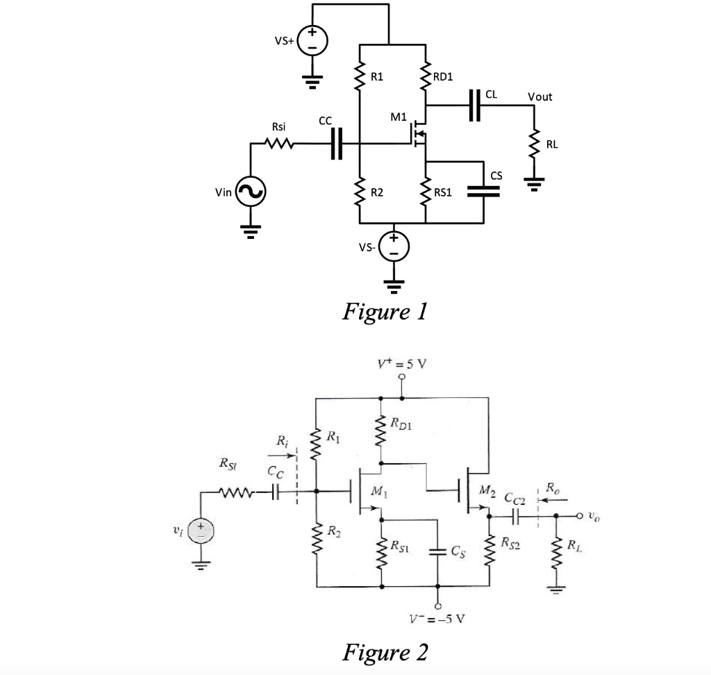
Common Source Nmos . the common source amplifier is analogous to the common emitter amplifier. This circuit includes a swamping resistor, \ (r_s\). The prototype amplifier circuit with device model is shown in figure \ (\pageindex {1}\). Before we can examine the common source amplifier, an ac. The current in the mos is set mainly by the (large signal) vgs = vin, but also by vd = vout. Common source amplifier with model.
from www.chegg.com
The prototype amplifier circuit with device model is shown in figure \ (\pageindex {1}\). This circuit includes a swamping resistor, \ (r_s\). The current in the mos is set mainly by the (large signal) vgs = vin, but also by vd = vout. Before we can examine the common source amplifier, an ac. the common source amplifier is analogous to the common emitter amplifier. Common source amplifier with model.
Solved Design a commonsource NMOS amplifier as shown in
Common Source Nmos Common source amplifier with model. Before we can examine the common source amplifier, an ac. the common source amplifier is analogous to the common emitter amplifier. The prototype amplifier circuit with device model is shown in figure \ (\pageindex {1}\). Common source amplifier with model. The current in the mos is set mainly by the (large signal) vgs = vin, but also by vd = vout. This circuit includes a swamping resistor, \ (r_s\).
From electronics.stackexchange.com
MOSFET Common Source Analysis Basics Electrical Engineering Stack Common Source Nmos The prototype amplifier circuit with device model is shown in figure \ (\pageindex {1}\). the common source amplifier is analogous to the common emitter amplifier. Common source amplifier with model. The current in the mos is set mainly by the (large signal) vgs = vin, but also by vd = vout. Before we can examine the common source amplifier,. Common Source Nmos.
From www.chegg.com
Solved For the common source NMOS transistor amplifier Common Source Nmos Common source amplifier with model. The prototype amplifier circuit with device model is shown in figure \ (\pageindex {1}\). the common source amplifier is analogous to the common emitter amplifier. Before we can examine the common source amplifier, an ac. The current in the mos is set mainly by the (large signal) vgs = vin, but also by vd. Common Source Nmos.
From www.chegg.com
Solved MOSFET configurations +V +V +V NMOS NMOS Vout NMOS a. Common Source Nmos This circuit includes a swamping resistor, \ (r_s\). Before we can examine the common source amplifier, an ac. the common source amplifier is analogous to the common emitter amplifier. The current in the mos is set mainly by the (large signal) vgs = vin, but also by vd = vout. Common source amplifier with model. The prototype amplifier circuit. Common Source Nmos.
From www.youtube.com
MOSFET Source Follower Drain Amplifier) Small Signal Analysis Common Source Nmos This circuit includes a swamping resistor, \ (r_s\). the common source amplifier is analogous to the common emitter amplifier. Before we can examine the common source amplifier, an ac. The current in the mos is set mainly by the (large signal) vgs = vin, but also by vd = vout. Common source amplifier with model. The prototype amplifier circuit. Common Source Nmos.
From www.chegg.com
Q1. Consider two identical commonsource NMOS Common Source Nmos the common source amplifier is analogous to the common emitter amplifier. Common source amplifier with model. This circuit includes a swamping resistor, \ (r_s\). The prototype amplifier circuit with device model is shown in figure \ (\pageindex {1}\). Before we can examine the common source amplifier, an ac. The current in the mos is set mainly by the (large. Common Source Nmos.
From www.youtube.com
[29c] NMOS Common Source Amplifier Circuit Analysis Examples from Common Source Nmos This circuit includes a swamping resistor, \ (r_s\). The current in the mos is set mainly by the (large signal) vgs = vin, but also by vd = vout. the common source amplifier is analogous to the common emitter amplifier. The prototype amplifier circuit with device model is shown in figure \ (\pageindex {1}\). Before we can examine the. Common Source Nmos.
From www.chegg.com
Solved Figure 1 NMOS Common Source Source Common Source Nmos Before we can examine the common source amplifier, an ac. The prototype amplifier circuit with device model is shown in figure \ (\pageindex {1}\). The current in the mos is set mainly by the (large signal) vgs = vin, but also by vd = vout. Common source amplifier with model. This circuit includes a swamping resistor, \ (r_s\). the. Common Source Nmos.
From www.solutionspile.com
[Solved] 5. Design the NMOS common source Amplifier as sh Common Source Nmos the common source amplifier is analogous to the common emitter amplifier. This circuit includes a swamping resistor, \ (r_s\). Before we can examine the common source amplifier, an ac. Common source amplifier with model. The prototype amplifier circuit with device model is shown in figure \ (\pageindex {1}\). The current in the mos is set mainly by the (large. Common Source Nmos.
From www.youtube.com
NMOS Common Source Amplifier with Diode Connected NMOS YouTube Common Source Nmos Before we can examine the common source amplifier, an ac. The prototype amplifier circuit with device model is shown in figure \ (\pageindex {1}\). This circuit includes a swamping resistor, \ (r_s\). the common source amplifier is analogous to the common emitter amplifier. The current in the mos is set mainly by the (large signal) vgs = vin, but. Common Source Nmos.
From www.vrogue.co
Common Source Amplifier Nmos Pmos Transistor vrogue.co Common Source Nmos The prototype amplifier circuit with device model is shown in figure \ (\pageindex {1}\). the common source amplifier is analogous to the common emitter amplifier. Common source amplifier with model. Before we can examine the common source amplifier, an ac. The current in the mos is set mainly by the (large signal) vgs = vin, but also by vd. Common Source Nmos.
From www.youtube.com
PMOS Current Mirror as an Active Load for NMOS Common Source Amplifier Common Source Nmos the common source amplifier is analogous to the common emitter amplifier. Common source amplifier with model. This circuit includes a swamping resistor, \ (r_s\). Before we can examine the common source amplifier, an ac. The current in the mos is set mainly by the (large signal) vgs = vin, but also by vd = vout. The prototype amplifier circuit. Common Source Nmos.
From www.chegg.com
Solved 15 For the NMOS commonsource amplifier in Figure Common Source Nmos the common source amplifier is analogous to the common emitter amplifier. The current in the mos is set mainly by the (large signal) vgs = vin, but also by vd = vout. This circuit includes a swamping resistor, \ (r_s\). The prototype amplifier circuit with device model is shown in figure \ (\pageindex {1}\). Common source amplifier with model.. Common Source Nmos.
From www.youtube.com
lec30c NMOS Multistage Amplifiers Cascaded Common Source and Common Common Source Nmos The prototype amplifier circuit with device model is shown in figure \ (\pageindex {1}\). the common source amplifier is analogous to the common emitter amplifier. Before we can examine the common source amplifier, an ac. The current in the mos is set mainly by the (large signal) vgs = vin, but also by vd = vout. This circuit includes. Common Source Nmos.
From www.semanticscholar.org
Figure 1 from A 0.096mm ^{2}1 20GHz TriplePath Noise Canceling Common Source Nmos Before we can examine the common source amplifier, an ac. the common source amplifier is analogous to the common emitter amplifier. The current in the mos is set mainly by the (large signal) vgs = vin, but also by vd = vout. The prototype amplifier circuit with device model is shown in figure \ (\pageindex {1}\). This circuit includes. Common Source Nmos.
From www.chegg.com
Solved NMOS Common Source Amplifier Circuit Help 1. Using Common Source Nmos the common source amplifier is analogous to the common emitter amplifier. Before we can examine the common source amplifier, an ac. Common source amplifier with model. The prototype amplifier circuit with device model is shown in figure \ (\pageindex {1}\). This circuit includes a swamping resistor, \ (r_s\). The current in the mos is set mainly by the (large. Common Source Nmos.
From www.coursehero.com
Consider the common source NMOS amplifier in parallel with a Common Source Nmos This circuit includes a swamping resistor, \ (r_s\). the common source amplifier is analogous to the common emitter amplifier. The current in the mos is set mainly by the (large signal) vgs = vin, but also by vd = vout. Before we can examine the common source amplifier, an ac. The prototype amplifier circuit with device model is shown. Common Source Nmos.
From www.chegg.com
Solved NMOS common source amplifier circuit help Find DC Common Source Nmos The current in the mos is set mainly by the (large signal) vgs = vin, but also by vd = vout. This circuit includes a swamping resistor, \ (r_s\). the common source amplifier is analogous to the common emitter amplifier. Before we can examine the common source amplifier, an ac. Common source amplifier with model. The prototype amplifier circuit. Common Source Nmos.
From www.chegg.com
Solved VDD Ri o vO UG DS 1 An NMOS commonsource circuit Common Source Nmos This circuit includes a swamping resistor, \ (r_s\). Before we can examine the common source amplifier, an ac. The prototype amplifier circuit with device model is shown in figure \ (\pageindex {1}\). Common source amplifier with model. The current in the mos is set mainly by the (large signal) vgs = vin, but also by vd = vout. the. Common Source Nmos.
From narodnatribuna.info
A Self Cascode Nmos Transistor B Equivalent Nmos Transistor Common Source Nmos Before we can examine the common source amplifier, an ac. This circuit includes a swamping resistor, \ (r_s\). the common source amplifier is analogous to the common emitter amplifier. Common source amplifier with model. The prototype amplifier circuit with device model is shown in figure \ (\pageindex {1}\). The current in the mos is set mainly by the (large. Common Source Nmos.
From www.chegg.com
DC & AC MOS Labs 1. Analysis of Common Source NMOS Common Source Nmos The current in the mos is set mainly by the (large signal) vgs = vin, but also by vd = vout. Common source amplifier with model. The prototype amplifier circuit with device model is shown in figure \ (\pageindex {1}\). This circuit includes a swamping resistor, \ (r_s\). the common source amplifier is analogous to the common emitter amplifier.. Common Source Nmos.
From www.vrogue.co
Common Source Amplifier Nmos Pmos Transistor vrogue.co Common Source Nmos Before we can examine the common source amplifier, an ac. The prototype amplifier circuit with device model is shown in figure \ (\pageindex {1}\). the common source amplifier is analogous to the common emitter amplifier. Common source amplifier with model. The current in the mos is set mainly by the (large signal) vgs = vin, but also by vd. Common Source Nmos.
From www.coursehero.com
Given NMOS integrated common source amplifier below, with... Course Hero Common Source Nmos the common source amplifier is analogous to the common emitter amplifier. The current in the mos is set mainly by the (large signal) vgs = vin, but also by vd = vout. Before we can examine the common source amplifier, an ac. This circuit includes a swamping resistor, \ (r_s\). Common source amplifier with model. The prototype amplifier circuit. Common Source Nmos.
From www.multisim.com
NMOS CommonSource Amplifier Multisim Live Common Source Nmos This circuit includes a swamping resistor, \ (r_s\). Before we can examine the common source amplifier, an ac. The current in the mos is set mainly by the (large signal) vgs = vin, but also by vd = vout. The prototype amplifier circuit with device model is shown in figure \ (\pageindex {1}\). the common source amplifier is analogous. Common Source Nmos.
From itecnotes.com
Electrical Biasing using a Current Source in NMOS Common Source Common Source Nmos This circuit includes a swamping resistor, \ (r_s\). Common source amplifier with model. the common source amplifier is analogous to the common emitter amplifier. The current in the mos is set mainly by the (large signal) vgs = vin, but also by vd = vout. The prototype amplifier circuit with device model is shown in figure \ (\pageindex {1}\).. Common Source Nmos.
From www.researchgate.net
CS Stage using a PMOS device as a current source. Download Scientific Common Source Nmos The prototype amplifier circuit with device model is shown in figure \ (\pageindex {1}\). the common source amplifier is analogous to the common emitter amplifier. This circuit includes a swamping resistor, \ (r_s\). The current in the mos is set mainly by the (large signal) vgs = vin, but also by vd = vout. Common source amplifier with model.. Common Source Nmos.
From www.chegg.com
Solved Figure 2 An NMOS common source amplifier with a PMOS Common Source Nmos This circuit includes a swamping resistor, \ (r_s\). the common source amplifier is analogous to the common emitter amplifier. The current in the mos is set mainly by the (large signal) vgs = vin, but also by vd = vout. The prototype amplifier circuit with device model is shown in figure \ (\pageindex {1}\). Before we can examine the. Common Source Nmos.
From www.chegg.com
a. Design a commonsource depletion NMOS amplifier as Common Source Nmos Before we can examine the common source amplifier, an ac. Common source amplifier with model. This circuit includes a swamping resistor, \ (r_s\). the common source amplifier is analogous to the common emitter amplifier. The current in the mos is set mainly by the (large signal) vgs = vin, but also by vd = vout. The prototype amplifier circuit. Common Source Nmos.
From www.vrogue.co
Common Source Amplifiers Diode Connected Load Output vrogue.co Common Source Nmos Before we can examine the common source amplifier, an ac. The current in the mos is set mainly by the (large signal) vgs = vin, but also by vd = vout. This circuit includes a swamping resistor, \ (r_s\). the common source amplifier is analogous to the common emitter amplifier. The prototype amplifier circuit with device model is shown. Common Source Nmos.
From www.vrogue.co
Common Source Amplifier Nmos Pmos Cmos vrogue.co Common Source Nmos Common source amplifier with model. The prototype amplifier circuit with device model is shown in figure \ (\pageindex {1}\). Before we can examine the common source amplifier, an ac. This circuit includes a swamping resistor, \ (r_s\). The current in the mos is set mainly by the (large signal) vgs = vin, but also by vd = vout. the. Common Source Nmos.
From www.slideserve.com
PPT ANALOGUE ELECTRONICS I PowerPoint Presentation, free download Common Source Nmos The prototype amplifier circuit with device model is shown in figure \ (\pageindex {1}\). The current in the mos is set mainly by the (large signal) vgs = vin, but also by vd = vout. Before we can examine the common source amplifier, an ac. the common source amplifier is analogous to the common emitter amplifier. This circuit includes. Common Source Nmos.
From www.chegg.com
Solved Q2. [20] Consider an NMOS Common Source Differential Common Source Nmos The prototype amplifier circuit with device model is shown in figure \ (\pageindex {1}\). the common source amplifier is analogous to the common emitter amplifier. This circuit includes a swamping resistor, \ (r_s\). Common source amplifier with model. Before we can examine the common source amplifier, an ac. The current in the mos is set mainly by the (large. Common Source Nmos.
From www.reddit.com
intrinsic gain of NMOS common source amplifier with active load Common Source Nmos The current in the mos is set mainly by the (large signal) vgs = vin, but also by vd = vout. Common source amplifier with model. The prototype amplifier circuit with device model is shown in figure \ (\pageindex {1}\). the common source amplifier is analogous to the common emitter amplifier. This circuit includes a swamping resistor, \ (r_s\).. Common Source Nmos.
From www.chegg.com
Solved Figure 5 Commonsource NMOS. For the circuit shown Common Source Nmos The prototype amplifier circuit with device model is shown in figure \ (\pageindex {1}\). Before we can examine the common source amplifier, an ac. the common source amplifier is analogous to the common emitter amplifier. Common source amplifier with model. The current in the mos is set mainly by the (large signal) vgs = vin, but also by vd. Common Source Nmos.
From www.chegg.com
Solved Design a commonsource NMOS amplifier as shown in Common Source Nmos Before we can examine the common source amplifier, an ac. The prototype amplifier circuit with device model is shown in figure \ (\pageindex {1}\). the common source amplifier is analogous to the common emitter amplifier. The current in the mos is set mainly by the (large signal) vgs = vin, but also by vd = vout. Common source amplifier. Common Source Nmos.
From www.vrogue.co
Solved Vdd Ri O Vo Ug Ds 1 An Nmos Common Source Circ vrogue.co Common Source Nmos The prototype amplifier circuit with device model is shown in figure \ (\pageindex {1}\). Before we can examine the common source amplifier, an ac. Common source amplifier with model. the common source amplifier is analogous to the common emitter amplifier. The current in the mos is set mainly by the (large signal) vgs = vin, but also by vd. Common Source Nmos.